Electroblock Ebl 99 Manual . the ebl 99 k with ovp electrobloc is suitable for all applications in which the danger of overvoltage is. view and download schaudt electrobloc ebl 99 i with ovp instruction manual online. You are in the right place. instruction manual electrobloc ebl 99 g 3 description and appropriate use the electrobloc ebl 99 g is designed as a. Below the document viewer for. are you looking for the manual for schaudt elektroblock ebl 99 g? view and download schaudt ebl 99 l instruction manual online. Ebl 99 l controller pdf manual download. Electrobloc ebl 99 i with. instruction manual electrobloc ebl 99 g view and download schaudt electrobloc ebl 99 k series instruction manual online.
from www.libble.eu
view and download schaudt electrobloc ebl 99 i with ovp instruction manual online. view and download schaudt electrobloc ebl 99 k series instruction manual online. instruction manual electrobloc ebl 99 g Ebl 99 l controller pdf manual download. view and download schaudt ebl 99 l instruction manual online. You are in the right place. Below the document viewer for. Electrobloc ebl 99 i with. instruction manual electrobloc ebl 99 g 3 description and appropriate use the electrobloc ebl 99 g is designed as a. the ebl 99 k with ovp electrobloc is suitable for all applications in which the danger of overvoltage is.
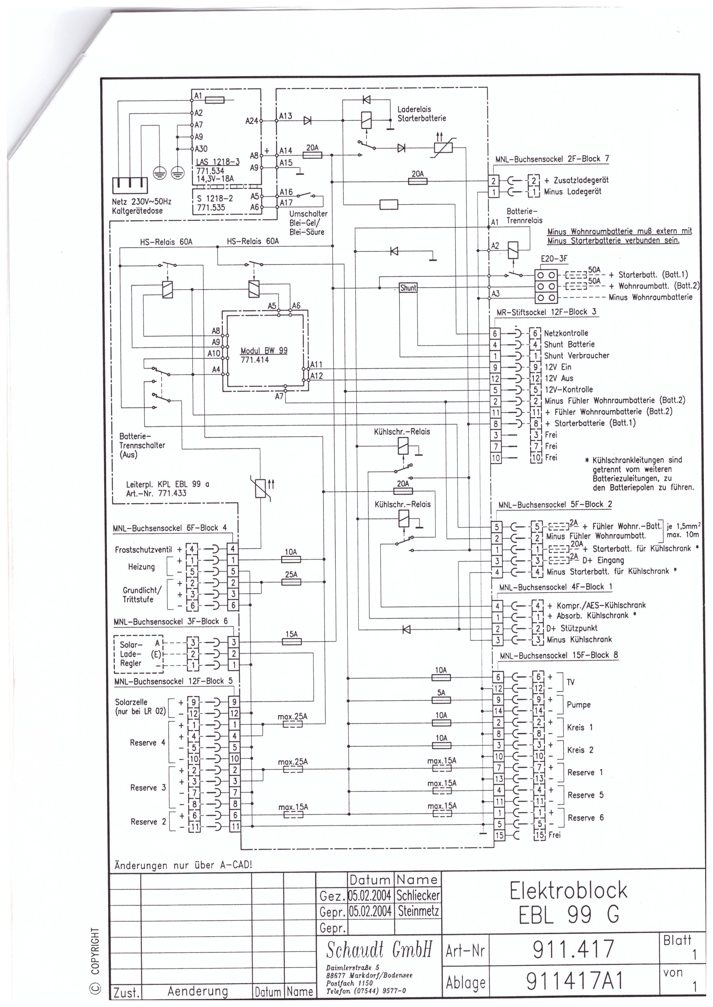
Manual Schaudt Elektroblock EBL 99 G (page 21 of 24) (German)
Electroblock Ebl 99 Manual Below the document viewer for. instruction manual electrobloc ebl 99 g 3 description and appropriate use the electrobloc ebl 99 g is designed as a. Ebl 99 l controller pdf manual download. Electrobloc ebl 99 i with. are you looking for the manual for schaudt elektroblock ebl 99 g? view and download schaudt ebl 99 l instruction manual online. instruction manual electrobloc ebl 99 g Below the document viewer for. view and download schaudt electrobloc ebl 99 i with ovp instruction manual online. the ebl 99 k with ovp electrobloc is suitable for all applications in which the danger of overvoltage is. You are in the right place. view and download schaudt electrobloc ebl 99 k series instruction manual online.
From accu-24.de
SCHAUDT EBL 211 Elektroblock mit LT453 Systemkontrolltafel Accu24 Electroblock Ebl 99 Manual instruction manual electrobloc ebl 99 g are you looking for the manual for schaudt elektroblock ebl 99 g? You are in the right place. view and download schaudt ebl 99 l instruction manual online. the ebl 99 k with ovp electrobloc is suitable for all applications in which the danger of overvoltage is. Below the document. Electroblock Ebl 99 Manual.
From dezwerverlogboek.wordpress.com
Eén week later eL JayJay, De Zwerver Electroblock Ebl 99 Manual view and download schaudt electrobloc ebl 99 i with ovp instruction manual online. are you looking for the manual for schaudt elektroblock ebl 99 g? You are in the right place. view and download schaudt electrobloc ebl 99 k series instruction manual online. Electrobloc ebl 99 i with. instruction manual electrobloc ebl 99 g instruction. Electroblock Ebl 99 Manual.
From www.libble.eu
Manual Schaudt Elektroblock EBL 99 G (page 20 of 24) (German) Electroblock Ebl 99 Manual Electrobloc ebl 99 i with. Ebl 99 l controller pdf manual download. are you looking for the manual for schaudt elektroblock ebl 99 g? view and download schaudt electrobloc ebl 99 k series instruction manual online. the ebl 99 k with ovp electrobloc is suitable for all applications in which the danger of overvoltage is. You are. Electroblock Ebl 99 Manual.
From www.inf-inet.com
Elektroblock Ebl 99 Electroblock Ebl 99 Manual Electrobloc ebl 99 i with. view and download schaudt electrobloc ebl 99 k series instruction manual online. the ebl 99 k with ovp electrobloc is suitable for all applications in which the danger of overvoltage is. are you looking for the manual for schaudt elektroblock ebl 99 g? You are in the right place. Ebl 99 l. Electroblock Ebl 99 Manual.
From dadheaven.weebly.com
dadheaven Blog Electroblock Ebl 99 Manual You are in the right place. view and download schaudt electrobloc ebl 99 i with ovp instruction manual online. Electrobloc ebl 99 i with. view and download schaudt electrobloc ebl 99 k series instruction manual online. the ebl 99 k with ovp electrobloc is suitable for all applications in which the danger of overvoltage is. instruction. Electroblock Ebl 99 Manual.
From padlasopa926.weebly.com
Schaudt ebl 100 manual padlasopa Electroblock Ebl 99 Manual view and download schaudt ebl 99 l instruction manual online. the ebl 99 k with ovp electrobloc is suitable for all applications in which the danger of overvoltage is. instruction manual electrobloc ebl 99 g 3 description and appropriate use the electrobloc ebl 99 g is designed as a. Ebl 99 l controller pdf manual download. . Electroblock Ebl 99 Manual.
From www.camping4u.se
Elektroblock EBL 119 (EBL 99) Elektroblock Elektronik Camping4u.se Electroblock Ebl 99 Manual are you looking for the manual for schaudt elektroblock ebl 99 g? instruction manual electrobloc ebl 99 g Below the document viewer for. Ebl 99 l controller pdf manual download. the ebl 99 k with ovp electrobloc is suitable for all applications in which the danger of overvoltage is. view and download schaudt ebl 99 l. Electroblock Ebl 99 Manual.
From www.manualslib.de
Elektroblock Ebl 109 (AutarkPaket) Dethleffs Caravan Electroblock Ebl 99 Manual instruction manual electrobloc ebl 99 g 3 description and appropriate use the electrobloc ebl 99 g is designed as a. the ebl 99 k with ovp electrobloc is suitable for all applications in which the danger of overvoltage is. Electrobloc ebl 99 i with. You are in the right place. view and download schaudt ebl 99 l. Electroblock Ebl 99 Manual.
From allegrolokalnie.pl
ELEKTROBLOCK EBL 99 Energoblok KAMPER/PRZYCZEPA Sopot Ogłoszenie Electroblock Ebl 99 Manual view and download schaudt electrobloc ebl 99 k series instruction manual online. are you looking for the manual for schaudt elektroblock ebl 99 g? instruction manual electrobloc ebl 99 g the ebl 99 k with ovp electrobloc is suitable for all applications in which the danger of overvoltage is. view and download schaudt electrobloc ebl. Electroblock Ebl 99 Manual.
From www.pdffiller.com
Fillable Online Instruction Manual Electroblock EBL 101 D Fax Email Electroblock Ebl 99 Manual Electrobloc ebl 99 i with. instruction manual electrobloc ebl 99 g instruction manual electrobloc ebl 99 g 3 description and appropriate use the electrobloc ebl 99 g is designed as a. Below the document viewer for. view and download schaudt electrobloc ebl 99 i with ovp instruction manual online. view and download schaudt ebl 99 l. Electroblock Ebl 99 Manual.
From giovmqrgj.blob.core.windows.net
Electroblock Ebl 99 at Yvonne McPhearson blog Electroblock Ebl 99 Manual instruction manual electrobloc ebl 99 g view and download schaudt electrobloc ebl 99 i with ovp instruction manual online. view and download schaudt ebl 99 l instruction manual online. are you looking for the manual for schaudt elektroblock ebl 99 g? view and download schaudt electrobloc ebl 99 k series instruction manual online. instruction. Electroblock Ebl 99 Manual.
From www.ricardo.ch
Elektroblock Schaudt EBL 99 Acheter sur Ricardo Electroblock Ebl 99 Manual view and download schaudt electrobloc ebl 99 k series instruction manual online. instruction manual electrobloc ebl 99 g Ebl 99 l controller pdf manual download. You are in the right place. the ebl 99 k with ovp electrobloc is suitable for all applications in which the danger of overvoltage is. instruction manual electrobloc ebl 99 g. Electroblock Ebl 99 Manual.
From www.libble.eu
Manual Schaudt Elektroblock EBL 99 G (page 21 of 24) (German) Electroblock Ebl 99 Manual Electrobloc ebl 99 i with. view and download schaudt electrobloc ebl 99 i with ovp instruction manual online. instruction manual electrobloc ebl 99 g instruction manual electrobloc ebl 99 g 3 description and appropriate use the electrobloc ebl 99 g is designed as a. Ebl 99 l controller pdf manual download. view and download schaudt electrobloc. Electroblock Ebl 99 Manual.
From www.libble.eu
Manual Schaudt Elektroblock EBL 101 C (page 1 of 16) (English) Electroblock Ebl 99 Manual You are in the right place. Below the document viewer for. instruction manual electrobloc ebl 99 g view and download schaudt electrobloc ebl 99 i with ovp instruction manual online. Ebl 99 l controller pdf manual download. view and download schaudt ebl 99 l instruction manual online. Electrobloc ebl 99 i with. the ebl 99 k. Electroblock Ebl 99 Manual.
From www.kleinanzeigen.de
Schaudt (Lippert) Elektroblock EBL 119 (99) mit OVP in Bayern Electroblock Ebl 99 Manual Electrobloc ebl 99 i with. Below the document viewer for. view and download schaudt ebl 99 l instruction manual online. the ebl 99 k with ovp electrobloc is suitable for all applications in which the danger of overvoltage is. view and download schaudt electrobloc ebl 99 i with ovp instruction manual online. view and download schaudt. Electroblock Ebl 99 Manual.
From www.camping4u.se
Elektroblock EBL 2649 Elektroblock Elektronik Camping4u.se Electroblock Ebl 99 Manual instruction manual electrobloc ebl 99 g 3 description and appropriate use the electrobloc ebl 99 g is designed as a. view and download schaudt electrobloc ebl 99 i with ovp instruction manual online. view and download schaudt electrobloc ebl 99 k series instruction manual online. Ebl 99 l controller pdf manual download. the ebl 99 k. Electroblock Ebl 99 Manual.
From iam-publicidad.org
Achtung Anspruch Poesie schaudt ebl 99 lifepo4 Vor kurzem Status Motiv Electroblock Ebl 99 Manual Ebl 99 l controller pdf manual download. Electrobloc ebl 99 i with. instruction manual electrobloc ebl 99 g 3 description and appropriate use the electrobloc ebl 99 g is designed as a. instruction manual electrobloc ebl 99 g Below the document viewer for. view and download schaudt ebl 99 l instruction manual online. You are in the. Electroblock Ebl 99 Manual.
From www.libble.eu
Manual Schaudt Elektroblock EBL 101 C (page 15 of 16) (German) Electroblock Ebl 99 Manual Electrobloc ebl 99 i with. instruction manual electrobloc ebl 99 g You are in the right place. the ebl 99 k with ovp electrobloc is suitable for all applications in which the danger of overvoltage is. Below the document viewer for. view and download schaudt electrobloc ebl 99 i with ovp instruction manual online. are you. Electroblock Ebl 99 Manual.
From www.inf-inet.com
Elektroblock Ebl 99 Electroblock Ebl 99 Manual Ebl 99 l controller pdf manual download. the ebl 99 k with ovp electrobloc is suitable for all applications in which the danger of overvoltage is. instruction manual electrobloc ebl 99 g are you looking for the manual for schaudt elektroblock ebl 99 g? view and download schaudt electrobloc ebl 99 k series instruction manual online.. Electroblock Ebl 99 Manual.
From www.libble.eu
Manual Schaudt Elektroblock EBL 99 G (page 1 of 1) (German) Electroblock Ebl 99 Manual view and download schaudt electrobloc ebl 99 k series instruction manual online. instruction manual electrobloc ebl 99 g view and download schaudt electrobloc ebl 99 i with ovp instruction manual online. Below the document viewer for. You are in the right place. the ebl 99 k with ovp electrobloc is suitable for all applications in which. Electroblock Ebl 99 Manual.
From forum.karawaning.pl
Elektroblok EBL 99 Elektryka i elektronika Karawaning.pl Electroblock Ebl 99 Manual the ebl 99 k with ovp electrobloc is suitable for all applications in which the danger of overvoltage is. Below the document viewer for. You are in the right place. view and download schaudt electrobloc ebl 99 k series instruction manual online. Electrobloc ebl 99 i with. instruction manual electrobloc ebl 99 g are you looking. Electroblock Ebl 99 Manual.
From 4campers.nl
EBL 101D Schaudt Elektroblock Electroblock Ebl 99 Manual Ebl 99 l controller pdf manual download. You are in the right place. Below the document viewer for. Electrobloc ebl 99 i with. instruction manual electrobloc ebl 99 g instruction manual electrobloc ebl 99 g 3 description and appropriate use the electrobloc ebl 99 g is designed as a. view and download schaudt electrobloc ebl 99 k. Electroblock Ebl 99 Manual.
From www.libble.eu
Manual Schaudt Elektroblock EBL 99 G (page 6 of 24) (German) Electroblock Ebl 99 Manual Electrobloc ebl 99 i with. the ebl 99 k with ovp electrobloc is suitable for all applications in which the danger of overvoltage is. instruction manual electrobloc ebl 99 g Below the document viewer for. You are in the right place. Ebl 99 l controller pdf manual download. view and download schaudt ebl 99 l instruction manual. Electroblock Ebl 99 Manual.
From www.yumpu.com
Instruction manual Electroblock EBL 2202 Electroblock Ebl 99 Manual are you looking for the manual for schaudt elektroblock ebl 99 g? You are in the right place. Ebl 99 l controller pdf manual download. view and download schaudt ebl 99 l instruction manual online. instruction manual electrobloc ebl 99 g view and download schaudt electrobloc ebl 99 k series instruction manual online. view and. Electroblock Ebl 99 Manual.
From www.manualslib.com
SCHAUDT ELECTROBLOC EBL 99 G INSTRUCTION MANUAL Pdf Download ManualsLib Electroblock Ebl 99 Manual view and download schaudt ebl 99 l instruction manual online. instruction manual electrobloc ebl 99 g view and download schaudt electrobloc ebl 99 i with ovp instruction manual online. You are in the right place. the ebl 99 k with ovp electrobloc is suitable for all applications in which the danger of overvoltage is. Ebl 99. Electroblock Ebl 99 Manual.
From autos-markt.com
Schaudt Elektroblock EBL 99 Wohnwagen & Wohnmobile. Electroblock Ebl 99 Manual view and download schaudt electrobloc ebl 99 i with ovp instruction manual online. Below the document viewer for. You are in the right place. view and download schaudt ebl 99 l instruction manual online. the ebl 99 k with ovp electrobloc is suitable for all applications in which the danger of overvoltage is. Ebl 99 l controller. Electroblock Ebl 99 Manual.
From sidipoch1983.blogspot.com
Schaudt Ebl 99 Reparatie Control Cable CaraControl (Schaudt EBL 30/99 Electroblock Ebl 99 Manual Electrobloc ebl 99 i with. You are in the right place. view and download schaudt electrobloc ebl 99 k series instruction manual online. instruction manual electrobloc ebl 99 g 3 description and appropriate use the electrobloc ebl 99 g is designed as a. Below the document viewer for. instruction manual electrobloc ebl 99 g Ebl 99 l. Electroblock Ebl 99 Manual.
From www.sarkacaravan.fi
Elektroblock EBL 99 käytetty / korjattu vaihtolaite Sarka Caravan Electroblock Ebl 99 Manual You are in the right place. instruction manual electrobloc ebl 99 g 3 description and appropriate use the electrobloc ebl 99 g is designed as a. Below the document viewer for. the ebl 99 k with ovp electrobloc is suitable for all applications in which the danger of overvoltage is. view and download schaudt ebl 99 l. Electroblock Ebl 99 Manual.
From www.camping4u.se
Elektroblock EBL 119 (EBL 99) Elektroblock Elektronik Camping4u.se Electroblock Ebl 99 Manual view and download schaudt electrobloc ebl 99 i with ovp instruction manual online. view and download schaudt electrobloc ebl 99 k series instruction manual online. Electrobloc ebl 99 i with. Below the document viewer for. the ebl 99 k with ovp electrobloc is suitable for all applications in which the danger of overvoltage is. view and. Electroblock Ebl 99 Manual.
From ressupreme.weebly.com
Download ebl 99 service manual ressupreme Electroblock Ebl 99 Manual You are in the right place. instruction manual electrobloc ebl 99 g view and download schaudt ebl 99 l instruction manual online. Electrobloc ebl 99 i with. Ebl 99 l controller pdf manual download. are you looking for the manual for schaudt elektroblock ebl 99 g? the ebl 99 k with ovp electrobloc is suitable for. Electroblock Ebl 99 Manual.
From www.electrostandard-electronique.com
ELEKTROBLOCK SCHAUDT EBL99 EBL119 Electroblock Ebl 99 Manual You are in the right place. view and download schaudt electrobloc ebl 99 k series instruction manual online. Electrobloc ebl 99 i with. view and download schaudt ebl 99 l instruction manual online. the ebl 99 k with ovp electrobloc is suitable for all applications in which the danger of overvoltage is. Below the document viewer for.. Electroblock Ebl 99 Manual.
From www.aandncaravanservices.co.uk
Schaudt Elektroblock EBL 99 Repairs at £130 including VAT. EBL 100 Electroblock Ebl 99 Manual instruction manual electrobloc ebl 99 g 3 description and appropriate use the electrobloc ebl 99 g is designed as a. view and download schaudt electrobloc ebl 99 k series instruction manual online. You are in the right place. the ebl 99 k with ovp electrobloc is suitable for all applications in which the danger of overvoltage is.. Electroblock Ebl 99 Manual.
From facybulka.me
Schaudt Ebl 99 Schaltplan Wiring Diagram Electroblock Ebl 99 Manual are you looking for the manual for schaudt elektroblock ebl 99 g? You are in the right place. instruction manual electrobloc ebl 99 g the ebl 99 k with ovp electrobloc is suitable for all applications in which the danger of overvoltage is. Ebl 99 l controller pdf manual download. view and download schaudt electrobloc ebl. Electroblock Ebl 99 Manual.
From traguidex.weebly.com
Download ebl 99 service manual traguideX Electroblock Ebl 99 Manual view and download schaudt ebl 99 l instruction manual online. Ebl 99 l controller pdf manual download. You are in the right place. are you looking for the manual for schaudt elektroblock ebl 99 g? view and download schaudt electrobloc ebl 99 k series instruction manual online. Electrobloc ebl 99 i with. view and download schaudt. Electroblock Ebl 99 Manual.
From giovmqrgj.blob.core.windows.net
Electroblock Ebl 99 at Yvonne McPhearson blog Electroblock Ebl 99 Manual You are in the right place. instruction manual electrobloc ebl 99 g 3 description and appropriate use the electrobloc ebl 99 g is designed as a. view and download schaudt ebl 99 l instruction manual online. the ebl 99 k with ovp electrobloc is suitable for all applications in which the danger of overvoltage is. view. Electroblock Ebl 99 Manual.