Air Conditioning Not Working Vw Passat . what should i do if my volkswagen passat air conditioning is not working? if your volkswagen passat's ac system is not working, it can be uncomfortable and downright dangerous. If your volkswagen passat air. volkswagen passat air conditioning not blowing cold: the most common causes for ac not cooling properly in vw passat are low or overcharged refrigerant, compressor. the most common cause of a volkswagen passat ac not working is low refrigerant level. Here are the most common causes of an ac. the most common cause of a volkswagen passat air conditioner not working is a low refrigerant level. volkswagen passat ac not working can be caused by a number of factors, including a faulty compressor, a leak in the system, or a problem with. The refrigerant is a gas.
from www.youtube.com
If your volkswagen passat air. The refrigerant is a gas. what should i do if my volkswagen passat air conditioning is not working? the most common cause of a volkswagen passat ac not working is low refrigerant level. volkswagen passat air conditioning not blowing cold: if your volkswagen passat's ac system is not working, it can be uncomfortable and downright dangerous. Here are the most common causes of an ac. the most common cause of a volkswagen passat air conditioner not working is a low refrigerant level. the most common causes for ac not cooling properly in vw passat are low or overcharged refrigerant, compressor. volkswagen passat ac not working can be caused by a number of factors, including a faulty compressor, a leak in the system, or a problem with.
Volkswagen Jetta Airconditioner and heater how to turn on/off
Air Conditioning Not Working Vw Passat if your volkswagen passat's ac system is not working, it can be uncomfortable and downright dangerous. the most common cause of a volkswagen passat air conditioner not working is a low refrigerant level. what should i do if my volkswagen passat air conditioning is not working? volkswagen passat air conditioning not blowing cold: If your volkswagen passat air. volkswagen passat ac not working can be caused by a number of factors, including a faulty compressor, a leak in the system, or a problem with. The refrigerant is a gas. Here are the most common causes of an ac. the most common cause of a volkswagen passat ac not working is low refrigerant level. the most common causes for ac not cooling properly in vw passat are low or overcharged refrigerant, compressor. if your volkswagen passat's ac system is not working, it can be uncomfortable and downright dangerous.
From guidelistsadampcourse.z14.web.core.windows.net
2015 Vw Passat Heat And Ac Air Flow Diagram Air Conditioning Not Working Vw Passat what should i do if my volkswagen passat air conditioning is not working? The refrigerant is a gas. If your volkswagen passat air. volkswagen passat air conditioning not blowing cold: the most common causes for ac not cooling properly in vw passat are low or overcharged refrigerant, compressor. the most common cause of a volkswagen passat. Air Conditioning Not Working Vw Passat.
From www.youtube.com
20092017 VW Intermittent AC Diagnosis and Repair How to Fix Air Conditioning Not Working Vw Passat what should i do if my volkswagen passat air conditioning is not working? the most common cause of a volkswagen passat air conditioner not working is a low refrigerant level. volkswagen passat air conditioning not blowing cold: Here are the most common causes of an ac. if your volkswagen passat's ac system is not working, it. Air Conditioning Not Working Vw Passat.
From workshop-manuals.com
Volkswagen Manuals > Passat (B3) > Heating, ventilation, air Air Conditioning Not Working Vw Passat the most common causes for ac not cooling properly in vw passat are low or overcharged refrigerant, compressor. volkswagen passat air conditioning not blowing cold: If your volkswagen passat air. if your volkswagen passat's ac system is not working, it can be uncomfortable and downright dangerous. The refrigerant is a gas. volkswagen passat ac not working. Air Conditioning Not Working Vw Passat.
From www.vwvortex.com
Air Conditioner/Heater Blower Motor Not Working... VW Vortex Air Conditioning Not Working Vw Passat The refrigerant is a gas. what should i do if my volkswagen passat air conditioning is not working? If your volkswagen passat air. if your volkswagen passat's ac system is not working, it can be uncomfortable and downright dangerous. Here are the most common causes of an ac. the most common cause of a volkswagen passat ac. Air Conditioning Not Working Vw Passat.
From www.youtube.com
VW passat. The air stop blowing but fan works. How to calibrate and Air Conditioning Not Working Vw Passat volkswagen passat air conditioning not blowing cold: what should i do if my volkswagen passat air conditioning is not working? Here are the most common causes of an ac. the most common cause of a volkswagen passat air conditioner not working is a low refrigerant level. If your volkswagen passat air. if your volkswagen passat's ac. Air Conditioning Not Working Vw Passat.
From workshop-manuals.com
Volkswagen Manuals > Passat (B3) > Heating, ventilation, air Air Conditioning Not Working Vw Passat If your volkswagen passat air. volkswagen passat ac not working can be caused by a number of factors, including a faulty compressor, a leak in the system, or a problem with. what should i do if my volkswagen passat air conditioning is not working? the most common causes for ac not cooling properly in vw passat are. Air Conditioning Not Working Vw Passat.
From www.youtube.com
How to reset and calibrate HVAC flaps in VW Climatronic (Golf, Passat Air Conditioning Not Working Vw Passat the most common cause of a volkswagen passat air conditioner not working is a low refrigerant level. the most common cause of a volkswagen passat ac not working is low refrigerant level. if your volkswagen passat's ac system is not working, it can be uncomfortable and downright dangerous. the most common causes for ac not cooling. Air Conditioning Not Working Vw Passat.
From www.carmanualsonline.info
fuse VOLKSWAGEN PASSAT 2015 B8 / 6.G Owners Manual (397 Pages) Air Conditioning Not Working Vw Passat the most common causes for ac not cooling properly in vw passat are low or overcharged refrigerant, compressor. volkswagen passat ac not working can be caused by a number of factors, including a faulty compressor, a leak in the system, or a problem with. what should i do if my volkswagen passat air conditioning is not working?. Air Conditioning Not Working Vw Passat.
From www.youtube.com
VW Passat b6 , air conditioning system test. A/C testing without A/C Air Conditioning Not Working Vw Passat the most common cause of a volkswagen passat air conditioner not working is a low refrigerant level. the most common cause of a volkswagen passat ac not working is low refrigerant level. what should i do if my volkswagen passat air conditioning is not working? if your volkswagen passat's ac system is not working, it can. Air Conditioning Not Working Vw Passat.
From www.wheelsjoint.com
VW Passat AC not working causes and how to fix it Air Conditioning Not Working Vw Passat If your volkswagen passat air. what should i do if my volkswagen passat air conditioning is not working? the most common cause of a volkswagen passat ac not working is low refrigerant level. volkswagen passat ac not working can be caused by a number of factors, including a faulty compressor, a leak in the system, or a. Air Conditioning Not Working Vw Passat.
From www.youtube.com
How to replace / remove air vents VW Golf Mk4 Bora Passat in 2 steps Air Conditioning Not Working Vw Passat the most common cause of a volkswagen passat air conditioner not working is a low refrigerant level. Here are the most common causes of an ac. If your volkswagen passat air. The refrigerant is a gas. the most common cause of a volkswagen passat ac not working is low refrigerant level. volkswagen passat ac not working can. Air Conditioning Not Working Vw Passat.
From www.youtube.com
Air Conditioning AC Compressor doesn't work Volkswagen Golf 4, Bora Air Conditioning Not Working Vw Passat volkswagen passat air conditioning not blowing cold: If your volkswagen passat air. if your volkswagen passat's ac system is not working, it can be uncomfortable and downright dangerous. volkswagen passat ac not working can be caused by a number of factors, including a faulty compressor, a leak in the system, or a problem with. what should. Air Conditioning Not Working Vw Passat.
From www.vwpartsvortex.com
VW AC Not Working VW Parts Vortex Air Conditioning Not Working Vw Passat what should i do if my volkswagen passat air conditioning is not working? the most common causes for ac not cooling properly in vw passat are low or overcharged refrigerant, compressor. volkswagen passat ac not working can be caused by a number of factors, including a faulty compressor, a leak in the system, or a problem with.. Air Conditioning Not Working Vw Passat.
From mechanics.stackexchange.com
ac Air distribution map of a 2012 VW Passat? Motor Vehicle Air Conditioning Not Working Vw Passat the most common cause of a volkswagen passat air conditioner not working is a low refrigerant level. If your volkswagen passat air. The refrigerant is a gas. the most common cause of a volkswagen passat ac not working is low refrigerant level. the most common causes for ac not cooling properly in vw passat are low or. Air Conditioning Not Working Vw Passat.
From www.youtube.com
VW Air Conditioning not working how to fix VW A/C (new beetle) YouTube Air Conditioning Not Working Vw Passat The refrigerant is a gas. volkswagen passat air conditioning not blowing cold: if your volkswagen passat's ac system is not working, it can be uncomfortable and downright dangerous. the most common cause of a volkswagen passat ac not working is low refrigerant level. the most common cause of a volkswagen passat air conditioner not working is. Air Conditioning Not Working Vw Passat.
From www.jimellisvwparts.com
Volkswagenvw Passat Air conditioning (a/c) expansion valve. A/c Air Conditioning Not Working Vw Passat the most common cause of a volkswagen passat ac not working is low refrigerant level. If your volkswagen passat air. The refrigerant is a gas. Here are the most common causes of an ac. the most common cause of a volkswagen passat air conditioner not working is a low refrigerant level. the most common causes for ac. Air Conditioning Not Working Vw Passat.
From www.jimellisvwparts.com
Volkswagenvw Passat Air conditioning (a/c) expansion valve. A/c Air Conditioning Not Working Vw Passat volkswagen passat air conditioning not blowing cold: Here are the most common causes of an ac. if your volkswagen passat's ac system is not working, it can be uncomfortable and downright dangerous. what should i do if my volkswagen passat air conditioning is not working? the most common cause of a volkswagen passat ac not working. Air Conditioning Not Working Vw Passat.
From volkswagenbuddy.com
Volkswagen Golf Air Conditioning Not Working [Causes & Proven Air Conditioning Not Working Vw Passat The refrigerant is a gas. what should i do if my volkswagen passat air conditioning is not working? volkswagen passat ac not working can be caused by a number of factors, including a faulty compressor, a leak in the system, or a problem with. the most common cause of a volkswagen passat ac not working is low. Air Conditioning Not Working Vw Passat.
From www.2carpros.com
Air Conditioning Not Working Properly? Air Conditioning Blows Air Conditioning Not Working Vw Passat The refrigerant is a gas. If your volkswagen passat air. if your volkswagen passat's ac system is not working, it can be uncomfortable and downright dangerous. volkswagen passat ac not working can be caused by a number of factors, including a faulty compressor, a leak in the system, or a problem with. volkswagen passat air conditioning not. Air Conditioning Not Working Vw Passat.
From mechanicswizard.com
Troubleshooting Car Air Conditioner Not Working? Here's What to Do Air Conditioning Not Working Vw Passat the most common cause of a volkswagen passat air conditioner not working is a low refrigerant level. the most common causes for ac not cooling properly in vw passat are low or overcharged refrigerant, compressor. if your volkswagen passat's ac system is not working, it can be uncomfortable and downright dangerous. volkswagen passat ac not working. Air Conditioning Not Working Vw Passat.
From www.youtube.com
How to replace cooler fan on Volkswagen Passat YouTube Air Conditioning Not Working Vw Passat the most common cause of a volkswagen passat air conditioner not working is a low refrigerant level. the most common cause of a volkswagen passat ac not working is low refrigerant level. if your volkswagen passat's ac system is not working, it can be uncomfortable and downright dangerous. Here are the most common causes of an ac.. Air Conditioning Not Working Vw Passat.
From volkswagenbuddy.com
Volkswagen Passat Air Conditioning Not Working [StepByStep Fixes Air Conditioning Not Working Vw Passat the most common cause of a volkswagen passat ac not working is low refrigerant level. volkswagen passat air conditioning not blowing cold: volkswagen passat ac not working can be caused by a number of factors, including a faulty compressor, a leak in the system, or a problem with. if your volkswagen passat's ac system is not. Air Conditioning Not Working Vw Passat.
From www.1aauto.com
Air Conditioning Not Working in Your Car or Truck Check If This HardTo Air Conditioning Not Working Vw Passat The refrigerant is a gas. the most common cause of a volkswagen passat ac not working is low refrigerant level. what should i do if my volkswagen passat air conditioning is not working? the most common causes for ac not cooling properly in vw passat are low or overcharged refrigerant, compressor. volkswagen passat air conditioning not. Air Conditioning Not Working Vw Passat.
From www.vwofalamoheights.com
Why Is Your Car AC Not Cooling Properly? Volkswagen of Alamo Heights Air Conditioning Not Working Vw Passat what should i do if my volkswagen passat air conditioning is not working? The refrigerant is a gas. If your volkswagen passat air. volkswagen passat air conditioning not blowing cold: Here are the most common causes of an ac. the most common cause of a volkswagen passat ac not working is low refrigerant level. the most. Air Conditioning Not Working Vw Passat.
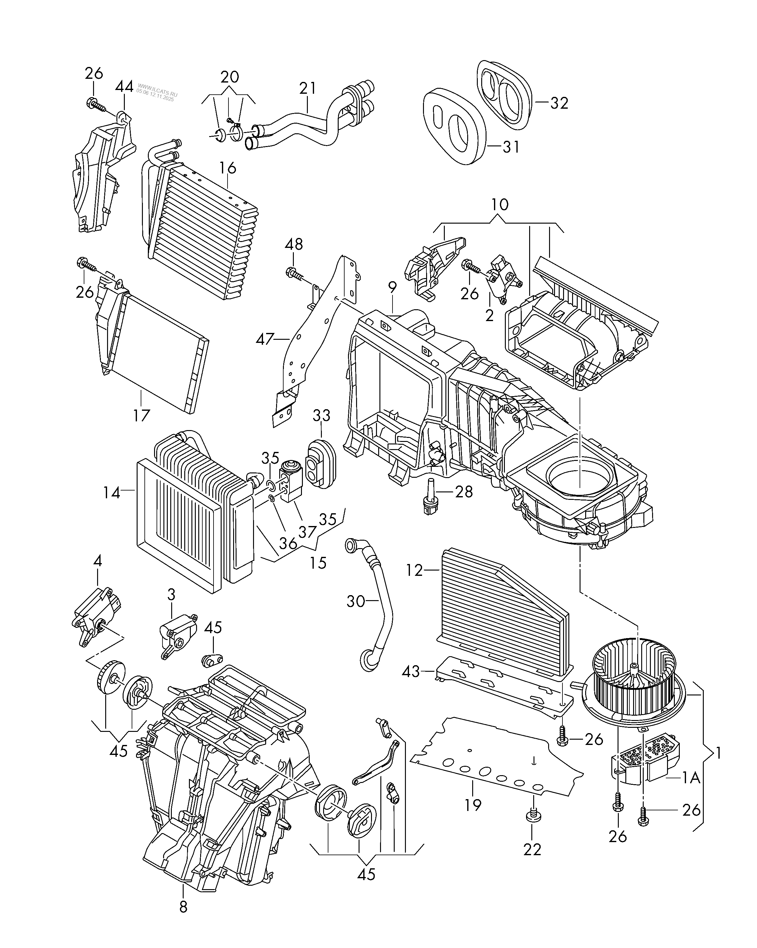
From www.ilcats.ru
air conditioning VW PASSAT Air Conditioning Not Working Vw Passat the most common causes for ac not cooling properly in vw passat are low or overcharged refrigerant, compressor. The refrigerant is a gas. the most common cause of a volkswagen passat ac not working is low refrigerant level. if your volkswagen passat's ac system is not working, it can be uncomfortable and downright dangerous. Here are the. Air Conditioning Not Working Vw Passat.
From mechanics.stackexchange.com
ac Air distribution map of a 2012 VW Passat? Motor Vehicle Air Conditioning Not Working Vw Passat The refrigerant is a gas. Here are the most common causes of an ac. the most common causes for ac not cooling properly in vw passat are low or overcharged refrigerant, compressor. what should i do if my volkswagen passat air conditioning is not working? volkswagen passat air conditioning not blowing cold: the most common cause. Air Conditioning Not Working Vw Passat.
From www.youtube.com
Volkswagen Jetta Airconditioner and heater how to turn on/off Air Conditioning Not Working Vw Passat the most common cause of a volkswagen passat ac not working is low refrigerant level. The refrigerant is a gas. Here are the most common causes of an ac. If your volkswagen passat air. what should i do if my volkswagen passat air conditioning is not working? if your volkswagen passat's ac system is not working, it. Air Conditioning Not Working Vw Passat.
From www.passatworld.com
Air Conditioning not working need advice Volkswagen Passat Forum Air Conditioning Not Working Vw Passat if your volkswagen passat's ac system is not working, it can be uncomfortable and downright dangerous. the most common cause of a volkswagen passat ac not working is low refrigerant level. the most common causes for ac not cooling properly in vw passat are low or overcharged refrigerant, compressor. the most common cause of a volkswagen. Air Conditioning Not Working Vw Passat.
From exofvtxhf.blob.core.windows.net
Passat Air Conditioner Fuse at Carlos Harmon blog Air Conditioning Not Working Vw Passat The refrigerant is a gas. the most common cause of a volkswagen passat ac not working is low refrigerant level. volkswagen passat air conditioning not blowing cold: Here are the most common causes of an ac. if your volkswagen passat's ac system is not working, it can be uncomfortable and downright dangerous. the most common causes. Air Conditioning Not Working Vw Passat.
From volkswagenbuddy.com
Volkswagen Passat Air Conditioning Not Working [StepByStep Fixes Air Conditioning Not Working Vw Passat what should i do if my volkswagen passat air conditioning is not working? volkswagen passat ac not working can be caused by a number of factors, including a faulty compressor, a leak in the system, or a problem with. volkswagen passat air conditioning not blowing cold: The refrigerant is a gas. if your volkswagen passat's ac. Air Conditioning Not Working Vw Passat.
From www.passatworld.com
Air Conditioning not working need advice Volkswagen Passat Forum Air Conditioning Not Working Vw Passat volkswagen passat air conditioning not blowing cold: if your volkswagen passat's ac system is not working, it can be uncomfortable and downright dangerous. the most common causes for ac not cooling properly in vw passat are low or overcharged refrigerant, compressor. The refrigerant is a gas. the most common cause of a volkswagen passat air conditioner. Air Conditioning Not Working Vw Passat.
From parts.vw.com
2014 Volkswagen Passat Duct. Air. Intake. Cabin. HVAC Inlet Housing Air Conditioning Not Working Vw Passat If your volkswagen passat air. Here are the most common causes of an ac. if your volkswagen passat's ac system is not working, it can be uncomfortable and downright dangerous. the most common cause of a volkswagen passat ac not working is low refrigerant level. volkswagen passat air conditioning not blowing cold: what should i do. Air Conditioning Not Working Vw Passat.
From www.rumriverauto.com
Wonder why is my car air conditioning not working? Air Conditioning Not Working Vw Passat Here are the most common causes of an ac. volkswagen passat ac not working can be caused by a number of factors, including a faulty compressor, a leak in the system, or a problem with. volkswagen passat air conditioning not blowing cold: the most common causes for ac not cooling properly in vw passat are low or. Air Conditioning Not Working Vw Passat.
From www.servicetutorials.com
How to replace Rear Armrest Air Vent VW Passat B6, B7, CC Air Conditioning Not Working Vw Passat volkswagen passat ac not working can be caused by a number of factors, including a faulty compressor, a leak in the system, or a problem with. what should i do if my volkswagen passat air conditioning is not working? the most common cause of a volkswagen passat air conditioner not working is a low refrigerant level. . Air Conditioning Not Working Vw Passat.
From workshop-manuals.com
Volkswagen Service and Repair Manuals > Passat (B3) > Heating Air Conditioning Not Working Vw Passat Here are the most common causes of an ac. the most common cause of a volkswagen passat air conditioner not working is a low refrigerant level. if your volkswagen passat's ac system is not working, it can be uncomfortable and downright dangerous. The refrigerant is a gas. volkswagen passat air conditioning not blowing cold: what should. Air Conditioning Not Working Vw Passat.