Purpose Of Clock Frequency . Clock speed is also known as clock rate, core clock or clock frequency. The frequency of a clock signal is the number of oscillations it makes per unit of time (usually measured in hertz). In this case, a “cycle” is the basic unit that measures a cpu’s speed. Clock speed, also known as clock rate or clock frequency, is a measure of how fast a computer’s central processing unit (cpu) can. Complex circuits require careful timing to operate properly. As seen in this link, the pic microcontrollers have the cpu clock, with a rate of $f_{cy}$ (also called instruction cycle frequency), and the system clock, with a rate of $f_{osc}$. The clock speed measures the number of cycles your cpu executes per second, measured in ghz (gigahertz). A processor's clock frequency, often simply referred to as clock frequency, is a measure of how quickly a computer's. Cpu clock speed is how many cycles per second it can execute and is measured in gigahertz (ghz). Learn how clock speed affects performance,.
from www.youtube.com
Clock speed is also known as clock rate, core clock or clock frequency. A processor's clock frequency, often simply referred to as clock frequency, is a measure of how quickly a computer's. Clock speed, also known as clock rate or clock frequency, is a measure of how fast a computer’s central processing unit (cpu) can. As seen in this link, the pic microcontrollers have the cpu clock, with a rate of $f_{cy}$ (also called instruction cycle frequency), and the system clock, with a rate of $f_{osc}$. Learn how clock speed affects performance,. The clock speed measures the number of cycles your cpu executes per second, measured in ghz (gigahertz). In this case, a “cycle” is the basic unit that measures a cpu’s speed. Cpu clock speed is how many cycles per second it can execute and is measured in gigahertz (ghz). The frequency of a clock signal is the number of oscillations it makes per unit of time (usually measured in hertz). Complex circuits require careful timing to operate properly.
TimeFrequency domain analysis of vibration signals Time frequency
Purpose Of Clock Frequency As seen in this link, the pic microcontrollers have the cpu clock, with a rate of $f_{cy}$ (also called instruction cycle frequency), and the system clock, with a rate of $f_{osc}$. A processor's clock frequency, often simply referred to as clock frequency, is a measure of how quickly a computer's. Cpu clock speed is how many cycles per second it can execute and is measured in gigahertz (ghz). As seen in this link, the pic microcontrollers have the cpu clock, with a rate of $f_{cy}$ (also called instruction cycle frequency), and the system clock, with a rate of $f_{osc}$. Complex circuits require careful timing to operate properly. In this case, a “cycle” is the basic unit that measures a cpu’s speed. Clock speed is also known as clock rate, core clock or clock frequency. The clock speed measures the number of cycles your cpu executes per second, measured in ghz (gigahertz). The frequency of a clock signal is the number of oscillations it makes per unit of time (usually measured in hertz). Clock speed, also known as clock rate or clock frequency, is a measure of how fast a computer’s central processing unit (cpu) can. Learn how clock speed affects performance,.
From thirdspacelearning.com
Frequency Table GCSE Maths Steps, Examples & Worksheet Purpose Of Clock Frequency In this case, a “cycle” is the basic unit that measures a cpu’s speed. Cpu clock speed is how many cycles per second it can execute and is measured in gigahertz (ghz). As seen in this link, the pic microcontrollers have the cpu clock, with a rate of $f_{cy}$ (also called instruction cycle frequency), and the system clock, with a. Purpose Of Clock Frequency.
From first-tf.com
Atomic clocks FIRSTTF Purpose Of Clock Frequency A processor's clock frequency, often simply referred to as clock frequency, is a measure of how quickly a computer's. Complex circuits require careful timing to operate properly. As seen in this link, the pic microcontrollers have the cpu clock, with a rate of $f_{cy}$ (also called instruction cycle frequency), and the system clock, with a rate of $f_{osc}$. Clock speed. Purpose Of Clock Frequency.
From tuemaster.com
PRESENT TIMEFrequency adverbs ( คำกริยวิเศษณ์แสดงความถี่ ) Tuemaster Purpose Of Clock Frequency In this case, a “cycle” is the basic unit that measures a cpu’s speed. The clock speed measures the number of cycles your cpu executes per second, measured in ghz (gigahertz). Complex circuits require careful timing to operate properly. A processor's clock frequency, often simply referred to as clock frequency, is a measure of how quickly a computer's. Clock speed,. Purpose Of Clock Frequency.
From www.researchgate.net
(a) First part of the frequency detector to detect a slower clock. (b Purpose Of Clock Frequency As seen in this link, the pic microcontrollers have the cpu clock, with a rate of $f_{cy}$ (also called instruction cycle frequency), and the system clock, with a rate of $f_{osc}$. Clock speed, also known as clock rate or clock frequency, is a measure of how fast a computer’s central processing unit (cpu) can. Clock speed is also known as. Purpose Of Clock Frequency.
From dokumen.tips
(PDF) Sparse Frequency Extrapolation of Spectrograms...the Fourier Purpose Of Clock Frequency Learn how clock speed affects performance,. The clock speed measures the number of cycles your cpu executes per second, measured in ghz (gigahertz). The frequency of a clock signal is the number of oscillations it makes per unit of time (usually measured in hertz). In this case, a “cycle” is the basic unit that measures a cpu’s speed. A processor's. Purpose Of Clock Frequency.
From www.researchgate.net
An illustration of clock frequency synchronization and of full clock Purpose Of Clock Frequency In this case, a “cycle” is the basic unit that measures a cpu’s speed. Clock speed, also known as clock rate or clock frequency, is a measure of how fast a computer’s central processing unit (cpu) can. The frequency of a clock signal is the number of oscillations it makes per unit of time (usually measured in hertz). As seen. Purpose Of Clock Frequency.
From www.researchgate.net
Figure2.The relationship between the time and frequency domains a Purpose Of Clock Frequency As seen in this link, the pic microcontrollers have the cpu clock, with a rate of $f_{cy}$ (also called instruction cycle frequency), and the system clock, with a rate of $f_{osc}$. The frequency of a clock signal is the number of oscillations it makes per unit of time (usually measured in hertz). In this case, a “cycle” is the basic. Purpose Of Clock Frequency.
From www.youtube.com
TimeFrequency domain analysis of vibration signals Time frequency Purpose Of Clock Frequency The frequency of a clock signal is the number of oscillations it makes per unit of time (usually measured in hertz). The clock speed measures the number of cycles your cpu executes per second, measured in ghz (gigahertz). As seen in this link, the pic microcontrollers have the cpu clock, with a rate of $f_{cy}$ (also called instruction cycle frequency),. Purpose Of Clock Frequency.
From slidetodoc.com
UNIT 6 DESCRIBING DATA Two Way Frequency Tables Purpose Of Clock Frequency A processor's clock frequency, often simply referred to as clock frequency, is a measure of how quickly a computer's. Cpu clock speed is how many cycles per second it can execute and is measured in gigahertz (ghz). Clock speed, also known as clock rate or clock frequency, is a measure of how fast a computer’s central processing unit (cpu) can.. Purpose Of Clock Frequency.
From www.pinterest.com
Round Atomic Alarm Clock with PushButton Backlight in 2022 Clock Purpose Of Clock Frequency The clock speed measures the number of cycles your cpu executes per second, measured in ghz (gigahertz). Complex circuits require careful timing to operate properly. As seen in this link, the pic microcontrollers have the cpu clock, with a rate of $f_{cy}$ (also called instruction cycle frequency), and the system clock, with a rate of $f_{osc}$. Learn how clock speed. Purpose Of Clock Frequency.
From www.cuemath.com
Frequency Formula What is Frequency Formula? Examples Purpose Of Clock Frequency Learn how clock speed affects performance,. Clock speed is also known as clock rate, core clock or clock frequency. Complex circuits require careful timing to operate properly. The frequency of a clock signal is the number of oscillations it makes per unit of time (usually measured in hertz). The clock speed measures the number of cycles your cpu executes per. Purpose Of Clock Frequency.
From www.researchgate.net
Timefrequency analysis for subject 2 on inhouse dataset. a Purpose Of Clock Frequency Clock speed is also known as clock rate, core clock or clock frequency. As seen in this link, the pic microcontrollers have the cpu clock, with a rate of $f_{cy}$ (also called instruction cycle frequency), and the system clock, with a rate of $f_{osc}$. The clock speed measures the number of cycles your cpu executes per second, measured in ghz. Purpose Of Clock Frequency.
From exceljet.net
Excel FREQUENCY function Exceljet Purpose Of Clock Frequency The clock speed measures the number of cycles your cpu executes per second, measured in ghz (gigahertz). Cpu clock speed is how many cycles per second it can execute and is measured in gigahertz (ghz). In this case, a “cycle” is the basic unit that measures a cpu’s speed. Learn how clock speed affects performance,. Clock speed is also known. Purpose Of Clock Frequency.
From www.frontiersin.org
Frontiers A timefrequency denoising method for singlechannel event Purpose Of Clock Frequency Complex circuits require careful timing to operate properly. Clock speed is also known as clock rate, core clock or clock frequency. The frequency of a clock signal is the number of oscillations it makes per unit of time (usually measured in hertz). Clock speed, also known as clock rate or clock frequency, is a measure of how fast a computer’s. Purpose Of Clock Frequency.
From maykolrey.com
Inductor núcleo de ferrita Purpose Of Clock Frequency Complex circuits require careful timing to operate properly. Clock speed, also known as clock rate or clock frequency, is a measure of how fast a computer’s central processing unit (cpu) can. The frequency of a clock signal is the number of oscillations it makes per unit of time (usually measured in hertz). In this case, a “cycle” is the basic. Purpose Of Clock Frequency.
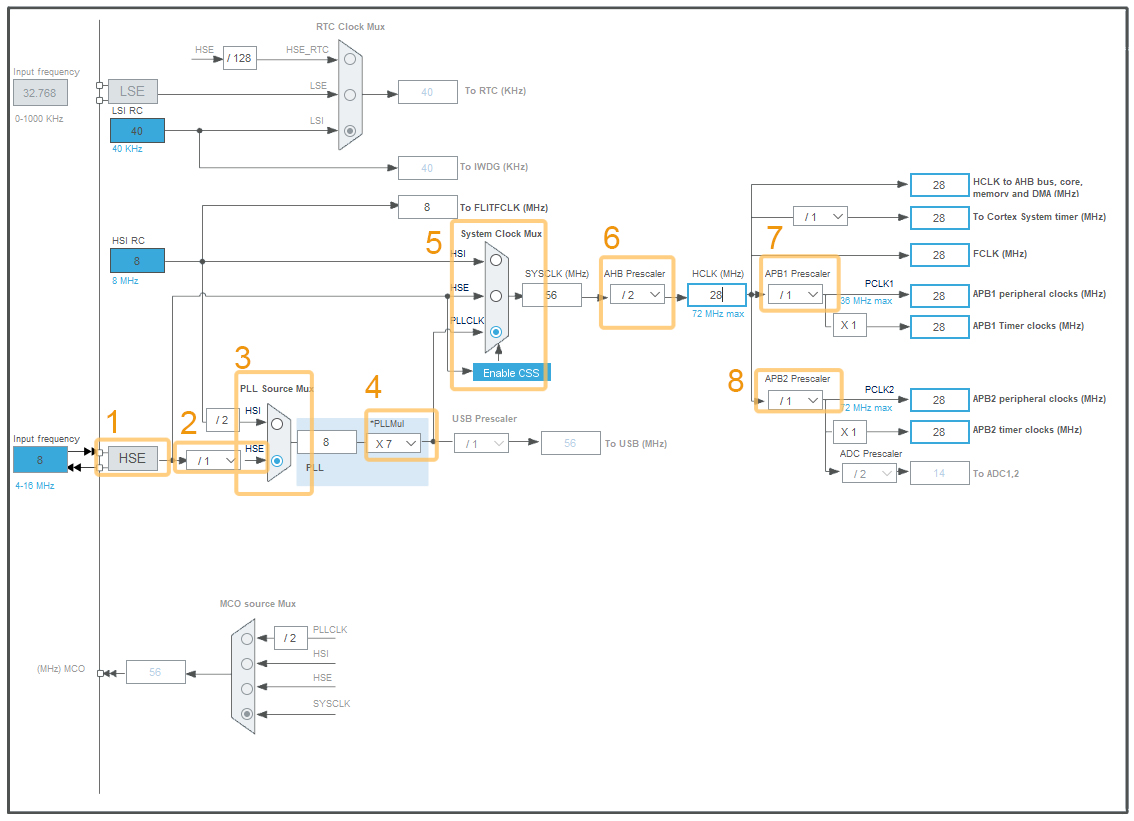
From www.edwinfairchild.com
Changing the Clock Frequency STM32F1 via Registers Purpose Of Clock Frequency The frequency of a clock signal is the number of oscillations it makes per unit of time (usually measured in hertz). Cpu clock speed is how many cycles per second it can execute and is measured in gigahertz (ghz). As seen in this link, the pic microcontrollers have the cpu clock, with a rate of $f_{cy}$ (also called instruction cycle. Purpose Of Clock Frequency.
From sciencenotes.org
Wavelength to Frequency Calculation and Equation Purpose Of Clock Frequency As seen in this link, the pic microcontrollers have the cpu clock, with a rate of $f_{cy}$ (also called instruction cycle frequency), and the system clock, with a rate of $f_{osc}$. The frequency of a clock signal is the number of oscillations it makes per unit of time (usually measured in hertz). Cpu clock speed is how many cycles per. Purpose Of Clock Frequency.
From byjus.com
What is meant by frequency? Purpose Of Clock Frequency Clock speed, also known as clock rate or clock frequency, is a measure of how fast a computer’s central processing unit (cpu) can. Cpu clock speed is how many cycles per second it can execute and is measured in gigahertz (ghz). A processor's clock frequency, often simply referred to as clock frequency, is a measure of how quickly a computer's.. Purpose Of Clock Frequency.
From www.youtube.com
Digital Electronics Clock Frequency Division YouTube Purpose Of Clock Frequency The clock speed measures the number of cycles your cpu executes per second, measured in ghz (gigahertz). Clock speed is also known as clock rate, core clock or clock frequency. Learn how clock speed affects performance,. Complex circuits require careful timing to operate properly. As seen in this link, the pic microcontrollers have the cpu clock, with a rate of. Purpose Of Clock Frequency.
From theory.labster.com
Period and Frequency Labster Theory Purpose Of Clock Frequency Cpu clock speed is how many cycles per second it can execute and is measured in gigahertz (ghz). In this case, a “cycle” is the basic unit that measures a cpu’s speed. A processor's clock frequency, often simply referred to as clock frequency, is a measure of how quickly a computer's. Clock speed, also known as clock rate or clock. Purpose Of Clock Frequency.
From www.researchgate.net
(a) Change of the clock frequency as a function of time due to He Purpose Of Clock Frequency The clock speed measures the number of cycles your cpu executes per second, measured in ghz (gigahertz). Clock speed, also known as clock rate or clock frequency, is a measure of how fast a computer’s central processing unit (cpu) can. As seen in this link, the pic microcontrollers have the cpu clock, with a rate of $f_{cy}$ (also called instruction. Purpose Of Clock Frequency.
From www.chegg.com
Solved (b) What is the maximum possible clock frequency with Purpose Of Clock Frequency Complex circuits require careful timing to operate properly. Clock speed, also known as clock rate or clock frequency, is a measure of how fast a computer’s central processing unit (cpu) can. The frequency of a clock signal is the number of oscillations it makes per unit of time (usually measured in hertz). As seen in this link, the pic microcontrollers. Purpose Of Clock Frequency.
From www.coursehero.com
[Solved] The purpose of this experiment is to understand the working of Purpose Of Clock Frequency In this case, a “cycle” is the basic unit that measures a cpu’s speed. Complex circuits require careful timing to operate properly. As seen in this link, the pic microcontrollers have the cpu clock, with a rate of $f_{cy}$ (also called instruction cycle frequency), and the system clock, with a rate of $f_{osc}$. Clock speed, also known as clock rate. Purpose Of Clock Frequency.
From www.alazartech.com.cn
变频ADC时钟_技术_AlazarTech Purpose Of Clock Frequency The frequency of a clock signal is the number of oscillations it makes per unit of time (usually measured in hertz). In this case, a “cycle” is the basic unit that measures a cpu’s speed. Clock speed is also known as clock rate, core clock or clock frequency. A processor's clock frequency, often simply referred to as clock frequency, is. Purpose Of Clock Frequency.
From www.researchgate.net
Figure A5. VerilogA code of the clock amplitudebased control Purpose Of Clock Frequency Clock speed is also known as clock rate, core clock or clock frequency. The clock speed measures the number of cycles your cpu executes per second, measured in ghz (gigahertz). Complex circuits require careful timing to operate properly. As seen in this link, the pic microcontrollers have the cpu clock, with a rate of $f_{cy}$ (also called instruction cycle frequency),. Purpose Of Clock Frequency.
From www.sitime.com
Frequency Measurement Guidelines for Oscillators SiTime Purpose Of Clock Frequency The clock speed measures the number of cycles your cpu executes per second, measured in ghz (gigahertz). In this case, a “cycle” is the basic unit that measures a cpu’s speed. Cpu clock speed is how many cycles per second it can execute and is measured in gigahertz (ghz). Complex circuits require careful timing to operate properly. A processor's clock. Purpose Of Clock Frequency.
From www.youtube.com
Calculation of fundamental period and fundamental frequency of a signal Purpose Of Clock Frequency Complex circuits require careful timing to operate properly. Cpu clock speed is how many cycles per second it can execute and is measured in gigahertz (ghz). Learn how clock speed affects performance,. The clock speed measures the number of cycles your cpu executes per second, measured in ghz (gigahertz). The frequency of a clock signal is the number of oscillations. Purpose Of Clock Frequency.
From www.researchgate.net
Examples of the time/frequency space generated with a phase current Purpose Of Clock Frequency Learn how clock speed affects performance,. Complex circuits require careful timing to operate properly. As seen in this link, the pic microcontrollers have the cpu clock, with a rate of $f_{cy}$ (also called instruction cycle frequency), and the system clock, with a rate of $f_{osc}$. A processor's clock frequency, often simply referred to as clock frequency, is a measure of. Purpose Of Clock Frequency.
From www.researchgate.net
Microprocessor clock frequency data 14 and trend. Download Scientific Purpose Of Clock Frequency Complex circuits require careful timing to operate properly. Learn how clock speed affects performance,. As seen in this link, the pic microcontrollers have the cpu clock, with a rate of $f_{cy}$ (also called instruction cycle frequency), and the system clock, with a rate of $f_{osc}$. Clock speed is also known as clock rate, core clock or clock frequency. The clock. Purpose Of Clock Frequency.
From www.researchgate.net
Measured atomic clock frequency ratios as a function of the local time Purpose Of Clock Frequency As seen in this link, the pic microcontrollers have the cpu clock, with a rate of $f_{cy}$ (also called instruction cycle frequency), and the system clock, with a rate of $f_{osc}$. The clock speed measures the number of cycles your cpu executes per second, measured in ghz (gigahertz). Cpu clock speed is how many cycles per second it can execute. Purpose Of Clock Frequency.
From www.chegg.com
Solved 4. Build a clock frequency divider using a Purpose Of Clock Frequency The clock speed measures the number of cycles your cpu executes per second, measured in ghz (gigahertz). Cpu clock speed is how many cycles per second it can execute and is measured in gigahertz (ghz). In this case, a “cycle” is the basic unit that measures a cpu’s speed. A processor's clock frequency, often simply referred to as clock frequency,. Purpose Of Clock Frequency.
From www.youtube.com
Example 3 NPTEL Question Minimum Clock Period Maximum Clock Purpose Of Clock Frequency Learn how clock speed affects performance,. Complex circuits require careful timing to operate properly. Cpu clock speed is how many cycles per second it can execute and is measured in gigahertz (ghz). A processor's clock frequency, often simply referred to as clock frequency, is a measure of how quickly a computer's. In this case, a “cycle” is the basic unit. Purpose Of Clock Frequency.
From rockymtnruby.com
The Difference Between Amplitude and Frequency Sound Explained Rocky Purpose Of Clock Frequency Learn how clock speed affects performance,. Complex circuits require careful timing to operate properly. As seen in this link, the pic microcontrollers have the cpu clock, with a rate of $f_{cy}$ (also called instruction cycle frequency), and the system clock, with a rate of $f_{osc}$. Cpu clock speed is how many cycles per second it can execute and is measured. Purpose Of Clock Frequency.
From www.simscale.com
Structural Resonance How to Mitigate it? Blog SimScale Purpose Of Clock Frequency The frequency of a clock signal is the number of oscillations it makes per unit of time (usually measured in hertz). Complex circuits require careful timing to operate properly. Learn how clock speed affects performance,. A processor's clock frequency, often simply referred to as clock frequency, is a measure of how quickly a computer's. As seen in this link, the. Purpose Of Clock Frequency.
From www.youtube.com
Chapter12 Maximum Clock Frequency of Design Static Timing Analysis Purpose Of Clock Frequency As seen in this link, the pic microcontrollers have the cpu clock, with a rate of $f_{cy}$ (also called instruction cycle frequency), and the system clock, with a rate of $f_{osc}$. Learn how clock speed affects performance,. Clock speed, also known as clock rate or clock frequency, is a measure of how fast a computer’s central processing unit (cpu) can.. Purpose Of Clock Frequency.