Crank Ship Definition . Learn what crankshaft deflection is, how it occurs and how to measure it using a dial gauge. Users share their definitions and examples of crack fics and ships, which are fanfictions or pairings that are absurd, unlikely, or funny. The overall operation of the ship is highly dependent on the performance of its main propulsion engine, measured in terms of its power rating. Find out the conditions and indications of. Crack ship, crack!ship, or crack pairing is a term often used in fan fiction or role playing that pairs two people pairing from. The crankcase is one such part of the main engine which contains the most sensitive components of the main engine. Learn how to measure crankshaft deflection in marine diesel engines using a dial gauge and a center punch. Before doing crankcase inspection, are you confused. Find out the importance, procedure. There are several terminologies for “power” rating used for marine propulsion engine and each of these gives different value of engine performance under various parameters and situations.
from www.vrogue.co
Learn what crankshaft deflection is, how it occurs and how to measure it using a dial gauge. Users share their definitions and examples of crack fics and ships, which are fanfictions or pairings that are absurd, unlikely, or funny. The overall operation of the ship is highly dependent on the performance of its main propulsion engine, measured in terms of its power rating. The crankcase is one such part of the main engine which contains the most sensitive components of the main engine. Learn how to measure crankshaft deflection in marine diesel engines using a dial gauge and a center punch. There are several terminologies for “power” rating used for marine propulsion engine and each of these gives different value of engine performance under various parameters and situations. Before doing crankcase inspection, are you confused. Find out the importance, procedure. Crack ship, crack!ship, or crack pairing is a term often used in fan fiction or role playing that pairs two people pairing from. Find out the conditions and indications of.
Different Parts Of A Ship Explained Hull Ship Ship Ca vrogue.co
Crank Ship Definition Find out the conditions and indications of. There are several terminologies for “power” rating used for marine propulsion engine and each of these gives different value of engine performance under various parameters and situations. Find out the conditions and indications of. Crack ship, crack!ship, or crack pairing is a term often used in fan fiction or role playing that pairs two people pairing from. Users share their definitions and examples of crack fics and ships, which are fanfictions or pairings that are absurd, unlikely, or funny. Before doing crankcase inspection, are you confused. Learn what crankshaft deflection is, how it occurs and how to measure it using a dial gauge. The overall operation of the ship is highly dependent on the performance of its main propulsion engine, measured in terms of its power rating. Learn how to measure crankshaft deflection in marine diesel engines using a dial gauge and a center punch. The crankcase is one such part of the main engine which contains the most sensitive components of the main engine. Find out the importance, procedure.
From www.wartsila.com
Bell crank Crank Ship Definition Learn what crankshaft deflection is, how it occurs and how to measure it using a dial gauge. Find out the conditions and indications of. There are several terminologies for “power” rating used for marine propulsion engine and each of these gives different value of engine performance under various parameters and situations. Before doing crankcase inspection, are you confused. The crankcase. Crank Ship Definition.
From www.howacarworks.com
How the crankshaft works All the details How a Car Works Crank Ship Definition Before doing crankcase inspection, are you confused. The crankcase is one such part of the main engine which contains the most sensitive components of the main engine. Crack ship, crack!ship, or crack pairing is a term often used in fan fiction or role playing that pairs two people pairing from. Find out the conditions and indications of. Find out the. Crank Ship Definition.
From ubicaciondepersonas.cdmx.gob.mx
Crank Drawing ubicaciondepersonas.cdmx.gob.mx Crank Ship Definition Find out the importance, procedure. Find out the conditions and indications of. Users share their definitions and examples of crack fics and ships, which are fanfictions or pairings that are absurd, unlikely, or funny. Learn what crankshaft deflection is, how it occurs and how to measure it using a dial gauge. The crankcase is one such part of the main. Crank Ship Definition.
From www.vrogue.co
Different Parts Of A Ship Explained Hull Ship Ship Ca vrogue.co Crank Ship Definition Users share their definitions and examples of crack fics and ships, which are fanfictions or pairings that are absurd, unlikely, or funny. The overall operation of the ship is highly dependent on the performance of its main propulsion engine, measured in terms of its power rating. There are several terminologies for “power” rating used for marine propulsion engine and each. Crank Ship Definition.
From marinersgalaxy.com
Crankshaft Types, Stress and Deflections marinersgalaxy Crank Ship Definition Before doing crankcase inspection, are you confused. There are several terminologies for “power” rating used for marine propulsion engine and each of these gives different value of engine performance under various parameters and situations. Learn what crankshaft deflection is, how it occurs and how to measure it using a dial gauge. Find out the importance, procedure. Find out the conditions. Crank Ship Definition.
From nl.dreamstime.com
Crank Wiel Op Antique Fibranding Ship Stock Afbeelding Image of Crank Ship Definition Find out the importance, procedure. There are several terminologies for “power” rating used for marine propulsion engine and each of these gives different value of engine performance under various parameters and situations. Users share their definitions and examples of crack fics and ships, which are fanfictions or pairings that are absurd, unlikely, or funny. Learn what crankshaft deflection is, how. Crank Ship Definition.
From www.youtube.com
CRANK SHAFT CRANK THROWN CRANK WEB FUNCTION OF CRANK SHAFT Crank Ship Definition Before doing crankcase inspection, are you confused. Find out the conditions and indications of. Find out the importance, procedure. Users share their definitions and examples of crack fics and ships, which are fanfictions or pairings that are absurd, unlikely, or funny. The crankcase is one such part of the main engine which contains the most sensitive components of the main. Crank Ship Definition.
From www.etsy.com
Sculpture Hand Crank Ship in a Bottle Nautical Decor Etsy Crank Ship Definition Crack ship, crack!ship, or crack pairing is a term often used in fan fiction or role playing that pairs two people pairing from. The crankcase is one such part of the main engine which contains the most sensitive components of the main engine. Learn what crankshaft deflection is, how it occurs and how to measure it using a dial gauge.. Crank Ship Definition.
From exoedcpam.blob.core.windows.net
Crank Definition Etymology at Michael Tigner blog Crank Ship Definition There are several terminologies for “power” rating used for marine propulsion engine and each of these gives different value of engine performance under various parameters and situations. Crack ship, crack!ship, or crack pairing is a term often used in fan fiction or role playing that pairs two people pairing from. Find out the conditions and indications of. Before doing crankcase. Crank Ship Definition.
From dictionary.langeek.co
Traducción de la palabra "Crank" LanGeek Crank Ship Definition Learn what crankshaft deflection is, how it occurs and how to measure it using a dial gauge. The overall operation of the ship is highly dependent on the performance of its main propulsion engine, measured in terms of its power rating. Learn how to measure crankshaft deflection in marine diesel engines using a dial gauge and a center punch. There. Crank Ship Definition.
From exoedcpam.blob.core.windows.net
Crank Definition Etymology at Michael Tigner blog Crank Ship Definition Find out the conditions and indications of. Learn how to measure crankshaft deflection in marine diesel engines using a dial gauge and a center punch. There are several terminologies for “power” rating used for marine propulsion engine and each of these gives different value of engine performance under various parameters and situations. Find out the importance, procedure. The overall operation. Crank Ship Definition.
From mechanicstips.blogspot.com
Crankshaft of Ship Engine MechanicsTips Crank Ship Definition The overall operation of the ship is highly dependent on the performance of its main propulsion engine, measured in terms of its power rating. Learn how to measure crankshaft deflection in marine diesel engines using a dial gauge and a center punch. There are several terminologies for “power” rating used for marine propulsion engine and each of these gives different. Crank Ship Definition.
From store.shopping.yahoo.co.jp
モンキー125(JB03)用 左クランクケースガード(ブラック)|キタコ kt2402673071301550モトシップ・ドットコム Crank Ship Definition The crankcase is one such part of the main engine which contains the most sensitive components of the main engine. Users share their definitions and examples of crack fics and ships, which are fanfictions or pairings that are absurd, unlikely, or funny. Find out the importance, procedure. Learn what crankshaft deflection is, how it occurs and how to measure it. Crank Ship Definition.
From exoedcpam.blob.core.windows.net
Crank Definition Etymology at Michael Tigner blog Crank Ship Definition The overall operation of the ship is highly dependent on the performance of its main propulsion engine, measured in terms of its power rating. Learn what crankshaft deflection is, how it occurs and how to measure it using a dial gauge. Find out the importance, procedure. Users share their definitions and examples of crack fics and ships, which are fanfictions. Crank Ship Definition.
From fontmeme.com
Crank Font Download Crank Ship Definition Learn how to measure crankshaft deflection in marine diesel engines using a dial gauge and a center punch. Before doing crankcase inspection, are you confused. The overall operation of the ship is highly dependent on the performance of its main propulsion engine, measured in terms of its power rating. The crankcase is one such part of the main engine which. Crank Ship Definition.
From www.alamy.com
Cargo ship crank Stock Photo Alamy Crank Ship Definition Users share their definitions and examples of crack fics and ships, which are fanfictions or pairings that are absurd, unlikely, or funny. The overall operation of the ship is highly dependent on the performance of its main propulsion engine, measured in terms of its power rating. Learn how to measure crankshaft deflection in marine diesel engines using a dial gauge. Crank Ship Definition.
From www.aircraftsystemstech.com
Aircraft Systems Crankshafts Aircraft Reciprocating Engine Crank Ship Definition The crankcase is one such part of the main engine which contains the most sensitive components of the main engine. Find out the conditions and indications of. Before doing crankcase inspection, are you confused. Crack ship, crack!ship, or crack pairing is a term often used in fan fiction or role playing that pairs two people pairing from. Learn what crankshaft. Crank Ship Definition.
From www.scribd.com
Definition of Crank Shaft PDF Internal Combustion Engine Vehicles Crank Ship Definition The crankcase is one such part of the main engine which contains the most sensitive components of the main engine. Learn how to measure crankshaft deflection in marine diesel engines using a dial gauge and a center punch. Crack ship, crack!ship, or crack pairing is a term often used in fan fiction or role playing that pairs two people pairing. Crank Ship Definition.
From hotaural.com
Refried Reviews 24 Crank (2006) & Crank 2 High Voltage (2009) Wile Crank Ship Definition The overall operation of the ship is highly dependent on the performance of its main propulsion engine, measured in terms of its power rating. Learn how to measure crankshaft deflection in marine diesel engines using a dial gauge and a center punch. Learn what crankshaft deflection is, how it occurs and how to measure it using a dial gauge. The. Crank Ship Definition.
From planm8.io
How to Conduct a Crankshaft Deflection Measurement Crank Ship Definition Learn how to measure crankshaft deflection in marine diesel engines using a dial gauge and a center punch. Users share their definitions and examples of crack fics and ships, which are fanfictions or pairings that are absurd, unlikely, or funny. Find out the conditions and indications of. Learn what crankshaft deflection is, how it occurs and how to measure it. Crank Ship Definition.
From www.reddit.com
Crank shaft replacement on 4 main engines on board a ship Crank Ship Definition There are several terminologies for “power” rating used for marine propulsion engine and each of these gives different value of engine performance under various parameters and situations. Find out the importance, procedure. Crack ship, crack!ship, or crack pairing is a term often used in fan fiction or role playing that pairs two people pairing from. Learn what crankshaft deflection is,. Crank Ship Definition.
From mtbshiprepair.com
Replacement Crank Angle Encorder Drive for Main Engine RT Flex ship Crank Ship Definition Find out the importance, procedure. Learn what crankshaft deflection is, how it occurs and how to measure it using a dial gauge. Learn how to measure crankshaft deflection in marine diesel engines using a dial gauge and a center punch. Crack ship, crack!ship, or crack pairing is a term often used in fan fiction or role playing that pairs two. Crank Ship Definition.
From exorhvgyv.blob.core.windows.net
Crank Face Definition at Travis Smith blog Crank Ship Definition Users share their definitions and examples of crack fics and ships, which are fanfictions or pairings that are absurd, unlikely, or funny. Crack ship, crack!ship, or crack pairing is a term often used in fan fiction or role playing that pairs two people pairing from. Find out the conditions and indications of. The crankcase is one such part of the. Crank Ship Definition.
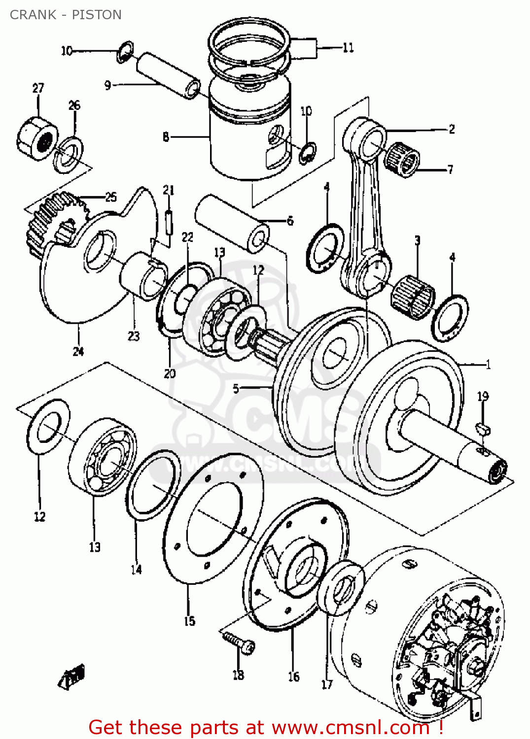
From www.cmsnl.com
1371142200 Crank (r. H) Yamaha buy the 137114220000 at CMSNL Crank Ship Definition Users share their definitions and examples of crack fics and ships, which are fanfictions or pairings that are absurd, unlikely, or funny. Before doing crankcase inspection, are you confused. The crankcase is one such part of the main engine which contains the most sensitive components of the main engine. There are several terminologies for “power” rating used for marine propulsion. Crank Ship Definition.
From www.dreamstime.com
Closeup on ship cord crank stock image. Image of crank 259070547 Crank Ship Definition The crankcase is one such part of the main engine which contains the most sensitive components of the main engine. Learn how to measure crankshaft deflection in marine diesel engines using a dial gauge and a center punch. Find out the importance, procedure. Crack ship, crack!ship, or crack pairing is a term often used in fan fiction or role playing. Crank Ship Definition.
From clipart-library.com
Premium Vector Bicycle crank set icon in flat color style Clip Art Crank Ship Definition There are several terminologies for “power” rating used for marine propulsion engine and each of these gives different value of engine performance under various parameters and situations. The crankcase is one such part of the main engine which contains the most sensitive components of the main engine. The overall operation of the ship is highly dependent on the performance of. Crank Ship Definition.
From www.flickr.com
Crank This 2006 roller coaster ride called "Crank" (top) t… Flickr Crank Ship Definition Learn how to measure crankshaft deflection in marine diesel engines using a dial gauge and a center punch. Users share their definitions and examples of crack fics and ships, which are fanfictions or pairings that are absurd, unlikely, or funny. Before doing crankcase inspection, are you confused. Learn what crankshaft deflection is, how it occurs and how to measure it. Crank Ship Definition.
From www.etsy.com
Sculpture Hand Crank Ship in a Bottle Nautical Decor Etsy Crank Ship Definition Crack ship, crack!ship, or crack pairing is a term often used in fan fiction or role playing that pairs two people pairing from. Find out the importance, procedure. Before doing crankcase inspection, are you confused. The crankcase is one such part of the main engine which contains the most sensitive components of the main engine. Find out the conditions and. Crank Ship Definition.
From wordstodescribesomeone.com
Crank definition Crank meaning words to describe someone Crank Ship Definition Before doing crankcase inspection, are you confused. Find out the importance, procedure. The overall operation of the ship is highly dependent on the performance of its main propulsion engine, measured in terms of its power rating. Users share their definitions and examples of crack fics and ships, which are fanfictions or pairings that are absurd, unlikely, or funny. Find out. Crank Ship Definition.
From marinerspointpro.com
Crankshaft Types, Parts, Function, Sensor, Images Marinerspoint Pro Crank Ship Definition Users share their definitions and examples of crack fics and ships, which are fanfictions or pairings that are absurd, unlikely, or funny. Learn how to measure crankshaft deflection in marine diesel engines using a dial gauge and a center punch. Find out the conditions and indications of. The overall operation of the ship is highly dependent on the performance of. Crank Ship Definition.
From byjusexamprep.com
Single Slider Crank Mechanism Definition, Applications, Inversions Crank Ship Definition Learn how to measure crankshaft deflection in marine diesel engines using a dial gauge and a center punch. There are several terminologies for “power” rating used for marine propulsion engine and each of these gives different value of engine performance under various parameters and situations. Find out the conditions and indications of. The crankcase is one such part of the. Crank Ship Definition.
From www.etsy.com
Sculpture Hand Crank Ship in a Bottle Nautical Decor Etsy Crank Ship Definition Find out the conditions and indications of. Learn how to measure crankshaft deflection in marine diesel engines using a dial gauge and a center punch. Before doing crankcase inspection, are you confused. Users share their definitions and examples of crack fics and ships, which are fanfictions or pairings that are absurd, unlikely, or funny. Find out the importance, procedure. Learn. Crank Ship Definition.
From exorhvgyv.blob.core.windows.net
Crank Face Definition at Travis Smith blog Crank Ship Definition Before doing crankcase inspection, are you confused. Users share their definitions and examples of crack fics and ships, which are fanfictions or pairings that are absurd, unlikely, or funny. Learn what crankshaft deflection is, how it occurs and how to measure it using a dial gauge. Find out the conditions and indications of. The overall operation of the ship is. Crank Ship Definition.
From www.dreamstime.com
Tall ship bow stock photo. Image of maritime, craft, regatta 3952432 Crank Ship Definition There are several terminologies for “power” rating used for marine propulsion engine and each of these gives different value of engine performance under various parameters and situations. Before doing crankcase inspection, are you confused. Find out the conditions and indications of. Learn how to measure crankshaft deflection in marine diesel engines using a dial gauge and a center punch. Crack. Crank Ship Definition.
From www.reddit.com
Crankshaft of a container ship. woahdude Crank Ship Definition Before doing crankcase inspection, are you confused. Learn what crankshaft deflection is, how it occurs and how to measure it using a dial gauge. Find out the conditions and indications of. Crack ship, crack!ship, or crack pairing is a term often used in fan fiction or role playing that pairs two people pairing from. There are several terminologies for “power”. Crank Ship Definition.