Diode Placement . In a general diode, the cathode is always on the right side while the left side represents the anode. When you are connecting a diode in an electric circuit, ensure that the anode and cathode are positioned so that charge flows from the positively charged anode to the negatively charged cathode. This comprehensive guide delves into the intricacies of diodes, focusing on their placement and orientation in printed circuit board (pcb) design. When designing footprints for diodes it is important to place clear indicating marks to show the components orientation. Connect diodes such that electrons flow from the anode to cathode. The diode connections reveal how current travels in a single direction in the diode circuit. By understanding the principles, characteristics, and. You can also consider a large minus sign on. Since diodes are polarized components (they have to be. At the anode, the current flows from positive to negative. Diodes have a wide variety of applications from transformers to oscillators across areas of physics and electrical engineering. When the diode is in forward bias, the diode allows traffic, or current, to flow from the anode, towards.
from cnczone.com
The diode connections reveal how current travels in a single direction in the diode circuit. When designing footprints for diodes it is important to place clear indicating marks to show the components orientation. Since diodes are polarized components (they have to be. Diodes have a wide variety of applications from transformers to oscillators across areas of physics and electrical engineering. This comprehensive guide delves into the intricacies of diodes, focusing on their placement and orientation in printed circuit board (pcb) design. Connect diodes such that electrons flow from the anode to cathode. When the diode is in forward bias, the diode allows traffic, or current, to flow from the anode, towards. When you are connecting a diode in an electric circuit, ensure that the anode and cathode are positioned so that charge flows from the positively charged anode to the negatively charged cathode. At the anode, the current flows from positive to negative. In a general diode, the cathode is always on the right side while the left side represents the anode.
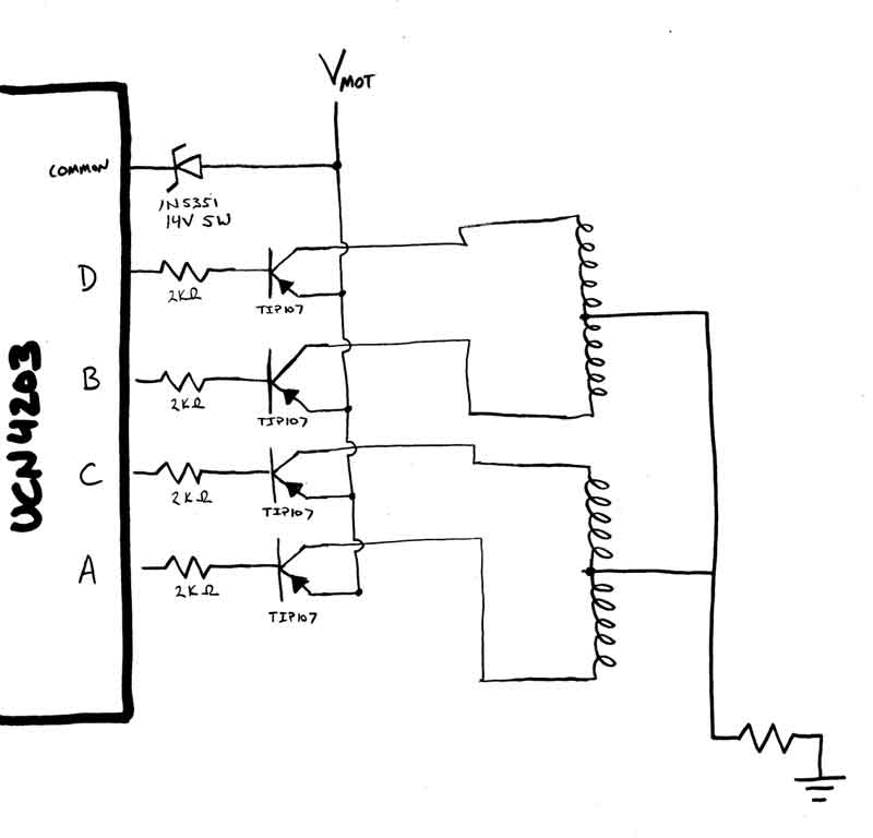
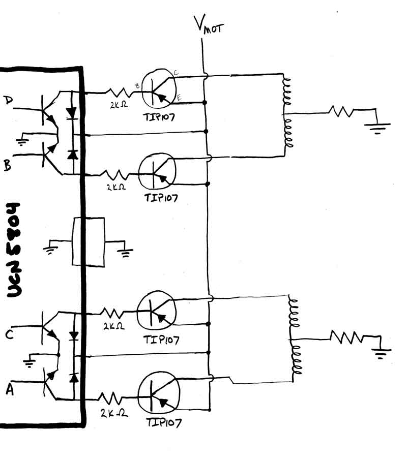
Diode placement for UCN5804 + TIP107
Diode Placement Diodes have a wide variety of applications from transformers to oscillators across areas of physics and electrical engineering. Since diodes are polarized components (they have to be. When you are connecting a diode in an electric circuit, ensure that the anode and cathode are positioned so that charge flows from the positively charged anode to the negatively charged cathode. By understanding the principles, characteristics, and. At the anode, the current flows from positive to negative. When designing footprints for diodes it is important to place clear indicating marks to show the components orientation. This comprehensive guide delves into the intricacies of diodes, focusing on their placement and orientation in printed circuit board (pcb) design. Diodes have a wide variety of applications from transformers to oscillators across areas of physics and electrical engineering. When the diode is in forward bias, the diode allows traffic, or current, to flow from the anode, towards. The diode connections reveal how current travels in a single direction in the diode circuit. Connect diodes such that electrons flow from the anode to cathode. You can also consider a large minus sign on. In a general diode, the cathode is always on the right side while the left side represents the anode.
From www.slideserve.com
PPT Patty Sponseller,CMD August 2012 PowerPoint Presentation, free download ID3458657 Diode Placement This comprehensive guide delves into the intricacies of diodes, focusing on their placement and orientation in printed circuit board (pcb) design. The diode connections reveal how current travels in a single direction in the diode circuit. When designing footprints for diodes it is important to place clear indicating marks to show the components orientation. When the diode is in forward. Diode Placement.
From www.youtube.com
What is a Schottky Diode? How Schottky Diodes Work? Where to Use? ( Schottky Diode Tutorial Diode Placement In a general diode, the cathode is always on the right side while the left side represents the anode. When the diode is in forward bias, the diode allows traffic, or current, to flow from the anode, towards. When designing footprints for diodes it is important to place clear indicating marks to show the components orientation. When you are connecting. Diode Placement.
From lescontesdefees.blogspot.com
☑ Flyback Diode Diode Diode Placement The diode connections reveal how current travels in a single direction in the diode circuit. Since diodes are polarized components (they have to be. When the diode is in forward bias, the diode allows traffic, or current, to flow from the anode, towards. In a general diode, the cathode is always on the right side while the left side represents. Diode Placement.
From dioda-11.blogspot.com
12 DIODA ANOD CATOD * Dioda Diode Placement When the diode is in forward bias, the diode allows traffic, or current, to flow from the anode, towards. When designing footprints for diodes it is important to place clear indicating marks to show the components orientation. Diodes have a wide variety of applications from transformers to oscillators across areas of physics and electrical engineering. At the anode, the current. Diode Placement.
From www.raypcb.com
Cathode vs. Anode Diode How to Indicate Placement Orientation of Diodes on Your PCB RAYPCB Diode Placement This comprehensive guide delves into the intricacies of diodes, focusing on their placement and orientation in printed circuit board (pcb) design. You can also consider a large minus sign on. The diode connections reveal how current travels in a single direction in the diode circuit. Diodes have a wide variety of applications from transformers to oscillators across areas of physics. Diode Placement.
From www.synthrotek.com
10 Step Basic Analog Sequencer Assembly Instructions Synthrotek Diode Placement Connect diodes such that electrons flow from the anode to cathode. When designing footprints for diodes it is important to place clear indicating marks to show the components orientation. When you are connecting a diode in an electric circuit, ensure that the anode and cathode are positioned so that charge flows from the positively charged anode to the negatively charged. Diode Placement.
From www.sbmar.com
How to Install a Diode Isolator with an Alternator Seaboard Marine Diode Placement At the anode, the current flows from positive to negative. When the diode is in forward bias, the diode allows traffic, or current, to flow from the anode, towards. Since diodes are polarized components (they have to be. Diodes have a wide variety of applications from transformers to oscillators across areas of physics and electrical engineering. The diode connections reveal. Diode Placement.
From www.reddit.com
Clipping diode placement DC bias vs AC coupled r/diypedals Diode Placement Since diodes are polarized components (they have to be. In a general diode, the cathode is always on the right side while the left side represents the anode. The diode connections reveal how current travels in a single direction in the diode circuit. Connect diodes such that electrons flow from the anode to cathode. When you are connecting a diode. Diode Placement.
From www.youtube.com
Why we use Flyback or free wheeling Diode with relay ? flyback diode dc motor YouTube Diode Placement When the diode is in forward bias, the diode allows traffic, or current, to flow from the anode, towards. Connect diodes such that electrons flow from the anode to cathode. At the anode, the current flows from positive to negative. When designing footprints for diodes it is important to place clear indicating marks to show the components orientation. Since diodes. Diode Placement.
From www.researchgate.net
(a) Spiral with diode and RF/DC isolation, (b) varactor diode placement... Download Scientific Diode Placement At the anode, the current flows from positive to negative. Since diodes are polarized components (they have to be. The diode connections reveal how current travels in a single direction in the diode circuit. Diodes have a wide variety of applications from transformers to oscillators across areas of physics and electrical engineering. By understanding the principles, characteristics, and. This comprehensive. Diode Placement.
From www.circuitbread.com
Diodes and Diode Circuits Study Guides CircuitBread Diode Placement The diode connections reveal how current travels in a single direction in the diode circuit. Since diodes are polarized components (they have to be. When the diode is in forward bias, the diode allows traffic, or current, to flow from the anode, towards. At the anode, the current flows from positive to negative. When designing footprints for diodes it is. Diode Placement.
From forum.arduino.cc
L298N and flyback diode help General Electronics Arduino Forum Diode Placement By understanding the principles, characteristics, and. In a general diode, the cathode is always on the right side while the left side represents the anode. When designing footprints for diodes it is important to place clear indicating marks to show the components orientation. The diode connections reveal how current travels in a single direction in the diode circuit. When the. Diode Placement.
From electronics.stackexchange.com
Diode placement for AP1603 boost regulator Electrical Engineering Stack Exchange Diode Placement Diodes have a wide variety of applications from transformers to oscillators across areas of physics and electrical engineering. When designing footprints for diodes it is important to place clear indicating marks to show the components orientation. Since diodes are polarized components (they have to be. This comprehensive guide delves into the intricacies of diodes, focusing on their placement and orientation. Diode Placement.
From cnczone.com
Diode placement for UCN5804 + TIP107 Diode Placement At the anode, the current flows from positive to negative. The diode connections reveal how current travels in a single direction in the diode circuit. By understanding the principles, characteristics, and. You can also consider a large minus sign on. This comprehensive guide delves into the intricacies of diodes, focusing on their placement and orientation in printed circuit board (pcb). Diode Placement.
From www.microtype.io
The Usage and Function of TVS Diodes in Circuit Protection MicroType Engineering Diode Placement By understanding the principles, characteristics, and. At the anode, the current flows from positive to negative. When designing footprints for diodes it is important to place clear indicating marks to show the components orientation. Connect diodes such that electrons flow from the anode to cathode. Diodes have a wide variety of applications from transformers to oscillators across areas of physics. Diode Placement.
From learn.sparkfun.com
SparkPunk Hookup Guide SparkFun Learn Diode Placement When designing footprints for diodes it is important to place clear indicating marks to show the components orientation. When you are connecting a diode in an electric circuit, ensure that the anode and cathode are positioned so that charge flows from the positively charged anode to the negatively charged cathode. Connect diodes such that electrons flow from the anode to. Diode Placement.
From www.reddit.com
Diode placement for circuit. I have one at 3, is that enough? More detail in Diode Placement By understanding the principles, characteristics, and. The diode connections reveal how current travels in a single direction in the diode circuit. Since diodes are polarized components (they have to be. At the anode, the current flows from positive to negative. Diodes have a wide variety of applications from transformers to oscillators across areas of physics and electrical engineering. You can. Diode Placement.
From electronics.stackexchange.com
motor diode placement Electrical Engineering Stack Exchange Diode Placement When you are connecting a diode in an electric circuit, ensure that the anode and cathode are positioned so that charge flows from the positively charged anode to the negatively charged cathode. Diodes have a wide variety of applications from transformers to oscillators across areas of physics and electrical engineering. The diode connections reveal how current travels in a single. Diode Placement.
From physique-chimie-college.fr
Diode Cours Diode Placement At the anode, the current flows from positive to negative. By understanding the principles, characteristics, and. When the diode is in forward bias, the diode allows traffic, or current, to flow from the anode, towards. Connect diodes such that electrons flow from the anode to cathode. You can also consider a large minus sign on. When you are connecting a. Diode Placement.
From electronics.stackexchange.com
TVS flyback diode placement Electrical Engineering Stack Exchange Diode Placement By understanding the principles, characteristics, and. Connect diodes such that electrons flow from the anode to cathode. You can also consider a large minus sign on. Since diodes are polarized components (they have to be. In a general diode, the cathode is always on the right side while the left side represents the anode. At the anode, the current flows. Diode Placement.
From www.researchgate.net
fNIRS channel and diode placement. The analysis used only the channels... Download Scientific Diode Placement You can also consider a large minus sign on. By understanding the principles, characteristics, and. This comprehensive guide delves into the intricacies of diodes, focusing on their placement and orientation in printed circuit board (pcb) design. Diodes have a wide variety of applications from transformers to oscillators across areas of physics and electrical engineering. Connect diodes such that electrons flow. Diode Placement.
From cnczone.com
Diode placement for UCN5804 + TIP107 Diode Placement The diode connections reveal how current travels in a single direction in the diode circuit. Since diodes are polarized components (they have to be. Diodes have a wide variety of applications from transformers to oscillators across areas of physics and electrical engineering. You can also consider a large minus sign on. By understanding the principles, characteristics, and. When designing footprints. Diode Placement.
From www.cnczone.com
Diode placement for UCN5804 + TIP107 Diode Placement Connect diodes such that electrons flow from the anode to cathode. By understanding the principles, characteristics, and. At the anode, the current flows from positive to negative. Diodes have a wide variety of applications from transformers to oscillators across areas of physics and electrical engineering. In a general diode, the cathode is always on the right side while the left. Diode Placement.
From www.youtube.com
How to Select TVS Diodes PCB Flux Tutorial YouTube Diode Placement When you are connecting a diode in an electric circuit, ensure that the anode and cathode are positioned so that charge flows from the positively charged anode to the negatively charged cathode. Connect diodes such that electrons flow from the anode to cathode. When the diode is in forward bias, the diode allows traffic, or current, to flow from the. Diode Placement.
From www.slideserve.com
PPT Seven Segment Display Interfacing With 8051 PowerPoint Presentation ID639287 Diode Placement Diodes have a wide variety of applications from transformers to oscillators across areas of physics and electrical engineering. When you are connecting a diode in an electric circuit, ensure that the anode and cathode are positioned so that charge flows from the positively charged anode to the negatively charged cathode. At the anode, the current flows from positive to negative.. Diode Placement.
From toshiba.semicon-storage.com
Basics of TVS Diodes (ESD protection diodes) Toshiba Electronic Devices & Storage Corporation Diode Placement When you are connecting a diode in an electric circuit, ensure that the anode and cathode are positioned so that charge flows from the positively charged anode to the negatively charged cathode. At the anode, the current flows from positive to negative. The diode connections reveal how current travels in a single direction in the diode circuit. This comprehensive guide. Diode Placement.
From www.organised-sound.com
How Do Diodes Work In An Electrical Circuit Wiring Diagram Diode Placement In a general diode, the cathode is always on the right side while the left side represents the anode. You can also consider a large minus sign on. Diodes have a wide variety of applications from transformers to oscillators across areas of physics and electrical engineering. When designing footprints for diodes it is important to place clear indicating marks to. Diode Placement.
From www.raypcb.com
Cathode vs. Anode Diode How to Indicate Placement Orientation of Diodes on Your PCB RAYPCB Diode Placement Since diodes are polarized components (they have to be. Diodes have a wide variety of applications from transformers to oscillators across areas of physics and electrical engineering. At the anode, the current flows from positive to negative. When the diode is in forward bias, the diode allows traffic, or current, to flow from the anode, towards. The diode connections reveal. Diode Placement.
From shiftingphases.com
How Diodes Work Shifting Phases Diode Placement This comprehensive guide delves into the intricacies of diodes, focusing on their placement and orientation in printed circuit board (pcb) design. When you are connecting a diode in an electric circuit, ensure that the anode and cathode are positioned so that charge flows from the positively charged anode to the negatively charged cathode. Since diodes are polarized components (they have. Diode Placement.
From itecnotes.com
Electronic Flyback diode placement for solenoid valve simulation circuit Valuable Tech Notes Diode Placement At the anode, the current flows from positive to negative. Diodes have a wide variety of applications from transformers to oscillators across areas of physics and electrical engineering. When you are connecting a diode in an electric circuit, ensure that the anode and cathode are positioned so that charge flows from the positively charged anode to the negatively charged cathode.. Diode Placement.
From www.youtube.com
LEDs Light Emitting Diodes Basic Introduction YouTube Diode Placement This comprehensive guide delves into the intricacies of diodes, focusing on their placement and orientation in printed circuit board (pcb) design. The diode connections reveal how current travels in a single direction in the diode circuit. When the diode is in forward bias, the diode allows traffic, or current, to flow from the anode, towards. Since diodes are polarized components. Diode Placement.
From electronics.stackexchange.com
voltage Placement of Flyback diode Electrical Engineering Stack Exchange Diode Placement When you are connecting a diode in an electric circuit, ensure that the anode and cathode are positioned so that charge flows from the positively charged anode to the negatively charged cathode. Since diodes are polarized components (they have to be. When designing footprints for diodes it is important to place clear indicating marks to show the components orientation. When. Diode Placement.
From hilelectronic.com
Comprehensive Guide to Diode Placement Orientation on PCBs Diode Placement The diode connections reveal how current travels in a single direction in the diode circuit. When you are connecting a diode in an electric circuit, ensure that the anode and cathode are positioned so that charge flows from the positively charged anode to the negatively charged cathode. In a general diode, the cathode is always on the right side while. Diode Placement.
From numberdop.weebly.com
Diode cathode numberdop Diode Placement Since diodes are polarized components (they have to be. When you are connecting a diode in an electric circuit, ensure that the anode and cathode are positioned so that charge flows from the positively charged anode to the negatively charged cathode. The diode connections reveal how current travels in a single direction in the diode circuit. By understanding the principles,. Diode Placement.
From www.researchgate.net
Twolink case—PSD and laser diode placement. Download Scientific Diagram Diode Placement You can also consider a large minus sign on. This comprehensive guide delves into the intricacies of diodes, focusing on their placement and orientation in printed circuit board (pcb) design. When the diode is in forward bias, the diode allows traffic, or current, to flow from the anode, towards. Connect diodes such that electrons flow from the anode to cathode.. Diode Placement.