How To Fill Coolant In Vw Polo . subscribe to see new videoshere i show you how to top up the. These instructions will help you check the engine coolant. Always protect your hands and arms from hot coolant or steam by placing a suitable cloth on the cap of the coolant expansion tank. in this video we'll be showing you how to check and add coolant to your. to be honest, you don't really need about tool to vacuum the coolant system. allow the engine to cool down before you check or add engine coolant to a vw.
from www.youtube.com
in this video we'll be showing you how to check and add coolant to your. subscribe to see new videoshere i show you how to top up the. to be honest, you don't really need about tool to vacuum the coolant system. allow the engine to cool down before you check or add engine coolant to a vw. Always protect your hands and arms from hot coolant or steam by placing a suitable cloth on the cap of the coolant expansion tank. These instructions will help you check the engine coolant.
HOW TO REPLACED COOLANT PIPE VOLKSWAGEN POLO YouTube
How To Fill Coolant In Vw Polo allow the engine to cool down before you check or add engine coolant to a vw. allow the engine to cool down before you check or add engine coolant to a vw. These instructions will help you check the engine coolant. to be honest, you don't really need about tool to vacuum the coolant system. in this video we'll be showing you how to check and add coolant to your. Always protect your hands and arms from hot coolant or steam by placing a suitable cloth on the cap of the coolant expansion tank. subscribe to see new videoshere i show you how to top up the.
From uk-polos.net
Refilling coolant system with vacuum kit THE VW Polo Forum How To Fill Coolant In Vw Polo allow the engine to cool down before you check or add engine coolant to a vw. These instructions will help you check the engine coolant. Always protect your hands and arms from hot coolant or steam by placing a suitable cloth on the cap of the coolant expansion tank. subscribe to see new videoshere i show you how. How To Fill Coolant In Vw Polo.
From www.youtube.com
Volkswagen Polo (2002 2005) Coolant Change YouTube How To Fill Coolant In Vw Polo subscribe to see new videoshere i show you how to top up the. Always protect your hands and arms from hot coolant or steam by placing a suitable cloth on the cap of the coolant expansion tank. in this video we'll be showing you how to check and add coolant to your. to be honest, you don't. How To Fill Coolant In Vw Polo.
From www.youtube.com
Volkswagen Polo Air conditioner, no cooling, Repair and diagnosis YouTube How To Fill Coolant In Vw Polo allow the engine to cool down before you check or add engine coolant to a vw. These instructions will help you check the engine coolant. subscribe to see new videoshere i show you how to top up the. in this video we'll be showing you how to check and add coolant to your. Always protect your hands. How To Fill Coolant In Vw Polo.
From repairmachinedixonlar.z21.web.core.windows.net
Putting Engine Coolant In Car How To Fill Coolant In Vw Polo allow the engine to cool down before you check or add engine coolant to a vw. in this video we'll be showing you how to check and add coolant to your. Always protect your hands and arms from hot coolant or steam by placing a suitable cloth on the cap of the coolant expansion tank. These instructions will. How To Fill Coolant In Vw Polo.
From www.youtube.com
How to fill coolant in vw polo? YouTube How To Fill Coolant In Vw Polo subscribe to see new videoshere i show you how to top up the. to be honest, you don't really need about tool to vacuum the coolant system. These instructions will help you check the engine coolant. allow the engine to cool down before you check or add engine coolant to a vw. Always protect your hands and. How To Fill Coolant In Vw Polo.
From workshop-manuals.com
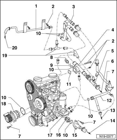
Volkswagen Service and Repair Manuals > Polo Mk4 > Engine 4 How To Fill Coolant In Vw Polo allow the engine to cool down before you check or add engine coolant to a vw. to be honest, you don't really need about tool to vacuum the coolant system. subscribe to see new videoshere i show you how to top up the. Always protect your hands and arms from hot coolant or steam by placing a. How To Fill Coolant In Vw Polo.
From webautocats.com
Volkswagen Polo (2015 2017) Coolant cooling system. > ETKA Online How To Fill Coolant In Vw Polo to be honest, you don't really need about tool to vacuum the coolant system. allow the engine to cool down before you check or add engine coolant to a vw. Always protect your hands and arms from hot coolant or steam by placing a suitable cloth on the cap of the coolant expansion tank. in this video. How To Fill Coolant In Vw Polo.
From www.ilcats.ru
coolant cooling system VW POLO CLASSIC/POLO JIN QV How To Fill Coolant In Vw Polo to be honest, you don't really need about tool to vacuum the coolant system. These instructions will help you check the engine coolant. Always protect your hands and arms from hot coolant or steam by placing a suitable cloth on the cap of the coolant expansion tank. subscribe to see new videoshere i show you how to top. How To Fill Coolant In Vw Polo.
From webautocats.com
Volkswagen Polo (2013 2014) Coolant cooling system. > ETKA Online How To Fill Coolant In Vw Polo in this video we'll be showing you how to check and add coolant to your. subscribe to see new videoshere i show you how to top up the. to be honest, you don't really need about tool to vacuum the coolant system. These instructions will help you check the engine coolant. allow the engine to cool. How To Fill Coolant In Vw Polo.
From volkswagen-polo-highline.blogspot.com
VW POLO coolant water leak How To Fill Coolant In Vw Polo subscribe to see new videoshere i show you how to top up the. to be honest, you don't really need about tool to vacuum the coolant system. allow the engine to cool down before you check or add engine coolant to a vw. These instructions will help you check the engine coolant. Always protect your hands and. How To Fill Coolant In Vw Polo.
From www.ilcats.ru
coolant cooling system VW POLO/POLO JIN QIN How To Fill Coolant In Vw Polo These instructions will help you check the engine coolant. to be honest, you don't really need about tool to vacuum the coolant system. Always protect your hands and arms from hot coolant or steam by placing a suitable cloth on the cap of the coolant expansion tank. allow the engine to cool down before you check or add. How To Fill Coolant In Vw Polo.
From www.youtube.com
VW Polo Coolant & Expansion Tank Replacement Polo 6N2 YouTube How To Fill Coolant In Vw Polo allow the engine to cool down before you check or add engine coolant to a vw. in this video we'll be showing you how to check and add coolant to your. to be honest, you don't really need about tool to vacuum the coolant system. Always protect your hands and arms from hot coolant or steam by. How To Fill Coolant In Vw Polo.
From www.youtube.com
VW Polo coolant temperature sensor replacement YouTube How To Fill Coolant In Vw Polo These instructions will help you check the engine coolant. Always protect your hands and arms from hot coolant or steam by placing a suitable cloth on the cap of the coolant expansion tank. in this video we'll be showing you how to check and add coolant to your. to be honest, you don't really need about tool to. How To Fill Coolant In Vw Polo.
From www.youtube.com
Volkswagen Polo Engine Oil and Coolant Leakage How To Fix Oil and How To Fill Coolant In Vw Polo to be honest, you don't really need about tool to vacuum the coolant system. allow the engine to cool down before you check or add engine coolant to a vw. Always protect your hands and arms from hot coolant or steam by placing a suitable cloth on the cap of the coolant expansion tank. in this video. How To Fill Coolant In Vw Polo.
From www.blauparts.com
VW Coolant Antifreeze G13 G12 G11 Pink Purple Blue VW Coolant How To Fill Coolant In Vw Polo These instructions will help you check the engine coolant. to be honest, you don't really need about tool to vacuum the coolant system. in this video we'll be showing you how to check and add coolant to your. subscribe to see new videoshere i show you how to top up the. Always protect your hands and arms. How To Fill Coolant In Vw Polo.
From www.youtube.com
Volkswagon Polo (6R/MK5) G12 Coolant Antifreeze Flush/Change YouTube How To Fill Coolant In Vw Polo in this video we'll be showing you how to check and add coolant to your. These instructions will help you check the engine coolant. allow the engine to cool down before you check or add engine coolant to a vw. Always protect your hands and arms from hot coolant or steam by placing a suitable cloth on the. How To Fill Coolant In Vw Polo.
From www.youtube.com
Volkswagen Polo 1.4 coolant leak YouTube How To Fill Coolant In Vw Polo to be honest, you don't really need about tool to vacuum the coolant system. These instructions will help you check the engine coolant. in this video we'll be showing you how to check and add coolant to your. Always protect your hands and arms from hot coolant or steam by placing a suitable cloth on the cap of. How To Fill Coolant In Vw Polo.
From workshop-manuals.com
Volkswagen Service and Repair Manuals > Polo Mk5 > Power unit How To Fill Coolant In Vw Polo subscribe to see new videoshere i show you how to top up the. allow the engine to cool down before you check or add engine coolant to a vw. These instructions will help you check the engine coolant. to be honest, you don't really need about tool to vacuum the coolant system. in this video we'll. How To Fill Coolant In Vw Polo.
From webautocats.com
Volkswagen Polo (2015 2017) Cooler for coolant. coolant expansion How To Fill Coolant In Vw Polo in this video we'll be showing you how to check and add coolant to your. These instructions will help you check the engine coolant. Always protect your hands and arms from hot coolant or steam by placing a suitable cloth on the cap of the coolant expansion tank. allow the engine to cool down before you check or. How To Fill Coolant In Vw Polo.
From workshop-manuals.com
Volkswagen Service and Repair Manuals > Polo Mk5 > Power unit How To Fill Coolant In Vw Polo in this video we'll be showing you how to check and add coolant to your. subscribe to see new videoshere i show you how to top up the. Always protect your hands and arms from hot coolant or steam by placing a suitable cloth on the cap of the coolant expansion tank. These instructions will help you check. How To Fill Coolant In Vw Polo.
From www.youtube.com
VW Polo Coolant Expansion Reservoir Replacement YouTube How To Fill Coolant In Vw Polo subscribe to see new videoshere i show you how to top up the. to be honest, you don't really need about tool to vacuum the coolant system. in this video we'll be showing you how to check and add coolant to your. allow the engine to cool down before you check or add engine coolant to. How To Fill Coolant In Vw Polo.
From www.youtube.com
Checking the coolant levels VW YouTube How To Fill Coolant In Vw Polo in this video we'll be showing you how to check and add coolant to your. These instructions will help you check the engine coolant. Always protect your hands and arms from hot coolant or steam by placing a suitable cloth on the cap of the coolant expansion tank. to be honest, you don't really need about tool to. How To Fill Coolant In Vw Polo.
From mechanicsujudovb.z14.web.core.windows.net
Coolant Pipes How To Fill Coolant In Vw Polo allow the engine to cool down before you check or add engine coolant to a vw. in this video we'll be showing you how to check and add coolant to your. These instructions will help you check the engine coolant. to be honest, you don't really need about tool to vacuum the coolant system. Always protect your. How To Fill Coolant In Vw Polo.
From wiringfixreflexions.z21.web.core.windows.net
Volkswagen Check Coolant Owners Manual How To Fill Coolant In Vw Polo to be honest, you don't really need about tool to vacuum the coolant system. allow the engine to cool down before you check or add engine coolant to a vw. Always protect your hands and arms from hot coolant or steam by placing a suitable cloth on the cap of the coolant expansion tank. These instructions will help. How To Fill Coolant In Vw Polo.
From nemigaparts.com
Volkswagen Polo (2010 2014) coolant cooling system. > VAG ETKA How To Fill Coolant In Vw Polo subscribe to see new videoshere i show you how to top up the. in this video we'll be showing you how to check and add coolant to your. allow the engine to cool down before you check or add engine coolant to a vw. Always protect your hands and arms from hot coolant or steam by placing. How To Fill Coolant In Vw Polo.
From www.youtube.com
HOW TO REPLACED COOLANT PIPE VOLKSWAGEN POLO YouTube How To Fill Coolant In Vw Polo in this video we'll be showing you how to check and add coolant to your. Always protect your hands and arms from hot coolant or steam by placing a suitable cloth on the cap of the coolant expansion tank. to be honest, you don't really need about tool to vacuum the coolant system. allow the engine to. How To Fill Coolant In Vw Polo.
From webautocats.com
Volkswagen Polo Classic (2008 2009) Coolant cooling system. > ETKA How To Fill Coolant In Vw Polo These instructions will help you check the engine coolant. allow the engine to cool down before you check or add engine coolant to a vw. in this video we'll be showing you how to check and add coolant to your. subscribe to see new videoshere i show you how to top up the. Always protect your hands. How To Fill Coolant In Vw Polo.
From nemigaparts.com
Volkswagen Polo (2015 2017) coolant cooling system. > VAG ETKA How To Fill Coolant In Vw Polo in this video we'll be showing you how to check and add coolant to your. to be honest, you don't really need about tool to vacuum the coolant system. Always protect your hands and arms from hot coolant or steam by placing a suitable cloth on the cap of the coolant expansion tank. allow the engine to. How To Fill Coolant In Vw Polo.
From www.ilcats.ru
coolant cooling system VW POLO/DERBY/VENTOIND How To Fill Coolant In Vw Polo Always protect your hands and arms from hot coolant or steam by placing a suitable cloth on the cap of the coolant expansion tank. subscribe to see new videoshere i show you how to top up the. to be honest, you don't really need about tool to vacuum the coolant system. in this video we'll be showing. How To Fill Coolant In Vw Polo.
From nemigaparts.com
Volkswagen Polo (2010 2012) coolant cooling system. > VAG ETKA How To Fill Coolant In Vw Polo Always protect your hands and arms from hot coolant or steam by placing a suitable cloth on the cap of the coolant expansion tank. in this video we'll be showing you how to check and add coolant to your. These instructions will help you check the engine coolant. subscribe to see new videoshere i show you how to. How To Fill Coolant In Vw Polo.
From webautocats.com
Volkswagen Polo Vivo (2010 2014) Cooler for coolant. reservoir How To Fill Coolant In Vw Polo subscribe to see new videoshere i show you how to top up the. in this video we'll be showing you how to check and add coolant to your. to be honest, you don't really need about tool to vacuum the coolant system. These instructions will help you check the engine coolant. allow the engine to cool. How To Fill Coolant In Vw Polo.
From www.youtube.com
How to top up coolant level on VW Polo 2009 YouTube How To Fill Coolant In Vw Polo subscribe to see new videoshere i show you how to top up the. These instructions will help you check the engine coolant. to be honest, you don't really need about tool to vacuum the coolant system. Always protect your hands and arms from hot coolant or steam by placing a suitable cloth on the cap of the coolant. How To Fill Coolant In Vw Polo.
From nemigaparts.com
Volkswagen Polo (2011 2017) coolant pump. coolant cooling system How To Fill Coolant In Vw Polo subscribe to see new videoshere i show you how to top up the. These instructions will help you check the engine coolant. in this video we'll be showing you how to check and add coolant to your. to be honest, you don't really need about tool to vacuum the coolant system. Always protect your hands and arms. How To Fill Coolant In Vw Polo.
From workshop-manuals.com
Volkswagen Service and Repair Manuals > Polo Mk4 > Engine 4 How To Fill Coolant In Vw Polo Always protect your hands and arms from hot coolant or steam by placing a suitable cloth on the cap of the coolant expansion tank. allow the engine to cool down before you check or add engine coolant to a vw. to be honest, you don't really need about tool to vacuum the coolant system. subscribe to see. How To Fill Coolant In Vw Polo.
From www.carbreakersnorthwest.co.uk
VW Polo Coolant expansion bottle 20092014 1.4 Petrol Semi Automatic SE How To Fill Coolant In Vw Polo subscribe to see new videoshere i show you how to top up the. in this video we'll be showing you how to check and add coolant to your. to be honest, you don't really need about tool to vacuum the coolant system. Always protect your hands and arms from hot coolant or steam by placing a suitable. How To Fill Coolant In Vw Polo.