Lamp Thread Size . Whether you're working with table lamps, chandeliers, or wall lights, we cater to thread sizes such as 10mm, half inch, 20mm, 5/8, and 3/4. They will accept these male threads. Understanding the various thread sizes for lamp nipples is crucial when replacing or installing lamps. Lamp thread ips is straight or parallel threads, equals the same as. 10mm will measure around 9.5mm and the 1/2 will be. It is very common to mix up the thread sizes. Lamp sockets can come with four choices of female threaded bases or hickeys. Unlike plumbing, lamp parts are not tapered (not npt). Most lampholders are 10mm now days but 1/2 is still widely used. Standardized thread sizes provide a consistent connection between various lamp parts adding strength and stability to lighting. Learn how to distinguish the many types of threads used. Lamp socket mounting thread sizes: —the most common thread in the lamp & lighting industry used to create tubular connections allowing electrical wire to pass through.
from www.lampshademaker.com
—the most common thread in the lamp & lighting industry used to create tubular connections allowing electrical wire to pass through. Lamp socket mounting thread sizes: Most lampholders are 10mm now days but 1/2 is still widely used. Lamp thread ips is straight or parallel threads, equals the same as. 10mm will measure around 9.5mm and the 1/2 will be. They will accept these male threads. Unlike plumbing, lamp parts are not tapered (not npt). Standardized thread sizes provide a consistent connection between various lamp parts adding strength and stability to lighting. Understanding the various thread sizes for lamp nipples is crucial when replacing or installing lamps. Whether you're working with table lamps, chandeliers, or wall lights, we cater to thread sizes such as 10mm, half inch, 20mm, 5/8, and 3/4.
More Lamp Parts
Lamp Thread Size 10mm will measure around 9.5mm and the 1/2 will be. Lamp sockets can come with four choices of female threaded bases or hickeys. —the most common thread in the lamp & lighting industry used to create tubular connections allowing electrical wire to pass through. Lamp socket mounting thread sizes: They will accept these male threads. Unlike plumbing, lamp parts are not tapered (not npt). It is very common to mix up the thread sizes. Standardized thread sizes provide a consistent connection between various lamp parts adding strength and stability to lighting. Whether you're working with table lamps, chandeliers, or wall lights, we cater to thread sizes such as 10mm, half inch, 20mm, 5/8, and 3/4. Understanding the various thread sizes for lamp nipples is crucial when replacing or installing lamps. Learn how to distinguish the many types of threads used. 10mm will measure around 9.5mm and the 1/2 will be. Lamp thread ips is straight or parallel threads, equals the same as. Most lampholders are 10mm now days but 1/2 is still widely used.
From www.mylampparts.com
3/8 IPS Zinc Locknut My Lamp Parts Lamp Thread Size They will accept these male threads. Understanding the various thread sizes for lamp nipples is crucial when replacing or installing lamps. It is very common to mix up the thread sizes. Learn how to distinguish the many types of threads used. —the most common thread in the lamp & lighting industry used to create tubular connections allowing electrical wire to. Lamp Thread Size.
From www.pinterest.com
Light Bulb Base Sizes Us Light Bulb Base Types Light bulb bases Lamp Thread Size They will accept these male threads. It is very common to mix up the thread sizes. 10mm will measure around 9.5mm and the 1/2 will be. Lamp sockets can come with four choices of female threaded bases or hickeys. Most lampholders are 10mm now days but 1/2 is still widely used. Lamp thread ips is straight or parallel threads, equals. Lamp Thread Size.
From www.ene2u.com
Naming Conventions of Light Bulb Sockets and Base Types Lamp Thread Size Lamp sockets can come with four choices of female threaded bases or hickeys. They will accept these male threads. Learn how to distinguish the many types of threads used. It is very common to mix up the thread sizes. Standardized thread sizes provide a consistent connection between various lamp parts adding strength and stability to lighting. Lamp socket mounting thread. Lamp Thread Size.
From www.thelightingguyontario.com
Aladdin Lamp Parts The Lighting Guy Ontario Lamp Thread Size Understanding the various thread sizes for lamp nipples is crucial when replacing or installing lamps. Whether you're working with table lamps, chandeliers, or wall lights, we cater to thread sizes such as 10mm, half inch, 20mm, 5/8, and 3/4. It is very common to mix up the thread sizes. Lamp thread ips is straight or parallel threads, equals the same. Lamp Thread Size.
From in.pinterest.com
Padrão para conectores de lâmpadas LED light bulb Edison screw and Lamp Thread Size Most lampholders are 10mm now days but 1/2 is still widely used. Whether you're working with table lamps, chandeliers, or wall lights, we cater to thread sizes such as 10mm, half inch, 20mm, 5/8, and 3/4. It is very common to mix up the thread sizes. Unlike plumbing, lamp parts are not tapered (not npt). Lamp sockets can come with. Lamp Thread Size.
From www.oliveandjunehome.com
How to Pick the Right Size Lamp (Every Time!) — Olive & June Lamp Thread Size Unlike plumbing, lamp parts are not tapered (not npt). Most lampholders are 10mm now days but 1/2 is still widely used. Standardized thread sizes provide a consistent connection between various lamp parts adding strength and stability to lighting. Whether you're working with table lamps, chandeliers, or wall lights, we cater to thread sizes such as 10mm, half inch, 20mm, 5/8,. Lamp Thread Size.
From www.pinterest.com
Bulb fitting guide Lamp socket, Lamp holder, Bulb Lamp Thread Size Learn how to distinguish the many types of threads used. Most lampholders are 10mm now days but 1/2 is still widely used. It is very common to mix up the thread sizes. Lamp thread ips is straight or parallel threads, equals the same as. Lamp sockets can come with four choices of female threaded bases or hickeys. They will accept. Lamp Thread Size.
From www.tuxgraphics.org
Light fixtures and light bulb sizes Lamp Thread Size 10mm will measure around 9.5mm and the 1/2 will be. Standardized thread sizes provide a consistent connection between various lamp parts adding strength and stability to lighting. Lamp thread ips is straight or parallel threads, equals the same as. Whether you're working with table lamps, chandeliers, or wall lights, we cater to thread sizes such as 10mm, half inch, 20mm,. Lamp Thread Size.
From www.homelectrical.com
Light Bulb Fitting Guide Light Bulb Bases and Bulb Socket Types Lamp Thread Size They will accept these male threads. Lamp socket mounting thread sizes: —the most common thread in the lamp & lighting industry used to create tubular connections allowing electrical wire to pass through. Understanding the various thread sizes for lamp nipples is crucial when replacing or installing lamps. Lamp thread ips is straight or parallel threads, equals the same as. It. Lamp Thread Size.
From dxorwytvm.blob.core.windows.net
Light Bulb Base Types Chart at Trish Hembree blog Lamp Thread Size Whether you're working with table lamps, chandeliers, or wall lights, we cater to thread sizes such as 10mm, half inch, 20mm, 5/8, and 3/4. Lamp socket mounting thread sizes: Lamp sockets can come with four choices of female threaded bases or hickeys. Unlike plumbing, lamp parts are not tapered (not npt). Understanding the various thread sizes for lamp nipples is. Lamp Thread Size.
From size-charts.com
Lamp Shade Size Guide What size lampshade do I need? Lamp Thread Size 10mm will measure around 9.5mm and the 1/2 will be. It is very common to mix up the thread sizes. They will accept these male threads. Lamp socket mounting thread sizes: Learn how to distinguish the many types of threads used. Whether you're working with table lamps, chandeliers, or wall lights, we cater to thread sizes such as 10mm, half. Lamp Thread Size.
From www.walmart.com
B&P Lamp® 3/8 Ip X 36" All Thread Pipe, 5/8" Dia., Steel Lamp Thread Size Whether you're working with table lamps, chandeliers, or wall lights, we cater to thread sizes such as 10mm, half inch, 20mm, 5/8, and 3/4. Learn how to distinguish the many types of threads used. Unlike plumbing, lamp parts are not tapered (not npt). Lamp socket mounting thread sizes: Understanding the various thread sizes for lamp nipples is crucial when replacing. Lamp Thread Size.
From www.lampshademaker.com
More Lamp Parts Lamp Thread Size —the most common thread in the lamp & lighting industry used to create tubular connections allowing electrical wire to pass through. 10mm will measure around 9.5mm and the 1/2 will be. Whether you're working with table lamps, chandeliers, or wall lights, we cater to thread sizes such as 10mm, half inch, 20mm, 5/8, and 3/4. They will accept these male. Lamp Thread Size.
From www.superbrightleds.com
Blog Home Lighting 101 A Guide to Understanding Light Bulb Shapes Lamp Thread Size Understanding the various thread sizes for lamp nipples is crucial when replacing or installing lamps. Lamp socket mounting thread sizes: Most lampholders are 10mm now days but 1/2 is still widely used. Learn how to distinguish the many types of threads used. 10mm will measure around 9.5mm and the 1/2 will be. Lamp sockets can come with four choices of. Lamp Thread Size.
From www.ledwatcher.com
Light Bulb Shapes, Sizes and Base Types Explained LEDwatcher Lamp Thread Size It is very common to mix up the thread sizes. Whether you're working with table lamps, chandeliers, or wall lights, we cater to thread sizes such as 10mm, half inch, 20mm, 5/8, and 3/4. Unlike plumbing, lamp parts are not tapered (not npt). Understanding the various thread sizes for lamp nipples is crucial when replacing or installing lamps. 10mm will. Lamp Thread Size.
From www.pinterest.com.mx
Lighting base types in 2020 Home electrical wiring, Diy electrical Lamp Thread Size Learn how to distinguish the many types of threads used. —the most common thread in the lamp & lighting industry used to create tubular connections allowing electrical wire to pass through. Lamp thread ips is straight or parallel threads, equals the same as. They will accept these male threads. Understanding the various thread sizes for lamp nipples is crucial when. Lamp Thread Size.
From mondoro.com
What Are The Standard Light Bulb Base Socket Types And Sizes? Mondoro Lamp Thread Size Most lampholders are 10mm now days but 1/2 is still widely used. Lamp socket mounting thread sizes: Whether you're working with table lamps, chandeliers, or wall lights, we cater to thread sizes such as 10mm, half inch, 20mm, 5/8, and 3/4. Lamp sockets can come with four choices of female threaded bases or hickeys. Understanding the various thread sizes for. Lamp Thread Size.
From www.lampshademaker.com
Lamp Pipe Size Chart Lamp Thread Size They will accept these male threads. Unlike plumbing, lamp parts are not tapered (not npt). Understanding the various thread sizes for lamp nipples is crucial when replacing or installing lamps. Learn how to distinguish the many types of threads used. —the most common thread in the lamp & lighting industry used to create tubular connections allowing electrical wire to pass. Lamp Thread Size.
From www.pinterest.com
Light Bulb & Socket Guide Info on Sizes, Types & Shapes PartyLights Lamp Thread Size Lamp socket mounting thread sizes: Lamp sockets can come with four choices of female threaded bases or hickeys. Most lampholders are 10mm now days but 1/2 is still widely used. 10mm will measure around 9.5mm and the 1/2 will be. —the most common thread in the lamp & lighting industry used to create tubular connections allowing electrical wire to pass. Lamp Thread Size.
From www.pinterest.com
Discover the 55 Different Types of Light Bulbs to Light Up Your World Lamp Thread Size Standardized thread sizes provide a consistent connection between various lamp parts adding strength and stability to lighting. —the most common thread in the lamp & lighting industry used to create tubular connections allowing electrical wire to pass through. They will accept these male threads. Whether you're working with table lamps, chandeliers, or wall lights, we cater to thread sizes such. Lamp Thread Size.
From www.pinterest.com.mx
E10, E11, E12, E14, E17, E26, E27, E36, E39, BA15, SC, GU10, GU24, G4 Lamp Thread Size 10mm will measure around 9.5mm and the 1/2 will be. It is very common to mix up the thread sizes. Lamp sockets can come with four choices of female threaded bases or hickeys. Learn how to distinguish the many types of threads used. Lamp socket mounting thread sizes: Unlike plumbing, lamp parts are not tapered (not npt). —the most common. Lamp Thread Size.
From www.e33-lamp-contact.50megs.com
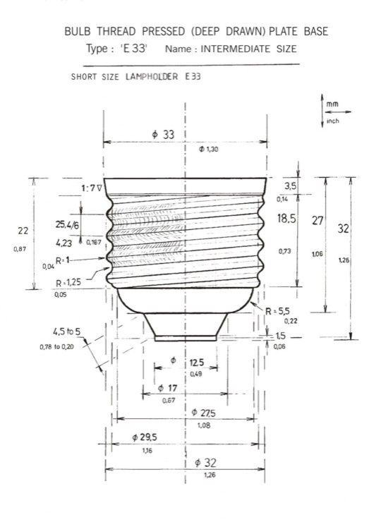
Short E33 bulb base lateral view. Lamp Thread Size Understanding the various thread sizes for lamp nipples is crucial when replacing or installing lamps. Whether you're working with table lamps, chandeliers, or wall lights, we cater to thread sizes such as 10mm, half inch, 20mm, 5/8, and 3/4. 10mm will measure around 9.5mm and the 1/2 will be. Standardized thread sizes provide a consistent connection between various lamp parts. Lamp Thread Size.
From www.superbrightleds.com
Home Lighting 101 A Guide to Understanding Light Bulb Shapes, Sizes Lamp Thread Size Unlike plumbing, lamp parts are not tapered (not npt). 10mm will measure around 9.5mm and the 1/2 will be. Lamp sockets can come with four choices of female threaded bases or hickeys. —the most common thread in the lamp & lighting industry used to create tubular connections allowing electrical wire to pass through. Whether you're working with table lamps, chandeliers,. Lamp Thread Size.
From www.pinterest.com
Handy guide to the different types of light bulb Light bulb size Lamp Thread Size Unlike plumbing, lamp parts are not tapered (not npt). It is very common to mix up the thread sizes. Whether you're working with table lamps, chandeliers, or wall lights, we cater to thread sizes such as 10mm, half inch, 20mm, 5/8, and 3/4. They will accept these male threads. Lamp sockets can come with four choices of female threaded bases. Lamp Thread Size.
From www.pinterest.com
Light Bulb Shape and Size Chart Reference Charts Diy Lamp Thread Size 10mm will measure around 9.5mm and the 1/2 will be. Learn how to distinguish the many types of threads used. It is very common to mix up the thread sizes. Whether you're working with table lamps, chandeliers, or wall lights, we cater to thread sizes such as 10mm, half inch, 20mm, 5/8, and 3/4. Standardized thread sizes provide a consistent. Lamp Thread Size.
From www.youtube.com
HOW TO SIZE A LAMP SHADE FOR YOUR LAMP! YouTube Lamp Thread Size Understanding the various thread sizes for lamp nipples is crucial when replacing or installing lamps. It is very common to mix up the thread sizes. Lamp thread ips is straight or parallel threads, equals the same as. Lamp socket mounting thread sizes: —the most common thread in the lamp & lighting industry used to create tubular connections allowing electrical wire. Lamp Thread Size.
From www.pinterest.com
Light Bulb Shape and Size Chart Reference Charts Lamp Thread Size Lamp thread ips is straight or parallel threads, equals the same as. Whether you're working with table lamps, chandeliers, or wall lights, we cater to thread sizes such as 10mm, half inch, 20mm, 5/8, and 3/4. Unlike plumbing, lamp parts are not tapered (not npt). Lamp sockets can come with four choices of female threaded bases or hickeys. —the most. Lamp Thread Size.
From www.superiorlighting.com
Superior Lighting Bulb Reference Guide Lamp Thread Size They will accept these male threads. —the most common thread in the lamp & lighting industry used to create tubular connections allowing electrical wire to pass through. Unlike plumbing, lamp parts are not tapered (not npt). Learn how to distinguish the many types of threads used. Whether you're working with table lamps, chandeliers, or wall lights, we cater to thread. Lamp Thread Size.
From www.lamppartsrepair.com
Lamp Parts and Repair Lamp Doctor Socket Sizes and Bulb Shapes Lamp Thread Size —the most common thread in the lamp & lighting industry used to create tubular connections allowing electrical wire to pass through. It is very common to mix up the thread sizes. Whether you're working with table lamps, chandeliers, or wall lights, we cater to thread sizes such as 10mm, half inch, 20mm, 5/8, and 3/4. Lamp socket mounting thread sizes:. Lamp Thread Size.
From grandbrass.zendesk.com
Thread Size Chart Grand Brass Lamp Parts, LLC. Lamp Thread Size Lamp thread ips is straight or parallel threads, equals the same as. Understanding the various thread sizes for lamp nipples is crucial when replacing or installing lamps. They will accept these male threads. Lamp sockets can come with four choices of female threaded bases or hickeys. —the most common thread in the lamp & lighting industry used to create tubular. Lamp Thread Size.
From www.e33-lamp-contact.50megs.com
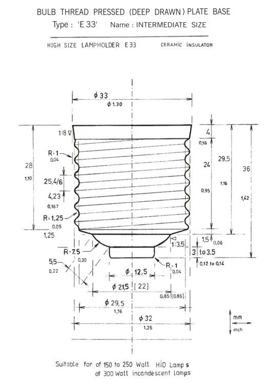
High E33 bulb base lateral view. Lamp Thread Size Learn how to distinguish the many types of threads used. Understanding the various thread sizes for lamp nipples is crucial when replacing or installing lamps. It is very common to mix up the thread sizes. Lamp socket mounting thread sizes: Unlike plumbing, lamp parts are not tapered (not npt). Standardized thread sizes provide a consistent connection between various lamp parts. Lamp Thread Size.
From www.claxy.com
An Ultimate Guide to Different Bulb Shapes and Sizes CLAXY Lamp Thread Size Learn how to distinguish the many types of threads used. Standardized thread sizes provide a consistent connection between various lamp parts adding strength and stability to lighting. Lamp sockets can come with four choices of female threaded bases or hickeys. It is very common to mix up the thread sizes. Unlike plumbing, lamp parts are not tapered (not npt). They. Lamp Thread Size.
From toolnotes.com
Thread Forms ToolNotes Lamp Thread Size They will accept these male threads. It is very common to mix up the thread sizes. Lamp socket mounting thread sizes: Understanding the various thread sizes for lamp nipples is crucial when replacing or installing lamps. Whether you're working with table lamps, chandeliers, or wall lights, we cater to thread sizes such as 10mm, half inch, 20mm, 5/8, and 3/4.. Lamp Thread Size.
From shellysavonlea.net
Light Bulb Base Sizes Us Shelly Lighting Lamp Thread Size They will accept these male threads. Lamp sockets can come with four choices of female threaded bases or hickeys. 10mm will measure around 9.5mm and the 1/2 will be. Lamp thread ips is straight or parallel threads, equals the same as. It is very common to mix up the thread sizes. Whether you're working with table lamps, chandeliers, or wall. Lamp Thread Size.
From www.pinterest.co.kr
E or Edison Screwin Sockets and Light bulb Lamp Thread Size They will accept these male threads. It is very common to mix up the thread sizes. 10mm will measure around 9.5mm and the 1/2 will be. Lamp socket mounting thread sizes: Lamp thread ips is straight or parallel threads, equals the same as. Lamp sockets can come with four choices of female threaded bases or hickeys. Standardized thread sizes provide. Lamp Thread Size.