Transfer Board Tmc2225 . Creality's v4.2.7 silent board has been. All you need to know. After doing some research i purchased the v4.2.7 version with tmc2225 drivers (i ordered the official board on amazon from cregrant) and it made a huge difference.
from www.amazon.com
All you need to know. Creality's v4.2.7 silent board has been. After doing some research i purchased the v4.2.7 version with tmc2225 drivers (i ordered the official board on amazon from cregrant) and it made a huge difference.
Heayzoki 3D Printer Silent Board, Mini E3 V4.2.7 Control
Transfer Board Tmc2225 All you need to know. All you need to know. After doing some research i purchased the v4.2.7 version with tmc2225 drivers (i ordered the official board on amazon from cregrant) and it made a huge difference. Creality's v4.2.7 silent board has been.
From www.amazon.ca
Upgrade Silent Mainboard for Ender 3, 3D Printer Silent Board TMC2225 Transfer Board Tmc2225 After doing some research i purchased the v4.2.7 version with tmc2225 drivers (i ordered the official board on amazon from cregrant) and it made a huge difference. All you need to know. Creality's v4.2.7 silent board has been. Transfer Board Tmc2225.
From www.pricepulse.app
Authentic Creality 4.2.7 32 Bit TMC2225 Silent Control Board with Transfer Board Tmc2225 All you need to know. Creality's v4.2.7 silent board has been. After doing some research i purchased the v4.2.7 version with tmc2225 drivers (i ordered the official board on amazon from cregrant) and it made a huge difference. Transfer Board Tmc2225.
From www.aliexpress.com
CREALITY 3D Printer 32 Bits V 4.2.7 Vision Silent Mainboard TMC2225 Transfer Board Tmc2225 All you need to know. After doing some research i purchased the v4.2.7 version with tmc2225 drivers (i ordered the official board on amazon from cregrant) and it made a huge difference. Creality's v4.2.7 silent board has been. Transfer Board Tmc2225.
From th.bestdealplus.com
TMC2225 Stepper Motor Control Board (485 Communication) LowSpeed Ultra Transfer Board Tmc2225 All you need to know. Creality's v4.2.7 silent board has been. After doing some research i purchased the v4.2.7 version with tmc2225 drivers (i ordered the official board on amazon from cregrant) and it made a huge difference. Transfer Board Tmc2225.
From www.aliexpress.com
Mellow Super ♾️ V1.1 Board 3 Hv Reprap 32bit Wifi 2oz Pcb For Tmc2225 Transfer Board Tmc2225 After doing some research i purchased the v4.2.7 version with tmc2225 drivers (i ordered the official board on amazon from cregrant) and it made a huge difference. All you need to know. Creality's v4.2.7 silent board has been. Transfer Board Tmc2225.
From kr.element14.com
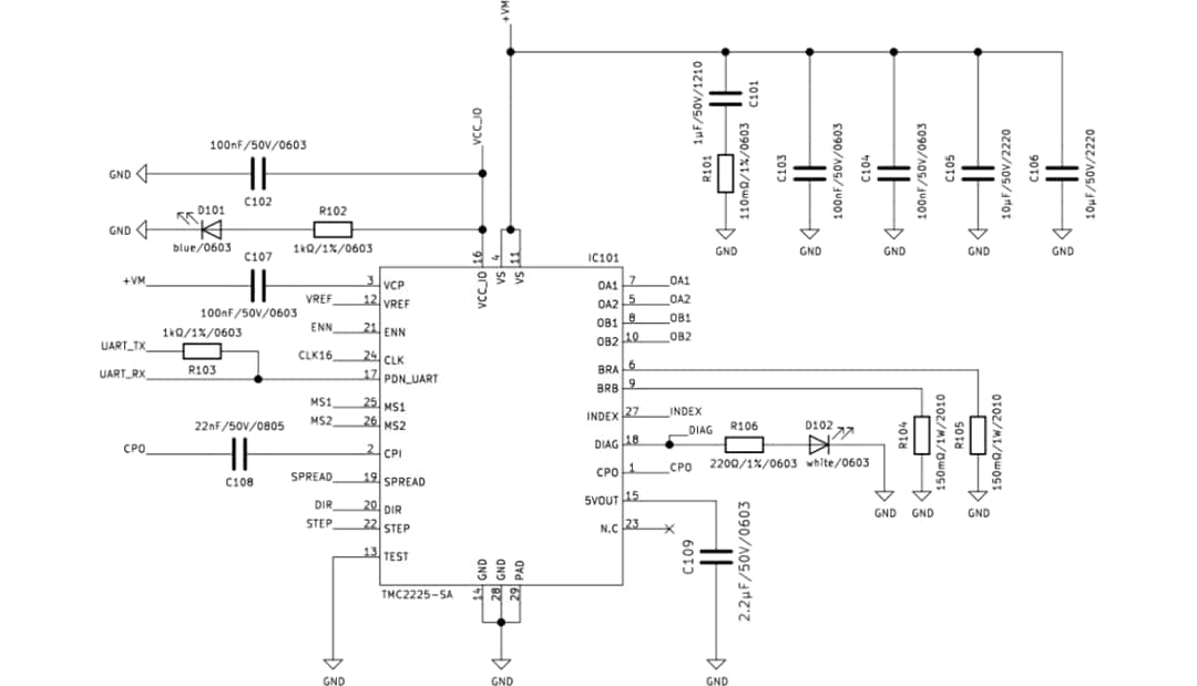
TMC2225EVAL Trinamic / Analog Devices Evaluation Board, TMC2225SA Transfer Board Tmc2225 Creality's v4.2.7 silent board has been. All you need to know. After doing some research i purchased the v4.2.7 version with tmc2225 drivers (i ordered the official board on amazon from cregrant) and it made a huge difference. Transfer Board Tmc2225.
From www.activemobility.com.au
Timber Transfer Board Active Mobility Transfer Board Tmc2225 All you need to know. Creality's v4.2.7 silent board has been. After doing some research i purchased the v4.2.7 version with tmc2225 drivers (i ordered the official board on amazon from cregrant) and it made a huge difference. Transfer Board Tmc2225.
From www.aliexpress.com
Store Home Products ChoiceDay Feedback Transfer Board Tmc2225 After doing some research i purchased the v4.2.7 version with tmc2225 drivers (i ordered the official board on amazon from cregrant) and it made a huge difference. Creality's v4.2.7 silent board has been. All you need to know. Transfer Board Tmc2225.
From www.ppmy.cn
TMC2225电机驱动简介 Transfer Board Tmc2225 All you need to know. Creality's v4.2.7 silent board has been. After doing some research i purchased the v4.2.7 version with tmc2225 drivers (i ordered the official board on amazon from cregrant) and it made a huge difference. Transfer Board Tmc2225.
From www.pricepulse.app
Sovol Creality Ender 3 Pro Silent Board Motherboard 32bit with TMC2225 Transfer Board Tmc2225 All you need to know. Creality's v4.2.7 silent board has been. After doing some research i purchased the v4.2.7 version with tmc2225 drivers (i ordered the official board on amazon from cregrant) and it made a huge difference. Transfer Board Tmc2225.
From magmedix.com
MRI Heavy Duty Patient Transfer Board Transfer Board Tmc2225 After doing some research i purchased the v4.2.7 version with tmc2225 drivers (i ordered the official board on amazon from cregrant) and it made a huge difference. All you need to know. Creality's v4.2.7 silent board has been. Transfer Board Tmc2225.
From www.aliexpress.com
Transfer Board Tmc2225 Creality's v4.2.7 silent board has been. All you need to know. After doing some research i purchased the v4.2.7 version with tmc2225 drivers (i ordered the official board on amazon from cregrant) and it made a huge difference. Transfer Board Tmc2225.
From www.walmart.com
MKS Stepper Motor Driver Board, TMC2225 with Heat Sink, Mute Motor Transfer Board Tmc2225 All you need to know. After doing some research i purchased the v4.2.7 version with tmc2225 drivers (i ordered the official board on amazon from cregrant) and it made a huge difference. Creality's v4.2.7 silent board has been. Transfer Board Tmc2225.
From www.mouser.cn
TMC2225BOB Breakout Board Trinamic Mouser Transfer Board Tmc2225 All you need to know. After doing some research i purchased the v4.2.7 version with tmc2225 drivers (i ordered the official board on amazon from cregrant) and it made a huge difference. Creality's v4.2.7 silent board has been. Transfer Board Tmc2225.
From cleste.ro
TRINAMIC / ANALOG DEVICES TMC2225BOB Breakout Board, TMC2225SA Transfer Board Tmc2225 All you need to know. After doing some research i purchased the v4.2.7 version with tmc2225 drivers (i ordered the official board on amazon from cregrant) and it made a huge difference. Creality's v4.2.7 silent board has been. Transfer Board Tmc2225.
From www.amazon.com
Stepper Motor Driver Board TMC2225 MKS with Heat Sink Transfer Board Tmc2225 Creality's v4.2.7 silent board has been. All you need to know. After doing some research i purchased the v4.2.7 version with tmc2225 drivers (i ordered the official board on amazon from cregrant) and it made a huge difference. Transfer Board Tmc2225.
From th.bestdealplus.com
TMC2225 Stepper Motor Control Board (485 Communication) LowSpeed Ultra Transfer Board Tmc2225 After doing some research i purchased the v4.2.7 version with tmc2225 drivers (i ordered the official board on amazon from cregrant) and it made a huge difference. Creality's v4.2.7 silent board has been. All you need to know. Transfer Board Tmc2225.
From www.amazon.co.uk
Creality Ender 5 Pro Silent Board V4.2.2 Motherboard with TMC2225 Transfer Board Tmc2225 After doing some research i purchased the v4.2.7 version with tmc2225 drivers (i ordered the official board on amazon from cregrant) and it made a huge difference. Creality's v4.2.7 silent board has been. All you need to know. Transfer Board Tmc2225.
From www.pricepulse.app
Authentic Creality 4.2.7 32 Bit TMC2225 Silent Control Board with Transfer Board Tmc2225 Creality's v4.2.7 silent board has been. After doing some research i purchased the v4.2.7 version with tmc2225 drivers (i ordered the official board on amazon from cregrant) and it made a huge difference. All you need to know. Transfer Board Tmc2225.
From robu.in
MakerBase MKS TMC2225 Stepper Motor Driver with Heat Sink Transfer Board Tmc2225 After doing some research i purchased the v4.2.7 version with tmc2225 drivers (i ordered the official board on amazon from cregrant) and it made a huge difference. Creality's v4.2.7 silent board has been. All you need to know. Transfer Board Tmc2225.
From www.amazon.co.jp
Amazon 2 3 4 セット MKS TMC2225 ステッピング モーター ドライバー V1.0 モジュール超サイレント 3D Transfer Board Tmc2225 After doing some research i purchased the v4.2.7 version with tmc2225 drivers (i ordered the official board on amazon from cregrant) and it made a huge difference. Creality's v4.2.7 silent board has been. All you need to know. Transfer Board Tmc2225.
From futurefertility.com
Industrial & Scientific 3D Printer Parts & Accessories Creality Ender Transfer Board Tmc2225 All you need to know. After doing some research i purchased the v4.2.7 version with tmc2225 drivers (i ordered the official board on amazon from cregrant) and it made a huge difference. Creality's v4.2.7 silent board has been. Transfer Board Tmc2225.
From www.desertcart.com.eg
Creality Ender 3 Upgraded 32 bit Motherboard Silent Mainboard V4.2.7 Transfer Board Tmc2225 All you need to know. After doing some research i purchased the v4.2.7 version with tmc2225 drivers (i ordered the official board on amazon from cregrant) and it made a huge difference. Creality's v4.2.7 silent board has been. Transfer Board Tmc2225.
From www.amazon.com
BOLORAMO Silent Board, TMC2225 Driver 3D Printer Transfer Board Tmc2225 Creality's v4.2.7 silent board has been. After doing some research i purchased the v4.2.7 version with tmc2225 drivers (i ordered the official board on amazon from cregrant) and it made a huge difference. All you need to know. Transfer Board Tmc2225.
From th.element14.com
TMC2225EVALKIT Trinamic / Analog Devices Evaluation Kit, TMC2225 Transfer Board Tmc2225 After doing some research i purchased the v4.2.7 version with tmc2225 drivers (i ordered the official board on amazon from cregrant) and it made a huge difference. Creality's v4.2.7 silent board has been. All you need to know. Transfer Board Tmc2225.
From www.amazon.de
3DDrucker Silent Board Geräuscharmer TMC2225Treiber V0.0.6 Firmware Transfer Board Tmc2225 Creality's v4.2.7 silent board has been. After doing some research i purchased the v4.2.7 version with tmc2225 drivers (i ordered the official board on amazon from cregrant) and it made a huge difference. All you need to know. Transfer Board Tmc2225.
From www.amazon.de
KingRoon KP3S Pro 32Bit 3D Drucker Controller Board TMC2225 Transfer Board Tmc2225 Creality's v4.2.7 silent board has been. All you need to know. After doing some research i purchased the v4.2.7 version with tmc2225 drivers (i ordered the official board on amazon from cregrant) and it made a huge difference. Transfer Board Tmc2225.
From www.amazon.com
Heayzoki 3D Printer Silent Board, Mini E3 V4.2.7 Control Transfer Board Tmc2225 All you need to know. After doing some research i purchased the v4.2.7 version with tmc2225 drivers (i ordered the official board on amazon from cregrant) and it made a huge difference. Creality's v4.2.7 silent board has been. Transfer Board Tmc2225.
From www.walmart.com
TMC2225 MKS Stepper Motor Driver Board with Heat Sink Mute Motor Driver Transfer Board Tmc2225 After doing some research i purchased the v4.2.7 version with tmc2225 drivers (i ordered the official board on amazon from cregrant) and it made a huge difference. All you need to know. Creality's v4.2.7 silent board has been. Transfer Board Tmc2225.
From www.aliexpress.com
Store Home Products Summer Sale Feedback Transfer Board Tmc2225 All you need to know. Creality's v4.2.7 silent board has been. After doing some research i purchased the v4.2.7 version with tmc2225 drivers (i ordered the official board on amazon from cregrant) and it made a huge difference. Transfer Board Tmc2225.
From www.amazon.ae
3D Printer Motherboard, STM32F103 Motherboard 32bit Chip 3.5in Screen Transfer Board Tmc2225 After doing some research i purchased the v4.2.7 version with tmc2225 drivers (i ordered the official board on amazon from cregrant) and it made a huge difference. All you need to know. Creality's v4.2.7 silent board has been. Transfer Board Tmc2225.
From www.desertcart.in
Buy Creality Ender 3 Motoard Upgrade V4.2.7 Silent Mainboard with Transfer Board Tmc2225 All you need to know. After doing some research i purchased the v4.2.7 version with tmc2225 drivers (i ordered the official board on amazon from cregrant) and it made a huge difference. Creality's v4.2.7 silent board has been. Transfer Board Tmc2225.
From www.desertcart.com.eg
Buy Creality Official New Upgrade Silent Motherboard Ender 3 Pro Transfer Board Tmc2225 After doing some research i purchased the v4.2.7 version with tmc2225 drivers (i ordered the official board on amazon from cregrant) and it made a huge difference. Creality's v4.2.7 silent board has been. All you need to know. Transfer Board Tmc2225.
From www.aliexpress.com
Kp3s 3d Printer Mainboard V1.3 32bit Controller Board Ultra Silent Transfer Board Tmc2225 All you need to know. After doing some research i purchased the v4.2.7 version with tmc2225 drivers (i ordered the official board on amazon from cregrant) and it made a huge difference. Creality's v4.2.7 silent board has been. Transfer Board Tmc2225.
From futurefertility.com
Industrial & Scientific 3D Printer Parts & Accessories Creality Ender Transfer Board Tmc2225 After doing some research i purchased the v4.2.7 version with tmc2225 drivers (i ordered the official board on amazon from cregrant) and it made a huge difference. All you need to know. Creality's v4.2.7 silent board has been. Transfer Board Tmc2225.