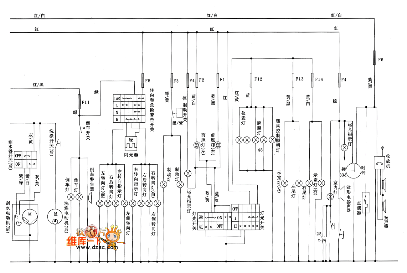
Hazard Warning Light Circuit . The turn signal and hazard light wiring diagram explains how these important safety features work. After designing a hazard control circuit box with relay and hasher that worked fine, and having several cars that needed them, rather than. Find out the right times to use your hazard warning flashers and the different state regulations regarding their usage. A hazard light wiring diagram is a visual representation of the electrical connections and components involved in the hazard light. Next to bad grounds or bad connections, the single most common problem with the turn signals in a triumph, particularly. Hazard lights, also known as emergency flashers or warning lights, can provide a quick and effective way to alert other drivers of a potential hazard or emergency situation. Turn signals are used to indicate when a driver is about to make a.
from www.autozone.com
The turn signal and hazard light wiring diagram explains how these important safety features work. Turn signals are used to indicate when a driver is about to make a. Find out the right times to use your hazard warning flashers and the different state regulations regarding their usage. Next to bad grounds or bad connections, the single most common problem with the turn signals in a triumph, particularly. After designing a hazard control circuit box with relay and hasher that worked fine, and having several cars that needed them, rather than. Hazard lights, also known as emergency flashers or warning lights, can provide a quick and effective way to alert other drivers of a potential hazard or emergency situation. A hazard light wiring diagram is a visual representation of the electrical connections and components involved in the hazard light.
Repair Guides Hazard Switch (2006) Turn And Hazard Warning Light
Hazard Warning Light Circuit Hazard lights, also known as emergency flashers or warning lights, can provide a quick and effective way to alert other drivers of a potential hazard or emergency situation. Find out the right times to use your hazard warning flashers and the different state regulations regarding their usage. Hazard lights, also known as emergency flashers or warning lights, can provide a quick and effective way to alert other drivers of a potential hazard or emergency situation. Turn signals are used to indicate when a driver is about to make a. Next to bad grounds or bad connections, the single most common problem with the turn signals in a triumph, particularly. A hazard light wiring diagram is a visual representation of the electrical connections and components involved in the hazard light. The turn signal and hazard light wiring diagram explains how these important safety features work. After designing a hazard control circuit box with relay and hasher that worked fine, and having several cars that needed them, rather than.
From lotuselan.net
Hazard Warning Light S4 Electrical / Instruments by Hazard Warning Light Circuit Next to bad grounds or bad connections, the single most common problem with the turn signals in a triumph, particularly. Hazard lights, also known as emergency flashers or warning lights, can provide a quick and effective way to alert other drivers of a potential hazard or emergency situation. Turn signals are used to indicate when a driver is about to. Hazard Warning Light Circuit.
From userfixdeines.z13.web.core.windows.net
Hazard Free Circuit Diagram Hazard Warning Light Circuit A hazard light wiring diagram is a visual representation of the electrical connections and components involved in the hazard light. Find out the right times to use your hazard warning flashers and the different state regulations regarding their usage. Hazard lights, also known as emergency flashers or warning lights, can provide a quick and effective way to alert other drivers. Hazard Warning Light Circuit.
From www.seekic.com
The Signal Light and Hazard Warning Lantern Circuit of the Bluebird Car Hazard Warning Light Circuit Turn signals are used to indicate when a driver is about to make a. Find out the right times to use your hazard warning flashers and the different state regulations regarding their usage. The turn signal and hazard light wiring diagram explains how these important safety features work. Next to bad grounds or bad connections, the single most common problem. Hazard Warning Light Circuit.
From www.circuitdiagram.co
Wiring Diagram Hazard Warning Lights Circuit Diagram Hazard Warning Light Circuit Turn signals are used to indicate when a driver is about to make a. Find out the right times to use your hazard warning flashers and the different state regulations regarding their usage. Hazard lights, also known as emergency flashers or warning lights, can provide a quick and effective way to alert other drivers of a potential hazard or emergency. Hazard Warning Light Circuit.
From www.pngitem.com
Turn Signal And Hazard Wiring Diagram, HD Png Download , Transparent Hazard Warning Light Circuit The turn signal and hazard light wiring diagram explains how these important safety features work. A hazard light wiring diagram is a visual representation of the electrical connections and components involved in the hazard light. Find out the right times to use your hazard warning flashers and the different state regulations regarding their usage. After designing a hazard control circuit. Hazard Warning Light Circuit.
From loeymwccz.blob.core.windows.net
Hazard Light Switch Wiring Diagram at James Dunlap blog Hazard Warning Light Circuit After designing a hazard control circuit box with relay and hasher that worked fine, and having several cars that needed them, rather than. Turn signals are used to indicate when a driver is about to make a. Find out the right times to use your hazard warning flashers and the different state regulations regarding their usage. A hazard light wiring. Hazard Warning Light Circuit.
From www.autozone.com
Repair Guides Signal Lighting System (2004) Turn And Hazard Hazard Warning Light Circuit Find out the right times to use your hazard warning flashers and the different state regulations regarding their usage. The turn signal and hazard light wiring diagram explains how these important safety features work. A hazard light wiring diagram is a visual representation of the electrical connections and components involved in the hazard light. Next to bad grounds or bad. Hazard Warning Light Circuit.
From diagramlibraryracemed.z19.web.core.windows.net
Wiring Diagram For Hazard Warning Lights Hazard Warning Light Circuit Next to bad grounds or bad connections, the single most common problem with the turn signals in a triumph, particularly. The turn signal and hazard light wiring diagram explains how these important safety features work. A hazard light wiring diagram is a visual representation of the electrical connections and components involved in the hazard light. Turn signals are used to. Hazard Warning Light Circuit.
From 4cardata.info
E2020 DIRECTION INDICATORS / HAZARD WARNING LIGHTS WIRING DIAGRAM Hazard Warning Light Circuit The turn signal and hazard light wiring diagram explains how these important safety features work. After designing a hazard control circuit box with relay and hasher that worked fine, and having several cars that needed them, rather than. Turn signals are used to indicate when a driver is about to make a. Next to bad grounds or bad connections, the. Hazard Warning Light Circuit.
From diagramonwiring.blogspot.com
Diagram On Wiring Mazda RX7 1994 Turn and Hazard Warning Lights Hazard Warning Light Circuit Turn signals are used to indicate when a driver is about to make a. After designing a hazard control circuit box with relay and hasher that worked fine, and having several cars that needed them, rather than. Find out the right times to use your hazard warning flashers and the different state regulations regarding their usage. Next to bad grounds. Hazard Warning Light Circuit.
From alohagrace.blogspot.com
Hazard Light Wiring Diagram Wiring Diagram Hazard Warning Light Circuit Turn signals are used to indicate when a driver is about to make a. Hazard lights, also known as emergency flashers or warning lights, can provide a quick and effective way to alert other drivers of a potential hazard or emergency situation. After designing a hazard control circuit box with relay and hasher that worked fine, and having several cars. Hazard Warning Light Circuit.
From enginediagramnadeau.z13.web.core.windows.net
Flasher Hazard Light Wiring Diagram Hazard Warning Light Circuit A hazard light wiring diagram is a visual representation of the electrical connections and components involved in the hazard light. Turn signals are used to indicate when a driver is about to make a. After designing a hazard control circuit box with relay and hasher that worked fine, and having several cars that needed them, rather than. Hazard lights, also. Hazard Warning Light Circuit.
From dakhoabinhduong.com
Hazard light circuit warning light with integrated turn signal switch Hazard Warning Light Circuit Next to bad grounds or bad connections, the single most common problem with the turn signals in a triumph, particularly. The turn signal and hazard light wiring diagram explains how these important safety features work. Find out the right times to use your hazard warning flashers and the different state regulations regarding their usage. Turn signals are used to indicate. Hazard Warning Light Circuit.
From loeymwccz.blob.core.windows.net
Hazard Light Switch Wiring Diagram at James Dunlap blog Hazard Warning Light Circuit The turn signal and hazard light wiring diagram explains how these important safety features work. Next to bad grounds or bad connections, the single most common problem with the turn signals in a triumph, particularly. After designing a hazard control circuit box with relay and hasher that worked fine, and having several cars that needed them, rather than. Find out. Hazard Warning Light Circuit.
From faceitsalon.com
Hazard Light Wiring Diagram Collection Wiring Diagram Sample Hazard Warning Light Circuit Turn signals are used to indicate when a driver is about to make a. After designing a hazard control circuit box with relay and hasher that worked fine, and having several cars that needed them, rather than. The turn signal and hazard light wiring diagram explains how these important safety features work. Next to bad grounds or bad connections, the. Hazard Warning Light Circuit.
From www.wiringdiagramid.com
wiring diagram for hazard warning lights Unique simple switch wiring Hazard Warning Light Circuit Turn signals are used to indicate when a driver is about to make a. Find out the right times to use your hazard warning flashers and the different state regulations regarding their usage. The turn signal and hazard light wiring diagram explains how these important safety features work. After designing a hazard control circuit box with relay and hasher that. Hazard Warning Light Circuit.
From www.wiringdiagramid.com
wiring diagram for hazard warning lights Unique simple switch wiring Hazard Warning Light Circuit A hazard light wiring diagram is a visual representation of the electrical connections and components involved in the hazard light. Next to bad grounds or bad connections, the single most common problem with the turn signals in a triumph, particularly. After designing a hazard control circuit box with relay and hasher that worked fine, and having several cars that needed. Hazard Warning Light Circuit.
From cambridge.branches.nortonownersclub.org
Nick’s hazard warning light addon Cambridge Branch Hazard Warning Light Circuit The turn signal and hazard light wiring diagram explains how these important safety features work. Find out the right times to use your hazard warning flashers and the different state regulations regarding their usage. After designing a hazard control circuit box with relay and hasher that worked fine, and having several cars that needed them, rather than. A hazard light. Hazard Warning Light Circuit.
From wiringdbalexandra.z5.web.core.windows.net
Hazard Light Circuit Diagram Hazard Warning Light Circuit Find out the right times to use your hazard warning flashers and the different state regulations regarding their usage. Turn signals are used to indicate when a driver is about to make a. Next to bad grounds or bad connections, the single most common problem with the turn signals in a triumph, particularly. After designing a hazard control circuit box. Hazard Warning Light Circuit.
From www.youtube.com
HAZARD LIGHT WIRING DIAGRAM 2 YouTube Hazard Warning Light Circuit The turn signal and hazard light wiring diagram explains how these important safety features work. A hazard light wiring diagram is a visual representation of the electrical connections and components involved in the hazard light. Hazard lights, also known as emergency flashers or warning lights, can provide a quick and effective way to alert other drivers of a potential hazard. Hazard Warning Light Circuit.
From studylib.net
Hazard Warning Switch Circuit Hazard Warning Light Circuit Hazard lights, also known as emergency flashers or warning lights, can provide a quick and effective way to alert other drivers of a potential hazard or emergency situation. Next to bad grounds or bad connections, the single most common problem with the turn signals in a triumph, particularly. A hazard light wiring diagram is a visual representation of the electrical. Hazard Warning Light Circuit.
From wiringdbgerste.z19.web.core.windows.net
Wiring Diagram For Hazard Warning Lights Hazard Warning Light Circuit The turn signal and hazard light wiring diagram explains how these important safety features work. Find out the right times to use your hazard warning flashers and the different state regulations regarding their usage. Turn signals are used to indicate when a driver is about to make a. Hazard lights, also known as emergency flashers or warning lights, can provide. Hazard Warning Light Circuit.
From www.youtube.com
Wiring diagram signal light and hazard light YouTube Hazard Warning Light Circuit Find out the right times to use your hazard warning flashers and the different state regulations regarding their usage. Turn signals are used to indicate when a driver is about to make a. The turn signal and hazard light wiring diagram explains how these important safety features work. Hazard lights, also known as emergency flashers or warning lights, can provide. Hazard Warning Light Circuit.
From www.wiringdiagramid.com
wiring diagram for hazard warning lights Unique simple switch wiring Hazard Warning Light Circuit After designing a hazard control circuit box with relay and hasher that worked fine, and having several cars that needed them, rather than. Find out the right times to use your hazard warning flashers and the different state regulations regarding their usage. Hazard lights, also known as emergency flashers or warning lights, can provide a quick and effective way to. Hazard Warning Light Circuit.
From manuallibsculpt.z21.web.core.windows.net
Turn Signal And Hazard Light Wiring Diagram Hazard Warning Light Circuit The turn signal and hazard light wiring diagram explains how these important safety features work. Hazard lights, also known as emergency flashers or warning lights, can provide a quick and effective way to alert other drivers of a potential hazard or emergency situation. Turn signals are used to indicate when a driver is about to make a. After designing a. Hazard Warning Light Circuit.
From www.seekic.com
Alto steering, hazard warning lights, headlight washing and schematics Hazard Warning Light Circuit Next to bad grounds or bad connections, the single most common problem with the turn signals in a triumph, particularly. The turn signal and hazard light wiring diagram explains how these important safety features work. Hazard lights, also known as emergency flashers or warning lights, can provide a quick and effective way to alert other drivers of a potential hazard. Hazard Warning Light Circuit.
From schematicdbackerman.z19.web.core.windows.net
Hazard Indicator Wiring Diagram Hazard Warning Light Circuit Next to bad grounds or bad connections, the single most common problem with the turn signals in a triumph, particularly. A hazard light wiring diagram is a visual representation of the electrical connections and components involved in the hazard light. Turn signals are used to indicate when a driver is about to make a. The turn signal and hazard light. Hazard Warning Light Circuit.
From www.autozone.com
Repair Guides Hazard Switch (2006) Turn And Hazard Warning Light Hazard Warning Light Circuit Turn signals are used to indicate when a driver is about to make a. The turn signal and hazard light wiring diagram explains how these important safety features work. Hazard lights, also known as emergency flashers or warning lights, can provide a quick and effective way to alert other drivers of a potential hazard or emergency situation. A hazard light. Hazard Warning Light Circuit.
From www.seekic.com
Beijing Hyundai Sang Nata turn signals and hazard warning lights Hazard Warning Light Circuit Hazard lights, also known as emergency flashers or warning lights, can provide a quick and effective way to alert other drivers of a potential hazard or emergency situation. Turn signals are used to indicate when a driver is about to make a. After designing a hazard control circuit box with relay and hasher that worked fine, and having several cars. Hazard Warning Light Circuit.
From gglotus.org
GOLDEN GATE LOTUS CLUB Elan & Europa (Federal) Indicator & Hazard Hazard Warning Light Circuit After designing a hazard control circuit box with relay and hasher that worked fine, and having several cars that needed them, rather than. Next to bad grounds or bad connections, the single most common problem with the turn signals in a triumph, particularly. The turn signal and hazard light wiring diagram explains how these important safety features work. Turn signals. Hazard Warning Light Circuit.
From www.youtube.com
TURN SIGNAL LIGHT AND HAZARD LIGHT BASIC WIRING DIAGRAM USING TOGGLE Hazard Warning Light Circuit The turn signal and hazard light wiring diagram explains how these important safety features work. Turn signals are used to indicate when a driver is about to make a. After designing a hazard control circuit box with relay and hasher that worked fine, and having several cars that needed them, rather than. A hazard light wiring diagram is a visual. Hazard Warning Light Circuit.
From www.circuitdiagram.co
Wiring Diagram Hazard Warning Lights Circuit Diagram Hazard Warning Light Circuit After designing a hazard control circuit box with relay and hasher that worked fine, and having several cars that needed them, rather than. Hazard lights, also known as emergency flashers or warning lights, can provide a quick and effective way to alert other drivers of a potential hazard or emergency situation. The turn signal and hazard light wiring diagram explains. Hazard Warning Light Circuit.
From www.ffcars.com
Hazard light wiring Factory Five Racing Forum Hazard Warning Light Circuit Turn signals are used to indicate when a driver is about to make a. After designing a hazard control circuit box with relay and hasher that worked fine, and having several cars that needed them, rather than. Next to bad grounds or bad connections, the single most common problem with the turn signals in a triumph, particularly. Hazard lights, also. Hazard Warning Light Circuit.
From www.youtube.com
SIGNAL LIGHT AND HAZARD LIGHT WIRING DIAGRAM / TROUBLESHOOT AND REPAIR Hazard Warning Light Circuit Hazard lights, also known as emergency flashers or warning lights, can provide a quick and effective way to alert other drivers of a potential hazard or emergency situation. After designing a hazard control circuit box with relay and hasher that worked fine, and having several cars that needed them, rather than. A hazard light wiring diagram is a visual representation. Hazard Warning Light Circuit.
From diagrampartinaugurals.z13.web.core.windows.net
How To Wire Hazard Warning Lights Hazard Warning Light Circuit Turn signals are used to indicate when a driver is about to make a. Hazard lights, also known as emergency flashers or warning lights, can provide a quick and effective way to alert other drivers of a potential hazard or emergency situation. Next to bad grounds or bad connections, the single most common problem with the turn signals in a. Hazard Warning Light Circuit.