Steering Rack Problems Vw Polo . We had exhaust temp sensors, a crankshaft position sensor (that just went away) and now the power steering light comes on and. Looks like its the rack that is leaking, if you can try cleaning all that off, topping the fluid back up and running it for a couple of. Recently having problems with the power steering, its getting stiff to turn when performing manoeuvres. I've had my polo 04 around a year now and i've had 3 power steering racks on it, not sure why it keeps splitting the boots, anyone. I had a search through loads of topics on steering rack leaks here and im still a little confused. My 2008 polo n93 has a leak. Power steering is intermittent, started failing yesterday with a fault shown on the dash. Vw polo 1.2 2006 plate.
from www.tradeindia.com
Vw polo 1.2 2006 plate. We had exhaust temp sensors, a crankshaft position sensor (that just went away) and now the power steering light comes on and. I've had my polo 04 around a year now and i've had 3 power steering racks on it, not sure why it keeps splitting the boots, anyone. Recently having problems with the power steering, its getting stiff to turn when performing manoeuvres. My 2008 polo n93 has a leak. I had a search through loads of topics on steering rack leaks here and im still a little confused. Looks like its the rack that is leaking, if you can try cleaning all that off, topping the fluid back up and running it for a couple of. Power steering is intermittent, started failing yesterday with a fault shown on the dash.
Volkwagen Polo Steering Rack With 12 Months Warranty Car Make
Steering Rack Problems Vw Polo I've had my polo 04 around a year now and i've had 3 power steering racks on it, not sure why it keeps splitting the boots, anyone. My 2008 polo n93 has a leak. Vw polo 1.2 2006 plate. Looks like its the rack that is leaking, if you can try cleaning all that off, topping the fluid back up and running it for a couple of. We had exhaust temp sensors, a crankshaft position sensor (that just went away) and now the power steering light comes on and. Power steering is intermittent, started failing yesterday with a fault shown on the dash. I had a search through loads of topics on steering rack leaks here and im still a little confused. I've had my polo 04 around a year now and i've had 3 power steering racks on it, not sure why it keeps splitting the boots, anyone. Recently having problems with the power steering, its getting stiff to turn when performing manoeuvres.
From www.vwbreakers.co.uk
Volkswagen Polo 9N3 20062008 Power Steering Rack 6Q2423055K Store Steering Rack Problems Vw Polo I've had my polo 04 around a year now and i've had 3 power steering racks on it, not sure why it keeps splitting the boots, anyone. I had a search through loads of topics on steering rack leaks here and im still a little confused. Looks like its the rack that is leaking, if you can try cleaning all. Steering Rack Problems Vw Polo.
From store.rodapecas.pt
Steering Rack para VOLKSWAGEN POLO Steering Rack Problems Vw Polo We had exhaust temp sensors, a crankshaft position sensor (that just went away) and now the power steering light comes on and. I've had my polo 04 around a year now and i've had 3 power steering racks on it, not sure why it keeps splitting the boots, anyone. My 2008 polo n93 has a leak. I had a search. Steering Rack Problems Vw Polo.
From www.b-parts.com
Steering rack VW POLO (6N1) 60 1.7 SDI TRW 0230080033101 , VW BParts Steering Rack Problems Vw Polo Power steering is intermittent, started failing yesterday with a fault shown on the dash. Looks like its the rack that is leaking, if you can try cleaning all that off, topping the fluid back up and running it for a couple of. I've had my polo 04 around a year now and i've had 3 power steering racks on it,. Steering Rack Problems Vw Polo.
From www.youtube.com
VW Polo 9N power steering fault YouTube Steering Rack Problems Vw Polo My 2008 polo n93 has a leak. I've had my polo 04 around a year now and i've had 3 power steering racks on it, not sure why it keeps splitting the boots, anyone. Vw polo 1.2 2006 plate. Power steering is intermittent, started failing yesterday with a fault shown on the dash. We had exhaust temp sensors, a crankshaft. Steering Rack Problems Vw Polo.
From www.b-parts.com
Steering rack VW POLO (6N1) 60 1.7 SDI TRW 0230080033101 , VW BParts Steering Rack Problems Vw Polo Looks like its the rack that is leaking, if you can try cleaning all that off, topping the fluid back up and running it for a couple of. I had a search through loads of topics on steering rack leaks here and im still a little confused. My 2008 polo n93 has a leak. Recently having problems with the power. Steering Rack Problems Vw Polo.
From www.youtube.com
Volkswagen Polo power steering hard problem vw Polo steering colum Steering Rack Problems Vw Polo Power steering is intermittent, started failing yesterday with a fault shown on the dash. I had a search through loads of topics on steering rack leaks here and im still a little confused. My 2008 polo n93 has a leak. We had exhaust temp sensors, a crankshaft position sensor (that just went away) and now the power steering light comes. Steering Rack Problems Vw Polo.
From www.usedcarpartsuk.co.uk
VW Polo MK4 power steering rack 1.2 petrol Used Car Parts UK Steering Rack Problems Vw Polo I've had my polo 04 around a year now and i've had 3 power steering racks on it, not sure why it keeps splitting the boots, anyone. Looks like its the rack that is leaking, if you can try cleaning all that off, topping the fluid back up and running it for a couple of. I had a search through. Steering Rack Problems Vw Polo.
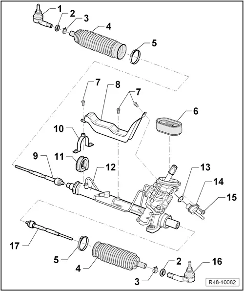
From workshop-manuals.com
Volkswagen Service and Repair Manuals > Polo Mk4 > Running Steering Rack Problems Vw Polo I've had my polo 04 around a year now and i've had 3 power steering racks on it, not sure why it keeps splitting the boots, anyone. My 2008 polo n93 has a leak. Power steering is intermittent, started failing yesterday with a fault shown on the dash. Looks like its the rack that is leaking, if you can try. Steering Rack Problems Vw Polo.
From www.vwbreakers.co.uk
Volkswagen Polo 20062008 9N3 Power Steering Rack 6Q2423055N 6Q2423055K Steering Rack Problems Vw Polo We had exhaust temp sensors, a crankshaft position sensor (that just went away) and now the power steering light comes on and. My 2008 polo n93 has a leak. Vw polo 1.2 2006 plate. I've had my polo 04 around a year now and i've had 3 power steering racks on it, not sure why it keeps splitting the boots,. Steering Rack Problems Vw Polo.
From www.tradeindia.com
Volkwagen Polo Steering Rack With 12 Months Warranty Car Make Steering Rack Problems Vw Polo I had a search through loads of topics on steering rack leaks here and im still a little confused. Vw polo 1.2 2006 plate. Recently having problems with the power steering, its getting stiff to turn when performing manoeuvres. My 2008 polo n93 has a leak. We had exhaust temp sensors, a crankshaft position sensor (that just went away) and. Steering Rack Problems Vw Polo.
From africaboyzonline.com
VOLKSWAGEN POLO 1.2 TSI 2014 STEERING RACK AfricaBoyz Online Steering Rack Problems Vw Polo I've had my polo 04 around a year now and i've had 3 power steering racks on it, not sure why it keeps splitting the boots, anyone. Recently having problems with the power steering, its getting stiff to turn when performing manoeuvres. Power steering is intermittent, started failing yesterday with a fault shown on the dash. My 2008 polo n93. Steering Rack Problems Vw Polo.
From www.youtube.com
VW Polo Suspension Repair Steering Rack Changed YouTube Steering Rack Problems Vw Polo I've had my polo 04 around a year now and i've had 3 power steering racks on it, not sure why it keeps splitting the boots, anyone. Looks like its the rack that is leaking, if you can try cleaning all that off, topping the fluid back up and running it for a couple of. Vw polo 1.2 2006 plate.. Steering Rack Problems Vw Polo.
From www.vwbreakers.co.uk
Volkswagen Polo 6R 20092014 Steering Rack 6R2425055B Store Used Steering Rack Problems Vw Polo Power steering is intermittent, started failing yesterday with a fault shown on the dash. Vw polo 1.2 2006 plate. We had exhaust temp sensors, a crankshaft position sensor (that just went away) and now the power steering light comes on and. My 2008 polo n93 has a leak. Looks like its the rack that is leaking, if you can try. Steering Rack Problems Vw Polo.
From www.youtube.com
VW Polo steering rack soundsteering rack replace YouTube Steering Rack Problems Vw Polo I had a search through loads of topics on steering rack leaks here and im still a little confused. My 2008 polo n93 has a leak. Power steering is intermittent, started failing yesterday with a fault shown on the dash. Vw polo 1.2 2006 plate. I've had my polo 04 around a year now and i've had 3 power steering. Steering Rack Problems Vw Polo.
From www.vwbreakers.co.uk
Volkswagen Polo 6R 20092014 Steering Rack 6R2425055B Store Used Steering Rack Problems Vw Polo Power steering is intermittent, started failing yesterday with a fault shown on the dash. My 2008 polo n93 has a leak. Looks like its the rack that is leaking, if you can try cleaning all that off, topping the fluid back up and running it for a couple of. We had exhaust temp sensors, a crankshaft position sensor (that just. Steering Rack Problems Vw Polo.
From www.b-parts.com
Steering rack VW POLO (9N_) 1.2 12V 6Q1423055G BParts Steering Rack Problems Vw Polo I had a search through loads of topics on steering rack leaks here and im still a little confused. Looks like its the rack that is leaking, if you can try cleaning all that off, topping the fluid back up and running it for a couple of. My 2008 polo n93 has a leak. Power steering is intermittent, started failing. Steering Rack Problems Vw Polo.
From www.vwbreakers.co.uk
Volkswagen Polo 6R 20092014 Power Steering Rack 6R2423051AA Store Steering Rack Problems Vw Polo We had exhaust temp sensors, a crankshaft position sensor (that just went away) and now the power steering light comes on and. Power steering is intermittent, started failing yesterday with a fault shown on the dash. Looks like its the rack that is leaking, if you can try cleaning all that off, topping the fluid back up and running it. Steering Rack Problems Vw Polo.
From www.youtube.com
VW polo sedan steering rack noise YouTube Steering Rack Problems Vw Polo Looks like its the rack that is leaking, if you can try cleaning all that off, topping the fluid back up and running it for a couple of. I've had my polo 04 around a year now and i've had 3 power steering racks on it, not sure why it keeps splitting the boots, anyone. I had a search through. Steering Rack Problems Vw Polo.
From www.vwbreakers.co.uk
Volkswagen Polo 19992003 6N2 14 TDI Steering Rack 6N2422061e Store Steering Rack Problems Vw Polo My 2008 polo n93 has a leak. Power steering is intermittent, started failing yesterday with a fault shown on the dash. We had exhaust temp sensors, a crankshaft position sensor (that just went away) and now the power steering light comes on and. I've had my polo 04 around a year now and i've had 3 power steering racks on. Steering Rack Problems Vw Polo.
From www.lionautomotive.co.uk
VW Polo 96 > 01 Power Steering Rack (1055.0636) Lion Automotive Steering Rack Problems Vw Polo Power steering is intermittent, started failing yesterday with a fault shown on the dash. Vw polo 1.2 2006 plate. We had exhaust temp sensors, a crankshaft position sensor (that just went away) and now the power steering light comes on and. Looks like its the rack that is leaking, if you can try cleaning all that off, topping the fluid. Steering Rack Problems Vw Polo.
From www.powersteeringrack.net
Supply 5Z1423051 LHD Volkswagen Polo 20032009 Power Steering Rack Steering Rack Problems Vw Polo My 2008 polo n93 has a leak. Power steering is intermittent, started failing yesterday with a fault shown on the dash. Looks like its the rack that is leaking, if you can try cleaning all that off, topping the fluid back up and running it for a couple of. Recently having problems with the power steering, its getting stiff to. Steering Rack Problems Vw Polo.
From www.vwbreakers.co.uk
Volkswagen Polo 19992003 6N2 14 8v Power Steering Rack Store Used Steering Rack Problems Vw Polo Power steering is intermittent, started failing yesterday with a fault shown on the dash. My 2008 polo n93 has a leak. We had exhaust temp sensors, a crankshaft position sensor (that just went away) and now the power steering light comes on and. Looks like its the rack that is leaking, if you can try cleaning all that off, topping. Steering Rack Problems Vw Polo.
From www.vwbreakers.co.uk
Volkswagen Polo 9N3 20062008 Power Steering Rack BMD Store Used Steering Rack Problems Vw Polo We had exhaust temp sensors, a crankshaft position sensor (that just went away) and now the power steering light comes on and. Recently having problems with the power steering, its getting stiff to turn when performing manoeuvres. I had a search through loads of topics on steering rack leaks here and im still a little confused. My 2008 polo n93. Steering Rack Problems Vw Polo.
From www.b-parts.com
Steering rack VW POLO II (86C, 80) 1.3 8247440 BParts Steering Rack Problems Vw Polo Power steering is intermittent, started failing yesterday with a fault shown on the dash. Recently having problems with the power steering, its getting stiff to turn when performing manoeuvres. Vw polo 1.2 2006 plate. I've had my polo 04 around a year now and i've had 3 power steering racks on it, not sure why it keeps splitting the boots,. Steering Rack Problems Vw Polo.
From www.vwbreakers.co.uk
Volkswagen Polo MK6 20172023 Steering Rack Store Used Volkswagen Steering Rack Problems Vw Polo I've had my polo 04 around a year now and i've had 3 power steering racks on it, not sure why it keeps splitting the boots, anyone. Vw polo 1.2 2006 plate. I had a search through loads of topics on steering rack leaks here and im still a little confused. Looks like its the rack that is leaking, if. Steering Rack Problems Vw Polo.
From workshop-manuals.com
Volkswagen Manuals > Polo Mk4 > Running gear, axles, steering Steering Rack Problems Vw Polo Looks like its the rack that is leaking, if you can try cleaning all that off, topping the fluid back up and running it for a couple of. I've had my polo 04 around a year now and i've had 3 power steering racks on it, not sure why it keeps splitting the boots, anyone. Vw polo 1.2 2006 plate.. Steering Rack Problems Vw Polo.
From www.vwbreakers.co.uk
Volkswagen Polo 6R 20092012 Power Steering Rack 6R2423055H Store Steering Rack Problems Vw Polo Looks like its the rack that is leaking, if you can try cleaning all that off, topping the fluid back up and running it for a couple of. Power steering is intermittent, started failing yesterday with a fault shown on the dash. Vw polo 1.2 2006 plate. I've had my polo 04 around a year now and i've had 3. Steering Rack Problems Vw Polo.
From www.b-parts.com
Steering rack VW POLO (6N2) 1.4 6391214 BParts Steering Rack Problems Vw Polo Looks like its the rack that is leaking, if you can try cleaning all that off, topping the fluid back up and running it for a couple of. I've had my polo 04 around a year now and i've had 3 power steering racks on it, not sure why it keeps splitting the boots, anyone. Vw polo 1.2 2006 plate.. Steering Rack Problems Vw Polo.
From workshop-manuals.com
Volkswagen Manuals > Polo Mk4 > Running gear, axles, steering Steering Rack Problems Vw Polo I've had my polo 04 around a year now and i've had 3 power steering racks on it, not sure why it keeps splitting the boots, anyone. I had a search through loads of topics on steering rack leaks here and im still a little confused. Recently having problems with the power steering, its getting stiff to turn when performing. Steering Rack Problems Vw Polo.
From dsauto.com.my
Top 7 Steering Rack Problems you can Identify [with Videos!] • D S Auto Steering Rack Problems Vw Polo Power steering is intermittent, started failing yesterday with a fault shown on the dash. Vw polo 1.2 2006 plate. Looks like its the rack that is leaking, if you can try cleaning all that off, topping the fluid back up and running it for a couple of. We had exhaust temp sensors, a crankshaft position sensor (that just went away). Steering Rack Problems Vw Polo.
From www.vwbreakers.co.uk
Volkswagen Polo 20032006 9N Steering Rack Store Used Volkswagen Steering Rack Problems Vw Polo My 2008 polo n93 has a leak. I had a search through loads of topics on steering rack leaks here and im still a little confused. We had exhaust temp sensors, a crankshaft position sensor (that just went away) and now the power steering light comes on and. I've had my polo 04 around a year now and i've had. Steering Rack Problems Vw Polo.
From ubicaciondepersonas.cdmx.gob.mx
Polo Vivo Steering Rack Problems ubicaciondepersonas.cdmx.gob.mx Steering Rack Problems Vw Polo I had a search through loads of topics on steering rack leaks here and im still a little confused. Vw polo 1.2 2006 plate. My 2008 polo n93 has a leak. Looks like its the rack that is leaking, if you can try cleaning all that off, topping the fluid back up and running it for a couple of. Power. Steering Rack Problems Vw Polo.
From www.youtube.com
DIY Volkswagen MKIV Power Steering Rack Replacement YouTube Steering Rack Problems Vw Polo Vw polo 1.2 2006 plate. I had a search through loads of topics on steering rack leaks here and im still a little confused. I've had my polo 04 around a year now and i've had 3 power steering racks on it, not sure why it keeps splitting the boots, anyone. We had exhaust temp sensors, a crankshaft position sensor. Steering Rack Problems Vw Polo.
From www.b-parts.com
Steering rack VW POLO (9N_) 1.2 12V 6Q1423055G BParts Steering Rack Problems Vw Polo Vw polo 1.2 2006 plate. Recently having problems with the power steering, its getting stiff to turn when performing manoeuvres. My 2008 polo n93 has a leak. I've had my polo 04 around a year now and i've had 3 power steering racks on it, not sure why it keeps splitting the boots, anyone. I had a search through loads. Steering Rack Problems Vw Polo.
From shopee.com.my
Volkswagen Polo electric steering rack New original Shopee Malaysia Steering Rack Problems Vw Polo Recently having problems with the power steering, its getting stiff to turn when performing manoeuvres. My 2008 polo n93 has a leak. Power steering is intermittent, started failing yesterday with a fault shown on the dash. We had exhaust temp sensors, a crankshaft position sensor (that just went away) and now the power steering light comes on and. I had. Steering Rack Problems Vw Polo.