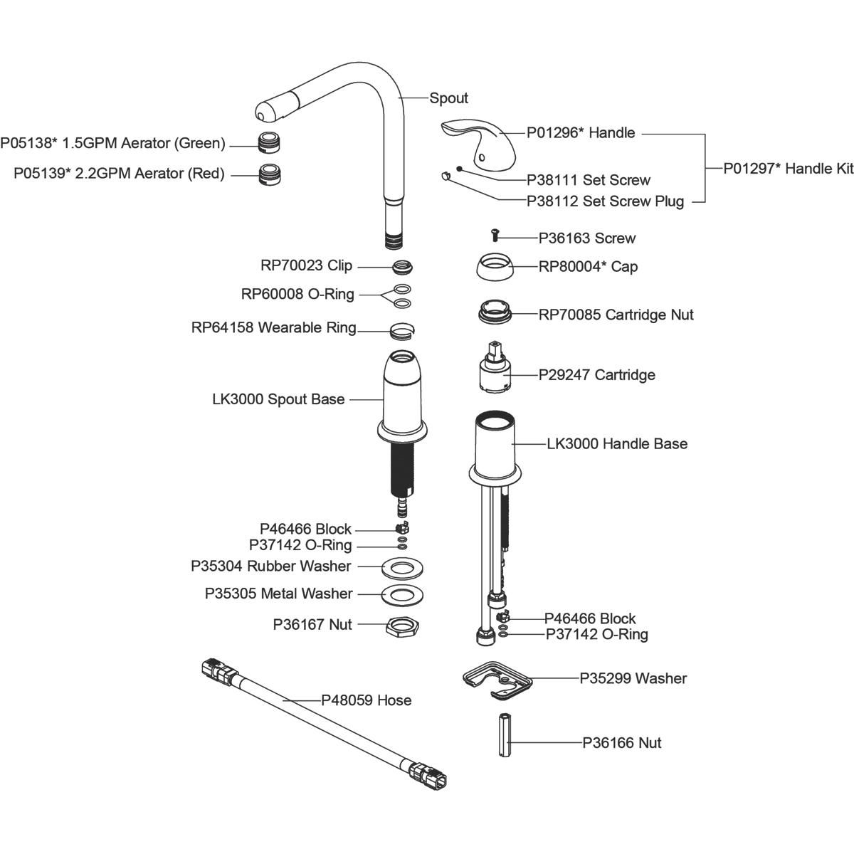
How To Install A Deck Mount Kitchen Faucet . Identify all components and check for completeness, particularly before arranging installation. And, if there are no holes, you'll need to install taps into the worktop behind the sink. This guide will unveil the 6 mounting types (including 2 main & others depending on faucet holes or types) and help you select the perfect fit for a smooth and stylish kitchen upgrade. A deck mount faucet consists of several essential components that work together to control the flow and temperature of water in your sink. If required, fit the spout. Deck mounting your faucet means that it will sit. Absolutely, you can install a deck mount faucet on your sink. There are two main mounting types for kitchen faucets: Kitchen faucet installation is a fast, affordable way to freshen up your kitchen. You can install most kitchen faucets for around $100 and in less than an hour.
from thethriftyapartment.com
Deck mounting your faucet means that it will sit. Kitchen faucet installation is a fast, affordable way to freshen up your kitchen. There are two main mounting types for kitchen faucets: And, if there are no holes, you'll need to install taps into the worktop behind the sink. If required, fit the spout. Identify all components and check for completeness, particularly before arranging installation. You can install most kitchen faucets for around $100 and in less than an hour. Absolutely, you can install a deck mount faucet on your sink. This guide will unveil the 6 mounting types (including 2 main & others depending on faucet holes or types) and help you select the perfect fit for a smooth and stylish kitchen upgrade. A deck mount faucet consists of several essential components that work together to control the flow and temperature of water in your sink.
How to Install a Kitchen Sink Faucet Without a Plumber
How To Install A Deck Mount Kitchen Faucet Absolutely, you can install a deck mount faucet on your sink. If required, fit the spout. A deck mount faucet consists of several essential components that work together to control the flow and temperature of water in your sink. You can install most kitchen faucets for around $100 and in less than an hour. Identify all components and check for completeness, particularly before arranging installation. There are two main mounting types for kitchen faucets: And, if there are no holes, you'll need to install taps into the worktop behind the sink. Deck mounting your faucet means that it will sit. Kitchen faucet installation is a fast, affordable way to freshen up your kitchen. This guide will unveil the 6 mounting types (including 2 main & others depending on faucet holes or types) and help you select the perfect fit for a smooth and stylish kitchen upgrade. Absolutely, you can install a deck mount faucet on your sink.
From thegadgetflow.com
Kohler Karbon Articulating DeckMount Kitchen Faucet » Gadget Flow How To Install A Deck Mount Kitchen Faucet You can install most kitchen faucets for around $100 and in less than an hour. Identify all components and check for completeness, particularly before arranging installation. A deck mount faucet consists of several essential components that work together to control the flow and temperature of water in your sink. Kitchen faucet installation is a fast, affordable way to freshen up. How To Install A Deck Mount Kitchen Faucet.
From kitcheneminence.com
The Pros & Cons of Deckmount Kitchen Faucet KitchenEminence How To Install A Deck Mount Kitchen Faucet Absolutely, you can install a deck mount faucet on your sink. There are two main mounting types for kitchen faucets: A deck mount faucet consists of several essential components that work together to control the flow and temperature of water in your sink. This guide will unveil the 6 mounting types (including 2 main & others depending on faucet holes. How To Install A Deck Mount Kitchen Faucet.
From www.lowes.com
Peerless Chrome 1handle Deck Mount HighArc Kitchen Faucet at How To Install A Deck Mount Kitchen Faucet If required, fit the spout. Kitchen faucet installation is a fast, affordable way to freshen up your kitchen. You can install most kitchen faucets for around $100 and in less than an hour. A deck mount faucet consists of several essential components that work together to control the flow and temperature of water in your sink. Deck mounting your faucet. How To Install A Deck Mount Kitchen Faucet.
From www.thespruce.com
How to Install a Moen Kitchen Faucet How To Install A Deck Mount Kitchen Faucet Kitchen faucet installation is a fast, affordable way to freshen up your kitchen. If required, fit the spout. Deck mounting your faucet means that it will sit. This guide will unveil the 6 mounting types (including 2 main & others depending on faucet holes or types) and help you select the perfect fit for a smooth and stylish kitchen upgrade.. How To Install A Deck Mount Kitchen Faucet.
From kitcheneminence.com
The Pros & Cons of Deckmount Kitchen Faucet KitchenEminence How To Install A Deck Mount Kitchen Faucet And, if there are no holes, you'll need to install taps into the worktop behind the sink. There are two main mounting types for kitchen faucets: A deck mount faucet consists of several essential components that work together to control the flow and temperature of water in your sink. Identify all components and check for completeness, particularly before arranging installation.. How To Install A Deck Mount Kitchen Faucet.
From www.fontanashowers.com
Doubs Deck Mounted Kitchen Sink Faucet with Pull Down Spray How To Install A Deck Mount Kitchen Faucet You can install most kitchen faucets for around $100 and in less than an hour. Identify all components and check for completeness, particularly before arranging installation. And, if there are no holes, you'll need to install taps into the worktop behind the sink. Kitchen faucet installation is a fast, affordable way to freshen up your kitchen. There are two main. How To Install A Deck Mount Kitchen Faucet.
From webstaurantstore.com
T&S B234708 Easy Install Deck Mount Faucet with 8" Centers, 12 How To Install A Deck Mount Kitchen Faucet Kitchen faucet installation is a fast, affordable way to freshen up your kitchen. A deck mount faucet consists of several essential components that work together to control the flow and temperature of water in your sink. This guide will unveil the 6 mounting types (including 2 main & others depending on faucet holes or types) and help you select the. How To Install A Deck Mount Kitchen Faucet.
From hydrologychicago.com
Modern Spin Deck Mount Kitchen Faucet Hydrology How To Install A Deck Mount Kitchen Faucet You can install most kitchen faucets for around $100 and in less than an hour. There are two main mounting types for kitchen faucets: Deck mounting your faucet means that it will sit. If required, fit the spout. And, if there are no holes, you'll need to install taps into the worktop behind the sink. Absolutely, you can install a. How To Install A Deck Mount Kitchen Faucet.
From www.fontanashowers.com
Installation Instructions For Catania Deck Mount Bathroom Sink Faucet How To Install A Deck Mount Kitchen Faucet If required, fit the spout. You can install most kitchen faucets for around $100 and in less than an hour. And, if there are no holes, you'll need to install taps into the worktop behind the sink. Kitchen faucet installation is a fast, affordable way to freshen up your kitchen. This guide will unveil the 6 mounting types (including 2. How To Install A Deck Mount Kitchen Faucet.
From ipipeline.net
Tools Needed To Install Kitchen Faucet Things In The Kitchen How To Install A Deck Mount Kitchen Faucet Kitchen faucet installation is a fast, affordable way to freshen up your kitchen. Identify all components and check for completeness, particularly before arranging installation. If required, fit the spout. There are two main mounting types for kitchen faucets: And, if there are no holes, you'll need to install taps into the worktop behind the sink. A deck mount faucet consists. How To Install A Deck Mount Kitchen Faucet.
From wikihomeimprovements.com
Bordeaux Solid Brass Deck Mounted Chrome Single Handle Kitchen Faucet How To Install A Deck Mount Kitchen Faucet A deck mount faucet consists of several essential components that work together to control the flow and temperature of water in your sink. This guide will unveil the 6 mounting types (including 2 main & others depending on faucet holes or types) and help you select the perfect fit for a smooth and stylish kitchen upgrade. And, if there are. How To Install A Deck Mount Kitchen Faucet.
From www.periodbath.com
The Period Bath Supply Company (A Division of Historic Houseparts, Inc How To Install A Deck Mount Kitchen Faucet Kitchen faucet installation is a fast, affordable way to freshen up your kitchen. This guide will unveil the 6 mounting types (including 2 main & others depending on faucet holes or types) and help you select the perfect fit for a smooth and stylish kitchen upgrade. Absolutely, you can install a deck mount faucet on your sink. If required, fit. How To Install A Deck Mount Kitchen Faucet.
From exopntobl.blob.core.windows.net
How To Install A New Moen Kitchen Faucet at Joshua Mederos blog How To Install A Deck Mount Kitchen Faucet This guide will unveil the 6 mounting types (including 2 main & others depending on faucet holes or types) and help you select the perfect fit for a smooth and stylish kitchen upgrade. There are two main mounting types for kitchen faucets: Absolutely, you can install a deck mount faucet on your sink. A deck mount faucet consists of several. How To Install A Deck Mount Kitchen Faucet.
From www.webstaurantstore.com
T&S B2862 Deck Mount Easy Install Faucet with 8" Centers, 12 1/2 How To Install A Deck Mount Kitchen Faucet A deck mount faucet consists of several essential components that work together to control the flow and temperature of water in your sink. If required, fit the spout. Absolutely, you can install a deck mount faucet on your sink. Kitchen faucet installation is a fast, affordable way to freshen up your kitchen. Deck mounting your faucet means that it will. How To Install A Deck Mount Kitchen Faucet.
From www.rockymountainhardware.com
Kitchen Deck Mount Faucet with Arched Spout Rocky Mountain Hardware How To Install A Deck Mount Kitchen Faucet Identify all components and check for completeness, particularly before arranging installation. Absolutely, you can install a deck mount faucet on your sink. And, if there are no holes, you'll need to install taps into the worktop behind the sink. Deck mounting your faucet means that it will sit. A deck mount faucet consists of several essential components that work together. How To Install A Deck Mount Kitchen Faucet.
From www.lowes.com
Peerless Chrome 2handle Deck Mount HighArc Kitchen Faucet at How To Install A Deck Mount Kitchen Faucet Kitchen faucet installation is a fast, affordable way to freshen up your kitchen. Deck mounting your faucet means that it will sit. You can install most kitchen faucets for around $100 and in less than an hour. There are two main mounting types for kitchen faucets: If required, fit the spout. And, if there are no holes, you'll need to. How To Install A Deck Mount Kitchen Faucet.
From www.webstaurantstore.com
T&S B2366 Vandal Resistant Easy Install Deck Mount Faucet with 8 How To Install A Deck Mount Kitchen Faucet Kitchen faucet installation is a fast, affordable way to freshen up your kitchen. This guide will unveil the 6 mounting types (including 2 main & others depending on faucet holes or types) and help you select the perfect fit for a smooth and stylish kitchen upgrade. Absolutely, you can install a deck mount faucet on your sink. Deck mounting your. How To Install A Deck Mount Kitchen Faucet.
From www.lowes.com
Project Source Chrome 1Handle Deck Mount PullDown Handle/Lever How To Install A Deck Mount Kitchen Faucet Identify all components and check for completeness, particularly before arranging installation. You can install most kitchen faucets for around $100 and in less than an hour. Absolutely, you can install a deck mount faucet on your sink. If required, fit the spout. And, if there are no holes, you'll need to install taps into the worktop behind the sink. There. How To Install A Deck Mount Kitchen Faucet.
From www.coppersinksonline.com
Kingston Brass Heritage Bridge Kitchen Faucet Copper Sinks Online How To Install A Deck Mount Kitchen Faucet And, if there are no holes, you'll need to install taps into the worktop behind the sink. A deck mount faucet consists of several essential components that work together to control the flow and temperature of water in your sink. Deck mounting your faucet means that it will sit. If required, fit the spout. Kitchen faucet installation is a fast,. How To Install A Deck Mount Kitchen Faucet.
From sweets.construction.com
Everyday Kitchen Deck Mount Faucet LK3000CR Elkay Sweets How To Install A Deck Mount Kitchen Faucet Kitchen faucet installation is a fast, affordable way to freshen up your kitchen. If required, fit the spout. There are two main mounting types for kitchen faucets: A deck mount faucet consists of several essential components that work together to control the flow and temperature of water in your sink. And, if there are no holes, you'll need to install. How To Install A Deck Mount Kitchen Faucet.
From ar.inspiredpencil.com
How To Install A Delta Kitchen Faucet How To Install A Deck Mount Kitchen Faucet Kitchen faucet installation is a fast, affordable way to freshen up your kitchen. There are two main mounting types for kitchen faucets: Identify all components and check for completeness, particularly before arranging installation. If required, fit the spout. A deck mount faucet consists of several essential components that work together to control the flow and temperature of water in your. How To Install A Deck Mount Kitchen Faucet.
From kitcheneminence.com
The Pros & Cons of Deckmount Kitchen Faucet KitchenEminence How To Install A Deck Mount Kitchen Faucet A deck mount faucet consists of several essential components that work together to control the flow and temperature of water in your sink. Absolutely, you can install a deck mount faucet on your sink. Kitchen faucet installation is a fast, affordable way to freshen up your kitchen. This guide will unveil the 6 mounting types (including 2 main & others. How To Install A Deck Mount Kitchen Faucet.
From www.pinterest.com
Upgrade your kitchen today with the Project Source two function pull How To Install A Deck Mount Kitchen Faucet Absolutely, you can install a deck mount faucet on your sink. You can install most kitchen faucets for around $100 and in less than an hour. A deck mount faucet consists of several essential components that work together to control the flow and temperature of water in your sink. Identify all components and check for completeness, particularly before arranging installation.. How To Install A Deck Mount Kitchen Faucet.
From deltafaucet.in
Ixa Jive Deck Mount Kitchen Faucet kitchen taps and sink faucets How To Install A Deck Mount Kitchen Faucet Kitchen faucet installation is a fast, affordable way to freshen up your kitchen. You can install most kitchen faucets for around $100 and in less than an hour. Identify all components and check for completeness, particularly before arranging installation. A deck mount faucet consists of several essential components that work together to control the flow and temperature of water in. How To Install A Deck Mount Kitchen Faucet.
From ar.inspiredpencil.com
Step By Step Kitchen Faucet Installation How To Install A Deck Mount Kitchen Faucet This guide will unveil the 6 mounting types (including 2 main & others depending on faucet holes or types) and help you select the perfect fit for a smooth and stylish kitchen upgrade. Deck mounting your faucet means that it will sit. Identify all components and check for completeness, particularly before arranging installation. There are two main mounting types for. How To Install A Deck Mount Kitchen Faucet.
From wiringfixlistens.z19.web.core.windows.net
Kitchen Sink Faucet Installation Guide How To Install A Deck Mount Kitchen Faucet Identify all components and check for completeness, particularly before arranging installation. And, if there are no holes, you'll need to install taps into the worktop behind the sink. Absolutely, you can install a deck mount faucet on your sink. There are two main mounting types for kitchen faucets: This guide will unveil the 6 mounting types (including 2 main &. How To Install A Deck Mount Kitchen Faucet.
From www.wayfair.com
Moen Banbury Single Handle Deck mounted Kitchen Faucet & Reviews Wayfair How To Install A Deck Mount Kitchen Faucet You can install most kitchen faucets for around $100 and in less than an hour. Kitchen faucet installation is a fast, affordable way to freshen up your kitchen. A deck mount faucet consists of several essential components that work together to control the flow and temperature of water in your sink. There are two main mounting types for kitchen faucets:. How To Install A Deck Mount Kitchen Faucet.
From www.lowes.com
Delta Classic Chrome 1Handle Deck Mount LowArc Kitchen Faucet at How To Install A Deck Mount Kitchen Faucet You can install most kitchen faucets for around $100 and in less than an hour. This guide will unveil the 6 mounting types (including 2 main & others depending on faucet holes or types) and help you select the perfect fit for a smooth and stylish kitchen upgrade. If required, fit the spout. A deck mount faucet consists of several. How To Install A Deck Mount Kitchen Faucet.
From shunshelter.com
Understanding The Meaning Of Deck Mounted Kitchen Faucets ShunShelter How To Install A Deck Mount Kitchen Faucet Deck mounting your faucet means that it will sit. Absolutely, you can install a deck mount faucet on your sink. Kitchen faucet installation is a fast, affordable way to freshen up your kitchen. You can install most kitchen faucets for around $100 and in less than an hour. This guide will unveil the 6 mounting types (including 2 main &. How To Install A Deck Mount Kitchen Faucet.
From thethriftyapartment.com
How to Install a Kitchen Sink Faucet Without a Plumber How To Install A Deck Mount Kitchen Faucet A deck mount faucet consists of several essential components that work together to control the flow and temperature of water in your sink. Kitchen faucet installation is a fast, affordable way to freshen up your kitchen. And, if there are no holes, you'll need to install taps into the worktop behind the sink. There are two main mounting types for. How To Install A Deck Mount Kitchen Faucet.
From kitcheneminence.com
The Pros & Cons of Deckmount Kitchen Faucet KitchenEminence How To Install A Deck Mount Kitchen Faucet If required, fit the spout. Kitchen faucet installation is a fast, affordable way to freshen up your kitchen. Deck mounting your faucet means that it will sit. You can install most kitchen faucets for around $100 and in less than an hour. Absolutely, you can install a deck mount faucet on your sink. And, if there are no holes, you'll. How To Install A Deck Mount Kitchen Faucet.
From ipipeline.net
Single Hole Deck Mount Kitchen Faucet Things In The Kitchen How To Install A Deck Mount Kitchen Faucet Identify all components and check for completeness, particularly before arranging installation. Kitchen faucet installation is a fast, affordable way to freshen up your kitchen. If required, fit the spout. There are two main mounting types for kitchen faucets: Deck mounting your faucet means that it will sit. Absolutely, you can install a deck mount faucet on your sink. This guide. How To Install A Deck Mount Kitchen Faucet.
From joivuawbn.blob.core.windows.net
Installing A Kitchen Faucet With Pull Out Sprayer at Athena Shelton blog How To Install A Deck Mount Kitchen Faucet There are two main mounting types for kitchen faucets: If required, fit the spout. A deck mount faucet consists of several essential components that work together to control the flow and temperature of water in your sink. You can install most kitchen faucets for around $100 and in less than an hour. Deck mounting your faucet means that it will. How To Install A Deck Mount Kitchen Faucet.
From homeappropriate.com
How to Install Deck Mount Faucet on a Freestanding Tub? How To Install A Deck Mount Kitchen Faucet There are two main mounting types for kitchen faucets: Deck mounting your faucet means that it will sit. This guide will unveil the 6 mounting types (including 2 main & others depending on faucet holes or types) and help you select the perfect fit for a smooth and stylish kitchen upgrade. Kitchen faucet installation is a fast, affordable way to. How To Install A Deck Mount Kitchen Faucet.
From exoyfkeyw.blob.core.windows.net
Install Faucet Hose at John Carman blog How To Install A Deck Mount Kitchen Faucet Identify all components and check for completeness, particularly before arranging installation. If required, fit the spout. There are two main mounting types for kitchen faucets: Deck mounting your faucet means that it will sit. Kitchen faucet installation is a fast, affordable way to freshen up your kitchen. Absolutely, you can install a deck mount faucet on your sink. And, if. How To Install A Deck Mount Kitchen Faucet.