Voltage Gain Equation . vo = avi = a ( vp −vn) (1.3) which indicates that the output voltage vo is a function of the difference between the input voltages vp. We begin with the basic definition of voltage gain and then expand using ohm's law. learn how to calculate the voltage gain of an amplifier using the formula a v = v o u t p u t v i n p u t. An equation for the voltage gain, \(a_v\), is developed as follows. enter the initial voltage of 2 v and the final voltage of 400 v into the appropriate fields of the db gain calculator. See examples of voltage amplifiers and how they magnify signals in a circuit. () 21 11 oc out m vo in in v. The derivation for the emitter follower's voltage gain equation is similar to that shown for the common emitter amplifier. Check the value of voltage gain in. First, we start with the fundamental definition, namely that voltage gain is the ratio of \(v_{out}\) to \(v_{in}\), and proceed by expressing these voltages in terms of their ohm's law equivalents.
from www.slideserve.com
Check the value of voltage gain in. See examples of voltage amplifiers and how they magnify signals in a circuit. learn how to calculate the voltage gain of an amplifier using the formula a v = v o u t p u t v i n p u t. () 21 11 oc out m vo in in v. We begin with the basic definition of voltage gain and then expand using ohm's law. The derivation for the emitter follower's voltage gain equation is similar to that shown for the common emitter amplifier. First, we start with the fundamental definition, namely that voltage gain is the ratio of \(v_{out}\) to \(v_{in}\), and proceed by expressing these voltages in terms of their ohm's law equivalents. vo = avi = a ( vp −vn) (1.3) which indicates that the output voltage vo is a function of the difference between the input voltages vp. An equation for the voltage gain, \(a_v\), is developed as follows. enter the initial voltage of 2 v and the final voltage of 400 v into the appropriate fields of the db gain calculator.
PPT Chapter 12 FieldEffect Transistors PowerPoint Presentation, free download ID6744324
Voltage Gain Equation See examples of voltage amplifiers and how they magnify signals in a circuit. The derivation for the emitter follower's voltage gain equation is similar to that shown for the common emitter amplifier. An equation for the voltage gain, \(a_v\), is developed as follows. vo = avi = a ( vp −vn) (1.3) which indicates that the output voltage vo is a function of the difference between the input voltages vp. See examples of voltage amplifiers and how they magnify signals in a circuit. We begin with the basic definition of voltage gain and then expand using ohm's law. learn how to calculate the voltage gain of an amplifier using the formula a v = v o u t p u t v i n p u t. enter the initial voltage of 2 v and the final voltage of 400 v into the appropriate fields of the db gain calculator. () 21 11 oc out m vo in in v. Check the value of voltage gain in. First, we start with the fundamental definition, namely that voltage gain is the ratio of \(v_{out}\) to \(v_{in}\), and proceed by expressing these voltages in terms of their ohm's law equivalents.
From www.reddit.com
Help needed for Voltage Gain Calculation r/EngineeringStudents Voltage Gain Equation An equation for the voltage gain, \(a_v\), is developed as follows. The derivation for the emitter follower's voltage gain equation is similar to that shown for the common emitter amplifier. learn how to calculate the voltage gain of an amplifier using the formula a v = v o u t p u t v i n p u t.. Voltage Gain Equation.
From www.chegg.com
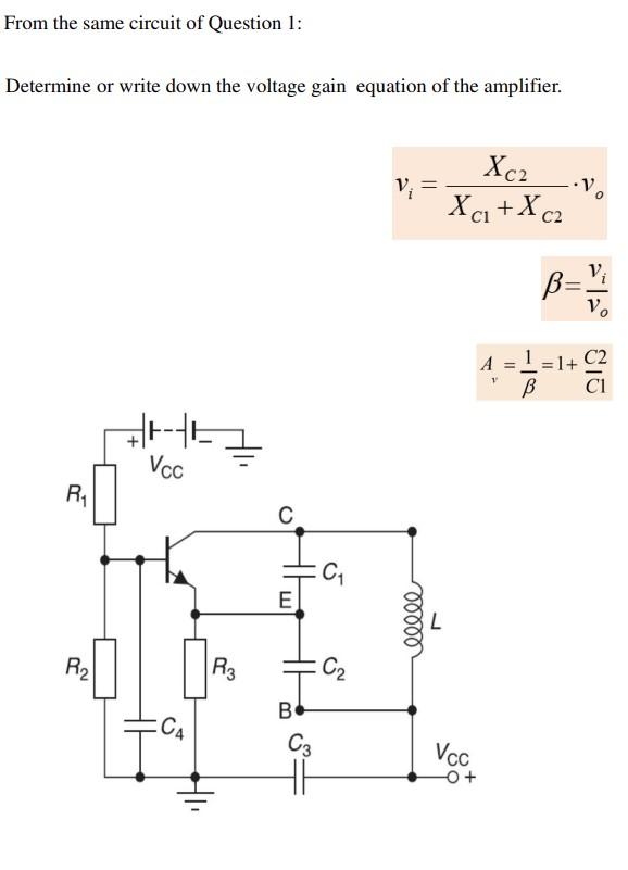
From the same circuit of Question 1 Determine or Voltage Gain Equation vo = avi = a ( vp −vn) (1.3) which indicates that the output voltage vo is a function of the difference between the input voltages vp. learn how to calculate the voltage gain of an amplifier using the formula a v = v o u t p u t v i n p u t. enter. Voltage Gain Equation.
From www.chegg.com
Solved The question is to find the voltage gain equation for Voltage Gain Equation See examples of voltage amplifiers and how they magnify signals in a circuit. () 21 11 oc out m vo in in v. enter the initial voltage of 2 v and the final voltage of 400 v into the appropriate fields of the db gain calculator. learn how to calculate the voltage gain of an amplifier using the. Voltage Gain Equation.
From www.technocrazed.com
voltagegainequation TechnoCrazed Voltage Gain Equation See examples of voltage amplifiers and how they magnify signals in a circuit. learn how to calculate the voltage gain of an amplifier using the formula a v = v o u t p u t v i n p u t. An equation for the voltage gain, \(a_v\), is developed as follows. We begin with the basic definition. Voltage Gain Equation.
From www.youtube.com
Voltage Follower Part 1 YouTube Voltage Gain Equation We begin with the basic definition of voltage gain and then expand using ohm's law. Check the value of voltage gain in. vo = avi = a ( vp −vn) (1.3) which indicates that the output voltage vo is a function of the difference between the input voltages vp. An equation for the voltage gain, \(a_v\), is developed as. Voltage Gain Equation.
From www.chegg.com
Solved Hi, can you help me find the actual voltage gain if Voltage Gain Equation See examples of voltage amplifiers and how they magnify signals in a circuit. An equation for the voltage gain, \(a_v\), is developed as follows. vo = avi = a ( vp −vn) (1.3) which indicates that the output voltage vo is a function of the difference between the input voltages vp. First, we start with the fundamental definition, namely. Voltage Gain Equation.
From itecnotes.com
Electrical Calculating voltage gain for AC analysis Valuable Tech Notes Voltage Gain Equation An equation for the voltage gain, \(a_v\), is developed as follows. vo = avi = a ( vp −vn) (1.3) which indicates that the output voltage vo is a function of the difference between the input voltages vp. We begin with the basic definition of voltage gain and then expand using ohm's law. The derivation for the emitter follower's. Voltage Gain Equation.
From www.youtube.com
How To Calculate The Voltage Gain of a Transistor Amplifier YouTube Voltage Gain Equation () 21 11 oc out m vo in in v. vo = avi = a ( vp −vn) (1.3) which indicates that the output voltage vo is a function of the difference between the input voltages vp. Check the value of voltage gain in. The derivation for the emitter follower's voltage gain equation is similar to that shown for. Voltage Gain Equation.
From www.allaboutcircuits.com
Amplifier Gain Amplifiers and Active Devices Electronics Textbook Voltage Gain Equation First, we start with the fundamental definition, namely that voltage gain is the ratio of \(v_{out}\) to \(v_{in}\), and proceed by expressing these voltages in terms of their ohm's law equivalents. vo = avi = a ( vp −vn) (1.3) which indicates that the output voltage vo is a function of the difference between the input voltages vp. See. Voltage Gain Equation.
From www.chegg.com
Solved Find the voltage gain equation of the first stage Voltage Gain Equation An equation for the voltage gain, \(a_v\), is developed as follows. Check the value of voltage gain in. See examples of voltage amplifiers and how they magnify signals in a circuit. learn how to calculate the voltage gain of an amplifier using the formula a v = v o u t p u t v i n p u. Voltage Gain Equation.
From www.slideserve.com
PPT Chapter 12 FieldEffect Transistors PowerPoint Presentation, free download ID6744324 Voltage Gain Equation First, we start with the fundamental definition, namely that voltage gain is the ratio of \(v_{out}\) to \(v_{in}\), and proceed by expressing these voltages in terms of their ohm's law equivalents. We begin with the basic definition of voltage gain and then expand using ohm's law. enter the initial voltage of 2 v and the final voltage of 400. Voltage Gain Equation.
From www.youtube.com
Open Loop Voltage Gain As A Function Of Frequency(हिन्दी YouTube Voltage Gain Equation The derivation for the emitter follower's voltage gain equation is similar to that shown for the common emitter amplifier. enter the initial voltage of 2 v and the final voltage of 400 v into the appropriate fields of the db gain calculator. We begin with the basic definition of voltage gain and then expand using ohm's law. Check the. Voltage Gain Equation.
From www.toppr.com
Draw a simple circuit of a CE transistor amplifier. Explain its working. Show that the voltage Voltage Gain Equation See examples of voltage amplifiers and how they magnify signals in a circuit. We begin with the basic definition of voltage gain and then expand using ohm's law. First, we start with the fundamental definition, namely that voltage gain is the ratio of \(v_{out}\) to \(v_{in}\), and proceed by expressing these voltages in terms of their ohm's law equivalents. Check. Voltage Gain Equation.
From www.chegg.com
Solved Derive the voltage gain equation for a 1) Boost Voltage Gain Equation First, we start with the fundamental definition, namely that voltage gain is the ratio of \(v_{out}\) to \(v_{in}\), and proceed by expressing these voltages in terms of their ohm's law equivalents. See examples of voltage amplifiers and how they magnify signals in a circuit. Check the value of voltage gain in. enter the initial voltage of 2 v and. Voltage Gain Equation.
From www.numerade.com
What is the range of the voltagegain adjustment in the circuit of Fig. 63 ? Numerade Voltage Gain Equation The derivation for the emitter follower's voltage gain equation is similar to that shown for the common emitter amplifier. () 21 11 oc out m vo in in v. Check the value of voltage gain in. An equation for the voltage gain, \(a_v\), is developed as follows. vo = avi = a ( vp −vn) (1.3) which indicates that. Voltage Gain Equation.
From www.researchgate.net
Equivalent circuit for calculation of the voltage gain Download Scientific Diagram Voltage Gain Equation First, we start with the fundamental definition, namely that voltage gain is the ratio of \(v_{out}\) to \(v_{in}\), and proceed by expressing these voltages in terms of their ohm's law equivalents. () 21 11 oc out m vo in in v. We begin with the basic definition of voltage gain and then expand using ohm's law. See examples of voltage. Voltage Gain Equation.
From electronics.stackexchange.com
circuit analysis voltage gain and current gain in a common emitter Electrical Engineering Voltage Gain Equation First, we start with the fundamental definition, namely that voltage gain is the ratio of \(v_{out}\) to \(v_{in}\), and proceed by expressing these voltages in terms of their ohm's law equivalents. See examples of voltage amplifiers and how they magnify signals in a circuit. We begin with the basic definition of voltage gain and then expand using ohm's law. . Voltage Gain Equation.
From in.element14.com
OpAmp Voltage and Gain Calculator element14 India Voltage Gain Equation Check the value of voltage gain in. enter the initial voltage of 2 v and the final voltage of 400 v into the appropriate fields of the db gain calculator. We begin with the basic definition of voltage gain and then expand using ohm's law. An equation for the voltage gain, \(a_v\), is developed as follows. () 21 11. Voltage Gain Equation.
From www.chegg.com
Solved Derive the overall voltage gain equation for the CS Voltage Gain Equation Check the value of voltage gain in. We begin with the basic definition of voltage gain and then expand using ohm's law. vo = avi = a ( vp −vn) (1.3) which indicates that the output voltage vo is a function of the difference between the input voltages vp. learn how to calculate the voltage gain of an. Voltage Gain Equation.
From www.chegg.com
Solved Derive the voltagegain equation given for the Voltage Gain Equation See examples of voltage amplifiers and how they magnify signals in a circuit. Check the value of voltage gain in. The derivation for the emitter follower's voltage gain equation is similar to that shown for the common emitter amplifier. enter the initial voltage of 2 v and the final voltage of 400 v into the appropriate fields of the. Voltage Gain Equation.
From www.youtube.com
Overall Voltage Gain Avs h model of BJT YouTube Voltage Gain Equation Check the value of voltage gain in. We begin with the basic definition of voltage gain and then expand using ohm's law. enter the initial voltage of 2 v and the final voltage of 400 v into the appropriate fields of the db gain calculator. First, we start with the fundamental definition, namely that voltage gain is the ratio. Voltage Gain Equation.
From www.reddit.com
Show that the voltage gain under the ideal op amp assumption is given by the following equation Voltage Gain Equation See examples of voltage amplifiers and how they magnify signals in a circuit. enter the initial voltage of 2 v and the final voltage of 400 v into the appropriate fields of the db gain calculator. () 21 11 oc out m vo in in v. learn how to calculate the voltage gain of an amplifier using the. Voltage Gain Equation.
From www.youtube.com
Op amp circuits Example 4 Voltage Follower or Buffer Amplifier YouTube Voltage Gain Equation An equation for the voltage gain, \(a_v\), is developed as follows. See examples of voltage amplifiers and how they magnify signals in a circuit. () 21 11 oc out m vo in in v. The derivation for the emitter follower's voltage gain equation is similar to that shown for the common emitter amplifier. Check the value of voltage gain in.. Voltage Gain Equation.
From electronics.stackexchange.com
Voltage gain of an Emitter Follower Electrical Engineering Stack Exchange Voltage Gain Equation The derivation for the emitter follower's voltage gain equation is similar to that shown for the common emitter amplifier. vo = avi = a ( vp −vn) (1.3) which indicates that the output voltage vo is a function of the difference between the input voltages vp. () 21 11 oc out m vo in in v. Check the value. Voltage Gain Equation.
From slidetodoc.com
Chapter 8 BJT SmallSignal Analysis Slide 1 BJT Voltage Gain Equation An equation for the voltage gain, \(a_v\), is developed as follows. () 21 11 oc out m vo in in v. enter the initial voltage of 2 v and the final voltage of 400 v into the appropriate fields of the db gain calculator. Check the value of voltage gain in. learn how to calculate the voltage gain. Voltage Gain Equation.
From byjus.com
The power gain of a common emitter amplifier of voltage gain 50 and input impedance 100 ohm is Voltage Gain Equation () 21 11 oc out m vo in in v. An equation for the voltage gain, \(a_v\), is developed as follows. learn how to calculate the voltage gain of an amplifier using the formula a v = v o u t p u t v i n p u t. The derivation for the emitter follower's voltage gain equation. Voltage Gain Equation.
From www.chegg.com
Solved Shows a high pass filter network. The voltage Gain is Voltage Gain Equation vo = avi = a ( vp −vn) (1.3) which indicates that the output voltage vo is a function of the difference between the input voltages vp. First, we start with the fundamental definition, namely that voltage gain is the ratio of \(v_{out}\) to \(v_{in}\), and proceed by expressing these voltages in terms of their ohm's law equivalents. An. Voltage Gain Equation.
From www.electricalengineering.xyz
Amplifier Gain Formula, Introduction, and DC vs AC Gains Voltage Gain Equation () 21 11 oc out m vo in in v. The derivation for the emitter follower's voltage gain equation is similar to that shown for the common emitter amplifier. See examples of voltage amplifiers and how they magnify signals in a circuit. Check the value of voltage gain in. An equation for the voltage gain, \(a_v\), is developed as follows.. Voltage Gain Equation.
From www.chegg.com
Solved = Derive the voltagegain equation given here for the Voltage Gain Equation enter the initial voltage of 2 v and the final voltage of 400 v into the appropriate fields of the db gain calculator. learn how to calculate the voltage gain of an amplifier using the formula a v = v o u t p u t v i n p u t. () 21 11 oc out m. Voltage Gain Equation.
From www.chegg.com
Solved Derive the voltagegain equation given here for the Voltage Gain Equation The derivation for the emitter follower's voltage gain equation is similar to that shown for the common emitter amplifier. learn how to calculate the voltage gain of an amplifier using the formula a v = v o u t p u t v i n p u t. An equation for the voltage gain, \(a_v\), is developed as follows.. Voltage Gain Equation.
From www.youtube.com
Opamps 4 Unity Gain Amplifier Voltage Gain Derivation YouTube Voltage Gain Equation First, we start with the fundamental definition, namely that voltage gain is the ratio of \(v_{out}\) to \(v_{in}\), and proceed by expressing these voltages in terms of their ohm's law equivalents. The derivation for the emitter follower's voltage gain equation is similar to that shown for the common emitter amplifier. We begin with the basic definition of voltage gain and. Voltage Gain Equation.
From www.youtube.com
Derivation of NonInverting OpAmp, Closed loop gain, Input Impedance, Output Impedance In Voltage Gain Equation vo = avi = a ( vp −vn) (1.3) which indicates that the output voltage vo is a function of the difference between the input voltages vp. () 21 11 oc out m vo in in v. Check the value of voltage gain in. We begin with the basic definition of voltage gain and then expand using ohm's law.. Voltage Gain Equation.
From www.youtube.com
OpAmps 2 Inverting Amp Voltage Gain Derivation YouTube Voltage Gain Equation learn how to calculate the voltage gain of an amplifier using the formula a v = v o u t p u t v i n p u t. An equation for the voltage gain, \(a_v\), is developed as follows. Check the value of voltage gain in. () 21 11 oc out m vo in in v. We begin. Voltage Gain Equation.
From www.youtube.com
GATE 1994 ECE Mid band voltage gain of FET Amplifier YouTube Voltage Gain Equation First, we start with the fundamental definition, namely that voltage gain is the ratio of \(v_{out}\) to \(v_{in}\), and proceed by expressing these voltages in terms of their ohm's law equivalents. See examples of voltage amplifiers and how they magnify signals in a circuit. () 21 11 oc out m vo in in v. vo = avi = a. Voltage Gain Equation.
From forum.allaboutcircuits.com
Calculating midband voltage gain of multistage BJT All About Circuits Voltage Gain Equation learn how to calculate the voltage gain of an amplifier using the formula a v = v o u t p u t v i n p u t. vo = avi = a ( vp −vn) (1.3) which indicates that the output voltage vo is a function of the difference between the input voltages vp. We begin. Voltage Gain Equation.