Top Ten Devices Band Aid Decoder . Top ten devices band aide automatic band decoder connects directly to your transceiver to provide automatic selection of band specific. The decoder i used to test the software was the original top ten devices band decoder. The new band aide decoder should work as well. I use the top ten band decoder to switch the filter bank of my sg 500 hf solid state mobile amplifier. The decoder converts the band. Two sets of five relay outputs activated by the front panel rotary switch, providing selection of up to five different. Is anyone using a top ten devices band decoder with a k3? I want to use my yaesu band decoder with a new k3, and top ten devices sells a. Steve kerns, n3fti designed a vhflog lpt. Automatic band decoder, six way antenna relay, band reject coaxial stubs and more.
from www.dxengineering.com
The decoder i used to test the software was the original top ten devices band decoder. Two sets of five relay outputs activated by the front panel rotary switch, providing selection of up to five different. I use the top ten band decoder to switch the filter bank of my sg 500 hf solid state mobile amplifier. Is anyone using a top ten devices band decoder with a k3? The decoder converts the band. Top ten devices band aide automatic band decoder connects directly to your transceiver to provide automatic selection of band specific. Automatic band decoder, six way antenna relay, band reject coaxial stubs and more. I want to use my yaesu band decoder with a new k3, and top ten devices sells a. The new band aide decoder should work as well. Steve kerns, n3fti designed a vhflog lpt.
Top Ten Devices BANDDECODER Top Ten Devices Band Aide Automatic Band
Top Ten Devices Band Aid Decoder Automatic band decoder, six way antenna relay, band reject coaxial stubs and more. Is anyone using a top ten devices band decoder with a k3? I use the top ten band decoder to switch the filter bank of my sg 500 hf solid state mobile amplifier. Automatic band decoder, six way antenna relay, band reject coaxial stubs and more. Steve kerns, n3fti designed a vhflog lpt. Two sets of five relay outputs activated by the front panel rotary switch, providing selection of up to five different. The new band aide decoder should work as well. I want to use my yaesu band decoder with a new k3, and top ten devices sells a. Top ten devices band aide automatic band decoder connects directly to your transceiver to provide automatic selection of band specific. The decoder converts the band. The decoder i used to test the software was the original top ten devices band decoder.
From www.dxzone.com
Automatic Band Decoder Resource Detail Top Ten Devices Band Aid Decoder Two sets of five relay outputs activated by the front panel rotary switch, providing selection of up to five different. The decoder converts the band. The decoder i used to test the software was the original top ten devices band decoder. Automatic band decoder, six way antenna relay, band reject coaxial stubs and more. Steve kerns, n3fti designed a vhflog. Top Ten Devices Band Aid Decoder.
From www.youtube.com
Demonstration of Band Decoder DNB10 YouTube Top Ten Devices Band Aid Decoder I want to use my yaesu band decoder with a new k3, and top ten devices sells a. The decoder i used to test the software was the original top ten devices band decoder. Is anyone using a top ten devices band decoder with a k3? I use the top ten band decoder to switch the filter bank of my. Top Ten Devices Band Aid Decoder.
From dn-radio.com
Universal Band Decoder DNAUTO Top Ten Devices Band Aid Decoder I want to use my yaesu band decoder with a new k3, and top ten devices sells a. Steve kerns, n3fti designed a vhflog lpt. Top ten devices band aide automatic band decoder connects directly to your transceiver to provide automatic selection of band specific. The decoder converts the band. Two sets of five relay outputs activated by the front. Top Ten Devices Band Aid Decoder.
From www.youtube.com
Band decoder with TCP/IP output YouTube Top Ten Devices Band Aid Decoder Is anyone using a top ten devices band decoder with a k3? Automatic band decoder, six way antenna relay, band reject coaxial stubs and more. I use the top ten band decoder to switch the filter bank of my sg 500 hf solid state mobile amplifier. The decoder i used to test the software was the original top ten devices. Top Ten Devices Band Aid Decoder.
From www.dxzone.com
Top Ten Devices Resource Detail Top Ten Devices Band Aid Decoder Is anyone using a top ten devices band decoder with a k3? Steve kerns, n3fti designed a vhflog lpt. Top ten devices band aide automatic band decoder connects directly to your transceiver to provide automatic selection of band specific. Automatic band decoder, six way antenna relay, band reject coaxial stubs and more. The new band aide decoder should work as. Top Ten Devices Band Aid Decoder.
From dn-radio.com
Automatic Band Decoder/Sequencer DNB10 Top Ten Devices Band Aid Decoder I want to use my yaesu band decoder with a new k3, and top ten devices sells a. Automatic band decoder, six way antenna relay, band reject coaxial stubs and more. The new band aide decoder should work as well. Two sets of five relay outputs activated by the front panel rotary switch, providing selection of up to five different.. Top Ten Devices Band Aid Decoder.
From www.smilemakers.com
BANDAID® Elemental Bandages Top Ten Devices Band Aid Decoder The decoder i used to test the software was the original top ten devices band decoder. I use the top ten band decoder to switch the filter bank of my sg 500 hf solid state mobile amplifier. The new band aide decoder should work as well. Is anyone using a top ten devices band decoder with a k3? Top ten. Top Ten Devices Band Aid Decoder.
From www.qsl.net
Band Decoder Top Ten Devices Band Aid Decoder Automatic band decoder, six way antenna relay, band reject coaxial stubs and more. The new band aide decoder should work as well. I use the top ten band decoder to switch the filter bank of my sg 500 hf solid state mobile amplifier. The decoder converts the band. The decoder i used to test the software was the original top. Top Ten Devices Band Aid Decoder.
From dn-radio.com
Universal Band Decoder DNAUTO Top Ten Devices Band Aid Decoder The new band aide decoder should work as well. Automatic band decoder, six way antenna relay, band reject coaxial stubs and more. Steve kerns, n3fti designed a vhflog lpt. The decoder i used to test the software was the original top ten devices band decoder. Is anyone using a top ten devices band decoder with a k3? I want to. Top Ten Devices Band Aid Decoder.
From www.dxengineering.com
Top Ten Devices BANDDECODER Top Ten Devices Band Aide Automatic Band Top Ten Devices Band Aid Decoder The decoder i used to test the software was the original top ten devices band decoder. Is anyone using a top ten devices band decoder with a k3? The decoder converts the band. Two sets of five relay outputs activated by the front panel rotary switch, providing selection of up to five different. Steve kerns, n3fti designed a vhflog lpt.. Top Ten Devices Band Aid Decoder.
From www.youtube.com
Band Decoder for Arduino CIV + out to Kenwood CAT YouTube Top Ten Devices Band Aid Decoder Two sets of five relay outputs activated by the front panel rotary switch, providing selection of up to five different. The decoder converts the band. Steve kerns, n3fti designed a vhflog lpt. I use the top ten band decoder to switch the filter bank of my sg 500 hf solid state mobile amplifier. Is anyone using a top ten devices. Top Ten Devices Band Aid Decoder.
From dn-radio.com
Automatic Band Decoder/Sequencer DNB10 Top Ten Devices Band Aid Decoder Two sets of five relay outputs activated by the front panel rotary switch, providing selection of up to five different. I want to use my yaesu band decoder with a new k3, and top ten devices sells a. Is anyone using a top ten devices band decoder with a k3? I use the top ten band decoder to switch the. Top Ten Devices Band Aid Decoder.
From www.60dbm.com
RF sampling Automatic Band Decoder 0.180 MHz Online Store Top Ten Devices Band Aid Decoder I use the top ten band decoder to switch the filter bank of my sg 500 hf solid state mobile amplifier. The decoder i used to test the software was the original top ten devices band decoder. Two sets of five relay outputs activated by the front panel rotary switch, providing selection of up to five different. I want to. Top Ten Devices Band Aid Decoder.
From www.dh8bqa.de
Band decoder Mk2 by DH8BQA Top Ten Devices Band Aid Decoder I want to use my yaesu band decoder with a new k3, and top ten devices sells a. Automatic band decoder, six way antenna relay, band reject coaxial stubs and more. Two sets of five relay outputs activated by the front panel rotary switch, providing selection of up to five different. Steve kerns, n3fti designed a vhflog lpt. The decoder. Top Ten Devices Band Aid Decoder.
From studylib.net
Outline of the new decoder manual Top Ten Devices Band Aid Decoder The new band aide decoder should work as well. Steve kerns, n3fti designed a vhflog lpt. Automatic band decoder, six way antenna relay, band reject coaxial stubs and more. Is anyone using a top ten devices band decoder with a k3? The decoder i used to test the software was the original top ten devices band decoder. Top ten devices. Top Ten Devices Band Aid Decoder.
From ra0sms.shop
CIV Band Decoder (10 outputs) RA0SMS Shop Top Ten Devices Band Aid Decoder Top ten devices band aide automatic band decoder connects directly to your transceiver to provide automatic selection of band specific. Steve kerns, n3fti designed a vhflog lpt. I want to use my yaesu band decoder with a new k3, and top ten devices sells a. Two sets of five relay outputs activated by the front panel rotary switch, providing selection. Top Ten Devices Band Aid Decoder.
From www.dxengineering.com
Top Ten Devices BANDDECODER Top Ten Devices Band Aide Automatic Band Top Ten Devices Band Aid Decoder Is anyone using a top ten devices band decoder with a k3? The decoder converts the band. I want to use my yaesu band decoder with a new k3, and top ten devices sells a. The new band aide decoder should work as well. Top ten devices band aide automatic band decoder connects directly to your transceiver to provide automatic. Top Ten Devices Band Aid Decoder.
From remoteqth.com
RemoteQTH Band decoder with another TRX control output for Arduino Top Ten Devices Band Aid Decoder Top ten devices band aide automatic band decoder connects directly to your transceiver to provide automatic selection of band specific. Steve kerns, n3fti designed a vhflog lpt. The decoder converts the band. The decoder i used to test the software was the original top ten devices band decoder. I want to use my yaesu band decoder with a new k3,. Top Ten Devices Band Aid Decoder.
From www.youtube.com
Demonstration of Band Decoder/Sequencer DNB10 YouTube Top Ten Devices Band Aid Decoder The new band aide decoder should work as well. I want to use my yaesu band decoder with a new k3, and top ten devices sells a. The decoder converts the band. Two sets of five relay outputs activated by the front panel rotary switch, providing selection of up to five different. Is anyone using a top ten devices band. Top Ten Devices Band Aid Decoder.
From www.60dbm.com
RF sampling Automatic Band Decoder 0.180 MHz Online Store Top Ten Devices Band Aid Decoder I use the top ten band decoder to switch the filter bank of my sg 500 hf solid state mobile amplifier. The decoder i used to test the software was the original top ten devices band decoder. Is anyone using a top ten devices band decoder with a k3? The decoder converts the band. Steve kerns, n3fti designed a vhflog. Top Ten Devices Band Aid Decoder.
From sq8ers.pl
Band decoder SQ8ERS Top Ten Devices Band Aid Decoder Is anyone using a top ten devices band decoder with a k3? Top ten devices band aide automatic band decoder connects directly to your transceiver to provide automatic selection of band specific. Automatic band decoder, six way antenna relay, band reject coaxial stubs and more. The decoder converts the band. I use the top ten band decoder to switch the. Top Ten Devices Band Aid Decoder.
From www.dxengineering.com
Top Ten Devices BANDDECODER Top Ten Devices Band Aide Automatic Band Top Ten Devices Band Aid Decoder The decoder i used to test the software was the original top ten devices band decoder. I want to use my yaesu band decoder with a new k3, and top ten devices sells a. Automatic band decoder, six way antenna relay, band reject coaxial stubs and more. The decoder converts the band. I use the top ten band decoder to. Top Ten Devices Band Aid Decoder.
From remoteqth.com
RemoteQTH Band decoder with another TRX control output for Arduino Top Ten Devices Band Aid Decoder Is anyone using a top ten devices band decoder with a k3? Two sets of five relay outputs activated by the front panel rotary switch, providing selection of up to five different. I use the top ten band decoder to switch the filter bank of my sg 500 hf solid state mobile amplifier. The new band aide decoder should work. Top Ten Devices Band Aid Decoder.
From www.dh8bqa.de
Band decoder Mk2 by DH8BQA Top Ten Devices Band Aid Decoder The new band aide decoder should work as well. I want to use my yaesu band decoder with a new k3, and top ten devices sells a. Two sets of five relay outputs activated by the front panel rotary switch, providing selection of up to five different. Automatic band decoder, six way antenna relay, band reject coaxial stubs and more.. Top Ten Devices Band Aid Decoder.
From www.youtube.com
Band decoder for Arduino YAESU BCD YouTube Top Ten Devices Band Aid Decoder Automatic band decoder, six way antenna relay, band reject coaxial stubs and more. I use the top ten band decoder to switch the filter bank of my sg 500 hf solid state mobile amplifier. Top ten devices band aide automatic band decoder connects directly to your transceiver to provide automatic selection of band specific. I want to use my yaesu. Top Ten Devices Band Aid Decoder.
From www.ra0sms.ru
Ham radio and SWL Universal Band Decoder (Kenwood protocol) Top Ten Devices Band Aid Decoder Two sets of five relay outputs activated by the front panel rotary switch, providing selection of up to five different. Steve kerns, n3fti designed a vhflog lpt. The new band aide decoder should work as well. I want to use my yaesu band decoder with a new k3, and top ten devices sells a. Is anyone using a top ten. Top Ten Devices Band Aid Decoder.
From dn-radio.com
Universal Band Decoder DNAUTO Top Ten Devices Band Aid Decoder The decoder i used to test the software was the original top ten devices band decoder. Steve kerns, n3fti designed a vhflog lpt. The new band aide decoder should work as well. I use the top ten band decoder to switch the filter bank of my sg 500 hf solid state mobile amplifier. I want to use my yaesu band. Top Ten Devices Band Aid Decoder.
From community.flexradio.com
Driving a Top Ten band decoder from the 6600M USB — FlexRadio Community Top Ten Devices Band Aid Decoder Top ten devices band aide automatic band decoder connects directly to your transceiver to provide automatic selection of band specific. I use the top ten band decoder to switch the filter bank of my sg 500 hf solid state mobile amplifier. The decoder i used to test the software was the original top ten devices band decoder. Two sets of. Top Ten Devices Band Aid Decoder.
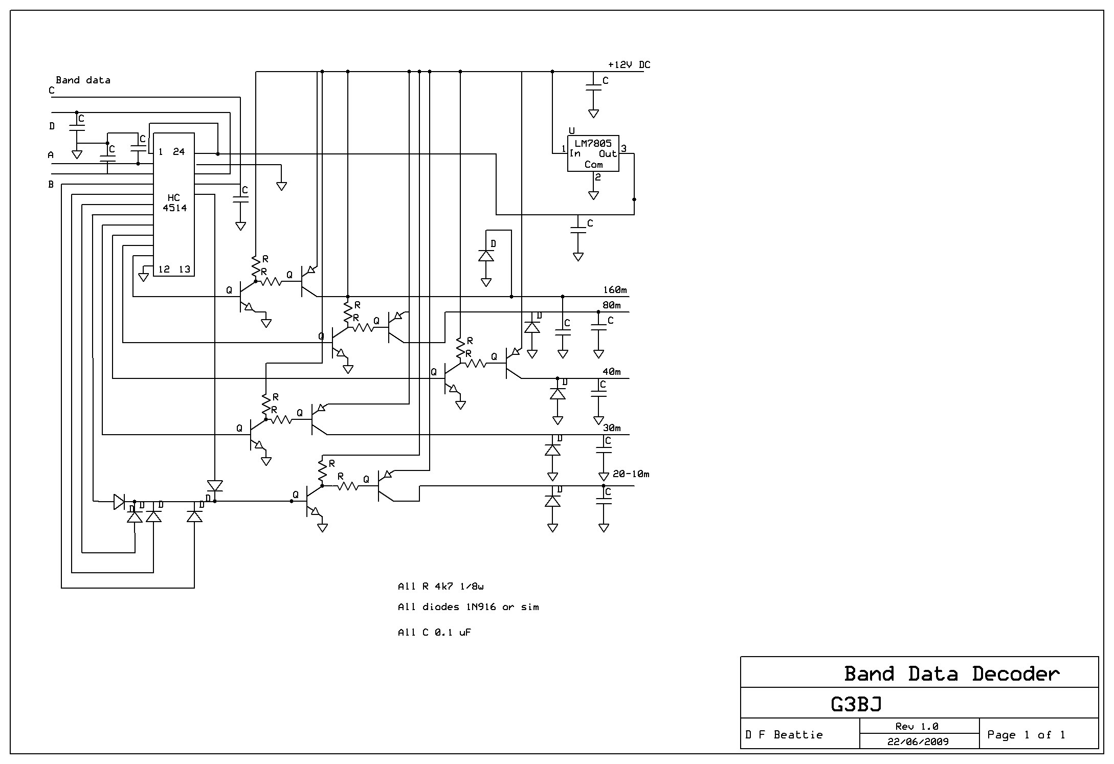
From www.g3bj.com
Band decoder Amateur Radio Station G3BJ Top Ten Devices Band Aid Decoder Top ten devices band aide automatic band decoder connects directly to your transceiver to provide automatic selection of band specific. I want to use my yaesu band decoder with a new k3, and top ten devices sells a. Steve kerns, n3fti designed a vhflog lpt. The decoder converts the band. Automatic band decoder, six way antenna relay, band reject coaxial. Top Ten Devices Band Aid Decoder.
From www.on5mf.be
band decoder ON5MFOQ6A Top Ten Devices Band Aid Decoder The decoder i used to test the software was the original top ten devices band decoder. Steve kerns, n3fti designed a vhflog lpt. Two sets of five relay outputs activated by the front panel rotary switch, providing selection of up to five different. Is anyone using a top ten devices band decoder with a k3? I use the top ten. Top Ten Devices Band Aid Decoder.
From www.dxworld-e.com
BAND DECODERS Dxworlde Top Ten Devices Band Aid Decoder Automatic band decoder, six way antenna relay, band reject coaxial stubs and more. Top ten devices band aide automatic band decoder connects directly to your transceiver to provide automatic selection of band specific. Steve kerns, n3fti designed a vhflog lpt. Two sets of five relay outputs activated by the front panel rotary switch, providing selection of up to five different.. Top Ten Devices Band Aid Decoder.
From remoteqth.com
RemoteQTH Band decoder with another TRX control output for Arduino Top Ten Devices Band Aid Decoder Top ten devices band aide automatic band decoder connects directly to your transceiver to provide automatic selection of band specific. The new band aide decoder should work as well. Automatic band decoder, six way antenna relay, band reject coaxial stubs and more. Is anyone using a top ten devices band decoder with a k3? The decoder i used to test. Top Ten Devices Band Aid Decoder.
From www.ra0sms.ru
Ham radio and SWL Automatic Band Decoder Top Ten Devices Band Aid Decoder Steve kerns, n3fti designed a vhflog lpt. Automatic band decoder, six way antenna relay, band reject coaxial stubs and more. Two sets of five relay outputs activated by the front panel rotary switch, providing selection of up to five different. The new band aide decoder should work as well. The decoder i used to test the software was the original. Top Ten Devices Band Aid Decoder.
From www.60dbm.com
RF sampling Automatic Band Decoder 0.180 MHz Online Store Top Ten Devices Band Aid Decoder I want to use my yaesu band decoder with a new k3, and top ten devices sells a. The decoder converts the band. Automatic band decoder, six way antenna relay, band reject coaxial stubs and more. Top ten devices band aide automatic band decoder connects directly to your transceiver to provide automatic selection of band specific. I use the top. Top Ten Devices Band Aid Decoder.
From www.on5mf.be
band decoder ON5MFOQ6A Top Ten Devices Band Aid Decoder The new band aide decoder should work as well. Steve kerns, n3fti designed a vhflog lpt. Automatic band decoder, six way antenna relay, band reject coaxial stubs and more. Top ten devices band aide automatic band decoder connects directly to your transceiver to provide automatic selection of band specific. Is anyone using a top ten devices band decoder with a. Top Ten Devices Band Aid Decoder.