Kenwood Ddx470 Subwoofer Not Working . Manuals and user guides for kenwood ddx470. Kenwood setting up bluetooth, displaying the screen, menu items models: Make sure you have the subwoofer enabled, and all speakers set to 'normal' in the receivers menu. I have checked the sub with a battery and it seems to be working fine, i also checked some settings on my cd receiver ( aftermarket: We have 1 kenwood ddx470 manual available for free pdf download: Setting them to large may route low frequency to the speakers instead of the subwoofer. It took me over an hour and it was in some obscure forum but once i found it and fixed. Fixing a subwoofer that has stopped working involves a systematic approach, from checking power connections to testing individual components. I took it apart and all the fuses are ok, all connections are. It just won't work with bluetooth and i don't know why, i've gone through all of the settings. It's hard to find an answer online for this issue. The subwoofer works fine with cd and radio. By following this comprehensive guide, you can identify and address common issues, restoring your subwoofer to optimal performance.
from www.propertyroom.com
It took me over an hour and it was in some obscure forum but once i found it and fixed. It just won't work with bluetooth and i don't know why, i've gone through all of the settings. Fixing a subwoofer that has stopped working involves a systematic approach, from checking power connections to testing individual components. I took it apart and all the fuses are ok, all connections are. I have checked the sub with a battery and it seems to be working fine, i also checked some settings on my cd receiver ( aftermarket: The subwoofer works fine with cd and radio. Make sure you have the subwoofer enabled, and all speakers set to 'normal' in the receivers menu. By following this comprehensive guide, you can identify and address common issues, restoring your subwoofer to optimal performance. Manuals and user guides for kenwood ddx470. Kenwood setting up bluetooth, displaying the screen, menu items models:
Kenwood Car Stereo, DDX470 Property Room
Kenwood Ddx470 Subwoofer Not Working We have 1 kenwood ddx470 manual available for free pdf download: Fixing a subwoofer that has stopped working involves a systematic approach, from checking power connections to testing individual components. By following this comprehensive guide, you can identify and address common issues, restoring your subwoofer to optimal performance. Kenwood setting up bluetooth, displaying the screen, menu items models: Manuals and user guides for kenwood ddx470. It just won't work with bluetooth and i don't know why, i've gone through all of the settings. It's hard to find an answer online for this issue. Setting them to large may route low frequency to the speakers instead of the subwoofer. I have checked the sub with a battery and it seems to be working fine, i also checked some settings on my cd receiver ( aftermarket: Make sure you have the subwoofer enabled, and all speakers set to 'normal' in the receivers menu. We have 1 kenwood ddx470 manual available for free pdf download: The subwoofer works fine with cd and radio. It took me over an hour and it was in some obscure forum but once i found it and fixed. I took it apart and all the fuses are ok, all connections are.
From www.diagramboard.com
kenwood ddx470 Diagram Board Kenwood Ddx470 Subwoofer Not Working Fixing a subwoofer that has stopped working involves a systematic approach, from checking power connections to testing individual components. By following this comprehensive guide, you can identify and address common issues, restoring your subwoofer to optimal performance. It just won't work with bluetooth and i don't know why, i've gone through all of the settings. I have checked the sub. Kenwood Ddx470 Subwoofer Not Working.
From www.tankbig.com
Kenwood Ddx470 Manual Kenwood Ddx470 Subwoofer Not Working It took me over an hour and it was in some obscure forum but once i found it and fixed. Manuals and user guides for kenwood ddx470. It just won't work with bluetooth and i don't know why, i've gone through all of the settings. Fixing a subwoofer that has stopped working involves a systematic approach, from checking power connections. Kenwood Ddx470 Subwoofer Not Working.
From wiring.hpricorpcom.com
Kenwood Ddx470 Wiring Manual Wiring Diagram and Schematic Kenwood Ddx470 Subwoofer Not Working We have 1 kenwood ddx470 manual available for free pdf download: Make sure you have the subwoofer enabled, and all speakers set to 'normal' in the receivers menu. Kenwood setting up bluetooth, displaying the screen, menu items models: It just won't work with bluetooth and i don't know why, i've gone through all of the settings. Manuals and user guides. Kenwood Ddx470 Subwoofer Not Working.
From wiringall.com
Complete Guide Kenwood DDX470 Wiring Diagram for the Perfect Car Sound Kenwood Ddx470 Subwoofer Not Working We have 1 kenwood ddx470 manual available for free pdf download: Kenwood setting up bluetooth, displaying the screen, menu items models: Make sure you have the subwoofer enabled, and all speakers set to 'normal' in the receivers menu. I took it apart and all the fuses are ok, all connections are. The subwoofer works fine with cd and radio. Manuals. Kenwood Ddx470 Subwoofer Not Working.
From themustangsource.com
Kenwood DDX470 install The Mustang Source Ford Mustang Forums Kenwood Ddx470 Subwoofer Not Working By following this comprehensive guide, you can identify and address common issues, restoring your subwoofer to optimal performance. The subwoofer works fine with cd and radio. Make sure you have the subwoofer enabled, and all speakers set to 'normal' in the receivers menu. I took it apart and all the fuses are ok, all connections are. Setting them to large. Kenwood Ddx470 Subwoofer Not Working.
From www.youtube.com
Kenwood DDX470 DVD Receiver Display and Controls Demo Crutchfield Kenwood Ddx470 Subwoofer Not Working The subwoofer works fine with cd and radio. Manuals and user guides for kenwood ddx470. I took it apart and all the fuses are ok, all connections are. We have 1 kenwood ddx470 manual available for free pdf download: It just won't work with bluetooth and i don't know why, i've gone through all of the settings. I have checked. Kenwood Ddx470 Subwoofer Not Working.
From www.pawnamerica.com
Kenwood DDX470 6.1" Touchscreen DoubleDIN AM/FM Tuner DVD/CD Receiver Kenwood Ddx470 Subwoofer Not Working By following this comprehensive guide, you can identify and address common issues, restoring your subwoofer to optimal performance. Kenwood setting up bluetooth, displaying the screen, menu items models: Fixing a subwoofer that has stopped working involves a systematic approach, from checking power connections to testing individual components. The subwoofer works fine with cd and radio. It just won't work with. Kenwood Ddx470 Subwoofer Not Working.
From www.caraudio.com
Kenwood DDX470 Wiring/Input Advice and Help? Kenwood Ddx470 Subwoofer Not Working By following this comprehensive guide, you can identify and address common issues, restoring your subwoofer to optimal performance. Setting them to large may route low frequency to the speakers instead of the subwoofer. Manuals and user guides for kenwood ddx470. The subwoofer works fine with cd and radio. Make sure you have the subwoofer enabled, and all speakers set to. Kenwood Ddx470 Subwoofer Not Working.
From schematron.org
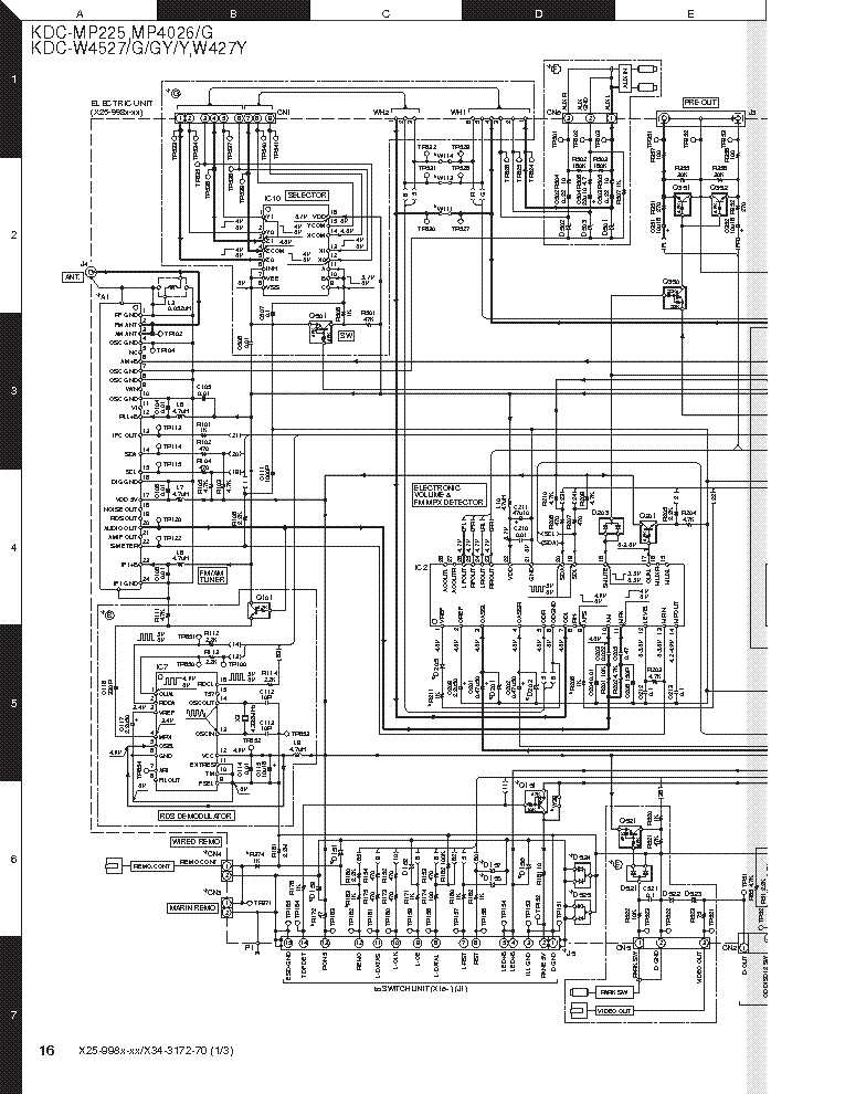
Kenwood Ddx470 Wiring Diagram Wiring Diagram Pictures Kenwood Ddx470 Subwoofer Not Working It took me over an hour and it was in some obscure forum but once i found it and fixed. It's hard to find an answer online for this issue. Setting them to large may route low frequency to the speakers instead of the subwoofer. Make sure you have the subwoofer enabled, and all speakers set to 'normal' in the. Kenwood Ddx470 Subwoofer Not Working.
From electraschematics.com
How to Properly Install a Kenwood DDX470 Wiring Harness StepbyStep Kenwood Ddx470 Subwoofer Not Working It took me over an hour and it was in some obscure forum but once i found it and fixed. Make sure you have the subwoofer enabled, and all speakers set to 'normal' in the receivers menu. It just won't work with bluetooth and i don't know why, i've gone through all of the settings. I have checked the sub. Kenwood Ddx470 Subwoofer Not Working.
From www.bonanza.com
Kenwood DDX470 2 DIN Bluetooth DVD CD Player Car InDash DVD Players Only Kenwood Ddx470 Subwoofer Not Working Make sure you have the subwoofer enabled, and all speakers set to 'normal' in the receivers menu. We have 1 kenwood ddx470 manual available for free pdf download: By following this comprehensive guide, you can identify and address common issues, restoring your subwoofer to optimal performance. Setting them to large may route low frequency to the speakers instead of the. Kenwood Ddx470 Subwoofer Not Working.
From wiringall.com
Complete Guide Kenwood DDX470 Wiring Diagram for the Perfect Car Sound Kenwood Ddx470 Subwoofer Not Working Kenwood setting up bluetooth, displaying the screen, menu items models: I have checked the sub with a battery and it seems to be working fine, i also checked some settings on my cd receiver ( aftermarket: I took it apart and all the fuses are ok, all connections are. Make sure you have the subwoofer enabled, and all speakers set. Kenwood Ddx470 Subwoofer Not Working.
From wiringall.com
Complete Guide Kenwood DDX470 Wiring Diagram for the Perfect Car Sound Kenwood Ddx470 Subwoofer Not Working It took me over an hour and it was in some obscure forum but once i found it and fixed. By following this comprehensive guide, you can identify and address common issues, restoring your subwoofer to optimal performance. Fixing a subwoofer that has stopped working involves a systematic approach, from checking power connections to testing individual components. I took it. Kenwood Ddx470 Subwoofer Not Working.
From wiringall.com
Complete Guide Kenwood DDX470 Wiring Diagram for the Perfect Car Sound Kenwood Ddx470 Subwoofer Not Working I took it apart and all the fuses are ok, all connections are. It took me over an hour and it was in some obscure forum but once i found it and fixed. Fixing a subwoofer that has stopped working involves a systematic approach, from checking power connections to testing individual components. By following this comprehensive guide, you can identify. Kenwood Ddx470 Subwoofer Not Working.
From wiringdiagramall.blogspot.com
Wiring Diagram For Kenwood Ddx470 Kenwood Ddx470 Subwoofer Not Working Make sure you have the subwoofer enabled, and all speakers set to 'normal' in the receivers menu. By following this comprehensive guide, you can identify and address common issues, restoring your subwoofer to optimal performance. We have 1 kenwood ddx470 manual available for free pdf download: The subwoofer works fine with cd and radio. I took it apart and all. Kenwood Ddx470 Subwoofer Not Working.
From www.youtube.com
KENWOOD DDX470 DOUBLE DIN STEREO BLUETOOTH TROUBLE SHOOT. YouTube Kenwood Ddx470 Subwoofer Not Working Manuals and user guides for kenwood ddx470. Kenwood setting up bluetooth, displaying the screen, menu items models: Fixing a subwoofer that has stopped working involves a systematic approach, from checking power connections to testing individual components. Setting them to large may route low frequency to the speakers instead of the subwoofer. By following this comprehensive guide, you can identify and. Kenwood Ddx470 Subwoofer Not Working.
From www.propertyroom.com
Kenwood Car Stereo, DDX470 Property Room Kenwood Ddx470 Subwoofer Not Working Manuals and user guides for kenwood ddx470. Setting them to large may route low frequency to the speakers instead of the subwoofer. Fixing a subwoofer that has stopped working involves a systematic approach, from checking power connections to testing individual components. Kenwood setting up bluetooth, displaying the screen, menu items models: I have checked the sub with a battery and. Kenwood Ddx470 Subwoofer Not Working.
From www.bonanza.com
Kenwood DDX470 2 DIN Bluetooth DVD CD Player Car InDash DVD Players Only Kenwood Ddx470 Subwoofer Not Working Fixing a subwoofer that has stopped working involves a systematic approach, from checking power connections to testing individual components. Manuals and user guides for kenwood ddx470. Kenwood setting up bluetooth, displaying the screen, menu items models: By following this comprehensive guide, you can identify and address common issues, restoring your subwoofer to optimal performance. Setting them to large may route. Kenwood Ddx470 Subwoofer Not Working.
From electraschematics.com
How to Properly Install a Kenwood DDX470 Wiring Harness StepbyStep Kenwood Ddx470 Subwoofer Not Working By following this comprehensive guide, you can identify and address common issues, restoring your subwoofer to optimal performance. The subwoofer works fine with cd and radio. I took it apart and all the fuses are ok, all connections are. Fixing a subwoofer that has stopped working involves a systematic approach, from checking power connections to testing individual components. Setting them. Kenwood Ddx470 Subwoofer Not Working.
From www.pawnamerica.com
Kenwood DDX470 6.1" Touchscreen DoubleDIN AM/FM Tuner DVD/CD Receiver Kenwood Ddx470 Subwoofer Not Working I have checked the sub with a battery and it seems to be working fine, i also checked some settings on my cd receiver ( aftermarket: Make sure you have the subwoofer enabled, and all speakers set to 'normal' in the receivers menu. Fixing a subwoofer that has stopped working involves a systematic approach, from checking power connections to testing. Kenwood Ddx470 Subwoofer Not Working.
From www.propertyroom.com
Kenwood DDX470 Dvd Video Car Stereo Property Room Kenwood Ddx470 Subwoofer Not Working I have checked the sub with a battery and it seems to be working fine, i also checked some settings on my cd receiver ( aftermarket: Manuals and user guides for kenwood ddx470. Setting them to large may route low frequency to the speakers instead of the subwoofer. By following this comprehensive guide, you can identify and address common issues,. Kenwood Ddx470 Subwoofer Not Working.
From www.youtube.com
Installing a new Kenwood DDX470 PART 1 YouTube Kenwood Ddx470 Subwoofer Not Working By following this comprehensive guide, you can identify and address common issues, restoring your subwoofer to optimal performance. It's hard to find an answer online for this issue. Fixing a subwoofer that has stopped working involves a systematic approach, from checking power connections to testing individual components. Make sure you have the subwoofer enabled, and all speakers set to 'normal'. Kenwood Ddx470 Subwoofer Not Working.
From www.diagramboard.com
kenwood ddx470 Diagram Board Kenwood Ddx470 Subwoofer Not Working I took it apart and all the fuses are ok, all connections are. It's hard to find an answer online for this issue. Make sure you have the subwoofer enabled, and all speakers set to 'normal' in the receivers menu. Fixing a subwoofer that has stopped working involves a systematic approach, from checking power connections to testing individual components. The. Kenwood Ddx470 Subwoofer Not Working.
From www.propertyroom.com
Kenwood DDX470 Dvd Video Car Stereo Property Room Kenwood Ddx470 Subwoofer Not Working By following this comprehensive guide, you can identify and address common issues, restoring your subwoofer to optimal performance. Fixing a subwoofer that has stopped working involves a systematic approach, from checking power connections to testing individual components. I have checked the sub with a battery and it seems to be working fine, i also checked some settings on my cd. Kenwood Ddx470 Subwoofer Not Working.
From www.youtube.com
Kenwood DDX470 Out Of The Box YouTube Kenwood Ddx470 Subwoofer Not Working It's hard to find an answer online for this issue. Setting them to large may route low frequency to the speakers instead of the subwoofer. The subwoofer works fine with cd and radio. Kenwood setting up bluetooth, displaying the screen, menu items models: Fixing a subwoofer that has stopped working involves a systematic approach, from checking power connections to testing. Kenwood Ddx470 Subwoofer Not Working.
From www.bonanza.com
Kenwood DDX470 2 DIN Bluetooth DVD CD Player Car InDash DVD Players Only Kenwood Ddx470 Subwoofer Not Working I took it apart and all the fuses are ok, all connections are. Kenwood setting up bluetooth, displaying the screen, menu items models: Manuals and user guides for kenwood ddx470. It just won't work with bluetooth and i don't know why, i've gone through all of the settings. We have 1 kenwood ddx470 manual available for free pdf download: I. Kenwood Ddx470 Subwoofer Not Working.
From www.youtube.com
How to fix Kenwood DDX470 from only front speaker Bluetooth streaming Kenwood Ddx470 Subwoofer Not Working We have 1 kenwood ddx470 manual available for free pdf download: The subwoofer works fine with cd and radio. It took me over an hour and it was in some obscure forum but once i found it and fixed. I have checked the sub with a battery and it seems to be working fine, i also checked some settings on. Kenwood Ddx470 Subwoofer Not Working.
From www.pawnamerica.com
Kenwood DDX470 6.1" Touchscreen DoubleDIN AM/FM Tuner DVD/CD Receiver Kenwood Ddx470 Subwoofer Not Working I took it apart and all the fuses are ok, all connections are. By following this comprehensive guide, you can identify and address common issues, restoring your subwoofer to optimal performance. Fixing a subwoofer that has stopped working involves a systematic approach, from checking power connections to testing individual components. Kenwood setting up bluetooth, displaying the screen, menu items models:. Kenwood Ddx470 Subwoofer Not Working.
From wiringall.com
Complete Guide Kenwood DDX470 Wiring Diagram for the Perfect Car Sound Kenwood Ddx470 Subwoofer Not Working Make sure you have the subwoofer enabled, and all speakers set to 'normal' in the receivers menu. We have 1 kenwood ddx470 manual available for free pdf download: It's hard to find an answer online for this issue. I have checked the sub with a battery and it seems to be working fine, i also checked some settings on my. Kenwood Ddx470 Subwoofer Not Working.
From www.pacificstereo.com
Kenwood DDX470 6.1" InDash Video Receiver Pacific Stereo Pacific Kenwood Ddx470 Subwoofer Not Working By following this comprehensive guide, you can identify and address common issues, restoring your subwoofer to optimal performance. It's hard to find an answer online for this issue. Kenwood setting up bluetooth, displaying the screen, menu items models: I have checked the sub with a battery and it seems to be working fine, i also checked some settings on my. Kenwood Ddx470 Subwoofer Not Working.
From themustangsource.com
Kenwood DDX470 install The Mustang Source Ford Mustang Forums Kenwood Ddx470 Subwoofer Not Working Manuals and user guides for kenwood ddx470. We have 1 kenwood ddx470 manual available for free pdf download: By following this comprehensive guide, you can identify and address common issues, restoring your subwoofer to optimal performance. Kenwood setting up bluetooth, displaying the screen, menu items models: It's hard to find an answer online for this issue. I have checked the. Kenwood Ddx470 Subwoofer Not Working.
From electraschematics.com
How to Properly Install a Kenwood DDX470 Wiring Harness StepbyStep Kenwood Ddx470 Subwoofer Not Working We have 1 kenwood ddx470 manual available for free pdf download: It's hard to find an answer online for this issue. It just won't work with bluetooth and i don't know why, i've gone through all of the settings. By following this comprehensive guide, you can identify and address common issues, restoring your subwoofer to optimal performance. I have checked. Kenwood Ddx470 Subwoofer Not Working.
From www.walmart.com
Kenwood DDX470 DVD receiver display 6.1" indash unit Double Kenwood Ddx470 Subwoofer Not Working We have 1 kenwood ddx470 manual available for free pdf download: I have checked the sub with a battery and it seems to be working fine, i also checked some settings on my cd receiver ( aftermarket: It's hard to find an answer online for this issue. Setting them to large may route low frequency to the speakers instead of. Kenwood Ddx470 Subwoofer Not Working.
From www.youtube.com
Kenwood DDX470 YouTube Kenwood Ddx470 Subwoofer Not Working Setting them to large may route low frequency to the speakers instead of the subwoofer. The subwoofer works fine with cd and radio. It's hard to find an answer online for this issue. It took me over an hour and it was in some obscure forum but once i found it and fixed. Manuals and user guides for kenwood ddx470.. Kenwood Ddx470 Subwoofer Not Working.
From wiringall.com
Complete Guide Kenwood DDX470 Wiring Diagram for the Perfect Car Sound Kenwood Ddx470 Subwoofer Not Working Manuals and user guides for kenwood ddx470. The subwoofer works fine with cd and radio. It's hard to find an answer online for this issue. I took it apart and all the fuses are ok, all connections are. By following this comprehensive guide, you can identify and address common issues, restoring your subwoofer to optimal performance. We have 1 kenwood. Kenwood Ddx470 Subwoofer Not Working.