Clock Spring Noise . What causes a clock spring failure? In some cases, a damaged clock spring might also be accompanied by a “rubbing” or “grinding” noise. How does a clock spring work? What to do if you notice a broken clock spring in your car. Where is it located in a car? How to know if clock springs is bad check out our amazon store for the tools that we use in. What is a clock spring? This noise stems from unintended friction within a vehicle’s steering. How do you test a clock spring’s functionality. Signs of a broken clock spring in a car can include an airbag warning light lighting up, horn acting up or going silent, wonky steering wheel controls, weird noises when you turn, occasional issues with steering wheel features, and Strange noises when turning the steering wheel. Clock spring replacement cost and buying guide. If you hear a crunching, clicking, or rubbing noise when you turn the steering.
from www.partsboss.com
Signs of a broken clock spring in a car can include an airbag warning light lighting up, horn acting up or going silent, wonky steering wheel controls, weird noises when you turn, occasional issues with steering wheel features, and What is a clock spring? If you hear a crunching, clicking, or rubbing noise when you turn the steering. In some cases, a damaged clock spring might also be accompanied by a “rubbing” or “grinding” noise. What causes a clock spring failure? This noise stems from unintended friction within a vehicle’s steering. How does a clock spring work? Clock spring replacement cost and buying guide. Where is it located in a car? How to know if clock springs is bad check out our amazon store for the tools that we use in.
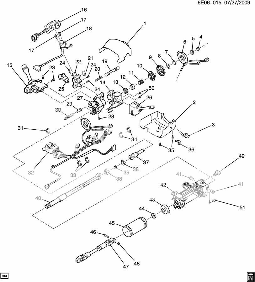
CLOCK SPRING DEVICE
Clock Spring Noise Where is it located in a car? How do you test a clock spring’s functionality. Where is it located in a car? Signs of a broken clock spring in a car can include an airbag warning light lighting up, horn acting up or going silent, wonky steering wheel controls, weird noises when you turn, occasional issues with steering wheel features, and Strange noises when turning the steering wheel. What to do if you notice a broken clock spring in your car. What causes a clock spring failure? How does a clock spring work? Clock spring replacement cost and buying guide. If you hear a crunching, clicking, or rubbing noise when you turn the steering. How to know if clock springs is bad check out our amazon store for the tools that we use in. What is a clock spring? This noise stems from unintended friction within a vehicle’s steering. In some cases, a damaged clock spring might also be accompanied by a “rubbing” or “grinding” noise.
From wpdh.com
When Do Clocks Spring Forward for Daylight Saving Time? Clock Spring Noise If you hear a crunching, clicking, or rubbing noise when you turn the steering. How does a clock spring work? What to do if you notice a broken clock spring in your car. How do you test a clock spring’s functionality. This noise stems from unintended friction within a vehicle’s steering. How to know if clock springs is bad check. Clock Spring Noise.
From www.youtube.com
Hyundai clock spring installation YouTube Clock Spring Noise If you hear a crunching, clicking, or rubbing noise when you turn the steering. In some cases, a damaged clock spring might also be accompanied by a “rubbing” or “grinding” noise. What is a clock spring? How does a clock spring work? How to know if clock springs is bad check out our amazon store for the tools that we. Clock Spring Noise.
From www.ingenieriaymecanicaautomotriz.com
¿Qué es el Reloj de Volante o Clock Spring y cómo funciona? INGENIERÍA Y MECÁNICA AUTOMOTRIZ Clock Spring Noise If you hear a crunching, clicking, or rubbing noise when you turn the steering. What causes a clock spring failure? How to know if clock springs is bad check out our amazon store for the tools that we use in. How does a clock spring work? Where is it located in a car? What to do if you notice a. Clock Spring Noise.
From www.britannica.com
Clock Mechanical, Digital, & Atomic Britannica Clock Spring Noise If you hear a crunching, clicking, or rubbing noise when you turn the steering. Strange noises when turning the steering wheel. Signs of a broken clock spring in a car can include an airbag warning light lighting up, horn acting up or going silent, wonky steering wheel controls, weird noises when you turn, occasional issues with steering wheel features, and. Clock Spring Noise.
From www.partsboss.com
CLOCK SPRING DEVICE Clock Spring Noise What causes a clock spring failure? What is a clock spring? How do you test a clock spring’s functionality. How does a clock spring work? How to know if clock springs is bad check out our amazon store for the tools that we use in. This noise stems from unintended friction within a vehicle’s steering. What to do if you. Clock Spring Noise.
From www.2carpros.com
E39 Clock Spring? Hello Everyone, I Have the Car Listed Above Clock Spring Noise This noise stems from unintended friction within a vehicle’s steering. What to do if you notice a broken clock spring in your car. If you hear a crunching, clicking, or rubbing noise when you turn the steering. What causes a clock spring failure? How does a clock spring work? How do you test a clock spring’s functionality. Clock spring replacement. Clock Spring Noise.
From www.youtube.com
4.7 valve spring noise clicking YouTube Clock Spring Noise In some cases, a damaged clock spring might also be accompanied by a “rubbing” or “grinding” noise. If you hear a crunching, clicking, or rubbing noise when you turn the steering. Where is it located in a car? How do you test a clock spring’s functionality. What is a clock spring? What causes a clock spring failure? What to do. Clock Spring Noise.
From menga.net
How to stop a Stratocaster from making spring noises Clock Spring Noise In some cases, a damaged clock spring might also be accompanied by a “rubbing” or “grinding” noise. This noise stems from unintended friction within a vehicle’s steering. How to know if clock springs is bad check out our amazon store for the tools that we use in. How do you test a clock spring’s functionality. What is a clock spring?. Clock Spring Noise.
From workshopfixsperst.z1.web.core.windows.net
Front End Clunking Noise When Driving Clock Spring Noise In some cases, a damaged clock spring might also be accompanied by a “rubbing” or “grinding” noise. Where is it located in a car? If you hear a crunching, clicking, or rubbing noise when you turn the steering. How does a clock spring work? What is a clock spring? Clock spring replacement cost and buying guide. This noise stems from. Clock Spring Noise.
From www.youtube.com
DIY Spring Noise Instrument Build + Test YouTube Clock Spring Noise Strange noises when turning the steering wheel. What to do if you notice a broken clock spring in your car. Where is it located in a car? How does a clock spring work? This noise stems from unintended friction within a vehicle’s steering. In some cases, a damaged clock spring might also be accompanied by a “rubbing” or “grinding” noise.. Clock Spring Noise.
From www.youtube.com
Clock Spring Replacement Tips YouTube Clock Spring Noise Clock spring replacement cost and buying guide. How does a clock spring work? What causes a clock spring failure? Where is it located in a car? What to do if you notice a broken clock spring in your car. Strange noises when turning the steering wheel. How to know if clock springs is bad check out our amazon store for. Clock Spring Noise.
From bubbleslidess.com
How To Test A Clock Spring Clock Spring Noise Strange noises when turning the steering wheel. If you hear a crunching, clicking, or rubbing noise when you turn the steering. What causes a clock spring failure? In some cases, a damaged clock spring might also be accompanied by a “rubbing” or “grinding” noise. How to know if clock springs is bad check out our amazon store for the tools. Clock Spring Noise.
From www.youtube.com
Sylphy g11 clock spring noise YouTube Clock Spring Noise Strange noises when turning the steering wheel. If you hear a crunching, clicking, or rubbing noise when you turn the steering. Signs of a broken clock spring in a car can include an airbag warning light lighting up, horn acting up or going silent, wonky steering wheel controls, weird noises when you turn, occasional issues with steering wheel features, and. Clock Spring Noise.
From www.f150forum.com
Clock Spring Noise? Ford F150 Forum Community of Ford Truck Fans Clock Spring Noise Clock spring replacement cost and buying guide. Where is it located in a car? In some cases, a damaged clock spring might also be accompanied by a “rubbing” or “grinding” noise. This noise stems from unintended friction within a vehicle’s steering. What is a clock spring? What to do if you notice a broken clock spring in your car. Strange. Clock Spring Noise.
From www.jaguarforums.com
Clock Spring Noise Jaguar Forums Jaguar Enthusiasts Forum Clock Spring Noise How to know if clock springs is bad check out our amazon store for the tools that we use in. Signs of a broken clock spring in a car can include an airbag warning light lighting up, horn acting up or going silent, wonky steering wheel controls, weird noises when you turn, occasional issues with steering wheel features, and What. Clock Spring Noise.
From www.youtube.com
Scion FRS Clock Spring Replacement YouTube Clock Spring Noise Clock spring replacement cost and buying guide. How does a clock spring work? If you hear a crunching, clicking, or rubbing noise when you turn the steering. Signs of a broken clock spring in a car can include an airbag warning light lighting up, horn acting up or going silent, wonky steering wheel controls, weird noises when you turn, occasional. Clock Spring Noise.
From www.youtube.com
BMW F10 Clock Spring Noise YouTube Clock Spring Noise How to know if clock springs is bad check out our amazon store for the tools that we use in. How does a clock spring work? Signs of a broken clock spring in a car can include an airbag warning light lighting up, horn acting up or going silent, wonky steering wheel controls, weird noises when you turn, occasional issues. Clock Spring Noise.
From ls1tech.com
How to center clock spring (01 Camaro) LS1TECH Camaro and Firebird Forum Discussion Clock Spring Noise Signs of a broken clock spring in a car can include an airbag warning light lighting up, horn acting up or going silent, wonky steering wheel controls, weird noises when you turn, occasional issues with steering wheel features, and How do you test a clock spring’s functionality. Clock spring replacement cost and buying guide. In some cases, a damaged clock. Clock Spring Noise.
From www.samarins.com
Clock spring in a car problems, symptoms, replacement cost Clock Spring Noise What is a clock spring? How do you test a clock spring’s functionality. How does a clock spring work? Where is it located in a car? In some cases, a damaged clock spring might also be accompanied by a “rubbing” or “grinding” noise. What causes a clock spring failure? Signs of a broken clock spring in a car can include. Clock Spring Noise.
From www.youtube.com
vw clock spring repair YouTube Clock Spring Noise What causes a clock spring failure? What is a clock spring? How to know if clock springs is bad check out our amazon store for the tools that we use in. Strange noises when turning the steering wheel. Clock spring replacement cost and buying guide. If you hear a crunching, clicking, or rubbing noise when you turn the steering. Signs. Clock Spring Noise.
From www.dreamstime.com
Clock Spring With Spring, Isolated On White Stock Image Image of closeup, clock 57281777 Clock Spring Noise Signs of a broken clock spring in a car can include an airbag warning light lighting up, horn acting up or going silent, wonky steering wheel controls, weird noises when you turn, occasional issues with steering wheel features, and Clock spring replacement cost and buying guide. How do you test a clock spring’s functionality. If you hear a crunching, clicking,. Clock Spring Noise.
From www.f150forum.com
Clock Spring Noise? Page 2 Ford F150 Forum Community of Ford Truck Fans Clock Spring Noise What to do if you notice a broken clock spring in your car. What is a clock spring? In some cases, a damaged clock spring might also be accompanied by a “rubbing” or “grinding” noise. If you hear a crunching, clicking, or rubbing noise when you turn the steering. How to know if clock springs is bad check out our. Clock Spring Noise.
From mechanicbase.com
5 Signs Of A Failing Or Bad Clock Spring Clock Spring Noise What is a clock spring? How to know if clock springs is bad check out our amazon store for the tools that we use in. Strange noises when turning the steering wheel. Where is it located in a car? What to do if you notice a broken clock spring in your car. In some cases, a damaged clock spring might. Clock Spring Noise.
From www.f150forum.com
Clock Spring Noise? Ford F150 Forum Community of Ford Truck Fans Clock Spring Noise Where is it located in a car? In some cases, a damaged clock spring might also be accompanied by a “rubbing” or “grinding” noise. This noise stems from unintended friction within a vehicle’s steering. How does a clock spring work? Clock spring replacement cost and buying guide. Strange noises when turning the steering wheel. What is a clock spring? How. Clock Spring Noise.
From www.f150forum.com
Clock Spring Noise? Ford F150 Forum Community of Ford Truck Fans Clock Spring Noise How to know if clock springs is bad check out our amazon store for the tools that we use in. How do you test a clock spring’s functionality. Strange noises when turning the steering wheel. How does a clock spring work? Signs of a broken clock spring in a car can include an airbag warning light lighting up, horn acting. Clock Spring Noise.
From www.2carpros.com
Clock Spring Wiring Diagram for 8 Pin Connector for Clock Spring Clock Spring Noise How do you test a clock spring’s functionality. Clock spring replacement cost and buying guide. If you hear a crunching, clicking, or rubbing noise when you turn the steering. How to know if clock springs is bad check out our amazon store for the tools that we use in. This noise stems from unintended friction within a vehicle’s steering. What. Clock Spring Noise.
From www.f150forum.com
Clock Spring Noise? Ford F150 Forum Community of Ford Truck Fans Clock Spring Noise This noise stems from unintended friction within a vehicle’s steering. If you hear a crunching, clicking, or rubbing noise when you turn the steering. How do you test a clock spring’s functionality. In some cases, a damaged clock spring might also be accompanied by a “rubbing” or “grinding” noise. What to do if you notice a broken clock spring in. Clock Spring Noise.
From mechanicbase.com
5 Symptoms Of A Bad Clock Spring And Replacement Cost Clock Spring Noise Clock spring replacement cost and buying guide. Strange noises when turning the steering wheel. In some cases, a damaged clock spring might also be accompanied by a “rubbing” or “grinding” noise. Signs of a broken clock spring in a car can include an airbag warning light lighting up, horn acting up or going silent, wonky steering wheel controls, weird noises. Clock Spring Noise.
From www.2carpros.com
E39 Clock Spring? Hello Everyone, I Have the Car Listed Above Clock Spring Noise This noise stems from unintended friction within a vehicle’s steering. How do you test a clock spring’s functionality. How to know if clock springs is bad check out our amazon store for the tools that we use in. What causes a clock spring failure? What is a clock spring? Clock spring replacement cost and buying guide. Where is it located. Clock Spring Noise.
From www.freepik.com
Premium Vector Alarm clock ringing. Ringing alarm clock jumping and making loud noise. time Clock Spring Noise What to do if you notice a broken clock spring in your car. What is a clock spring? Strange noises when turning the steering wheel. This noise stems from unintended friction within a vehicle’s steering. How do you test a clock spring’s functionality. What causes a clock spring failure? How does a clock spring work? How to know if clock. Clock Spring Noise.
From vehiclefreak.com
6 Bad Clock Spring Symptoms (Causes & Replacement Cost) Clock Spring Noise Strange noises when turning the steering wheel. Clock spring replacement cost and buying guide. This noise stems from unintended friction within a vehicle’s steering. How do you test a clock spring’s functionality. If you hear a crunching, clicking, or rubbing noise when you turn the steering. Where is it located in a car? How does a clock spring work? What. Clock Spring Noise.
From www.reddit.com
anyone have any experience with clock spring experts? looking for the right clock spring for my Clock Spring Noise Clock spring replacement cost and buying guide. This noise stems from unintended friction within a vehicle’s steering. Signs of a broken clock spring in a car can include an airbag warning light lighting up, horn acting up or going silent, wonky steering wheel controls, weird noises when you turn, occasional issues with steering wheel features, and What is a clock. Clock Spring Noise.
From www.cadillacforums.com
Steering Column clock spring noise Cadillac Owners Forum Clock Spring Noise This noise stems from unintended friction within a vehicle’s steering. What is a clock spring? How do you test a clock spring’s functionality. Strange noises when turning the steering wheel. What to do if you notice a broken clock spring in your car. If you hear a crunching, clicking, or rubbing noise when you turn the steering. In some cases,. Clock Spring Noise.
From www.youtube.com
5 Broken Clock Spring Symptoms Common Signs of a Bad Clock Spring (+ Causes and Replacement Clock Spring Noise Strange noises when turning the steering wheel. Clock spring replacement cost and buying guide. How do you test a clock spring’s functionality. Signs of a broken clock spring in a car can include an airbag warning light lighting up, horn acting up or going silent, wonky steering wheel controls, weird noises when you turn, occasional issues with steering wheel features,. Clock Spring Noise.
From www.youtube.com
Sylphy g11 clock spring noise YouTube Clock Spring Noise This noise stems from unintended friction within a vehicle’s steering. Signs of a broken clock spring in a car can include an airbag warning light lighting up, horn acting up or going silent, wonky steering wheel controls, weird noises when you turn, occasional issues with steering wheel features, and In some cases, a damaged clock spring might also be accompanied. Clock Spring Noise.