Coffee Machine Wiring Diagram . Follow the electric current throughout the coffee machine. Find out how each component works to brew your perfect cup of coffee. knowing how to read a wiring diagram for a coffee maker can help you troubleshoot any problems you may have with your. learn how a coffee maker works by examining its schematic diagram. This may help diagnose a fault in the circuit. Usually, they’ll provide you with either a detailed paper version of the diagram or a digital version. understanding the wiring diagram of your coffee maker can be incredibly helpful for troubleshooting issues, performing repairs,. Understand the key components and their functions in brewing the. explore a detailed coffee machine parts diagram to understand how your favorite beverage is made. when you need to find the wiring diagram for your coffee maker, it’s best to check with the manufacturer’s website or their customer service center. learn about the different parts of a coffee maker with our detailed diagram.
from diy.stackexchange.com
learn how a coffee maker works by examining its schematic diagram. Follow the electric current throughout the coffee machine. explore a detailed coffee machine parts diagram to understand how your favorite beverage is made. knowing how to read a wiring diagram for a coffee maker can help you troubleshoot any problems you may have with your. when you need to find the wiring diagram for your coffee maker, it’s best to check with the manufacturer’s website or their customer service center. understanding the wiring diagram of your coffee maker can be incredibly helpful for troubleshooting issues, performing repairs,. learn about the different parts of a coffee maker with our detailed diagram. This may help diagnose a fault in the circuit. Understand the key components and their functions in brewing the. Usually, they’ll provide you with either a detailed paper version of the diagram or a digital version.
electrical How do I wire up a saeco magic deluxe coffee grinder to be
Coffee Machine Wiring Diagram Usually, they’ll provide you with either a detailed paper version of the diagram or a digital version. learn how a coffee maker works by examining its schematic diagram. explore a detailed coffee machine parts diagram to understand how your favorite beverage is made. knowing how to read a wiring diagram for a coffee maker can help you troubleshoot any problems you may have with your. This may help diagnose a fault in the circuit. learn about the different parts of a coffee maker with our detailed diagram. understanding the wiring diagram of your coffee maker can be incredibly helpful for troubleshooting issues, performing repairs,. Usually, they’ll provide you with either a detailed paper version of the diagram or a digital version. Follow the electric current throughout the coffee machine. when you need to find the wiring diagram for your coffee maker, it’s best to check with the manufacturer’s website or their customer service center. Find out how each component works to brew your perfect cup of coffee. Understand the key components and their functions in brewing the.
From www.caretxdigital.com
Wiring Diagram Coffee Maker Wiring Diagram and Schematics Coffee Machine Wiring Diagram knowing how to read a wiring diagram for a coffee maker can help you troubleshoot any problems you may have with your. Understand the key components and their functions in brewing the. Follow the electric current throughout the coffee machine. Find out how each component works to brew your perfect cup of coffee. learn about the different parts. Coffee Machine Wiring Diagram.
From www.wiringdigital.com
Wiring Diagram Coffee Maker » Wiring Digital And Schematic Coffee Machine Wiring Diagram explore a detailed coffee machine parts diagram to understand how your favorite beverage is made. Understand the key components and their functions in brewing the. This may help diagnose a fault in the circuit. understanding the wiring diagram of your coffee maker can be incredibly helpful for troubleshooting issues, performing repairs,. learn about the different parts of. Coffee Machine Wiring Diagram.
From www.home-barista.com
Gicar User Manual Espresso Machines Coffee Machine Wiring Diagram understanding the wiring diagram of your coffee maker can be incredibly helpful for troubleshooting issues, performing repairs,. when you need to find the wiring diagram for your coffee maker, it’s best to check with the manufacturer’s website or their customer service center. explore a detailed coffee machine parts diagram to understand how your favorite beverage is made.. Coffee Machine Wiring Diagram.
From wiringall.com
Cuisinart Espresso Maker Em200 Wiring Diagram Coffee Machine Wiring Diagram learn how a coffee maker works by examining its schematic diagram. learn about the different parts of a coffee maker with our detailed diagram. understanding the wiring diagram of your coffee maker can be incredibly helpful for troubleshooting issues, performing repairs,. when you need to find the wiring diagram for your coffee maker, it’s best to. Coffee Machine Wiring Diagram.
From www.wiringdigital.com
Wiring Diagram Coffee Maker Wiring Digital and Schematic Coffee Machine Wiring Diagram Follow the electric current throughout the coffee machine. knowing how to read a wiring diagram for a coffee maker can help you troubleshoot any problems you may have with your. learn how a coffee maker works by examining its schematic diagram. This may help diagnose a fault in the circuit. understanding the wiring diagram of your coffee. Coffee Machine Wiring Diagram.
From www.wiringdigital.com
Wiring Diagram Coffee Maker » Wiring Digital And Schematic Coffee Machine Wiring Diagram This may help diagnose a fault in the circuit. learn how a coffee maker works by examining its schematic diagram. learn about the different parts of a coffee maker with our detailed diagram. Follow the electric current throughout the coffee machine. understanding the wiring diagram of your coffee maker can be incredibly helpful for troubleshooting issues, performing. Coffee Machine Wiring Diagram.
From www.wiringflowline.com
Wiring Diagram Coffee Maker Wiring Flow Line Coffee Machine Wiring Diagram understanding the wiring diagram of your coffee maker can be incredibly helpful for troubleshooting issues, performing repairs,. This may help diagnose a fault in the circuit. Understand the key components and their functions in brewing the. knowing how to read a wiring diagram for a coffee maker can help you troubleshoot any problems you may have with your.. Coffee Machine Wiring Diagram.
From manualzz.com
Bartscher A190148 Coffee machine Bartscher PRO II 40 Wiring Diagram Coffee Machine Wiring Diagram Understand the key components and their functions in brewing the. explore a detailed coffee machine parts diagram to understand how your favorite beverage is made. understanding the wiring diagram of your coffee maker can be incredibly helpful for troubleshooting issues, performing repairs,. Find out how each component works to brew your perfect cup of coffee. Follow the electric. Coffee Machine Wiring Diagram.
From www.wiringflowline.com
Wiring Diagram Coffee Maker Wiring Flow Line Coffee Machine Wiring Diagram knowing how to read a wiring diagram for a coffee maker can help you troubleshoot any problems you may have with your. when you need to find the wiring diagram for your coffee maker, it’s best to check with the manufacturer’s website or their customer service center. Find out how each component works to brew your perfect cup. Coffee Machine Wiring Diagram.
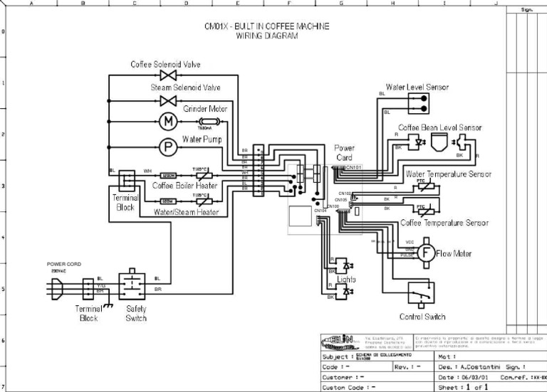
From pt.scribd.com
Cm01x Coffee Machine Wiring Diagram PDF Coffee Machine Wiring Diagram Understand the key components and their functions in brewing the. Follow the electric current throughout the coffee machine. This may help diagnose a fault in the circuit. when you need to find the wiring diagram for your coffee maker, it’s best to check with the manufacturer’s website or their customer service center. learn about the different parts of. Coffee Machine Wiring Diagram.
From diagramweb.net
Iberital Espresso Machine Wiring Diagram Coffee Machine Wiring Diagram Usually, they’ll provide you with either a detailed paper version of the diagram or a digital version. learn about the different parts of a coffee maker with our detailed diagram. Understand the key components and their functions in brewing the. when you need to find the wiring diagram for your coffee maker, it’s best to check with the. Coffee Machine Wiring Diagram.
From wiringdatabaseinfo.blogspot.com
Cuisinart Coffee Maker Parts Diagram Wiring Site Resource Coffee Machine Wiring Diagram explore a detailed coffee machine parts diagram to understand how your favorite beverage is made. Understand the key components and their functions in brewing the. understanding the wiring diagram of your coffee maker can be incredibly helpful for troubleshooting issues, performing repairs,. when you need to find the wiring diagram for your coffee maker, it’s best to. Coffee Machine Wiring Diagram.
From tianpinyt.blogspot.com
Keurig Coffee Maker Parts Diagram Free Wiring Diagram Coffee Machine Wiring Diagram when you need to find the wiring diagram for your coffee maker, it’s best to check with the manufacturer’s website or their customer service center. Usually, they’ll provide you with either a detailed paper version of the diagram or a digital version. explore a detailed coffee machine parts diagram to understand how your favorite beverage is made. Understand. Coffee Machine Wiring Diagram.
From schematicenginebrooks.z6.web.core.windows.net
Mr Coffee Wiring Diagram Coffee Machine Wiring Diagram Understand the key components and their functions in brewing the. This may help diagnose a fault in the circuit. when you need to find the wiring diagram for your coffee maker, it’s best to check with the manufacturer’s website or their customer service center. Find out how each component works to brew your perfect cup of coffee. Usually, they’ll. Coffee Machine Wiring Diagram.
From www.home-barista.com
Will my espresso machine autofill from a reservoir? Coffee Machine Wiring Diagram learn how a coffee maker works by examining its schematic diagram. Understand the key components and their functions in brewing the. understanding the wiring diagram of your coffee maker can be incredibly helpful for troubleshooting issues, performing repairs,. explore a detailed coffee machine parts diagram to understand how your favorite beverage is made. knowing how to. Coffee Machine Wiring Diagram.
From www.pdfprof.com
Jura Impressa J5 A B E C D F G H I J K L M Coffee Machine Wiring Diagram understanding the wiring diagram of your coffee maker can be incredibly helpful for troubleshooting issues, performing repairs,. Follow the electric current throughout the coffee machine. Understand the key components and their functions in brewing the. Usually, they’ll provide you with either a detailed paper version of the diagram or a digital version. This may help diagnose a fault in. Coffee Machine Wiring Diagram.
From www.youtube.com
Electronics Coffee machine wiring diagram (2 Solutions!!) YouTube Coffee Machine Wiring Diagram explore a detailed coffee machine parts diagram to understand how your favorite beverage is made. learn how a coffee maker works by examining its schematic diagram. learn about the different parts of a coffee maker with our detailed diagram. This may help diagnose a fault in the circuit. Find out how each component works to brew your. Coffee Machine Wiring Diagram.
From www.wiringdigital.com
Wiring Diagram Coffee Maker » Wiring Digital And Schematic Coffee Machine Wiring Diagram when you need to find the wiring diagram for your coffee maker, it’s best to check with the manufacturer’s website or their customer service center. understanding the wiring diagram of your coffee maker can be incredibly helpful for troubleshooting issues, performing repairs,. Find out how each component works to brew your perfect cup of coffee. knowing how. Coffee Machine Wiring Diagram.
From www.pinterest.de
Wiring Diagram for 220v Gaggia Classic Gaggia classic, Coffee machine Coffee Machine Wiring Diagram Follow the electric current throughout the coffee machine. learn about the different parts of a coffee maker with our detailed diagram. Find out how each component works to brew your perfect cup of coffee. knowing how to read a wiring diagram for a coffee maker can help you troubleshoot any problems you may have with your. understanding. Coffee Machine Wiring Diagram.
From www.iwantacoffeemachine.com
Coffee Machine Install Guide Arden Coffee Sales Limited Coffee Machine Wiring Diagram when you need to find the wiring diagram for your coffee maker, it’s best to check with the manufacturer’s website or their customer service center. Follow the electric current throughout the coffee machine. Understand the key components and their functions in brewing the. Usually, they’ll provide you with either a detailed paper version of the diagram or a digital. Coffee Machine Wiring Diagram.
From www.wiringdigital.com
Wiring Diagram Coffee Maker Wiring Digital and Schematic Coffee Machine Wiring Diagram knowing how to read a wiring diagram for a coffee maker can help you troubleshoot any problems you may have with your. explore a detailed coffee machine parts diagram to understand how your favorite beverage is made. Understand the key components and their functions in brewing the. This may help diagnose a fault in the circuit. learn. Coffee Machine Wiring Diagram.
From wireenginefisher.z21.web.core.windows.net
Basic Coffee Machine Wiring Diagram Coffee Machine Wiring Diagram knowing how to read a wiring diagram for a coffee maker can help you troubleshoot any problems you may have with your. understanding the wiring diagram of your coffee maker can be incredibly helpful for troubleshooting issues, performing repairs,. Find out how each component works to brew your perfect cup of coffee. when you need to find. Coffee Machine Wiring Diagram.
From diagramweb.net
Iberital Espresso Machine Wiring Diagram Coffee Machine Wiring Diagram learn about the different parts of a coffee maker with our detailed diagram. This may help diagnose a fault in the circuit. Follow the electric current throughout the coffee machine. Find out how each component works to brew your perfect cup of coffee. understanding the wiring diagram of your coffee maker can be incredibly helpful for troubleshooting issues,. Coffee Machine Wiring Diagram.
From guidelistclair.z5.web.core.windows.net
Circuit Diagram Of Coffee Machine Coffee Machine Wiring Diagram Find out how each component works to brew your perfect cup of coffee. Understand the key components and their functions in brewing the. understanding the wiring diagram of your coffee maker can be incredibly helpful for troubleshooting issues, performing repairs,. explore a detailed coffee machine parts diagram to understand how your favorite beverage is made. Usually, they’ll provide. Coffee Machine Wiring Diagram.
From techschematic.com
Everything You Need to Know About Coffee Maker Wiring Diagrams Coffee Machine Wiring Diagram understanding the wiring diagram of your coffee maker can be incredibly helpful for troubleshooting issues, performing repairs,. knowing how to read a wiring diagram for a coffee maker can help you troubleshoot any problems you may have with your. when you need to find the wiring diagram for your coffee maker, it’s best to check with the. Coffee Machine Wiring Diagram.
From srihartatiningsih11910.blogspot.com
Bunn Coffee Maker Parts Diagram / Wiring Diagram Coffee Maker Coffee Machine Wiring Diagram Usually, they’ll provide you with either a detailed paper version of the diagram or a digital version. when you need to find the wiring diagram for your coffee maker, it’s best to check with the manufacturer’s website or their customer service center. This may help diagnose a fault in the circuit. explore a detailed coffee machine parts diagram. Coffee Machine Wiring Diagram.
From www.circuitdiagram.co
Circuit Diagram Of Coffee Machine Circuit Diagram Coffee Machine Wiring Diagram knowing how to read a wiring diagram for a coffee maker can help you troubleshoot any problems you may have with your. Follow the electric current throughout the coffee machine. Understand the key components and their functions in brewing the. understanding the wiring diagram of your coffee maker can be incredibly helpful for troubleshooting issues, performing repairs,. . Coffee Machine Wiring Diagram.
From diy.stackexchange.com
electrical How do I wire up a saeco magic deluxe coffee grinder to be Coffee Machine Wiring Diagram learn how a coffee maker works by examining its schematic diagram. explore a detailed coffee machine parts diagram to understand how your favorite beverage is made. Usually, they’ll provide you with either a detailed paper version of the diagram or a digital version. understanding the wiring diagram of your coffee maker can be incredibly helpful for troubleshooting. Coffee Machine Wiring Diagram.
From enginediagrambaum.z19.web.core.windows.net
Circuit Diagram Of Coffee Machine Coffee Machine Wiring Diagram knowing how to read a wiring diagram for a coffee maker can help you troubleshoot any problems you may have with your. explore a detailed coffee machine parts diagram to understand how your favorite beverage is made. learn how a coffee maker works by examining its schematic diagram. Find out how each component works to brew your. Coffee Machine Wiring Diagram.
From schematron.org
Bonavita Coffee Maker Wiring Diagram Wiring Diagram Pictures Coffee Machine Wiring Diagram knowing how to read a wiring diagram for a coffee maker can help you troubleshoot any problems you may have with your. learn about the different parts of a coffee maker with our detailed diagram. Understand the key components and their functions in brewing the. This may help diagnose a fault in the circuit. Find out how each. Coffee Machine Wiring Diagram.
From wiringdiagram.2bitboer.com
bunn coffee maker wiring diagram Wiring Diagram Coffee Machine Wiring Diagram Usually, they’ll provide you with either a detailed paper version of the diagram or a digital version. knowing how to read a wiring diagram for a coffee maker can help you troubleshoot any problems you may have with your. learn how a coffee maker works by examining its schematic diagram. Understand the key components and their functions in. Coffee Machine Wiring Diagram.
From ar.inspiredpencil.com
Keurig Coffee Maker Wiring Diagram Coffee Machine Wiring Diagram This may help diagnose a fault in the circuit. Find out how each component works to brew your perfect cup of coffee. explore a detailed coffee machine parts diagram to understand how your favorite beverage is made. learn how a coffee maker works by examining its schematic diagram. when you need to find the wiring diagram for. Coffee Machine Wiring Diagram.
From enginedatalassies.z19.web.core.windows.net
Coffee Maker Wiring Diagram Coffee Machine Wiring Diagram Usually, they’ll provide you with either a detailed paper version of the diagram or a digital version. understanding the wiring diagram of your coffee maker can be incredibly helpful for troubleshooting issues, performing repairs,. learn how a coffee maker works by examining its schematic diagram. explore a detailed coffee machine parts diagram to understand how your favorite. Coffee Machine Wiring Diagram.
From wiringdiagramall.blogspot.com
Wiring Diagram Coffee Maker Coffee Machine Wiring Diagram when you need to find the wiring diagram for your coffee maker, it’s best to check with the manufacturer’s website or their customer service center. Understand the key components and their functions in brewing the. Usually, they’ll provide you with either a detailed paper version of the diagram or a digital version. learn how a coffee maker works. Coffee Machine Wiring Diagram.
From technoanswers.blogspot.com
Technical Car Experts Answers everything you need Repair Notes for the Coffee Machine Wiring Diagram Understand the key components and their functions in brewing the. knowing how to read a wiring diagram for a coffee maker can help you troubleshoot any problems you may have with your. Follow the electric current throughout the coffee machine. explore a detailed coffee machine parts diagram to understand how your favorite beverage is made. Find out how. Coffee Machine Wiring Diagram.