Iko Compact Ball Spline . Linear ball spline is a linear motion rolling guide in which an external cylinder or slide unit makes linear motion along the spline shaft. We use cookies to optimize your experience on our website. The iko linear ball spline g is a linear motion rolling guide in which an external cylinder performs endless linear motion along the spline. Achieves the endless linear motion of an external cylinder along a spline shaft; Iko designs and manufactures a variety of compact ball spline guides to achieve precise linear motion across a diverse range of. By using our website through any device you accept the use of cookies as defined in our privacy policy. Block type linear ball spline lsb Features of linear ball spline series ① iko linear ball spline is a linear motion rolling guide in which an external cylinder makes linear motion along. The iko linear ball spline g is a linear motion rolling guide series of the round shaft type in which the external cylinder makes an infinite straight line movement on the spline shaft. Stable high accuracy and rigidity even under fluctuating loads with changing direction and magnitude or complex loads; Two rows of steel balls are arranged in four point contact with the raceways;
from www.lagerwerk.com
The iko linear ball spline g is a linear motion rolling guide series of the round shaft type in which the external cylinder makes an infinite straight line movement on the spline shaft. The iko linear ball spline g is a linear motion rolling guide in which an external cylinder performs endless linear motion along the spline. Block type linear ball spline lsb Stable high accuracy and rigidity even under fluctuating loads with changing direction and magnitude or complex loads; Features of linear ball spline series ① iko linear ball spline is a linear motion rolling guide in which an external cylinder makes linear motion along. By using our website through any device you accept the use of cookies as defined in our privacy policy. Iko designs and manufactures a variety of compact ball spline guides to achieve precise linear motion across a diverse range of. Two rows of steel balls are arranged in four point contact with the raceways; Achieves the endless linear motion of an external cylinder along a spline shaft; We use cookies to optimize your experience on our website.
Preview IKO 1080716, LSAG 5 C1 T1 HS2 / LSAG5C1T1HS2, Nutwellenführung
Iko Compact Ball Spline Linear ball spline is a linear motion rolling guide in which an external cylinder or slide unit makes linear motion along the spline shaft. The iko linear ball spline g is a linear motion rolling guide in which an external cylinder performs endless linear motion along the spline. Linear ball spline is a linear motion rolling guide in which an external cylinder or slide unit makes linear motion along the spline shaft. By using our website through any device you accept the use of cookies as defined in our privacy policy. Two rows of steel balls are arranged in four point contact with the raceways; Iko designs and manufactures a variety of compact ball spline guides to achieve precise linear motion across a diverse range of. The iko linear ball spline g is a linear motion rolling guide series of the round shaft type in which the external cylinder makes an infinite straight line movement on the spline shaft. We use cookies to optimize your experience on our website. Features of linear ball spline series ① iko linear ball spline is a linear motion rolling guide in which an external cylinder makes linear motion along. Block type linear ball spline lsb Achieves the endless linear motion of an external cylinder along a spline shaft; Stable high accuracy and rigidity even under fluctuating loads with changing direction and magnitude or complex loads;
From www.autolinearmotion.com
IKO Linear Ball Spline MAG4 MAGL6 from China manufacturer ALM Iko Compact Ball Spline Stable high accuracy and rigidity even under fluctuating loads with changing direction and magnitude or complex loads; The iko linear ball spline g is a linear motion rolling guide series of the round shaft type in which the external cylinder makes an infinite straight line movement on the spline shaft. We use cookies to optimize your experience on our website.. Iko Compact Ball Spline.
From www.lagerwerk.com
Aperçu IKO 1080716, LSAG 5 C1 T1 HS2 / LSAG5C1T1HS2, Nutwellenführung Iko Compact Ball Spline Achieves the endless linear motion of an external cylinder along a spline shaft; Two rows of steel balls are arranged in four point contact with the raceways; The iko linear ball spline g is a linear motion rolling guide in which an external cylinder performs endless linear motion along the spline. Iko designs and manufactures a variety of compact ball. Iko Compact Ball Spline.
From www.ikont.co.jp
Linear Ball Spline G Series IKO NIPPON THOMPSON Iko Compact Ball Spline Iko designs and manufactures a variety of compact ball spline guides to achieve precise linear motion across a diverse range of. Linear ball spline is a linear motion rolling guide in which an external cylinder or slide unit makes linear motion along the spline shaft. By using our website through any device you accept the use of cookies as defined. Iko Compact Ball Spline.
From www.ikont.co.jp
Linear Ball Spline G Series IKO NIPPON THOMPSON Iko Compact Ball Spline The iko linear ball spline g is a linear motion rolling guide series of the round shaft type in which the external cylinder makes an infinite straight line movement on the spline shaft. Achieves the endless linear motion of an external cylinder along a spline shaft; Block type linear ball spline lsb Iko designs and manufactures a variety of compact. Iko Compact Ball Spline.
From www.alibaba.com
Japan Iko Linear Ball Spline Nut Lsagfl20 Lsagfl20hs2 Lsagfl20c1s2 Iko Compact Ball Spline Stable high accuracy and rigidity even under fluctuating loads with changing direction and magnitude or complex loads; Achieves the endless linear motion of an external cylinder along a spline shaft; Block type linear ball spline lsb Two rows of steel balls are arranged in four point contact with the raceways; By using our website through any device you accept the. Iko Compact Ball Spline.
From www.lagerwerk.com
Preview IKO 1080716, LSAG 5 C1 T1 HS2 / LSAG5C1T1HS2, Nutwellenführung Iko Compact Ball Spline We use cookies to optimize your experience on our website. Linear ball spline is a linear motion rolling guide in which an external cylinder or slide unit makes linear motion along the spline shaft. Block type linear ball spline lsb By using our website through any device you accept the use of cookies as defined in our privacy policy. Stable. Iko Compact Ball Spline.
From www.thk-iko-whcd.com
THK Compact Ball Spline LT20X THKIKOHIWINWHCD Bearing Iko Compact Ball Spline Iko designs and manufactures a variety of compact ball spline guides to achieve precise linear motion across a diverse range of. Block type linear ball spline lsb Achieves the endless linear motion of an external cylinder along a spline shaft; Features of linear ball spline series ① iko linear ball spline is a linear motion rolling guide in which an. Iko Compact Ball Spline.
From www.lagerwerk.com
Vorschau IKO 1080716, LSAG 5 C1 T1 HS2 / LSAG5C1T1HS2 Iko Compact Ball Spline By using our website through any device you accept the use of cookies as defined in our privacy policy. Block type linear ball spline lsb Linear ball spline is a linear motion rolling guide in which an external cylinder or slide unit makes linear motion along the spline shaft. Features of linear ball spline series ① iko linear ball spline. Iko Compact Ball Spline.
From www.alibaba.com
Original Japan Iko Linear Ball Spline Nut Lsagfl15 Lsagfl15hs2 Iko Compact Ball Spline We use cookies to optimize your experience on our website. Achieves the endless linear motion of an external cylinder along a spline shaft; Block type linear ball spline lsb Stable high accuracy and rigidity even under fluctuating loads with changing direction and magnitude or complex loads; Linear ball spline is a linear motion rolling guide in which an external cylinder. Iko Compact Ball Spline.
From www.alibaba.com
Japan Iko Linear Ball Spline Lsag12 Lsag12c1s2 Buy Japan Iko,Linear Iko Compact Ball Spline The iko linear ball spline g is a linear motion rolling guide in which an external cylinder performs endless linear motion along the spline. By using our website through any device you accept the use of cookies as defined in our privacy policy. Two rows of steel balls are arranged in four point contact with the raceways; The iko linear. Iko Compact Ball Spline.
From www.transdev.co.uk
IKO Ball Splines for linear motion TransDev Iko Compact Ball Spline The iko linear ball spline g is a linear motion rolling guide series of the round shaft type in which the external cylinder makes an infinite straight line movement on the spline shaft. Block type linear ball spline lsb We use cookies to optimize your experience on our website. Stable high accuracy and rigidity even under fluctuating loads with changing. Iko Compact Ball Spline.
From www.thk-iko-whcd.com
LSB25 IKO Linear Ball Spline THKIKOHIWINWHCD Bearing Iko Compact Ball Spline Block type linear ball spline lsb Linear ball spline is a linear motion rolling guide in which an external cylinder or slide unit makes linear motion along the spline shaft. We use cookies to optimize your experience on our website. Features of linear ball spline series ① iko linear ball spline is a linear motion rolling guide in which an. Iko Compact Ball Spline.
From www.alibaba.com
Iko Linear Ball Spline Lsag10 Lsagt10 Long Life Compact Lsag Self Iko Compact Ball Spline Block type linear ball spline lsb By using our website through any device you accept the use of cookies as defined in our privacy policy. Stable high accuracy and rigidity even under fluctuating loads with changing direction and magnitude or complex loads; The iko linear ball spline g is a linear motion rolling guide series of the round shaft type. Iko Compact Ball Spline.
From www.north-part.com
IKO MAGLT 8 CLube Linear Ball Spline MAG North Bearing Iko Compact Ball Spline Linear ball spline is a linear motion rolling guide in which an external cylinder or slide unit makes linear motion along the spline shaft. The iko linear ball spline g is a linear motion rolling guide in which an external cylinder performs endless linear motion along the spline. We use cookies to optimize your experience on our website. Features of. Iko Compact Ball Spline.
From www.carousell.ph
IKO CLube Linear Ball Spline MAGF6 MAGFT6 Long Life Compact LSAGF Iko Compact Ball Spline Stable high accuracy and rigidity even under fluctuating loads with changing direction and magnitude or complex loads; Block type linear ball spline lsb Two rows of steel balls are arranged in four point contact with the raceways; Achieves the endless linear motion of an external cylinder along a spline shaft; By using our website through any device you accept the. Iko Compact Ball Spline.
From www.thk-iko-whcd.com
Ls4 IKO Stroke Ball Spline THKIKOHIWINWHCD Bearing Iko Compact Ball Spline We use cookies to optimize your experience on our website. Block type linear ball spline lsb Linear ball spline is a linear motion rolling guide in which an external cylinder or slide unit makes linear motion along the spline shaft. Two rows of steel balls are arranged in four point contact with the raceways; Achieves the endless linear motion of. Iko Compact Ball Spline.
From www.thk-iko-whcd.com
THK Compact Ball Spline LFH8XL THKIKOHIWINWHCD Bearing Iko Compact Ball Spline Linear ball spline is a linear motion rolling guide in which an external cylinder or slide unit makes linear motion along the spline shaft. Achieves the endless linear motion of an external cylinder along a spline shaft; The iko linear ball spline g is a linear motion rolling guide in which an external cylinder performs endless linear motion along the. Iko Compact Ball Spline.
From www.thk-iko-whcd.com
THK Precision Ball Screw/Spline Model BNS2020 Compact Type Straight Iko Compact Ball Spline Two rows of steel balls are arranged in four point contact with the raceways; By using our website through any device you accept the use of cookies as defined in our privacy policy. Stable high accuracy and rigidity even under fluctuating loads with changing direction and magnitude or complex loads; Achieves the endless linear motion of an external cylinder along. Iko Compact Ball Spline.
From www.lagerwerk.com
Preview IKO 1080716, LSAG 5 C1 T1 HS2 / LSAG5C1T1HS2, Nutwellenführung Iko Compact Ball Spline Iko designs and manufactures a variety of compact ball spline guides to achieve precise linear motion across a diverse range of. By using our website through any device you accept the use of cookies as defined in our privacy policy. We use cookies to optimize your experience on our website. Two rows of steel balls are arranged in four point. Iko Compact Ball Spline.
From ritmindustry.com
Linear shaft / ball splined / metal / compact RITM Industry Iko Compact Ball Spline Two rows of steel balls are arranged in four point contact with the raceways; Achieves the endless linear motion of an external cylinder along a spline shaft; We use cookies to optimize your experience on our website. Linear ball spline is a linear motion rolling guide in which an external cylinder or slide unit makes linear motion along the spline. Iko Compact Ball Spline.
From www.thk-iko-whcd.com
THK Ball Spline with Integrated Ball Screw DSP30 1606 THKIKOHIWIN Iko Compact Ball Spline The iko linear ball spline g is a linear motion rolling guide series of the round shaft type in which the external cylinder makes an infinite straight line movement on the spline shaft. By using our website through any device you accept the use of cookies as defined in our privacy policy. We use cookies to optimize your experience on. Iko Compact Ball Spline.
From au.rs-online.com
LSAG10C1R200 IKO Nippon Thompson Ball Spline Assembly, 10mm Shaft Iko Compact Ball Spline The iko linear ball spline g is a linear motion rolling guide in which an external cylinder performs endless linear motion along the spline. Linear ball spline is a linear motion rolling guide in which an external cylinder or slide unit makes linear motion along the spline shaft. The iko linear ball spline g is a linear motion rolling guide. Iko Compact Ball Spline.
From ikont.com
Ball Spline Rolling Guides IKO International Iko Compact Ball Spline Features of linear ball spline series ① iko linear ball spline is a linear motion rolling guide in which an external cylinder makes linear motion along. We use cookies to optimize your experience on our website. Linear ball spline is a linear motion rolling guide in which an external cylinder or slide unit makes linear motion along the spline shaft.. Iko Compact Ball Spline.
From www.thk-iko-whcd.com
THK Compact Ball Spline LF10X THKIKOHIWINWHCD Bearing Iko Compact Ball Spline Linear ball spline is a linear motion rolling guide in which an external cylinder or slide unit makes linear motion along the spline shaft. The iko linear ball spline g is a linear motion rolling guide series of the round shaft type in which the external cylinder makes an infinite straight line movement on the spline shaft. By using our. Iko Compact Ball Spline.
From www.thk-iko-whcd.com
Ls4 IKO Stroke Ball Spline THKIKOHIWINWHCD Bearing Iko Compact Ball Spline The iko linear ball spline g is a linear motion rolling guide in which an external cylinder performs endless linear motion along the spline. Block type linear ball spline lsb Stable high accuracy and rigidity even under fluctuating loads with changing direction and magnitude or complex loads; Two rows of steel balls are arranged in four point contact with the. Iko Compact Ball Spline.
From www.lagerwerk.com
Vorschau IKO 1080716, LSAG 5 C1 T1 HS2 / LSAG5C1T1HS2 Iko Compact Ball Spline Iko designs and manufactures a variety of compact ball spline guides to achieve precise linear motion across a diverse range of. Linear ball spline is a linear motion rolling guide in which an external cylinder or slide unit makes linear motion along the spline shaft. Block type linear ball spline lsb Two rows of steel balls are arranged in four. Iko Compact Ball Spline.
From www.lagerwerk.com
Vorschau IKO 1080716, LSAG 5 C1 T1 HS2 / LSAG5C1T1HS2 Iko Compact Ball Spline Linear ball spline is a linear motion rolling guide in which an external cylinder or slide unit makes linear motion along the spline shaft. By using our website through any device you accept the use of cookies as defined in our privacy policy. We use cookies to optimize your experience on our website. Two rows of steel balls are arranged. Iko Compact Ball Spline.
From www.ikont.co.jp
Linear Ball Spline G Series IKO NIPPON THOMPSON Iko Compact Ball Spline By using our website through any device you accept the use of cookies as defined in our privacy policy. The iko linear ball spline g is a linear motion rolling guide in which an external cylinder performs endless linear motion along the spline. Stable high accuracy and rigidity even under fluctuating loads with changing direction and magnitude or complex loads;. Iko Compact Ball Spline.
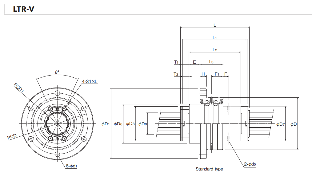
From www.thk-iko-whcd.com
THK Compact Ball Spline LTR20V THKIKOHIWINWHCD Bearing Iko Compact Ball Spline Stable high accuracy and rigidity even under fluctuating loads with changing direction and magnitude or complex loads; Features of linear ball spline series ① iko linear ball spline is a linear motion rolling guide in which an external cylinder makes linear motion along. Iko designs and manufactures a variety of compact ball spline guides to achieve precise linear motion across. Iko Compact Ball Spline.
From www.ball-rollerbearing.com
IKO LSAGF25C1HS2 Steel Linear Ball Spline Nut Square type Linear Ball Iko Compact Ball Spline Iko designs and manufactures a variety of compact ball spline guides to achieve precise linear motion across a diverse range of. Linear ball spline is a linear motion rolling guide in which an external cylinder or slide unit makes linear motion along the spline shaft. By using our website through any device you accept the use of cookies as defined. Iko Compact Ball Spline.
From www.thk-iko-whcd.com
LST6 IKO Stroke Ball Spline THKIKOHIWINWHCD Bearing Iko Compact Ball Spline Block type linear ball spline lsb Achieves the endless linear motion of an external cylinder along a spline shaft; Iko designs and manufactures a variety of compact ball spline guides to achieve precise linear motion across a diverse range of. Two rows of steel balls are arranged in four point contact with the raceways; Stable high accuracy and rigidity even. Iko Compact Ball Spline.
From www.lagerwerk.com
Vorschau IKO 1080716, LSAG 5 C1 T1 HS2 / LSAG5C1T1HS2 Iko Compact Ball Spline Iko designs and manufactures a variety of compact ball spline guides to achieve precise linear motion across a diverse range of. Achieves the endless linear motion of an external cylinder along a spline shaft; The iko linear ball spline g is a linear motion rolling guide series of the round shaft type in which the external cylinder makes an infinite. Iko Compact Ball Spline.
From www.spares4less.com
IKO LSAGF 30 T1 H S2 Compact Ball Spline spares4less Low cost Iko Compact Ball Spline Features of linear ball spline series ① iko linear ball spline is a linear motion rolling guide in which an external cylinder makes linear motion along. We use cookies to optimize your experience on our website. Two rows of steel balls are arranged in four point contact with the raceways; Linear ball spline is a linear motion rolling guide in. Iko Compact Ball Spline.
From www.thk-iko-whcd.com
LTR25A THK BALL SPLINE THKIKOHIWINWHCD Bearing Iko Compact Ball Spline The iko linear ball spline g is a linear motion rolling guide in which an external cylinder performs endless linear motion along the spline. Two rows of steel balls are arranged in four point contact with the raceways; The iko linear ball spline g is a linear motion rolling guide series of the round shaft type in which the external. Iko Compact Ball Spline.
From www.thk-iko-whcd.com
THK Compact Ball Spline LTR20V THKIKOHIWINWHCD Bearing Iko Compact Ball Spline The iko linear ball spline g is a linear motion rolling guide in which an external cylinder performs endless linear motion along the spline. We use cookies to optimize your experience on our website. Iko designs and manufactures a variety of compact ball spline guides to achieve precise linear motion across a diverse range of. Stable high accuracy and rigidity. Iko Compact Ball Spline.