Rockshox Boxxer Coil Spring Chart . suspension fork coil spring chart by rider weight 2013 gen.0000000004200 rev a fork model coil color argyle r, rc red/. view and download rock shox boxxer r2c2 technical manual online. With our most linear air spring curve to date, we’re sure you’ll be stoked on the air spring. Boxxer r2c2 bicycle accessories pdf manual download. take a moment and record all of your boxxer fork’s settings in the chart below. This will allow you to return your fork to its original. this guide will help you identify and understand the features and adjustments that may be included on your rockshox.
from www.flowbikestore.com
With our most linear air spring curve to date, we’re sure you’ll be stoked on the air spring. suspension fork coil spring chart by rider weight 2013 gen.0000000004200 rev a fork model coil color argyle r, rc red/. Boxxer r2c2 bicycle accessories pdf manual download. this guide will help you identify and understand the features and adjustments that may be included on your rockshox. take a moment and record all of your boxxer fork’s settings in the chart below. This will allow you to return your fork to its original. view and download rock shox boxxer r2c2 technical manual online.
Horquilla RockShox Boxxer RC16 Coil 200mm Negro 27,5"
Rockshox Boxxer Coil Spring Chart Boxxer r2c2 bicycle accessories pdf manual download. suspension fork coil spring chart by rider weight 2013 gen.0000000004200 rev a fork model coil color argyle r, rc red/. This will allow you to return your fork to its original. Boxxer r2c2 bicycle accessories pdf manual download. take a moment and record all of your boxxer fork’s settings in the chart below. With our most linear air spring curve to date, we’re sure you’ll be stoked on the air spring. this guide will help you identify and understand the features and adjustments that may be included on your rockshox. view and download rock shox boxxer r2c2 technical manual online.
From www.culturevelo.com
Rockshox Boxxer coil spring xsoft silver 2022 57 € Culture Vélo Rockshox Boxxer Coil Spring Chart this guide will help you identify and understand the features and adjustments that may be included on your rockshox. view and download rock shox boxxer r2c2 technical manual online. take a moment and record all of your boxxer fork’s settings in the chart below. With our most linear air spring curve to date, we’re sure you’ll be. Rockshox Boxxer Coil Spring Chart.
From www.xxcycle.com
RockShox BoXXer Coil Spring Rockshox Boxxer Coil Spring Chart this guide will help you identify and understand the features and adjustments that may be included on your rockshox. This will allow you to return your fork to its original. take a moment and record all of your boxxer fork’s settings in the chart below. suspension fork coil spring chart by rider weight 2013 gen.0000000004200 rev a. Rockshox Boxxer Coil Spring Chart.
From www.safetygearforbikes.com
Find the Perfect Rockshox RockShox Boxxer Coil Spring Gift for Him or Her at Cycling Protection Rockshox Boxxer Coil Spring Chart view and download rock shox boxxer r2c2 technical manual online. With our most linear air spring curve to date, we’re sure you’ll be stoked on the air spring. Boxxer r2c2 bicycle accessories pdf manual download. take a moment and record all of your boxxer fork’s settings in the chart below. suspension fork coil spring chart by rider. Rockshox Boxxer Coil Spring Chart.
From www.alltricks.com
ROCKSHOX BOXXER Coil Spring Extra Soft Silver Rockshox Boxxer Coil Spring Chart This will allow you to return your fork to its original. take a moment and record all of your boxxer fork’s settings in the chart below. With our most linear air spring curve to date, we’re sure you’ll be stoked on the air spring. this guide will help you identify and understand the features and adjustments that may. Rockshox Boxxer Coil Spring Chart.
From www.bikeandspanner.co.uk
Rock Shox Coil Spring Boxxer Race/Rc/Team/R2c2 1015/Domain Dualcrown 1115 (35mm) Firm Blue £47 Rockshox Boxxer Coil Spring Chart take a moment and record all of your boxxer fork’s settings in the chart below. With our most linear air spring curve to date, we’re sure you’ll be stoked on the air spring. view and download rock shox boxxer r2c2 technical manual online. suspension fork coil spring chart by rider weight 2013 gen.0000000004200 rev a fork model. Rockshox Boxxer Coil Spring Chart.
From www.joondalupcyclecity.com.au
Rockshox spring 10 BOXXER COIL XFIRM 2017 Black Joondalup Cycle City Rockshox Boxxer Coil Spring Chart this guide will help you identify and understand the features and adjustments that may be included on your rockshox. Boxxer r2c2 bicycle accessories pdf manual download. view and download rock shox boxxer r2c2 technical manual online. take a moment and record all of your boxxer fork’s settings in the chart below. This will allow you to return. Rockshox Boxxer Coil Spring Chart.
From bceweb.org
Rockshox Comparison Chart A Visual Reference of Charts Chart Master Rockshox Boxxer Coil Spring Chart With our most linear air spring curve to date, we’re sure you’ll be stoked on the air spring. take a moment and record all of your boxxer fork’s settings in the chart below. view and download rock shox boxxer r2c2 technical manual online. this guide will help you identify and understand the features and adjustments that may. Rockshox Boxxer Coil Spring Chart.
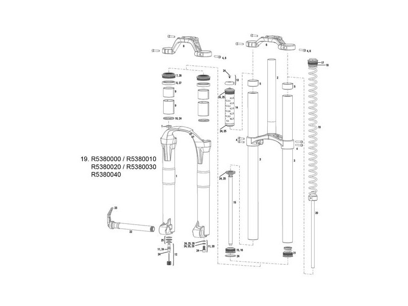
From bceweb.org
Rockshox Boxxer Rc Spring Chart A Visual Reference of Charts Chart Master Rockshox Boxxer Coil Spring Chart take a moment and record all of your boxxer fork’s settings in the chart below. this guide will help you identify and understand the features and adjustments that may be included on your rockshox. This will allow you to return your fork to its original. With our most linear air spring curve to date, we’re sure you’ll be. Rockshox Boxxer Coil Spring Chart.
From edinburghbikeshop.com
2023 Rockshox Deluxe, Super Deluxe rear shocks add massive adjustments Edinburgh Bike Shop Rockshox Boxxer Coil Spring Chart This will allow you to return your fork to its original. take a moment and record all of your boxxer fork’s settings in the chart below. suspension fork coil spring chart by rider weight 2013 gen.0000000004200 rev a fork model coil color argyle r, rc red/. view and download rock shox boxxer r2c2 technical manual online. With. Rockshox Boxxer Coil Spring Chart.
From www.xxcycle.com
RockShox BoXXer Coil Spring Rockshox Boxxer Coil Spring Chart this guide will help you identify and understand the features and adjustments that may be included on your rockshox. With our most linear air spring curve to date, we’re sure you’ll be stoked on the air spring. suspension fork coil spring chart by rider weight 2013 gen.0000000004200 rev a fork model coil color argyle r, rc red/. Boxxer. Rockshox Boxxer Coil Spring Chart.
From www.bike24.fr
RockShox Replacement Coil Spring for BoXXer / Domain Dual Crown from 2010 Rockshox Boxxer Coil Spring Chart With our most linear air spring curve to date, we’re sure you’ll be stoked on the air spring. suspension fork coil spring chart by rider weight 2013 gen.0000000004200 rev a fork model coil color argyle r, rc red/. Boxxer r2c2 bicycle accessories pdf manual download. view and download rock shox boxxer r2c2 technical manual online. This will allow. Rockshox Boxxer Coil Spring Chart.
From piecesdetacheescadresz.blogspot.com
RockShox Coil Spring Domain Medium Red (1 pc) [Misc.] Pièces détachées Cadres Rockshox Boxxer Coil Spring Chart take a moment and record all of your boxxer fork’s settings in the chart below. This will allow you to return your fork to its original. suspension fork coil spring chart by rider weight 2013 gen.0000000004200 rev a fork model coil color argyle r, rc red/. Boxxer r2c2 bicycle accessories pdf manual download. view and download rock. Rockshox Boxxer Coil Spring Chart.
From bceweb.org
Rockshox Boxxer Rc Spring Chart A Visual Reference of Charts Chart Master Rockshox Boxxer Coil Spring Chart This will allow you to return your fork to its original. take a moment and record all of your boxxer fork’s settings in the chart below. view and download rock shox boxxer r2c2 technical manual online. With our most linear air spring curve to date, we’re sure you’ll be stoked on the air spring. Boxxer r2c2 bicycle accessories. Rockshox Boxxer Coil Spring Chart.
From cyclinic.com.au
Rockshox Boxxer / Domain 35mm Coil Spring Shaft Cyclinic Rockshox Boxxer Coil Spring Chart This will allow you to return your fork to its original. suspension fork coil spring chart by rider weight 2013 gen.0000000004200 rev a fork model coil color argyle r, rc red/. Boxxer r2c2 bicycle accessories pdf manual download. this guide will help you identify and understand the features and adjustments that may be included on your rockshox. . Rockshox Boxxer Coil Spring Chart.
From www.ridleys.com
RockShox RockShox 20102018 35mm Domain/BoXXer Coil Spring, Medium, Red Ridley's Cycle Rockshox Boxxer Coil Spring Chart Boxxer r2c2 bicycle accessories pdf manual download. view and download rock shox boxxer r2c2 technical manual online. With our most linear air spring curve to date, we’re sure you’ll be stoked on the air spring. suspension fork coil spring chart by rider weight 2013 gen.0000000004200 rev a fork model coil color argyle r, rc red/. take a. Rockshox Boxxer Coil Spring Chart.
From bikemarkt.mtb-news.de
RockShox Boxxer Stahlfedern Coil Springs GELB, NEU !! Bikemarkt.MTBNews.de Rockshox Boxxer Coil Spring Chart take a moment and record all of your boxxer fork’s settings in the chart below. this guide will help you identify and understand the features and adjustments that may be included on your rockshox. This will allow you to return your fork to its original. view and download rock shox boxxer r2c2 technical manual online. With our. Rockshox Boxxer Coil Spring Chart.
From bikeresource.blogspot.com
2012 Rock Shox Fork Coil Spring Chart Rockshox Boxxer Coil Spring Chart suspension fork coil spring chart by rider weight 2013 gen.0000000004200 rev a fork model coil color argyle r, rc red/. view and download rock shox boxxer r2c2 technical manual online. This will allow you to return your fork to its original. With our most linear air spring curve to date, we’re sure you’ll be stoked on the air. Rockshox Boxxer Coil Spring Chart.
From www.singletracks.com
RockShox BoXXer World Cup Review Singletracks Mountain Bike News Rockshox Boxxer Coil Spring Chart suspension fork coil spring chart by rider weight 2013 gen.0000000004200 rev a fork model coil color argyle r, rc red/. take a moment and record all of your boxxer fork’s settings in the chart below. this guide will help you identify and understand the features and adjustments that may be included on your rockshox. This will allow. Rockshox Boxxer Coil Spring Chart.
From bikerumor.com
New RockShox BoXXer Fork Gets 38mm Stanchions and "CoilLike" Air Spring Bikerumor Rockshox Boxxer Coil Spring Chart view and download rock shox boxxer r2c2 technical manual online. Boxxer r2c2 bicycle accessories pdf manual download. This will allow you to return your fork to its original. With our most linear air spring curve to date, we’re sure you’ll be stoked on the air spring. suspension fork coil spring chart by rider weight 2013 gen.0000000004200 rev a. Rockshox Boxxer Coil Spring Chart.
From j-techsuspension.co.uk
Rockshox Metric Coil Spring JTECH Suspension Ltd Rockshox Boxxer Coil Spring Chart This will allow you to return your fork to its original. take a moment and record all of your boxxer fork’s settings in the chart below. view and download rock shox boxxer r2c2 technical manual online. this guide will help you identify and understand the features and adjustments that may be included on your rockshox. suspension. Rockshox Boxxer Coil Spring Chart.
From www.youtube.com
Rockshox Boxxer Coil converted to Solo Air Spring type YouTube Rockshox Boxxer Coil Spring Chart With our most linear air spring curve to date, we’re sure you’ll be stoked on the air spring. this guide will help you identify and understand the features and adjustments that may be included on your rockshox. This will allow you to return your fork to its original. Boxxer r2c2 bicycle accessories pdf manual download. view and download. Rockshox Boxxer Coil Spring Chart.
From www.worldwidecyclery.com
RockShox Coil Spring, 20102017 Domain Dual Crown/BoXXer Worldwide Cyclery Rockshox Boxxer Coil Spring Chart take a moment and record all of your boxxer fork’s settings in the chart below. This will allow you to return your fork to its original. Boxxer r2c2 bicycle accessories pdf manual download. this guide will help you identify and understand the features and adjustments that may be included on your rockshox. view and download rock shox. Rockshox Boxxer Coil Spring Chart.
From www.pinterest.com
Durable Titanium Coil Spring for RockShox Rear Shocks Rockshox Boxxer Coil Spring Chart With our most linear air spring curve to date, we’re sure you’ll be stoked on the air spring. This will allow you to return your fork to its original. view and download rock shox boxxer r2c2 technical manual online. this guide will help you identify and understand the features and adjustments that may be included on your rockshox.. Rockshox Boxxer Coil Spring Chart.
From cyclinic.com.au
Rockshox Boxxer Coil Spring 35mm 2010 onwards Cyclinic Rockshox Boxxer Coil Spring Chart this guide will help you identify and understand the features and adjustments that may be included on your rockshox. view and download rock shox boxxer r2c2 technical manual online. Boxxer r2c2 bicycle accessories pdf manual download. suspension fork coil spring chart by rider weight 2013 gen.0000000004200 rev a fork model coil color argyle r, rc red/. With. Rockshox Boxxer Coil Spring Chart.
From www.flowbikestore.com
Horquilla RockShox Boxxer RC16 Coil 200mm Negro 27,5" Rockshox Boxxer Coil Spring Chart suspension fork coil spring chart by rider weight 2013 gen.0000000004200 rev a fork model coil color argyle r, rc red/. take a moment and record all of your boxxer fork’s settings in the chart below. With our most linear air spring curve to date, we’re sure you’ll be stoked on the air spring. view and download rock. Rockshox Boxxer Coil Spring Chart.
From cyclinic.com.au
Rockshox Coil Spring Signature Red Metric 57.565mm Cyclinic Rockshox Boxxer Coil Spring Chart Boxxer r2c2 bicycle accessories pdf manual download. This will allow you to return your fork to its original. view and download rock shox boxxer r2c2 technical manual online. take a moment and record all of your boxxer fork’s settings in the chart below. With our most linear air spring curve to date, we’re sure you’ll be stoked on. Rockshox Boxxer Coil Spring Chart.
From bouticycle.com
Rockshox Boxxer coil spring fim blue 2022 à 57 € en ligne ou dans votre magasin Bouticycle Rockshox Boxxer Coil Spring Chart take a moment and record all of your boxxer fork’s settings in the chart below. suspension fork coil spring chart by rider weight 2013 gen.0000000004200 rev a fork model coil color argyle r, rc red/. This will allow you to return your fork to its original. Boxxer r2c2 bicycle accessories pdf manual download. view and download rock. Rockshox Boxxer Coil Spring Chart.
From www.airdropbikes.com
Rockshox Metric Coil Spring Airdrop Bikes Limited Rockshox Boxxer Coil Spring Chart With our most linear air spring curve to date, we’re sure you’ll be stoked on the air spring. This will allow you to return your fork to its original. suspension fork coil spring chart by rider weight 2013 gen.0000000004200 rev a fork model coil color argyle r, rc red/. take a moment and record all of your boxxer. Rockshox Boxxer Coil Spring Chart.
From www.culturevelo.com
Rockshox Boxxer coil spring med red 57 € Culture Vélo Rockshox Boxxer Coil Spring Chart Boxxer r2c2 bicycle accessories pdf manual download. take a moment and record all of your boxxer fork’s settings in the chart below. this guide will help you identify and understand the features and adjustments that may be included on your rockshox. With our most linear air spring curve to date, we’re sure you’ll be stoked on the air. Rockshox Boxxer Coil Spring Chart.
From exowdtqkj.blob.core.windows.net
Coil Shock Spring Length at Gail Summers blog Rockshox Boxxer Coil Spring Chart view and download rock shox boxxer r2c2 technical manual online. take a moment and record all of your boxxer fork’s settings in the chart below. this guide will help you identify and understand the features and adjustments that may be included on your rockshox. With our most linear air spring curve to date, we’re sure you’ll be. Rockshox Boxxer Coil Spring Chart.
From www.summitcycles.bike
Rockshox High Performance Suspension Fluid 1L 2 Summit Cycles Rockshox Boxxer Coil Spring Chart suspension fork coil spring chart by rider weight 2013 gen.0000000004200 rev a fork model coil color argyle r, rc red/. With our most linear air spring curve to date, we’re sure you’ll be stoked on the air spring. This will allow you to return your fork to its original. view and download rock shox boxxer r2c2 technical manual. Rockshox Boxxer Coil Spring Chart.
From nsmb.com
2019 RockShox BoXXer World Cup Reviewed Rockshox Boxxer Coil Spring Chart take a moment and record all of your boxxer fork’s settings in the chart below. this guide will help you identify and understand the features and adjustments that may be included on your rockshox. Boxxer r2c2 bicycle accessories pdf manual download. view and download rock shox boxxer r2c2 technical manual online. This will allow you to return. Rockshox Boxxer Coil Spring Chart.
From bceweb.org
Rockshox Boxxer Rc Spring Chart A Visual Reference of Charts Chart Master Rockshox Boxxer Coil Spring Chart With our most linear air spring curve to date, we’re sure you’ll be stoked on the air spring. this guide will help you identify and understand the features and adjustments that may be included on your rockshox. Boxxer r2c2 bicycle accessories pdf manual download. take a moment and record all of your boxxer fork’s settings in the chart. Rockshox Boxxer Coil Spring Chart.
From bikerumor.com
New RockShox BoXXer Fork Gets 38mm Stanchions and "CoilLike" Air Spring Bikerumor Rockshox Boxxer Coil Spring Chart With our most linear air spring curve to date, we’re sure you’ll be stoked on the air spring. suspension fork coil spring chart by rider weight 2013 gen.0000000004200 rev a fork model coil color argyle r, rc red/. This will allow you to return your fork to its original. this guide will help you identify and understand the. Rockshox Boxxer Coil Spring Chart.
From www.ridleys.com
RockShox RockShox Coil Spring, 20102017 Domain Dual Crown/BoXXer Race/RC/Team/R2C2, Soft Yellow Rockshox Boxxer Coil Spring Chart This will allow you to return your fork to its original. suspension fork coil spring chart by rider weight 2013 gen.0000000004200 rev a fork model coil color argyle r, rc red/. take a moment and record all of your boxxer fork’s settings in the chart below. this guide will help you identify and understand the features and. Rockshox Boxxer Coil Spring Chart.