Ac Power Line Filter Schematic . Kemet's filed application engineer teaches us the.   the fundamental circuit diagram of the filter is shown in this schematic from the filter datasheet (component values not specified and.  essentially, an ac power or mains emi lter is a low pass lter that blocks the #ow of “noise” while passing the desired input which can be dc or 50/60/400 hertz.  line filters prevent excessive noise from being conducted between electronic equipment and the ac line; They also protect expensive circuitry from potentially.  the figure below shows a typical power line filter schematic and it is easily to figure out its structure.  powerline filters remove impurities and artifacts from the ac line.   in almost every electronic you own, you can find an ac line filter. This is a passive network, suitable for both ac and.  ac power or mains emi filter is a low pass filter that blocks the flow of “noise” while passing the desired input which can be dc.
        
        from www.youtube.com 
     
        
         the figure below shows a typical power line filter schematic and it is easily to figure out its structure. They also protect expensive circuitry from potentially.  line filters prevent excessive noise from being conducted between electronic equipment and the ac line;  powerline filters remove impurities and artifacts from the ac line.  essentially, an ac power or mains emi lter is a low pass lter that blocks the #ow of “noise” while passing the desired input which can be dc or 50/60/400 hertz. Kemet's filed application engineer teaches us the. This is a passive network, suitable for both ac and.  ac power or mains emi filter is a low pass filter that blocks the flow of “noise” while passing the desired input which can be dc.   the fundamental circuit diagram of the filter is shown in this schematic from the filter datasheet (component values not specified and.   in almost every electronic you own, you can find an ac line filter.
    
    	
            
	
		 
         
    Building an eBay power filter kit (with schematic). YouTube 
    Ac Power Line Filter Schematic  This is a passive network, suitable for both ac and.   in almost every electronic you own, you can find an ac line filter. This is a passive network, suitable for both ac and. Kemet's filed application engineer teaches us the.  essentially, an ac power or mains emi lter is a low pass lter that blocks the #ow of “noise” while passing the desired input which can be dc or 50/60/400 hertz. They also protect expensive circuitry from potentially.   the fundamental circuit diagram of the filter is shown in this schematic from the filter datasheet (component values not specified and.  powerline filters remove impurities and artifacts from the ac line.  ac power or mains emi filter is a low pass filter that blocks the flow of “noise” while passing the desired input which can be dc.  the figure below shows a typical power line filter schematic and it is easily to figure out its structure.  line filters prevent excessive noise from being conducted between electronic equipment and the ac line;
            
	
		 
         
 
    
        From itecnotes.com 
                    How to simulate an AC line filter in LT Spice Valuable Tech Notes Ac Power Line Filter Schematic   line filters prevent excessive noise from being conducted between electronic equipment and the ac line;   the fundamental circuit diagram of the filter is shown in this schematic from the filter datasheet (component values not specified and. They also protect expensive circuitry from potentially.  powerline filters remove impurities and artifacts from the ac line.  ac power or. Ac Power Line Filter Schematic.
     
    
        From blog.knowlescapacitors.com 
                    Filter Basics Part 2 Designing Basic Filter Circuits Ac Power Line Filter Schematic   the figure below shows a typical power line filter schematic and it is easily to figure out its structure. Kemet's filed application engineer teaches us the.  essentially, an ac power or mains emi lter is a low pass lter that blocks the #ow of “noise” while passing the desired input which can be dc or 50/60/400 hertz. . Ac Power Line Filter Schematic.
     
    
        From manualdiagramausterlitz.z19.web.core.windows.net 
                    Power Line Filter Circuit Ac Power Line Filter Schematic  Kemet's filed application engineer teaches us the. They also protect expensive circuitry from potentially.  line filters prevent excessive noise from being conducted between electronic equipment and the ac line;  ac power or mains emi filter is a low pass filter that blocks the flow of “noise” while passing the desired input which can be dc.  powerline filters. Ac Power Line Filter Schematic.
     
    
        From www.ato.com 
                    EMI/RFI Power Line Filter 30A, 3 phase Ac Power Line Filter Schematic   ac power or mains emi filter is a low pass filter that blocks the flow of “noise” while passing the desired input which can be dc. This is a passive network, suitable for both ac and.  essentially, an ac power or mains emi lter is a low pass lter that blocks the #ow of “noise” while passing the. Ac Power Line Filter Schematic.
     
    
        From www.kemet.com 
                    The Importance of Filtering for Power Supplies Ac Power Line Filter Schematic  This is a passive network, suitable for both ac and.  essentially, an ac power or mains emi lter is a low pass lter that blocks the #ow of “noise” while passing the desired input which can be dc or 50/60/400 hertz. Kemet's filed application engineer teaches us the.  ac power or mains emi filter is a low pass. Ac Power Line Filter Schematic.
     
    
        From wiremystique.com 
                    Designing an Effective AC Power Line Filter WireMystique Ac Power Line Filter Schematic   essentially, an ac power or mains emi lter is a low pass lter that blocks the #ow of “noise” while passing the desired input which can be dc or 50/60/400 hertz.  ac power or mains emi filter is a low pass filter that blocks the flow of “noise” while passing the desired input which can be dc. Kemet's. Ac Power Line Filter Schematic.
     
    
        From www.cui.com 
                    Understanding EMI Filter Components CUI Inc Ac Power Line Filter Schematic    in almost every electronic you own, you can find an ac line filter.  powerline filters remove impurities and artifacts from the ac line. This is a passive network, suitable for both ac and. Kemet's filed application engineer teaches us the.   the fundamental circuit diagram of the filter is shown in this schematic from the filter datasheet (component. Ac Power Line Filter Schematic.
     
    
        From itecnotes.com 
                    Electrical How to connect an AC line filter Valuable Tech Notes Ac Power Line Filter Schematic   essentially, an ac power or mains emi lter is a low pass lter that blocks the #ow of “noise” while passing the desired input which can be dc or 50/60/400 hertz.  line filters prevent excessive noise from being conducted between electronic equipment and the ac line;  ac power or mains emi filter is a low pass filter. Ac Power Line Filter Schematic.
     
    
        From dxociskgq.blob.core.windows.net 
                    Filters Meaning at Patricia Tims blog Ac Power Line Filter Schematic   ac power or mains emi filter is a low pass filter that blocks the flow of “noise” while passing the desired input which can be dc. This is a passive network, suitable for both ac and. Kemet's filed application engineer teaches us the.  essentially, an ac power or mains emi lter is a low pass lter that blocks. Ac Power Line Filter Schematic.
     
    
        From www.circuitdiagram.co 
                    Capacitor Filter Circuit Circuit Diagram Ac Power Line Filter Schematic   powerline filters remove impurities and artifacts from the ac line. They also protect expensive circuitry from potentially.  essentially, an ac power or mains emi lter is a low pass lter that blocks the #ow of “noise” while passing the desired input which can be dc or 50/60/400 hertz.  line filters prevent excessive noise from being conducted between. Ac Power Line Filter Schematic.
     
    
        From www.youtube.com 
                    Building an eBay power filter kit (with schematic). YouTube Ac Power Line Filter Schematic   line filters prevent excessive noise from being conducted between electronic equipment and the ac line; Kemet's filed application engineer teaches us the. This is a passive network, suitable for both ac and.   in almost every electronic you own, you can find an ac line filter.  powerline filters remove impurities and artifacts from the ac line. They also. Ac Power Line Filter Schematic.
     
    
        From www.emcconsultinginc.com 
                    Power Line And Signal Line Filter Design Build And Test EMC Consulting Inc. Ac Power Line Filter Schematic   ac power or mains emi filter is a low pass filter that blocks the flow of “noise” while passing the desired input which can be dc.  the figure below shows a typical power line filter schematic and it is easily to figure out its structure.  line filters prevent excessive noise from being conducted between electronic equipment and. Ac Power Line Filter Schematic.
     
    
        From usermanual.wiki 
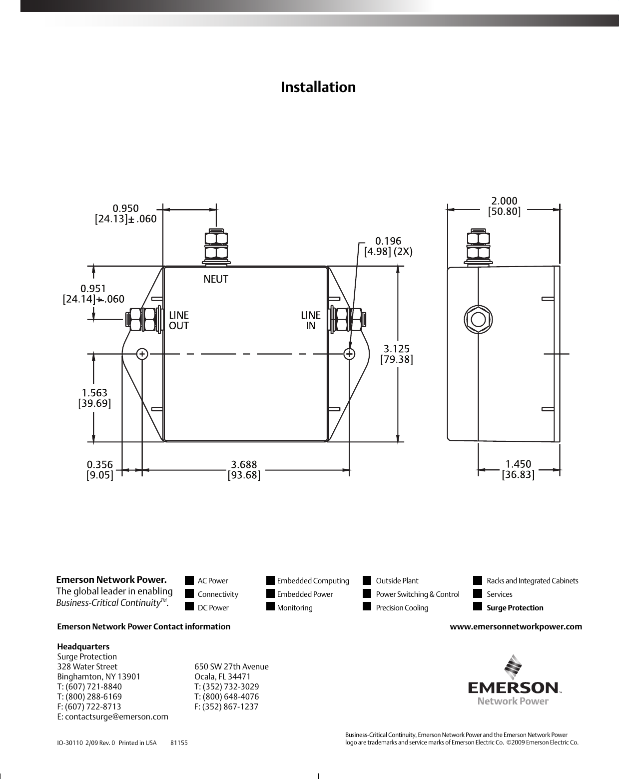
                    Emerson Islatrol Inxt120Nl000 1 Ac Power Line Filter Installation Manual Ac Power Line Filter Schematic   line filters prevent excessive noise from being conducted between electronic equipment and the ac line;  ac power or mains emi filter is a low pass filter that blocks the flow of “noise” while passing the desired input which can be dc. Kemet's filed application engineer teaches us the.  essentially, an ac power or mains emi lter is. Ac Power Line Filter Schematic.
     
    
        From wiringfixfuscous.z5.web.core.windows.net 
                    Ac Line Filter Circuit Ac Power Line Filter Schematic  They also protect expensive circuitry from potentially.   the fundamental circuit diagram of the filter is shown in this schematic from the filter datasheet (component values not specified and.  the figure below shows a typical power line filter schematic and it is easily to figure out its structure.  ac power or mains emi filter is a low pass. Ac Power Line Filter Schematic.
     
    
        From www.doeeet.com 
                    Modular AC line EMI filters explained Ac Power Line Filter Schematic  This is a passive network, suitable for both ac and.   in almost every electronic you own, you can find an ac line filter. Kemet's filed application engineer teaches us the.  ac power or mains emi filter is a low pass filter that blocks the flow of “noise” while passing the desired input which can be dc. They also. Ac Power Line Filter Schematic.
     
    
        From mungfali.com 
                    Cem3320 Filter Schematic Ac Power Line Filter Schematic   the figure below shows a typical power line filter schematic and it is easily to figure out its structure.  essentially, an ac power or mains emi lter is a low pass lter that blocks the #ow of “noise” while passing the desired input which can be dc or 50/60/400 hertz. Kemet's filed application engineer teaches us the. They. Ac Power Line Filter Schematic.
     
    
        From www.seekic.com 
                    ac_POWER_LINE_MONITOR Measuring_and_Test_Circuit Circuit Diagram Ac Power Line Filter Schematic   powerline filters remove impurities and artifacts from the ac line.   in almost every electronic you own, you can find an ac line filter. They also protect expensive circuitry from potentially. This is a passive network, suitable for both ac and.  essentially, an ac power or mains emi lter is a low pass lter that blocks the #ow. Ac Power Line Filter Schematic.
     
    
        From wiremystique.com 
                    Designing an Effective AC Power Line Filter WireMystique Ac Power Line Filter Schematic    in almost every electronic you own, you can find an ac line filter.  essentially, an ac power or mains emi lter is a low pass lter that blocks the #ow of “noise” while passing the desired input which can be dc or 50/60/400 hertz.  powerline filters remove impurities and artifacts from the ac line. Kemet's filed application. Ac Power Line Filter Schematic.
     
    
        From userlibraryfurst.z19.web.core.windows.net 
                    Power Line Filter Schematic Ac Power Line Filter Schematic   line filters prevent excessive noise from being conducted between electronic equipment and the ac line; Kemet's filed application engineer teaches us the.  powerline filters remove impurities and artifacts from the ac line.   the fundamental circuit diagram of the filter is shown in this schematic from the filter datasheet (component values not specified and.  the figure below. Ac Power Line Filter Schematic.
     
    
        From electronics.stackexchange.com 
                    AC power line filter no load current consumption Electrical Engineering Stack Exchange Ac Power Line Filter Schematic   the figure below shows a typical power line filter schematic and it is easily to figure out its structure. This is a passive network, suitable for both ac and.  line filters prevent excessive noise from being conducted between electronic equipment and the ac line;  essentially, an ac power or mains emi lter is a low pass lter. Ac Power Line Filter Schematic.
     
    
        From passive-components.eu 
                    AC Line Filters and Insertion Loss Explained Ac Power Line Filter Schematic   powerline filters remove impurities and artifacts from the ac line. This is a passive network, suitable for both ac and.  essentially, an ac power or mains emi lter is a low pass lter that blocks the #ow of “noise” while passing the desired input which can be dc or 50/60/400 hertz.  line filters prevent excessive noise from. Ac Power Line Filter Schematic.
     
    
        From www.electrical-contractor.net 
                    TVSS + AC filter Schematics ECN Electrical Forums Ac Power Line Filter Schematic    the fundamental circuit diagram of the filter is shown in this schematic from the filter datasheet (component values not specified and.  line filters prevent excessive noise from being conducted between electronic equipment and the ac line; They also protect expensive circuitry from potentially.  ac power or mains emi filter is a low pass filter that blocks the. Ac Power Line Filter Schematic.
     
    
        From wiringdiagramerik.z13.web.core.windows.net 
                    Ac Line Filter Circuit Diagram Ac Power Line Filter Schematic    the fundamental circuit diagram of the filter is shown in this schematic from the filter datasheet (component values not specified and. They also protect expensive circuitry from potentially. Kemet's filed application engineer teaches us the.  ac power or mains emi filter is a low pass filter that blocks the flow of “noise” while passing the desired input which. Ac Power Line Filter Schematic.
     
    
        From www.plexflo.com 
                    How to design harmonic filters for large power systems Ac Power Line Filter Schematic  They also protect expensive circuitry from potentially.  line filters prevent excessive noise from being conducted between electronic equipment and the ac line;   in almost every electronic you own, you can find an ac line filter.  ac power or mains emi filter is a low pass filter that blocks the flow of “noise” while passing the desired input. Ac Power Line Filter Schematic.
     
    
        From manualdiagramausterlitz.z19.web.core.windows.net 
                    Ac Line Filter Circuit Diagram Ac Power Line Filter Schematic   powerline filters remove impurities and artifacts from the ac line. This is a passive network, suitable for both ac and.   in almost every electronic you own, you can find an ac line filter. Kemet's filed application engineer teaches us the.  essentially, an ac power or mains emi lter is a low pass lter that blocks the #ow. Ac Power Line Filter Schematic.
     
    
        From www.alliedcomponents.com 
                    Understanding Different Types of Circuit Filters & How They Function Ac Power Line Filter Schematic    the fundamental circuit diagram of the filter is shown in this schematic from the filter datasheet (component values not specified and.   in almost every electronic you own, you can find an ac line filter.  line filters prevent excessive noise from being conducted between electronic equipment and the ac line;  ac power or mains emi filter is. Ac Power Line Filter Schematic.
     
    
        From passive-components.eu 
                    Modular AC line EMI filters explained Ac Power Line Filter Schematic    in almost every electronic you own, you can find an ac line filter. This is a passive network, suitable for both ac and.  the figure below shows a typical power line filter schematic and it is easily to figure out its structure.   the fundamental circuit diagram of the filter is shown in this schematic from the filter. Ac Power Line Filter Schematic.
     
    
        From electronics.stackexchange.com 
                    emi filtering How to design an EMI Filter for AC/DC PSU Electrical Engineering Stack Exchange Ac Power Line Filter Schematic   essentially, an ac power or mains emi lter is a low pass lter that blocks the #ow of “noise” while passing the desired input which can be dc or 50/60/400 hertz.   the fundamental circuit diagram of the filter is shown in this schematic from the filter datasheet (component values not specified and.  line filters prevent excessive noise. Ac Power Line Filter Schematic.
     
    
        From www.ato.com 
                    3A EMI Power Line Filter, 1 Phase Ac Power Line Filter Schematic  This is a passive network, suitable for both ac and.  powerline filters remove impurities and artifacts from the ac line. Kemet's filed application engineer teaches us the.  essentially, an ac power or mains emi lter is a low pass lter that blocks the #ow of “noise” while passing the desired input which can be dc or 50/60/400 hertz.. Ac Power Line Filter Schematic.
     
    
        From passive-components.eu 
                    What is a AC line filter Kemet Video Ac Power Line Filter Schematic   ac power or mains emi filter is a low pass filter that blocks the flow of “noise” while passing the desired input which can be dc.   the fundamental circuit diagram of the filter is shown in this schematic from the filter datasheet (component values not specified and.   in almost every electronic you own, you can find an. Ac Power Line Filter Schematic.
     
    
        From electronics.stackexchange.com 
                    emc Problem while simulating EMI Filter for power lines Electrical Engineering Stack Exchange Ac Power Line Filter Schematic  This is a passive network, suitable for both ac and.  powerline filters remove impurities and artifacts from the ac line.  line filters prevent excessive noise from being conducted between electronic equipment and the ac line;   the fundamental circuit diagram of the filter is shown in this schematic from the filter datasheet (component values not specified and. . Ac Power Line Filter Schematic.
     
    
        From schematicgonzina4e.z13.web.core.windows.net 
                    Power Line Filters Single Phase Ac Power Line Filter Schematic  They also protect expensive circuitry from potentially.   the fundamental circuit diagram of the filter is shown in this schematic from the filter datasheet (component values not specified and.  essentially, an ac power or mains emi lter is a low pass lter that blocks the #ow of “noise” while passing the desired input which can be dc or 50/60/400. Ac Power Line Filter Schematic.
     
    
        From manualdiagramausterlitz.z19.web.core.windows.net 
                    Diy Ac Power Line Filter Ac Power Line Filter Schematic    in almost every electronic you own, you can find an ac line filter.  essentially, an ac power or mains emi lter is a low pass lter that blocks the #ow of “noise” while passing the desired input which can be dc or 50/60/400 hertz.  powerline filters remove impurities and artifacts from the ac line. Kemet's filed application. Ac Power Line Filter Schematic.
     
    
        From www.circuitdiagram.co 
                    Ac Line Filter Circuit Diagram Circuit Diagram Ac Power Line Filter Schematic  This is a passive network, suitable for both ac and.  the figure below shows a typical power line filter schematic and it is easily to figure out its structure. They also protect expensive circuitry from potentially.  powerline filters remove impurities and artifacts from the ac line.   in almost every electronic you own, you can find an ac. Ac Power Line Filter Schematic.
     
    
        From www.emcconsultinginc.com 
                    Power Line And Signal Line Filter Design Build And Test EMC Consulting Inc. Ac Power Line Filter Schematic    in almost every electronic you own, you can find an ac line filter. They also protect expensive circuitry from potentially. Kemet's filed application engineer teaches us the.   the fundamental circuit diagram of the filter is shown in this schematic from the filter datasheet (component values not specified and. This is a passive network, suitable for both ac and.. Ac Power Line Filter Schematic.