Bpw Axle Diagram . General assembly drawings are available to the designer for all our axle and suspension types to ensure that the installation meets with the. The following maintenance instructions apply to bpw trailer axles and bpw suspensions for truck trailers and semitrailers manufactured from. 10.1 screwing the brake caliper to steering. From late 2020, bpw transpec will commence using the updated bpw ts2 caliper. Since august 2023, the axleguide, the new interactive design manual of bpw with. Steering axles with disc brake.page 38. The interactive construction manual of bpw. For parts information for knorr type calipers, please.
from www.bpw.de
The interactive construction manual of bpw. Since august 2023, the axleguide, the new interactive design manual of bpw with. General assembly drawings are available to the designer for all our axle and suspension types to ensure that the installation meets with the. Steering axles with disc brake.page 38. From late 2020, bpw transpec will commence using the updated bpw ts2 caliper. The following maintenance instructions apply to bpw trailer axles and bpw suspensions for truck trailers and semitrailers manufactured from. 10.1 screwing the brake caliper to steering. For parts information for knorr type calipers, please.
Rigid axles from BPW Taking the heaviest loads with ease
Bpw Axle Diagram 10.1 screwing the brake caliper to steering. For parts information for knorr type calipers, please. Since august 2023, the axleguide, the new interactive design manual of bpw with. Steering axles with disc brake.page 38. General assembly drawings are available to the designer for all our axle and suspension types to ensure that the installation meets with the. The interactive construction manual of bpw. 10.1 screwing the brake caliper to steering. The following maintenance instructions apply to bpw trailer axles and bpw suspensions for truck trailers and semitrailers manufactured from. From late 2020, bpw transpec will commence using the updated bpw ts2 caliper.
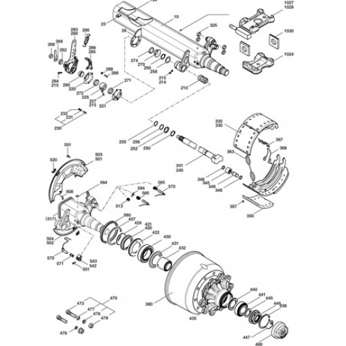
From bpwagrar.com
Axle lift devices BPWHungária Kft. Bpw Axle Diagram From late 2020, bpw transpec will commence using the updated bpw ts2 caliper. Since august 2023, the axleguide, the new interactive design manual of bpw with. For parts information for knorr type calipers, please. The interactive construction manual of bpw. Steering axles with disc brake.page 38. General assembly drawings are available to the designer for all our axle and suspension. Bpw Axle Diagram.
From sctegparts.com.au
BPW Brake 95 / ECO Drum Bpw Axle Diagram The following maintenance instructions apply to bpw trailer axles and bpw suspensions for truck trailers and semitrailers manufactured from. From late 2020, bpw transpec will commence using the updated bpw ts2 caliper. 10.1 screwing the brake caliper to steering. The interactive construction manual of bpw. For parts information for knorr type calipers, please. General assembly drawings are available to the. Bpw Axle Diagram.
From www.bpw.co.uk
SelfSteer Steering Axle SelfSteering Trailer BPW Bpw Axle Diagram The following maintenance instructions apply to bpw trailer axles and bpw suspensions for truck trailers and semitrailers manufactured from. From late 2020, bpw transpec will commence using the updated bpw ts2 caliper. The interactive construction manual of bpw. Steering axles with disc brake.page 38. General assembly drawings are available to the designer for all our axle and suspension types to. Bpw Axle Diagram.
From truckandbusbuilder.com
BPW introduces the BPW LL selfsteer axle compliant with new longer Bpw Axle Diagram Since august 2023, the axleguide, the new interactive design manual of bpw with. The following maintenance instructions apply to bpw trailer axles and bpw suspensions for truck trailers and semitrailers manufactured from. Steering axles with disc brake.page 38. For parts information for knorr type calipers, please. General assembly drawings are available to the designer for all our axle and suspension. Bpw Axle Diagram.
From www.vrogue.co
Bpw Torsion Axle Diy Trailer Kit 2600kg Tandem Bpw Uk vrogue.co Bpw Axle Diagram The interactive construction manual of bpw. For parts information for knorr type calipers, please. Since august 2023, the axleguide, the new interactive design manual of bpw with. The following maintenance instructions apply to bpw trailer axles and bpw suspensions for truck trailers and semitrailers manufactured from. General assembly drawings are available to the designer for all our axle and suspension. Bpw Axle Diagram.
From www.ecobaltic.lt
Axle BPW HZF 1201016 ECO Plus 1880/980/251 BPW 2550744354 BPW axles Bpw Axle Diagram General assembly drawings are available to the designer for all our axle and suspension types to ensure that the installation meets with the. Steering axles with disc brake.page 38. The interactive construction manual of bpw. 10.1 screwing the brake caliper to steering. Since august 2023, the axleguide, the new interactive design manual of bpw with. For parts information for knorr. Bpw Axle Diagram.
From sctegparts.com.au
BPW Brake 95 Lightweight Axle 420 x 180mm Bpw Axle Diagram From late 2020, bpw transpec will commence using the updated bpw ts2 caliper. 10.1 screwing the brake caliper to steering. The interactive construction manual of bpw. Since august 2023, the axleguide, the new interactive design manual of bpw with. The following maintenance instructions apply to bpw trailer axles and bpw suspensions for truck trailers and semitrailers manufactured from. General assembly. Bpw Axle Diagram.
From www.tradeeasy.com
Bpw Trailer Axle,HJB15FN100 Guangzhou Huajing Machine Manufacture Bpw Axle Diagram For parts information for knorr type calipers, please. Steering axles with disc brake.page 38. Since august 2023, the axleguide, the new interactive design manual of bpw with. The interactive construction manual of bpw. General assembly drawings are available to the designer for all our axle and suspension types to ensure that the installation meets with the. 10.1 screwing the brake. Bpw Axle Diagram.
From www.bpw.de
Rigid axles from BPW Taking the heaviest loads with ease Bpw Axle Diagram The interactive construction manual of bpw. Steering axles with disc brake.page 38. The following maintenance instructions apply to bpw trailer axles and bpw suspensions for truck trailers and semitrailers manufactured from. 10.1 screwing the brake caliper to steering. General assembly drawings are available to the designer for all our axle and suspension types to ensure that the installation meets with. Bpw Axle Diagram.
From cvwmagazine.co.uk
BPW explores selfsteering axle cvw Bpw Axle Diagram Steering axles with disc brake.page 38. The following maintenance instructions apply to bpw trailer axles and bpw suspensions for truck trailers and semitrailers manufactured from. 10.1 screwing the brake caliper to steering. Since august 2023, the axleguide, the new interactive design manual of bpw with. For parts information for knorr type calipers, please. The interactive construction manual of bpw. From. Bpw Axle Diagram.
From sctegparts.com.au
Spring Eye Bush Repair Kit (Alignable) BPW Bpw Axle Diagram General assembly drawings are available to the designer for all our axle and suspension types to ensure that the installation meets with the. Steering axles with disc brake.page 38. The interactive construction manual of bpw. For parts information for knorr type calipers, please. From late 2020, bpw transpec will commence using the updated bpw ts2 caliper. 10.1 screwing the brake. Bpw Axle Diagram.
From studylib.net
manual BPW trailer axles with drum brakes Bpw Axle Diagram For parts information for knorr type calipers, please. General assembly drawings are available to the designer for all our axle and suspension types to ensure that the installation meets with the. From late 2020, bpw transpec will commence using the updated bpw ts2 caliper. Since august 2023, the axleguide, the new interactive design manual of bpw with. The following maintenance. Bpw Axle Diagram.
From trailerboy.co.za
Hub Assembly BPW Eco Plus Bpw Axle Diagram The interactive construction manual of bpw. Steering axles with disc brake.page 38. Since august 2023, the axleguide, the new interactive design manual of bpw with. General assembly drawings are available to the designer for all our axle and suspension types to ensure that the installation meets with the. 10.1 screwing the brake caliper to steering. From late 2020, bpw transpec. Bpw Axle Diagram.
From www.alibaba.com
Germany Bpw Type Trailer Suspension Tridem Suspension Buy Semi Bpw Axle Diagram From late 2020, bpw transpec will commence using the updated bpw ts2 caliper. General assembly drawings are available to the designer for all our axle and suspension types to ensure that the installation meets with the. For parts information for knorr type calipers, please. 10.1 screwing the brake caliper to steering. Steering axles with disc brake.page 38. The following maintenance. Bpw Axle Diagram.
From bpwagrar.com
Pendle axle units BPWHungária Kft. Bpw Axle Diagram The interactive construction manual of bpw. Since august 2023, the axleguide, the new interactive design manual of bpw with. The following maintenance instructions apply to bpw trailer axles and bpw suspensions for truck trailers and semitrailers manufactured from. For parts information for knorr type calipers, please. Steering axles with disc brake.page 38. From late 2020, bpw transpec will commence using. Bpw Axle Diagram.
From www.trt.co.nz
Air Suspension Truck and Trailer Axle and Suspension TRT Bpw Axle Diagram 10.1 screwing the brake caliper to steering. Steering axles with disc brake.page 38. Since august 2023, the axleguide, the new interactive design manual of bpw with. General assembly drawings are available to the designer for all our axle and suspension types to ensure that the installation meets with the. The following maintenance instructions apply to bpw trailer axles and bpw. Bpw Axle Diagram.
From newsroom-en.bpw.de
Axle load of 12 tonnes now within reach of BPW air suspension... BPW Bpw Axle Diagram General assembly drawings are available to the designer for all our axle and suspension types to ensure that the installation meets with the. For parts information for knorr type calipers, please. The following maintenance instructions apply to bpw trailer axles and bpw suspensions for truck trailers and semitrailers manufactured from. 10.1 screwing the brake caliper to steering. Steering axles with. Bpw Axle Diagram.
From cvwmagazine.co.uk
BPW details an automatic slack adjuster guide cvw Bpw Axle Diagram 10.1 screwing the brake caliper to steering. General assembly drawings are available to the designer for all our axle and suspension types to ensure that the installation meets with the. The following maintenance instructions apply to bpw trailer axles and bpw suspensions for truck trailers and semitrailers manufactured from. Steering axles with disc brake.page 38. The interactive construction manual of. Bpw Axle Diagram.
From www.semitrailer-axles.com
trailer axles 12t 14t 16t 18t BPW Bpw Axle Diagram The following maintenance instructions apply to bpw trailer axles and bpw suspensions for truck trailers and semitrailers manufactured from. Steering axles with disc brake.page 38. 10.1 screwing the brake caliper to steering. General assembly drawings are available to the designer for all our axle and suspension types to ensure that the installation meets with the. For parts information for knorr. Bpw Axle Diagram.
From www.wondeeauto.com
Select 12T BPW Trailer Drum Type Axle,12T BPW Trailer Drum Type Axle Bpw Axle Diagram The interactive construction manual of bpw. Steering axles with disc brake.page 38. 10.1 screwing the brake caliper to steering. For parts information for knorr type calipers, please. The following maintenance instructions apply to bpw trailer axles and bpw suspensions for truck trailers and semitrailers manufactured from. General assembly drawings are available to the designer for all our axle and suspension. Bpw Axle Diagram.
From cvwmagazine.co.uk
BPW discusses drum and disc brakes cvw Bpw Axle Diagram The interactive construction manual of bpw. 10.1 screwing the brake caliper to steering. The following maintenance instructions apply to bpw trailer axles and bpw suspensions for truck trailers and semitrailers manufactured from. Steering axles with disc brake.page 38. From late 2020, bpw transpec will commence using the updated bpw ts2 caliper. Since august 2023, the axleguide, the new interactive design. Bpw Axle Diagram.
From sctegparts.com.au
BPW ECO HUB H, R, KH, & NR / 9 & 10 Tonne Bpw Axle Diagram The interactive construction manual of bpw. From late 2020, bpw transpec will commence using the updated bpw ts2 caliper. Steering axles with disc brake.page 38. For parts information for knorr type calipers, please. General assembly drawings are available to the designer for all our axle and suspension types to ensure that the installation meets with the. 10.1 screwing the brake. Bpw Axle Diagram.
From liftaxlesystems.com
EBT 3 BPW Eco Air Compact Lift Axle System Bpw Axle Diagram The interactive construction manual of bpw. Since august 2023, the axleguide, the new interactive design manual of bpw with. 10.1 screwing the brake caliper to steering. From late 2020, bpw transpec will commence using the updated bpw ts2 caliper. Steering axles with disc brake.page 38. For parts information for knorr type calipers, please. The following maintenance instructions apply to bpw. Bpw Axle Diagram.
From cvwmagazine.co.uk
BPW details an automatic slack adjuster guide cvw Bpw Axle Diagram Steering axles with disc brake.page 38. General assembly drawings are available to the designer for all our axle and suspension types to ensure that the installation meets with the. Since august 2023, the axleguide, the new interactive design manual of bpw with. For parts information for knorr type calipers, please. The interactive construction manual of bpw. The following maintenance instructions. Bpw Axle Diagram.
From www.bpw.in
Positively steered axles BPW India Bpw Axle Diagram Since august 2023, the axleguide, the new interactive design manual of bpw with. The interactive construction manual of bpw. From late 2020, bpw transpec will commence using the updated bpw ts2 caliper. For parts information for knorr type calipers, please. 10.1 screwing the brake caliper to steering. The following maintenance instructions apply to bpw trailer axles and bpw suspensions for. Bpw Axle Diagram.
From vdocuments.mx
BPW Axle Identification TRT€¦ · BPW Trailer Axle BPW Axle Bpw Axle Diagram The following maintenance instructions apply to bpw trailer axles and bpw suspensions for truck trailers and semitrailers manufactured from. For parts information for knorr type calipers, please. General assembly drawings are available to the designer for all our axle and suspension types to ensure that the installation meets with the. From late 2020, bpw transpec will commence using the updated. Bpw Axle Diagram.
From sctegparts.com.au
BPW ECO HUB Bpw Axle Diagram Steering axles with disc brake.page 38. The interactive construction manual of bpw. 10.1 screwing the brake caliper to steering. For parts information for knorr type calipers, please. From late 2020, bpw transpec will commence using the updated bpw ts2 caliper. Since august 2023, the axleguide, the new interactive design manual of bpw with. The following maintenance instructions apply to bpw. Bpw Axle Diagram.
From www.bpw.co.za
Aftermarket BPW we think transport Bpw Axle Diagram Since august 2023, the axleguide, the new interactive design manual of bpw with. The interactive construction manual of bpw. 10.1 screwing the brake caliper to steering. General assembly drawings are available to the designer for all our axle and suspension types to ensure that the installation meets with the. For parts information for knorr type calipers, please. Steering axles with. Bpw Axle Diagram.
From sctegparts.com.au
BPW Old Gen 20” 4 0 x 180mm brakes Bpw Axle Diagram Steering axles with disc brake.page 38. For parts information for knorr type calipers, please. Since august 2023, the axleguide, the new interactive design manual of bpw with. General assembly drawings are available to the designer for all our axle and suspension types to ensure that the installation meets with the. 10.1 screwing the brake caliper to steering. The interactive construction. Bpw Axle Diagram.
From liftaxlesystems.com
EBP 3 BPW Airlight II Lift Axle System Bpw Axle Diagram Since august 2023, the axleguide, the new interactive design manual of bpw with. From late 2020, bpw transpec will commence using the updated bpw ts2 caliper. For parts information for knorr type calipers, please. The interactive construction manual of bpw. General assembly drawings are available to the designer for all our axle and suspension types to ensure that the installation. Bpw Axle Diagram.
From www.maxiparts.com.au
BPW NEW GENERATION / BRAKE 95 420 X 180 BRAKE MaxiPARTS MaxiPARTS Bpw Axle Diagram General assembly drawings are available to the designer for all our axle and suspension types to ensure that the installation meets with the. Steering axles with disc brake.page 38. For parts information for knorr type calipers, please. Since august 2023, the axleguide, the new interactive design manual of bpw with. 10.1 screwing the brake caliper to steering. From late 2020,. Bpw Axle Diagram.
From www.scribd.com
BPW Trailer Axles Steering Axles With ECO Disc Trailer Disc Brakes Bpw Axle Diagram For parts information for knorr type calipers, please. The following maintenance instructions apply to bpw trailer axles and bpw suspensions for truck trailers and semitrailers manufactured from. Steering axles with disc brake.page 38. Since august 2023, the axleguide, the new interactive design manual of bpw with. General assembly drawings are available to the designer for all our axle and suspension. Bpw Axle Diagram.
From liftaxlesystems.com
EBT 3 BPW Eco Air Compact Lift Axle System Bpw Axle Diagram For parts information for knorr type calipers, please. The interactive construction manual of bpw. The following maintenance instructions apply to bpw trailer axles and bpw suspensions for truck trailers and semitrailers manufactured from. General assembly drawings are available to the designer for all our axle and suspension types to ensure that the installation meets with the. 10.1 screwing the brake. Bpw Axle Diagram.
From liftaxlesystems.com
EBK 7 BPW SL "SLM" & "SLO" Series Lift Axle System Bpw Axle Diagram General assembly drawings are available to the designer for all our axle and suspension types to ensure that the installation meets with the. Since august 2023, the axleguide, the new interactive design manual of bpw with. The following maintenance instructions apply to bpw trailer axles and bpw suspensions for truck trailers and semitrailers manufactured from. For parts information for knorr. Bpw Axle Diagram.
From bpwagrar.com
Positive steering systems BPWHungária Kft. Bpw Axle Diagram 10.1 screwing the brake caliper to steering. For parts information for knorr type calipers, please. General assembly drawings are available to the designer for all our axle and suspension types to ensure that the installation meets with the. The interactive construction manual of bpw. Since august 2023, the axleguide, the new interactive design manual of bpw with. From late 2020,. Bpw Axle Diagram.