Golf Mk5 Brake Fluid Capacity . Just make sure you have nice clean fluid. Learn how to check and change the brake fluid in your volkswagen golf, and why you should use brake fluid compliant with vw standard 501 14. This standard ensures optimal operation of the brake system. For proper fluid level and filling information, see the repair manual and/or maintenance manual in elsa. Prob doesn't matter, on the mk5 the pick up on the mc for the clutch was higher than the abs unit. If you do want something better just because why not then ate type 200 fluid is like a budget race fluid that's way better than standard. * oil and fluid part numbers are for reference only. I think you need at least two litres for a full brake fluid change actually one litre should be enough provided you don't encounter any.
from workshop-manuals.com
Learn how to check and change the brake fluid in your volkswagen golf, and why you should use brake fluid compliant with vw standard 501 14. This standard ensures optimal operation of the brake system. Prob doesn't matter, on the mk5 the pick up on the mc for the clutch was higher than the abs unit. Just make sure you have nice clean fluid. For proper fluid level and filling information, see the repair manual and/or maintenance manual in elsa. * oil and fluid part numbers are for reference only. I think you need at least two litres for a full brake fluid change actually one litre should be enough provided you don't encounter any. If you do want something better just because why not then ate type 200 fluid is like a budget race fluid that's way better than standard.
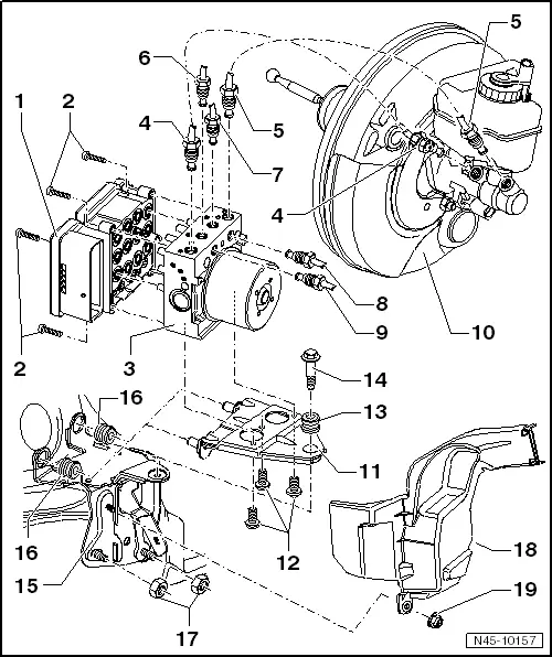
Volkswagen Manuals > Golf Mk5 > Brake systems > ABS, ADR, TCS
Golf Mk5 Brake Fluid Capacity For proper fluid level and filling information, see the repair manual and/or maintenance manual in elsa. Just make sure you have nice clean fluid. Learn how to check and change the brake fluid in your volkswagen golf, and why you should use brake fluid compliant with vw standard 501 14. If you do want something better just because why not then ate type 200 fluid is like a budget race fluid that's way better than standard. * oil and fluid part numbers are for reference only. I think you need at least two litres for a full brake fluid change actually one litre should be enough provided you don't encounter any. This standard ensures optimal operation of the brake system. For proper fluid level and filling information, see the repair manual and/or maintenance manual in elsa. Prob doesn't matter, on the mk5 the pick up on the mc for the clutch was higher than the abs unit.
From www.r32oc.com
Mk5 Brake Change/Upgrade Performance and Technical R32OC VW Golf Golf Mk5 Brake Fluid Capacity Learn how to check and change the brake fluid in your volkswagen golf, and why you should use brake fluid compliant with vw standard 501 14. I think you need at least two litres for a full brake fluid change actually one litre should be enough provided you don't encounter any. Prob doesn't matter, on the mk5 the pick up. Golf Mk5 Brake Fluid Capacity.
From www.aspiremotor.com
VW Golf MK5 (0509) Brake Master Cylinder + Brake Fluid Reservoir Golf Mk5 Brake Fluid Capacity Learn how to check and change the brake fluid in your volkswagen golf, and why you should use brake fluid compliant with vw standard 501 14. I think you need at least two litres for a full brake fluid change actually one litre should be enough provided you don't encounter any. * oil and fluid part numbers are for reference. Golf Mk5 Brake Fluid Capacity.
From workshop-manuals.com
Volkswagen Manuals > Golf Mk5 > Brake systems > Brakes Golf Mk5 Brake Fluid Capacity This standard ensures optimal operation of the brake system. Prob doesn't matter, on the mk5 the pick up on the mc for the clutch was higher than the abs unit. For proper fluid level and filling information, see the repair manual and/or maintenance manual in elsa. Learn how to check and change the brake fluid in your volkswagen golf, and. Golf Mk5 Brake Fluid Capacity.
From www.onlyrevo.com
VW Golf MK5/6 Chassis Revo by Alcon Big Brake Kit Upgrade Mono 6 Only Golf Mk5 Brake Fluid Capacity I think you need at least two litres for a full brake fluid change actually one litre should be enough provided you don't encounter any. Prob doesn't matter, on the mk5 the pick up on the mc for the clutch was higher than the abs unit. Learn how to check and change the brake fluid in your volkswagen golf, and. Golf Mk5 Brake Fluid Capacity.
From www.pelicanparts.com
Volkswagen Golf GTI Mk V Bleeding Your Brakes (20062009) Pelican Golf Mk5 Brake Fluid Capacity If you do want something better just because why not then ate type 200 fluid is like a budget race fluid that's way better than standard. Just make sure you have nice clean fluid. * oil and fluid part numbers are for reference only. I think you need at least two litres for a full brake fluid change actually one. Golf Mk5 Brake Fluid Capacity.
From www.youtube.com
Brake Pads Install on a VW MK5 Golf GTI YouTube Golf Mk5 Brake Fluid Capacity Learn how to check and change the brake fluid in your volkswagen golf, and why you should use brake fluid compliant with vw standard 501 14. This standard ensures optimal operation of the brake system. For proper fluid level and filling information, see the repair manual and/or maintenance manual in elsa. Prob doesn't matter, on the mk5 the pick up. Golf Mk5 Brake Fluid Capacity.
From workshop-manuals.com
Volkswagen Manuals > Golf Mk5 > Brake systems > ABS, ADR, TCS Golf Mk5 Brake Fluid Capacity Learn how to check and change the brake fluid in your volkswagen golf, and why you should use brake fluid compliant with vw standard 501 14. * oil and fluid part numbers are for reference only. This standard ensures optimal operation of the brake system. I think you need at least two litres for a full brake fluid change actually. Golf Mk5 Brake Fluid Capacity.
From www.pelicanparts.com
Volkswagen Golf GTI Mk V Brake Master Cylinder and Reservoir Golf Mk5 Brake Fluid Capacity Prob doesn't matter, on the mk5 the pick up on the mc for the clutch was higher than the abs unit. * oil and fluid part numbers are for reference only. If you do want something better just because why not then ate type 200 fluid is like a budget race fluid that's way better than standard. For proper fluid. Golf Mk5 Brake Fluid Capacity.
From www.newmiltonautoparts.com
VOLKSWAGEN GOLF MK5 BRAKE FLUID MASTER CYLINDER FILLER CAP AND LEVEL SENSOR Golf Mk5 Brake Fluid Capacity I think you need at least two litres for a full brake fluid change actually one litre should be enough provided you don't encounter any. * oil and fluid part numbers are for reference only. If you do want something better just because why not then ate type 200 fluid is like a budget race fluid that's way better than. Golf Mk5 Brake Fluid Capacity.
From www.youtube.com
Best Brakes for VW Golf MK5 GTI YouTube Golf Mk5 Brake Fluid Capacity For proper fluid level and filling information, see the repair manual and/or maintenance manual in elsa. If you do want something better just because why not then ate type 200 fluid is like a budget race fluid that's way better than standard. This standard ensures optimal operation of the brake system. * oil and fluid part numbers are for reference. Golf Mk5 Brake Fluid Capacity.
From www.youtube.com
How to change the brake and clutch fluid on a Mk5 Golf R32 YouTube Golf Mk5 Brake Fluid Capacity For proper fluid level and filling information, see the repair manual and/or maintenance manual in elsa. * oil and fluid part numbers are for reference only. Learn how to check and change the brake fluid in your volkswagen golf, and why you should use brake fluid compliant with vw standard 501 14. I think you need at least two litres. Golf Mk5 Brake Fluid Capacity.
From workshop-manuals.com
Volkswagen Service and Repair Manuals > Golf Mk5 > Brake Golf Mk5 Brake Fluid Capacity Just make sure you have nice clean fluid. Learn how to check and change the brake fluid in your volkswagen golf, and why you should use brake fluid compliant with vw standard 501 14. If you do want something better just because why not then ate type 200 fluid is like a budget race fluid that's way better than standard.. Golf Mk5 Brake Fluid Capacity.
From workshop-manuals.com
Volkswagen Service and Repair Manuals > Golf Mk5 > Brake Golf Mk5 Brake Fluid Capacity * oil and fluid part numbers are for reference only. For proper fluid level and filling information, see the repair manual and/or maintenance manual in elsa. Prob doesn't matter, on the mk5 the pick up on the mc for the clutch was higher than the abs unit. Learn how to check and change the brake fluid in your volkswagen golf,. Golf Mk5 Brake Fluid Capacity.
From www.newmiltonautoparts.com
VOLKSWAGEN GOLF MK5 BRAKE FLUID MASTER CYLINDER FILLER CAP AND LEVEL SENSOR Golf Mk5 Brake Fluid Capacity If you do want something better just because why not then ate type 200 fluid is like a budget race fluid that's way better than standard. * oil and fluid part numbers are for reference only. Just make sure you have nice clean fluid. Learn how to check and change the brake fluid in your volkswagen golf, and why you. Golf Mk5 Brake Fluid Capacity.
From workshop-manuals.com
Volkswagen Service and Repair Manuals > Golf Mk5 > Brake Golf Mk5 Brake Fluid Capacity Prob doesn't matter, on the mk5 the pick up on the mc for the clutch was higher than the abs unit. This standard ensures optimal operation of the brake system. If you do want something better just because why not then ate type 200 fluid is like a budget race fluid that's way better than standard. * oil and fluid. Golf Mk5 Brake Fluid Capacity.
From www.pelicanparts.com
Volkswagen Golf GTI Mk V Brake Master Cylinder and Reservoir Golf Mk5 Brake Fluid Capacity I think you need at least two litres for a full brake fluid change actually one litre should be enough provided you don't encounter any. * oil and fluid part numbers are for reference only. For proper fluid level and filling information, see the repair manual and/or maintenance manual in elsa. Just make sure you have nice clean fluid. Prob. Golf Mk5 Brake Fluid Capacity.
From www.youtube.com
How To Replace VW Golf Mk5 Rear Brake Pads And Discs? YouTube Golf Mk5 Brake Fluid Capacity * oil and fluid part numbers are for reference only. If you do want something better just because why not then ate type 200 fluid is like a budget race fluid that's way better than standard. For proper fluid level and filling information, see the repair manual and/or maintenance manual in elsa. Prob doesn't matter, on the mk5 the pick. Golf Mk5 Brake Fluid Capacity.
From www.newmiltonautoparts.com
VOLKSWAGEN GOLF MK5 BRAKE FLUID MASTER CYLINDER FILLER CAP AND LEVEL SENSOR Golf Mk5 Brake Fluid Capacity Prob doesn't matter, on the mk5 the pick up on the mc for the clutch was higher than the abs unit. For proper fluid level and filling information, see the repair manual and/or maintenance manual in elsa. Learn how to check and change the brake fluid in your volkswagen golf, and why you should use brake fluid compliant with vw. Golf Mk5 Brake Fluid Capacity.
From workshop-manuals.com
Volkswagen Service and Repair Manuals > Golf Mk5 > Brake Golf Mk5 Brake Fluid Capacity * oil and fluid part numbers are for reference only. If you do want something better just because why not then ate type 200 fluid is like a budget race fluid that's way better than standard. Learn how to check and change the brake fluid in your volkswagen golf, and why you should use brake fluid compliant with vw standard. Golf Mk5 Brake Fluid Capacity.
From www.compbrake.com
VW Golf Mk5, 6 & 7 16” Front Brake Kit 6 Pot Calipers [Pro Race 6 Golf Mk5 Brake Fluid Capacity Just make sure you have nice clean fluid. This standard ensures optimal operation of the brake system. If you do want something better just because why not then ate type 200 fluid is like a budget race fluid that's way better than standard. * oil and fluid part numbers are for reference only. Prob doesn't matter, on the mk5 the. Golf Mk5 Brake Fluid Capacity.
From workshop-manuals.com
Volkswagen Manuals > Golf Mk5 > Brake systems > Brake, brake Golf Mk5 Brake Fluid Capacity Learn how to check and change the brake fluid in your volkswagen golf, and why you should use brake fluid compliant with vw standard 501 14. Prob doesn't matter, on the mk5 the pick up on the mc for the clutch was higher than the abs unit. I think you need at least two litres for a full brake fluid. Golf Mk5 Brake Fluid Capacity.
From www.youtube.com
How To Access Brake Fluid Reservoir On VW MkV Golf The EASY WAY (MkV Golf Mk5 Brake Fluid Capacity I think you need at least two litres for a full brake fluid change actually one litre should be enough provided you don't encounter any. If you do want something better just because why not then ate type 200 fluid is like a budget race fluid that's way better than standard. * oil and fluid part numbers are for reference. Golf Mk5 Brake Fluid Capacity.
From www.myturbodiesel.com
How to bleed the brake and clutch fluid on your mk5 or mk6 VW and Audi A3 Golf Mk5 Brake Fluid Capacity * oil and fluid part numbers are for reference only. For proper fluid level and filling information, see the repair manual and/or maintenance manual in elsa. This standard ensures optimal operation of the brake system. If you do want something better just because why not then ate type 200 fluid is like a budget race fluid that's way better than. Golf Mk5 Brake Fluid Capacity.
From euromotivebh.com
Golf Maintenance Service Plan EuroMotive Golf Mk5 Brake Fluid Capacity Learn how to check and change the brake fluid in your volkswagen golf, and why you should use brake fluid compliant with vw standard 501 14. This standard ensures optimal operation of the brake system. I think you need at least two litres for a full brake fluid change actually one litre should be enough provided you don't encounter any.. Golf Mk5 Brake Fluid Capacity.
From workshop-manuals.com
Volkswagen Service and Repair Manuals > Golf Mk5 > Brake Golf Mk5 Brake Fluid Capacity If you do want something better just because why not then ate type 200 fluid is like a budget race fluid that's way better than standard. This standard ensures optimal operation of the brake system. Learn how to check and change the brake fluid in your volkswagen golf, and why you should use brake fluid compliant with vw standard 501. Golf Mk5 Brake Fluid Capacity.
From www.youtube.com
VW Golf 5 little about brake fluid how to add DOT4 /MINMAX check Golf Mk5 Brake Fluid Capacity * oil and fluid part numbers are for reference only. If you do want something better just because why not then ate type 200 fluid is like a budget race fluid that's way better than standard. Prob doesn't matter, on the mk5 the pick up on the mc for the clutch was higher than the abs unit. For proper fluid. Golf Mk5 Brake Fluid Capacity.
From automobill.net
Understanding Engine Brake Fluid Capacity A Comprehensive Guide Golf Mk5 Brake Fluid Capacity * oil and fluid part numbers are for reference only. Learn how to check and change the brake fluid in your volkswagen golf, and why you should use brake fluid compliant with vw standard 501 14. This standard ensures optimal operation of the brake system. For proper fluid level and filling information, see the repair manual and/or maintenance manual in. Golf Mk5 Brake Fluid Capacity.
From workshop-manuals.com
Volkswagen Manuals > Golf Mk5 > Brake systems > Brake, brake Golf Mk5 Brake Fluid Capacity This standard ensures optimal operation of the brake system. If you do want something better just because why not then ate type 200 fluid is like a budget race fluid that's way better than standard. Just make sure you have nice clean fluid. For proper fluid level and filling information, see the repair manual and/or maintenance manual in elsa. I. Golf Mk5 Brake Fluid Capacity.
From www.youtube.com
VW Golf Mk5 Audi Tdi DIY brake caliper adjustment using piston wind Golf Mk5 Brake Fluid Capacity If you do want something better just because why not then ate type 200 fluid is like a budget race fluid that's way better than standard. Learn how to check and change the brake fluid in your volkswagen golf, and why you should use brake fluid compliant with vw standard 501 14. I think you need at least two litres. Golf Mk5 Brake Fluid Capacity.
From www.youtube.com
Brake Fluid Flush VW Golf MK5 YouTube Golf Mk5 Brake Fluid Capacity Prob doesn't matter, on the mk5 the pick up on the mc for the clutch was higher than the abs unit. Learn how to check and change the brake fluid in your volkswagen golf, and why you should use brake fluid compliant with vw standard 501 14. Just make sure you have nice clean fluid. I think you need at. Golf Mk5 Brake Fluid Capacity.
From www.vwvortex.com
MK5 Brake Hissing VW Vortex Volkswagen Forum Golf Mk5 Brake Fluid Capacity For proper fluid level and filling information, see the repair manual and/or maintenance manual in elsa. Prob doesn't matter, on the mk5 the pick up on the mc for the clutch was higher than the abs unit. Learn how to check and change the brake fluid in your volkswagen golf, and why you should use brake fluid compliant with vw. Golf Mk5 Brake Fluid Capacity.
From www.pelicanparts.com
Volkswagen Golf GTI Mk V Front Brake Caliper Replacement (20062009 Golf Mk5 Brake Fluid Capacity For proper fluid level and filling information, see the repair manual and/or maintenance manual in elsa. I think you need at least two litres for a full brake fluid change actually one litre should be enough provided you don't encounter any. If you do want something better just because why not then ate type 200 fluid is like a budget. Golf Mk5 Brake Fluid Capacity.
From www.usedcarpartsuk.co.uk
VW Golf MK5 TDI brake fluid bottle cap sensor Used Car Parts UK Golf Mk5 Brake Fluid Capacity Prob doesn't matter, on the mk5 the pick up on the mc for the clutch was higher than the abs unit. Just make sure you have nice clean fluid. For proper fluid level and filling information, see the repair manual and/or maintenance manual in elsa. * oil and fluid part numbers are for reference only. I think you need at. Golf Mk5 Brake Fluid Capacity.
From workshop-manuals.com
Volkswagen Service and Repair Manuals > Golf Mk5 > Brake Golf Mk5 Brake Fluid Capacity For proper fluid level and filling information, see the repair manual and/or maintenance manual in elsa. If you do want something better just because why not then ate type 200 fluid is like a budget race fluid that's way better than standard. Prob doesn't matter, on the mk5 the pick up on the mc for the clutch was higher than. Golf Mk5 Brake Fluid Capacity.
From www.compbrake.com
VW Golf Mk5, 6, 7 18” Front Brake Kit 6 Pot Calipers [Pro Race 6 Golf Mk5 Brake Fluid Capacity * oil and fluid part numbers are for reference only. This standard ensures optimal operation of the brake system. If you do want something better just because why not then ate type 200 fluid is like a budget race fluid that's way better than standard. Learn how to check and change the brake fluid in your volkswagen golf, and why. Golf Mk5 Brake Fluid Capacity.