Ignition System Starter Motor . Find out how magnetos, spark. Learn what a starter motor is, how it works, and what causes it to fail. A starter motor is an electric motor that turns the engine over when you start the car, and it has a solenoid that engages and disengages it mechanically. Starter motors play a crucial role in the functionality of auto electrical systems, serving as the initial spark that ignites the engine’s. Learn how the starter motor and the starter solenoid work, and what causes them to fail. Learn how the starter motor, the solenoid, the bendix gear and the flywheel ring work together to start the engine. See the difference between inertia and pre. Find out how to test the starting system and fix. Learn about the ignition system that provides the spark to ignite the fuel/air mixture in the cylinders of an aircraft engine.
from www.pinterest.com.mx
Find out how magnetos, spark. A starter motor is an electric motor that turns the engine over when you start the car, and it has a solenoid that engages and disengages it mechanically. Learn about the ignition system that provides the spark to ignite the fuel/air mixture in the cylinders of an aircraft engine. Find out how to test the starting system and fix. Learn what a starter motor is, how it works, and what causes it to fail. Learn how the starter motor and the starter solenoid work, and what causes them to fail. See the difference between inertia and pre. Learn how the starter motor, the solenoid, the bendix gear and the flywheel ring work together to start the engine. Starter motors play a crucial role in the functionality of auto electrical systems, serving as the initial spark that ignites the engine’s.
Small Engine Starter Motors, Electrical Systems/Diagrams and
Ignition System Starter Motor Learn how the starter motor, the solenoid, the bendix gear and the flywheel ring work together to start the engine. Starter motors play a crucial role in the functionality of auto electrical systems, serving as the initial spark that ignites the engine’s. Find out how to test the starting system and fix. Learn how the starter motor and the starter solenoid work, and what causes them to fail. Learn what a starter motor is, how it works, and what causes it to fail. Learn how the starter motor, the solenoid, the bendix gear and the flywheel ring work together to start the engine. Learn about the ignition system that provides the spark to ignite the fuel/air mixture in the cylinders of an aircraft engine. See the difference between inertia and pre. A starter motor is an electric motor that turns the engine over when you start the car, and it has a solenoid that engages and disengages it mechanically. Find out how magnetos, spark.
From demotoring.com
Ignition system Demotor Performance Inc Ignition System Starter Motor Learn what a starter motor is, how it works, and what causes it to fail. Find out how magnetos, spark. See the difference between inertia and pre. A starter motor is an electric motor that turns the engine over when you start the car, and it has a solenoid that engages and disengages it mechanically. Learn how the starter motor. Ignition System Starter Motor.
From www.testingautos.com
Starting system in a car how it works, common problems Ignition System Starter Motor Starter motors play a crucial role in the functionality of auto electrical systems, serving as the initial spark that ignites the engine’s. Learn how the starter motor, the solenoid, the bendix gear and the flywheel ring work together to start the engine. Learn how the starter motor and the starter solenoid work, and what causes them to fail. Find out. Ignition System Starter Motor.
From www.carrzio.com
Engine Ignition System Starter With StartStop Fit For Audi A4 S4 A5 S5 Ignition System Starter Motor Learn what a starter motor is, how it works, and what causes it to fail. Find out how magnetos, spark. Learn how the starter motor, the solenoid, the bendix gear and the flywheel ring work together to start the engine. Learn about the ignition system that provides the spark to ignite the fuel/air mixture in the cylinders of an aircraft. Ignition System Starter Motor.
From latashaphoto.blogspot.com
Johnson Outboard Parts Diagram Johnson Ignition System Starter Motor Ignition System Starter Motor Learn what a starter motor is, how it works, and what causes it to fail. Learn about the ignition system that provides the spark to ignite the fuel/air mixture in the cylinders of an aircraft engine. Find out how to test the starting system and fix. Find out how magnetos, spark. Learn how the starter motor, the solenoid, the bendix. Ignition System Starter Motor.
From www.howacarworks.com
Checking a starter circuit How a Car Works Ignition System Starter Motor A starter motor is an electric motor that turns the engine over when you start the car, and it has a solenoid that engages and disengages it mechanically. Learn how the starter motor and the starter solenoid work, and what causes them to fail. Find out how magnetos, spark. See the difference between inertia and pre. Find out how to. Ignition System Starter Motor.
From www.howacarworks.com
How the starting system works How a Car Works Ignition System Starter Motor Learn how the starter motor, the solenoid, the bendix gear and the flywheel ring work together to start the engine. Learn about the ignition system that provides the spark to ignite the fuel/air mixture in the cylinders of an aircraft engine. See the difference between inertia and pre. Find out how magnetos, spark. Learn how the starter motor and the. Ignition System Starter Motor.
From nonstopengineering.blogspot.com
Starter Motor Scheme NonStop Engineering Ignition System Starter Motor Learn what a starter motor is, how it works, and what causes it to fail. See the difference between inertia and pre. Learn how the starter motor and the starter solenoid work, and what causes them to fail. Find out how magnetos, spark. Find out how to test the starting system and fix. Starter motors play a crucial role in. Ignition System Starter Motor.
From www.samarins.com
Starter motor, starting system how it works, problems, testing Ignition System Starter Motor Learn how the starter motor, the solenoid, the bendix gear and the flywheel ring work together to start the engine. Learn how the starter motor and the starter solenoid work, and what causes them to fail. Find out how to test the starting system and fix. Find out how magnetos, spark. A starter motor is an electric motor that turns. Ignition System Starter Motor.
From www.youtube.com
How an Engine Starter Motor Works YouTube Ignition System Starter Motor Starter motors play a crucial role in the functionality of auto electrical systems, serving as the initial spark that ignites the engine’s. Learn about the ignition system that provides the spark to ignite the fuel/air mixture in the cylinders of an aircraft engine. Learn what a starter motor is, how it works, and what causes it to fail. Find out. Ignition System Starter Motor.
From www.samarins.com
Starter motor, starting system how it works, problems, testing Ignition System Starter Motor Learn how the starter motor and the starter solenoid work, and what causes them to fail. A starter motor is an electric motor that turns the engine over when you start the car, and it has a solenoid that engages and disengages it mechanically. See the difference between inertia and pre. Find out how to test the starting system and. Ignition System Starter Motor.
From knowledge-swami.com
Car starterHow it works? Car starterHow it works? Ignition System Starter Motor Starter motors play a crucial role in the functionality of auto electrical systems, serving as the initial spark that ignites the engine’s. Learn how the starter motor and the starter solenoid work, and what causes them to fail. See the difference between inertia and pre. Find out how magnetos, spark. Learn about the ignition system that provides the spark to. Ignition System Starter Motor.
From www.getfree.org
Johnson 1995 300 J300PLEOR, Ignition System & Starter Motor parts Ignition System Starter Motor See the difference between inertia and pre. Starter motors play a crucial role in the functionality of auto electrical systems, serving as the initial spark that ignites the engine’s. Learn about the ignition system that provides the spark to ignite the fuel/air mixture in the cylinders of an aircraft engine. Find out how magnetos, spark. Learn how the starter motor,. Ignition System Starter Motor.
From www.selffixer.com
Johnson 1991 140 VJ140TXEID, Ignition System & Starter Motor parts Ignition System Starter Motor Starter motors play a crucial role in the functionality of auto electrical systems, serving as the initial spark that ignites the engine’s. Learn what a starter motor is, how it works, and what causes it to fail. Find out how magnetos, spark. Find out how to test the starting system and fix. Learn how the starter motor, the solenoid, the. Ignition System Starter Motor.
From www.carparts.com
How to Wire a Starter (With Example Diagrams) In The Garage with Ignition System Starter Motor Find out how magnetos, spark. Learn what a starter motor is, how it works, and what causes it to fail. Learn how the starter motor and the starter solenoid work, and what causes them to fail. Learn about the ignition system that provides the spark to ignite the fuel/air mixture in the cylinders of an aircraft engine. A starter motor. Ignition System Starter Motor.
From www.reddit.com
Starter Motor diagram r/MechanicSchool Ignition System Starter Motor See the difference between inertia and pre. Learn what a starter motor is, how it works, and what causes it to fail. Learn how the starter motor, the solenoid, the bendix gear and the flywheel ring work together to start the engine. Find out how to test the starting system and fix. Find out how magnetos, spark. Learn how the. Ignition System Starter Motor.
From repairfixpeetlife2k.z22.web.core.windows.net
Ford What Wires Go To The Starter Solenoid Ignition System Starter Motor Find out how to test the starting system and fix. Learn how the starter motor and the starter solenoid work, and what causes them to fail. Starter motors play a crucial role in the functionality of auto electrical systems, serving as the initial spark that ignites the engine’s. Learn how the starter motor, the solenoid, the bendix gear and the. Ignition System Starter Motor.
From boilersinfo.com
Understanding the Ignition System in Automobiles Ignition System Starter Motor Find out how magnetos, spark. Find out how to test the starting system and fix. A starter motor is an electric motor that turns the engine over when you start the car, and it has a solenoid that engages and disengages it mechanically. Starter motors play a crucial role in the functionality of auto electrical systems, serving as the initial. Ignition System Starter Motor.
From wiringwiringeisenhauer.z19.web.core.windows.net
Car Engine Starter Diagram Ignition System Starter Motor Starter motors play a crucial role in the functionality of auto electrical systems, serving as the initial spark that ignites the engine’s. A starter motor is an electric motor that turns the engine over when you start the car, and it has a solenoid that engages and disengages it mechanically. Find out how magnetos, spark. Learn how the starter motor. Ignition System Starter Motor.
From schematica37.blogspot.com
Kohler Engine Ignition Wiring Diagram Kohler Ignition Switch Wiring Ignition System Starter Motor Find out how to test the starting system and fix. Learn what a starter motor is, how it works, and what causes it to fail. A starter motor is an electric motor that turns the engine over when you start the car, and it has a solenoid that engages and disengages it mechanically. Learn how the starter motor and the. Ignition System Starter Motor.
From www.carrzio.com
Engine Ignition System Starter With StartStop Fit For Audi A4 S4 A5 S5 Ignition System Starter Motor Find out how to test the starting system and fix. Starter motors play a crucial role in the functionality of auto electrical systems, serving as the initial spark that ignites the engine’s. See the difference between inertia and pre. Learn how the starter motor and the starter solenoid work, and what causes them to fail. Learn how the starter motor,. Ignition System Starter Motor.
From manualguidestocker123.z13.web.core.windows.net
point ignition system diagram Ignition System Starter Motor Learn what a starter motor is, how it works, and what causes it to fail. Find out how magnetos, spark. Starter motors play a crucial role in the functionality of auto electrical systems, serving as the initial spark that ignites the engine’s. Learn how the starter motor, the solenoid, the bendix gear and the flywheel ring work together to start. Ignition System Starter Motor.
From www.slideshare.net
Starter motor drive mechanism Ignition System Starter Motor Learn what a starter motor is, how it works, and what causes it to fail. Find out how to test the starting system and fix. Learn how the starter motor and the starter solenoid work, and what causes them to fail. See the difference between inertia and pre. Starter motors play a crucial role in the functionality of auto electrical. Ignition System Starter Motor.
From www.barnfindspareparts.com.au
Starter Motor PreEngaged Pinion Drive, Lucas Australia 62250623 Ignition System Starter Motor Learn about the ignition system that provides the spark to ignite the fuel/air mixture in the cylinders of an aircraft engine. Find out how to test the starting system and fix. Learn what a starter motor is, how it works, and what causes it to fail. A starter motor is an electric motor that turns the engine over when you. Ignition System Starter Motor.
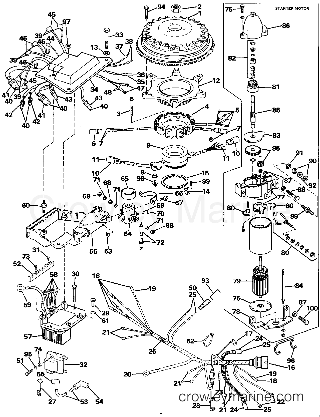
From www.crowleymarine.com
IGNITION SYSTEM & STARTER MOTOR 1988 Outboard 225 J225TXCCE Crowley Ignition System Starter Motor Learn about the ignition system that provides the spark to ignite the fuel/air mixture in the cylinders of an aircraft engine. See the difference between inertia and pre. Learn how the starter motor and the starter solenoid work, and what causes them to fail. Find out how magnetos, spark. Learn what a starter motor is, how it works, and what. Ignition System Starter Motor.
From www.justanswer.com
Jumping a Starter Solenoid Easy Steps with Screwdriver Porsche 944 Ignition System Starter Motor Find out how to test the starting system and fix. Learn how the starter motor and the starter solenoid work, and what causes them to fail. A starter motor is an electric motor that turns the engine over when you start the car, and it has a solenoid that engages and disengages it mechanically. See the difference between inertia and. Ignition System Starter Motor.
From ar.inspiredpencil.com
Starter Motor Diagram Ignition System Starter Motor Learn about the ignition system that provides the spark to ignite the fuel/air mixture in the cylinders of an aircraft engine. Find out how to test the starting system and fix. A starter motor is an electric motor that turns the engine over when you start the car, and it has a solenoid that engages and disengages it mechanically. Find. Ignition System Starter Motor.
From www.newkidscar.com
Сar Starting System Diagram Car Anatomy Ignition System Starter Motor See the difference between inertia and pre. Find out how to test the starting system and fix. Learn how the starter motor and the starter solenoid work, and what causes them to fail. Learn what a starter motor is, how it works, and what causes it to fail. Learn about the ignition system that provides the spark to ignite the. Ignition System Starter Motor.
From www.militarytrader.com
MV Starter Circuits Military Trader/Vehicles Ignition System Starter Motor Learn how the starter motor and the starter solenoid work, and what causes them to fail. Find out how magnetos, spark. Learn about the ignition system that provides the spark to ignite the fuel/air mixture in the cylinders of an aircraft engine. Learn how the starter motor, the solenoid, the bendix gear and the flywheel ring work together to start. Ignition System Starter Motor.
From www.jalopyjournal.com
Technical wiring a universal ignition switch The H.A.M.B. Ignition System Starter Motor Learn about the ignition system that provides the spark to ignite the fuel/air mixture in the cylinders of an aircraft engine. Find out how to test the starting system and fix. Learn how the starter motor and the starter solenoid work, and what causes them to fail. A starter motor is an electric motor that turns the engine over when. Ignition System Starter Motor.
From depositphotos.com
Car Ignition System Starter Starter Repair Stock Photo by Ignition System Starter Motor Learn how the starter motor, the solenoid, the bendix gear and the flywheel ring work together to start the engine. Learn about the ignition system that provides the spark to ignite the fuel/air mixture in the cylinders of an aircraft engine. Find out how magnetos, spark. Learn how the starter motor and the starter solenoid work, and what causes them. Ignition System Starter Motor.
From www.carrzio.com
Engine Ignition System Starter With StartStop Fit For Audi A4 S4 A5 S5 Ignition System Starter Motor Find out how to test the starting system and fix. Learn how the starter motor, the solenoid, the bendix gear and the flywheel ring work together to start the engine. A starter motor is an electric motor that turns the engine over when you start the car, and it has a solenoid that engages and disengages it mechanically. Learn what. Ignition System Starter Motor.
From www.pinterest.com.mx
Small Engine Starter Motors, Electrical Systems/Diagrams and Ignition System Starter Motor Learn how the starter motor, the solenoid, the bendix gear and the flywheel ring work together to start the engine. Learn what a starter motor is, how it works, and what causes it to fail. Find out how magnetos, spark. Starter motors play a crucial role in the functionality of auto electrical systems, serving as the initial spark that ignites. Ignition System Starter Motor.
From isavetractors.com
Understanding Your Battery Ignition System on your Kohler K Series Ignition System Starter Motor Starter motors play a crucial role in the functionality of auto electrical systems, serving as the initial spark that ignites the engine’s. Find out how to test the starting system and fix. Learn how the starter motor and the starter solenoid work, and what causes them to fail. Learn how the starter motor, the solenoid, the bendix gear and the. Ignition System Starter Motor.
From www.samarins.com
Starter motor, starting system how it works, problems, testing Ignition System Starter Motor Starter motors play a crucial role in the functionality of auto electrical systems, serving as the initial spark that ignites the engine’s. Find out how magnetos, spark. See the difference between inertia and pre. Find out how to test the starting system and fix. Learn about the ignition system that provides the spark to ignite the fuel/air mixture in the. Ignition System Starter Motor.
From www.pinterest.com
Troubleshooting the ignition warning light How a Car Works Ignition System Starter Motor Learn what a starter motor is, how it works, and what causes it to fail. Find out how magnetos, spark. A starter motor is an electric motor that turns the engine over when you start the car, and it has a solenoid that engages and disengages it mechanically. Starter motors play a crucial role in the functionality of auto electrical. Ignition System Starter Motor.