Audi A3 Abs Fuse Location . 54 rows — fuse box diagrams (layout, location, function, assignment) in the cabin and engine compartment of audi a3 and. here you will find fuse box diagrams of audi a3 and s3 2013, 2015, 2016, 2017, 2018, 2019, and 2020 get information about the. The fuses are behind the. here you will find fuse box diagrams of audi a3 and s3 2008, 2009, 2010, 2011 and 2012, get information about the location of the. — locate fuse and relay. — fuse box diagram (location and assignment of electrical fuses) for audi a3 /. 2012, 2013, 2014, 2015, 2016.
from workshop-manuals.com
here you will find fuse box diagrams of audi a3 and s3 2013, 2015, 2016, 2017, 2018, 2019, and 2020 get information about the. — locate fuse and relay. — fuse box diagram (location and assignment of electrical fuses) for audi a3 /. 54 rows — fuse box diagrams (layout, location, function, assignment) in the cabin and engine compartment of audi a3 and. 2012, 2013, 2014, 2015, 2016. here you will find fuse box diagrams of audi a3 and s3 2008, 2009, 2010, 2011 and 2012, get information about the location of the. The fuses are behind the.
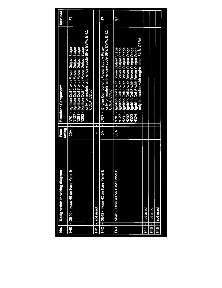
Audi Manuals > A3 Quattro V63.2L (BUB) (2008) > Maintenance
Audi A3 Abs Fuse Location 2012, 2013, 2014, 2015, 2016. here you will find fuse box diagrams of audi a3 and s3 2013, 2015, 2016, 2017, 2018, 2019, and 2020 get information about the. 54 rows — fuse box diagrams (layout, location, function, assignment) in the cabin and engine compartment of audi a3 and. 2012, 2013, 2014, 2015, 2016. here you will find fuse box diagrams of audi a3 and s3 2008, 2009, 2010, 2011 and 2012, get information about the location of the. — locate fuse and relay. The fuses are behind the. — fuse box diagram (location and assignment of electrical fuses) for audi a3 /.
From www.youtube.com
Where is your Audi A3 Fuse boards YouTube Audi A3 Abs Fuse Location here you will find fuse box diagrams of audi a3 and s3 2013, 2015, 2016, 2017, 2018, 2019, and 2020 get information about the. — fuse box diagram (location and assignment of electrical fuses) for audi a3 /. here you will find fuse box diagrams of audi a3 and s3 2008, 2009, 2010, 2011 and 2012, get. Audi A3 Abs Fuse Location.
From workshop-manuals.com
Audi Service and Repair Manuals > A3 Quattro (8PA) L42.0L Audi A3 Abs Fuse Location — locate fuse and relay. 2012, 2013, 2014, 2015, 2016. 54 rows — fuse box diagrams (layout, location, function, assignment) in the cabin and engine compartment of audi a3 and. here you will find fuse box diagrams of audi a3 and s3 2013, 2015, 2016, 2017, 2018, 2019, and 2020 get information about the. — fuse. Audi A3 Abs Fuse Location.
From www.wiringdigital.com
Audi A3 8p Wiring Diagram Pdf » Wiring Digital And Schematic Audi A3 Abs Fuse Location — locate fuse and relay. here you will find fuse box diagrams of audi a3 and s3 2013, 2015, 2016, 2017, 2018, 2019, and 2020 get information about the. 2012, 2013, 2014, 2015, 2016. The fuses are behind the. here you will find fuse box diagrams of audi a3 and s3 2008, 2009, 2010, 2011 and 2012,. Audi A3 Abs Fuse Location.
From www.audiownersclub.com
Audi A3 8P 2008 ABS CODES 01130 and 16352 VCDS Audi A3 (8P) Forum Audi A3 Abs Fuse Location here you will find fuse box diagrams of audi a3 and s3 2013, 2015, 2016, 2017, 2018, 2019, and 2020 get information about the. here you will find fuse box diagrams of audi a3 and s3 2008, 2009, 2010, 2011 and 2012, get information about the location of the. — locate fuse and relay. 54 rows. Audi A3 Abs Fuse Location.
From wiringschema.com
[DIAGRAM] Audi A3 Fuse Diagram Audi A3 Abs Fuse Location — locate fuse and relay. 2012, 2013, 2014, 2015, 2016. — fuse box diagram (location and assignment of electrical fuses) for audi a3 /. 54 rows — fuse box diagrams (layout, location, function, assignment) in the cabin and engine compartment of audi a3 and. here you will find fuse box diagrams of audi a3 and s3. Audi A3 Abs Fuse Location.
From www.autogenius.info
Audi A3 (2012 2016) fuse box diagram Auto Genius Audi A3 Abs Fuse Location — fuse box diagram (location and assignment of electrical fuses) for audi a3 /. 54 rows — fuse box diagrams (layout, location, function, assignment) in the cabin and engine compartment of audi a3 and. The fuses are behind the. here you will find fuse box diagrams of audi a3 and s3 2013, 2015, 2016, 2017, 2018, 2019,. Audi A3 Abs Fuse Location.
From ubicaciondepersonas.cdmx.gob.mx
Audi A3 Fuse Box Location ubicaciondepersonas.cdmx.gob.mx Audi A3 Abs Fuse Location here you will find fuse box diagrams of audi a3 and s3 2013, 2015, 2016, 2017, 2018, 2019, and 2020 get information about the. here you will find fuse box diagrams of audi a3 and s3 2008, 2009, 2010, 2011 and 2012, get information about the location of the. — fuse box diagram (location and assignment of. Audi A3 Abs Fuse Location.
From workshop-manuals.com
Audi Manuals > A3 Quattro V63.2L (BUB) (2008) > Maintenance Audi A3 Abs Fuse Location 54 rows — fuse box diagrams (layout, location, function, assignment) in the cabin and engine compartment of audi a3 and. 2012, 2013, 2014, 2015, 2016. here you will find fuse box diagrams of audi a3 and s3 2008, 2009, 2010, 2011 and 2012, get information about the location of the. — fuse box diagram (location and assignment. Audi A3 Abs Fuse Location.
From workshop-manuals.com
Audi Service and Repair Manuals > A3 Quattro V63.2L (BUB Audi A3 Abs Fuse Location — fuse box diagram (location and assignment of electrical fuses) for audi a3 /. The fuses are behind the. here you will find fuse box diagrams of audi a3 and s3 2008, 2009, 2010, 2011 and 2012, get information about the location of the. 54 rows — fuse box diagrams (layout, location, function, assignment) in the cabin. Audi A3 Abs Fuse Location.
From workshop-manuals.com
Audi Service and Repair Manuals > A3 Quattro V63.2L (BUB Audi A3 Abs Fuse Location here you will find fuse box diagrams of audi a3 and s3 2008, 2009, 2010, 2011 and 2012, get information about the location of the. 54 rows — fuse box diagrams (layout, location, function, assignment) in the cabin and engine compartment of audi a3 and. The fuses are behind the. 2012, 2013, 2014, 2015, 2016. here you. Audi A3 Abs Fuse Location.
From workshop-manuals.com
Audi Manuals > A3 (8PA) L42.0L DSL Turbo (CBEA) (2011 Audi A3 Abs Fuse Location The fuses are behind the. — locate fuse and relay. here you will find fuse box diagrams of audi a3 and s3 2008, 2009, 2010, 2011 and 2012, get information about the location of the. 2012, 2013, 2014, 2015, 2016. — fuse box diagram (location and assignment of electrical fuses) for audi a3 /. here you. Audi A3 Abs Fuse Location.
From fuseandrelay.com
Fuse box diagram Audi A3 2003 2012 and relay with assignment and location Audi A3 Abs Fuse Location — locate fuse and relay. The fuses are behind the. here you will find fuse box diagrams of audi a3 and s3 2013, 2015, 2016, 2017, 2018, 2019, and 2020 get information about the. — fuse box diagram (location and assignment of electrical fuses) for audi a3 /. 2012, 2013, 2014, 2015, 2016. here you will. Audi A3 Abs Fuse Location.
From workshop-manuals.com
Audi Service and Repair Manuals > A3 Quattro V63.2L (BUB Audi A3 Abs Fuse Location — locate fuse and relay. — fuse box diagram (location and assignment of electrical fuses) for audi a3 /. 54 rows — fuse box diagrams (layout, location, function, assignment) in the cabin and engine compartment of audi a3 and. here you will find fuse box diagrams of audi a3 and s3 2008, 2009, 2010, 2011 and. Audi A3 Abs Fuse Location.
From www.youtube.com
Where are fuses and relays in Audi A3 8L (cabin and engine fuse box Audi A3 Abs Fuse Location 2012, 2013, 2014, 2015, 2016. The fuses are behind the. — locate fuse and relay. here you will find fuse box diagrams of audi a3 and s3 2008, 2009, 2010, 2011 and 2012, get information about the location of the. here you will find fuse box diagrams of audi a3 and s3 2013, 2015, 2016, 2017, 2018,. Audi A3 Abs Fuse Location.
From diagramlibmonika.z19.web.core.windows.net
2010 Audi A3 Fuse Diagram Audi A3 Abs Fuse Location here you will find fuse box diagrams of audi a3 and s3 2008, 2009, 2010, 2011 and 2012, get information about the location of the. 2012, 2013, 2014, 2015, 2016. here you will find fuse box diagrams of audi a3 and s3 2013, 2015, 2016, 2017, 2018, 2019, and 2020 get information about the. — locate fuse. Audi A3 Abs Fuse Location.
From manual.imagenes4k.com
Audi A3 WiringDiagram Audi A4 (b9,8w) 2015 Manual Audi A3 Abs Fuse Location here you will find fuse box diagrams of audi a3 and s3 2008, 2009, 2010, 2011 and 2012, get information about the location of the. — fuse box diagram (location and assignment of electrical fuses) for audi a3 /. 54 rows — fuse box diagrams (layout, location, function, assignment) in the cabin and engine compartment of audi. Audi A3 Abs Fuse Location.
From workshop-manuals.com
Audi Service and Repair Manuals > A3 Quattro V63.2L (BUB Audi A3 Abs Fuse Location here you will find fuse box diagrams of audi a3 and s3 2013, 2015, 2016, 2017, 2018, 2019, and 2020 get information about the. here you will find fuse box diagrams of audi a3 and s3 2008, 2009, 2010, 2011 and 2012, get information about the location of the. 54 rows — fuse box diagrams (layout, location,. Audi A3 Abs Fuse Location.
From workshop-manuals.com
Audi Manuals > A3 L42.0L Turbo (CBFA) (2008) > Power and Audi A3 Abs Fuse Location 54 rows — fuse box diagrams (layout, location, function, assignment) in the cabin and engine compartment of audi a3 and. 2012, 2013, 2014, 2015, 2016. — locate fuse and relay. The fuses are behind the. — fuse box diagram (location and assignment of electrical fuses) for audi a3 /. here you will find fuse box diagrams. Audi A3 Abs Fuse Location.
From www.fuseboxdiagram.net
2007 Silverado Power Mirror Fuse Location Audi A3 Abs Fuse Location — fuse box diagram (location and assignment of electrical fuses) for audi a3 /. here you will find fuse box diagrams of audi a3 and s3 2013, 2015, 2016, 2017, 2018, 2019, and 2020 get information about the. here you will find fuse box diagrams of audi a3 and s3 2008, 2009, 2010, 2011 and 2012, get. Audi A3 Abs Fuse Location.
From manualpartjessica99.z13.web.core.windows.net
Audi A3 Fuse Box Diagram Audi A3 Abs Fuse Location — fuse box diagram (location and assignment of electrical fuses) for audi a3 /. — locate fuse and relay. The fuses are behind the. 2012, 2013, 2014, 2015, 2016. here you will find fuse box diagrams of audi a3 and s3 2008, 2009, 2010, 2011 and 2012, get information about the location of the. here you. Audi A3 Abs Fuse Location.
From manualpartjessica99.z13.web.core.windows.net
Audi A3 Engine Bay Fuse Box Audi A3 Abs Fuse Location — fuse box diagram (location and assignment of electrical fuses) for audi a3 /. here you will find fuse box diagrams of audi a3 and s3 2013, 2015, 2016, 2017, 2018, 2019, and 2020 get information about the. 54 rows — fuse box diagrams (layout, location, function, assignment) in the cabin and engine compartment of audi a3. Audi A3 Abs Fuse Location.
From workshop-manuals.com
Audi Service and Repair Manuals > A3 Quattro V63.2L (BUB Audi A3 Abs Fuse Location here you will find fuse box diagrams of audi a3 and s3 2008, 2009, 2010, 2011 and 2012, get information about the location of the. — fuse box diagram (location and assignment of electrical fuses) for audi a3 /. The fuses are behind the. 2012, 2013, 2014, 2015, 2016. — locate fuse and relay. 54 rows. Audi A3 Abs Fuse Location.
From dot.report
2015 Audi A3 Fuse Box Diagrams Audi A3 Abs Fuse Location — fuse box diagram (location and assignment of electrical fuses) for audi a3 /. here you will find fuse box diagrams of audi a3 and s3 2008, 2009, 2010, 2011 and 2012, get information about the location of the. 54 rows — fuse box diagrams (layout, location, function, assignment) in the cabin and engine compartment of audi. Audi A3 Abs Fuse Location.
From workshop-manuals.com
Audi Service and Repair Manuals > A3 L42.0L Turbo (CBFA Audi A3 Abs Fuse Location — fuse box diagram (location and assignment of electrical fuses) for audi a3 /. — locate fuse and relay. The fuses are behind the. 54 rows — fuse box diagrams (layout, location, function, assignment) in the cabin and engine compartment of audi a3 and. 2012, 2013, 2014, 2015, 2016. here you will find fuse box diagrams. Audi A3 Abs Fuse Location.
From www.expt.pt
Street address Easygoing Pinpoint audi a3 lighter fuse bosom adopt belief Audi A3 Abs Fuse Location here you will find fuse box diagrams of audi a3 and s3 2008, 2009, 2010, 2011 and 2012, get information about the location of the. — locate fuse and relay. here you will find fuse box diagrams of audi a3 and s3 2013, 2015, 2016, 2017, 2018, 2019, and 2020 get information about the. — fuse. Audi A3 Abs Fuse Location.
From fusesdiagram.com
Fuse box Audi A3 8P Audi A3 Abs Fuse Location The fuses are behind the. 54 rows — fuse box diagrams (layout, location, function, assignment) in the cabin and engine compartment of audi a3 and. — fuse box diagram (location and assignment of electrical fuses) for audi a3 /. here you will find fuse box diagrams of audi a3 and s3 2008, 2009, 2010, 2011 and 2012,. Audi A3 Abs Fuse Location.
From workshop-manuals.com
Audi Manuals > A3 Quattro V63.2L (BUB) (2008) > Maintenance Audi A3 Abs Fuse Location The fuses are behind the. 2012, 2013, 2014, 2015, 2016. here you will find fuse box diagrams of audi a3 and s3 2013, 2015, 2016, 2017, 2018, 2019, and 2020 get information about the. here you will find fuse box diagrams of audi a3 and s3 2008, 2009, 2010, 2011 and 2012, get information about the location of. Audi A3 Abs Fuse Location.
From enginetuning.net
AUDI A3 ABS wiring fault with all dash warning lights on CAT Automotive Audi A3 Abs Fuse Location here you will find fuse box diagrams of audi a3 and s3 2013, 2015, 2016, 2017, 2018, 2019, and 2020 get information about the. — fuse box diagram (location and assignment of electrical fuses) for audi a3 /. The fuses are behind the. 54 rows — fuse box diagrams (layout, location, function, assignment) in the cabin and. Audi A3 Abs Fuse Location.
From www.youtube.com
Fuse location Audi A3 20142018 (caja de fusibles) YouTube Audi A3 Abs Fuse Location The fuses are behind the. here you will find fuse box diagrams of audi a3 and s3 2013, 2015, 2016, 2017, 2018, 2019, and 2020 get information about the. here you will find fuse box diagrams of audi a3 and s3 2008, 2009, 2010, 2011 and 2012, get information about the location of the. — locate fuse. Audi A3 Abs Fuse Location.
From workshop-manuals.com
Audi Manuals > A3 Quattro V63.2L (BUB) (2008) > Maintenance Audi A3 Abs Fuse Location here you will find fuse box diagrams of audi a3 and s3 2008, 2009, 2010, 2011 and 2012, get information about the location of the. 54 rows — fuse box diagrams (layout, location, function, assignment) in the cabin and engine compartment of audi a3 and. — fuse box diagram (location and assignment of electrical fuses) for audi. Audi A3 Abs Fuse Location.
From www.youtube.com
Antilock ABS light on How to check ABS fuses YouTube Audi A3 Abs Fuse Location — locate fuse and relay. here you will find fuse box diagrams of audi a3 and s3 2013, 2015, 2016, 2017, 2018, 2019, and 2020 get information about the. here you will find fuse box diagrams of audi a3 and s3 2008, 2009, 2010, 2011 and 2012, get information about the location of the. — fuse. Audi A3 Abs Fuse Location.
From www.audiworld.com
Fuse Locations AudiWorld Forums Audi A3 Abs Fuse Location The fuses are behind the. — locate fuse and relay. here you will find fuse box diagrams of audi a3 and s3 2013, 2015, 2016, 2017, 2018, 2019, and 2020 get information about the. 2012, 2013, 2014, 2015, 2016. here you will find fuse box diagrams of audi a3 and s3 2008, 2009, 2010, 2011 and 2012,. Audi A3 Abs Fuse Location.
From dot.report
2019 Audi A3 Fuse Box Diagrams Audi A3 Abs Fuse Location here you will find fuse box diagrams of audi a3 and s3 2013, 2015, 2016, 2017, 2018, 2019, and 2020 get information about the. — locate fuse and relay. 2012, 2013, 2014, 2015, 2016. — fuse box diagram (location and assignment of electrical fuses) for audi a3 /. The fuses are behind the. 54 rows —. Audi A3 Abs Fuse Location.
From www.pinterest.com
Where are fuses and relays in Audi A3 8L (fuse box) Automotive Fuse Audi A3 Abs Fuse Location here you will find fuse box diagrams of audi a3 and s3 2013, 2015, 2016, 2017, 2018, 2019, and 2020 get information about the. The fuses are behind the. — locate fuse and relay. 54 rows — fuse box diagrams (layout, location, function, assignment) in the cabin and engine compartment of audi a3 and. here you. Audi A3 Abs Fuse Location.