Ignition Switch Turn Signal Not Working . Inspect the fuse connected to. if your turn signal isn’t working, the first step is to verify the bulb’s connectivity and darkness. one of the most frequently used electrical components on a vehicle, a failed, or failing, turn signal switch may be indicated by the. If the turn signals now work, the relay is likely faulty and needs replacement. With the ignition on, remove the relay and connect the jumper wire between the terminals that lead to the turn signal switch. Use a multimeter to test the starter’s solenoid and the battery connection. things you should know. a turn signal switch should last the life of the vehicle. to perform a relay bypass, locate the turn signal relay in your vehicle’s fuse box. However, there are instances where the switch may fail. here's how to fix a bad ignition switch and solve several common issues. Learning how to fix a bad ignition switch can help you troubleshoot a variety.
from dxovskwdq.blob.core.windows.net
With the ignition on, remove the relay and connect the jumper wire between the terminals that lead to the turn signal switch. Inspect the fuse connected to. one of the most frequently used electrical components on a vehicle, a failed, or failing, turn signal switch may be indicated by the. a turn signal switch should last the life of the vehicle. things you should know. Use a multimeter to test the starter’s solenoid and the battery connection. If the turn signals now work, the relay is likely faulty and needs replacement. if your turn signal isn’t working, the first step is to verify the bulb’s connectivity and darkness. However, there are instances where the switch may fail. Learning how to fix a bad ignition switch can help you troubleshoot a variety.
Turn Signals Not Working Correctly at Kevin Patrick blog
Ignition Switch Turn Signal Not Working if your turn signal isn’t working, the first step is to verify the bulb’s connectivity and darkness. to perform a relay bypass, locate the turn signal relay in your vehicle’s fuse box. However, there are instances where the switch may fail. one of the most frequently used electrical components on a vehicle, a failed, or failing, turn signal switch may be indicated by the. If the turn signals now work, the relay is likely faulty and needs replacement. Inspect the fuse connected to. things you should know. here's how to fix a bad ignition switch and solve several common issues. Use a multimeter to test the starter’s solenoid and the battery connection. With the ignition on, remove the relay and connect the jumper wire between the terminals that lead to the turn signal switch. if your turn signal isn’t working, the first step is to verify the bulb’s connectivity and darkness. Learning how to fix a bad ignition switch can help you troubleshoot a variety. a turn signal switch should last the life of the vehicle.
From schematicsarjairllixq7.z22.web.core.windows.net
Cj5 Signal Switch Wiring Ignition Switch Turn Signal Not Working If the turn signals now work, the relay is likely faulty and needs replacement. Inspect the fuse connected to. However, there are instances where the switch may fail. a turn signal switch should last the life of the vehicle. one of the most frequently used electrical components on a vehicle, a failed, or failing, turn signal switch may. Ignition Switch Turn Signal Not Working.
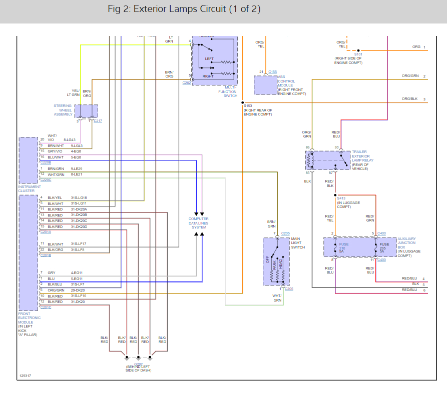
From www.2carpros.com
Turn Signal Not Working? My Turn Signals Stopped Working but My Ignition Switch Turn Signal Not Working here's how to fix a bad ignition switch and solve several common issues. a turn signal switch should last the life of the vehicle. to perform a relay bypass, locate the turn signal relay in your vehicle’s fuse box. things you should know. one of the most frequently used electrical components on a vehicle, a. Ignition Switch Turn Signal Not Working.
From stillwriting-clarissa.blogspot.com
7 Prong Ignition Switch Wiring Diagram 12 Ignition Switch Turn Signal Not Working one of the most frequently used electrical components on a vehicle, a failed, or failing, turn signal switch may be indicated by the. a turn signal switch should last the life of the vehicle. If the turn signals now work, the relay is likely faulty and needs replacement. However, there are instances where the switch may fail. Inspect. Ignition Switch Turn Signal Not Working.
From sparkys-answers.com
Sparky's Answers 2000 Jeep Grand Cherokee, Turn Signals Erratic / Not Ignition Switch Turn Signal Not Working With the ignition on, remove the relay and connect the jumper wire between the terminals that lead to the turn signal switch. However, there are instances where the switch may fail. a turn signal switch should last the life of the vehicle. If the turn signals now work, the relay is likely faulty and needs replacement. to perform. Ignition Switch Turn Signal Not Working.
From www.2carpros.com
Turn Signals Not Working with Key Out of Ignition. Car Was Parked... Ignition Switch Turn Signal Not Working if your turn signal isn’t working, the first step is to verify the bulb’s connectivity and darkness. If the turn signals now work, the relay is likely faulty and needs replacement. Inspect the fuse connected to. here's how to fix a bad ignition switch and solve several common issues. things you should know. With the ignition on,. Ignition Switch Turn Signal Not Working.
From www.youtube.com
Why My Turn Signals Don't Work Diagnosis YouTube Ignition Switch Turn Signal Not Working one of the most frequently used electrical components on a vehicle, a failed, or failing, turn signal switch may be indicated by the. a turn signal switch should last the life of the vehicle. Inspect the fuse connected to. If the turn signals now work, the relay is likely faulty and needs replacement. Use a multimeter to test. Ignition Switch Turn Signal Not Working.
From workshopfixkelombengtad.z14.web.core.windows.net
How To Change An Ignition Switch Without A Key Ignition Switch Turn Signal Not Working If the turn signals now work, the relay is likely faulty and needs replacement. However, there are instances where the switch may fail. things you should know. one of the most frequently used electrical components on a vehicle, a failed, or failing, turn signal switch may be indicated by the. With the ignition on, remove the relay and. Ignition Switch Turn Signal Not Working.
From dxovskwdq.blob.core.windows.net
Turn Signals Not Working Correctly at Kevin Patrick blog Ignition Switch Turn Signal Not Working Use a multimeter to test the starter’s solenoid and the battery connection. a turn signal switch should last the life of the vehicle. things you should know. However, there are instances where the switch may fail. one of the most frequently used electrical components on a vehicle, a failed, or failing, turn signal switch may be indicated. Ignition Switch Turn Signal Not Working.
From leizbasi.blogspot.com
43 5 prong ignition switch wiring diagram Ignition Switch Turn Signal Not Working here's how to fix a bad ignition switch and solve several common issues. one of the most frequently used electrical components on a vehicle, a failed, or failing, turn signal switch may be indicated by the. if your turn signal isn’t working, the first step is to verify the bulb’s connectivity and darkness. If the turn signals. Ignition Switch Turn Signal Not Working.
From autoctrls.com
How to Troubleshoot and Install an Ignition Starter Switch Wiring Diagram Ignition Switch Turn Signal Not Working Inspect the fuse connected to. Use a multimeter to test the starter’s solenoid and the battery connection. things you should know. to perform a relay bypass, locate the turn signal relay in your vehicle’s fuse box. Learning how to fix a bad ignition switch can help you troubleshoot a variety. If the turn signals now work, the relay. Ignition Switch Turn Signal Not Working.
From www.pinterest.com
turn signal wiring schematic diagram Stop light, Diagram, Turn ons Ignition Switch Turn Signal Not Working Learning how to fix a bad ignition switch can help you troubleshoot a variety. Use a multimeter to test the starter’s solenoid and the battery connection. However, there are instances where the switch may fail. With the ignition on, remove the relay and connect the jumper wire between the terminals that lead to the turn signal switch. things you. Ignition Switch Turn Signal Not Working.
From fixlibrarystandfesttl.z4.web.core.windows.net
How To Wire Aftermarket Turn Signal Switch Ignition Switch Turn Signal Not Working to perform a relay bypass, locate the turn signal relay in your vehicle’s fuse box. However, there are instances where the switch may fail. Use a multimeter to test the starter’s solenoid and the battery connection. one of the most frequently used electrical components on a vehicle, a failed, or failing, turn signal switch may be indicated by. Ignition Switch Turn Signal Not Working.
From www.carparts.com
Turn Signal Switch Problems In The Garage with Ignition Switch Turn Signal Not Working things you should know. a turn signal switch should last the life of the vehicle. Inspect the fuse connected to. With the ignition on, remove the relay and connect the jumper wire between the terminals that lead to the turn signal switch. here's how to fix a bad ignition switch and solve several common issues. However, there. Ignition Switch Turn Signal Not Working.
From www.wiringwork.com
1955 Chevrolet Ignition Switch Wiring Diagram Wiring Work Ignition Switch Turn Signal Not Working Use a multimeter to test the starter’s solenoid and the battery connection. Learning how to fix a bad ignition switch can help you troubleshoot a variety. If the turn signals now work, the relay is likely faulty and needs replacement. things you should know. a turn signal switch should last the life of the vehicle. With the ignition. Ignition Switch Turn Signal Not Working.
From circuitcuriel7.z14.web.core.windows.net
1971 Vw Wiring Diagram Colored Ignition Switch Turn Signal Not Working a turn signal switch should last the life of the vehicle. here's how to fix a bad ignition switch and solve several common issues. With the ignition on, remove the relay and connect the jumper wire between the terminals that lead to the turn signal switch. Use a multimeter to test the starter’s solenoid and the battery connection.. Ignition Switch Turn Signal Not Working.
From deixonastuasmaos.blogspot.com
2004 Chevy Tahoe Turn Signal Wiring Diagram 2004 Chevy Ignition Ignition Switch Turn Signal Not Working Use a multimeter to test the starter’s solenoid and the battery connection. Inspect the fuse connected to. a turn signal switch should last the life of the vehicle. With the ignition on, remove the relay and connect the jumper wire between the terminals that lead to the turn signal switch. If the turn signals now work, the relay is. Ignition Switch Turn Signal Not Working.
From www.youtube.com
Turn signal problem diagnosis! (turn signals not working) YouTube Ignition Switch Turn Signal Not Working here's how to fix a bad ignition switch and solve several common issues. things you should know. Use a multimeter to test the starter’s solenoid and the battery connection. one of the most frequently used electrical components on a vehicle, a failed, or failing, turn signal switch may be indicated by the. Inspect the fuse connected to.. Ignition Switch Turn Signal Not Working.
From dxovskwdq.blob.core.windows.net
Turn Signals Not Working Correctly at Kevin Patrick blog Ignition Switch Turn Signal Not Working if your turn signal isn’t working, the first step is to verify the bulb’s connectivity and darkness. to perform a relay bypass, locate the turn signal relay in your vehicle’s fuse box. things you should know. With the ignition on, remove the relay and connect the jumper wire between the terminals that lead to the turn signal. Ignition Switch Turn Signal Not Working.
From www.jalopyjournal.com
Technical Wiring up turn signal switch The H.A.M.B. Ignition Switch Turn Signal Not Working one of the most frequently used electrical components on a vehicle, a failed, or failing, turn signal switch may be indicated by the. to perform a relay bypass, locate the turn signal relay in your vehicle’s fuse box. here's how to fix a bad ignition switch and solve several common issues. With the ignition on, remove the. Ignition Switch Turn Signal Not Working.
From www.2carpros.com
Turn Signal Not Working? Need Schematics on the Vehicle Listed Ignition Switch Turn Signal Not Working one of the most frequently used electrical components on a vehicle, a failed, or failing, turn signal switch may be indicated by the. things you should know. if your turn signal isn’t working, the first step is to verify the bulb’s connectivity and darkness. here's how to fix a bad ignition switch and solve several common. Ignition Switch Turn Signal Not Working.
From www.2carpros.com
Turn Signals Not Working Properly I Realized One Day My Turn Ignition Switch Turn Signal Not Working With the ignition on, remove the relay and connect the jumper wire between the terminals that lead to the turn signal switch. If the turn signals now work, the relay is likely faulty and needs replacement. Learning how to fix a bad ignition switch can help you troubleshoot a variety. to perform a relay bypass, locate the turn signal. Ignition Switch Turn Signal Not Working.
From www.jalopyjournal.com
Technical Wiring up turn signal switch The H.A.M.B. Ignition Switch Turn Signal Not Working here's how to fix a bad ignition switch and solve several common issues. However, there are instances where the switch may fail. With the ignition on, remove the relay and connect the jumper wire between the terminals that lead to the turn signal switch. one of the most frequently used electrical components on a vehicle, a failed, or. Ignition Switch Turn Signal Not Working.
From wirepartmaltreated.z22.web.core.windows.net
Wiring Turn Signals Ignition Switch Turn Signal Not Working a turn signal switch should last the life of the vehicle. Learning how to fix a bad ignition switch can help you troubleshoot a variety. However, there are instances where the switch may fail. one of the most frequently used electrical components on a vehicle, a failed, or failing, turn signal switch may be indicated by the. . Ignition Switch Turn Signal Not Working.
From utvactionmag.com
HOWTO DOITYOURSELF UTV/ATV TURN SIGNALS UTV Action Magazine Ignition Switch Turn Signal Not Working if your turn signal isn’t working, the first step is to verify the bulb’s connectivity and darkness. With the ignition on, remove the relay and connect the jumper wire between the terminals that lead to the turn signal switch. one of the most frequently used electrical components on a vehicle, a failed, or failing, turn signal switch may. Ignition Switch Turn Signal Not Working.
From workshopvlierhoutgps.z13.web.core.windows.net
How To Replace Turn Signal Switch Ignition Switch Turn Signal Not Working one of the most frequently used electrical components on a vehicle, a failed, or failing, turn signal switch may be indicated by the. However, there are instances where the switch may fail. a turn signal switch should last the life of the vehicle. If the turn signals now work, the relay is likely faulty and needs replacement. . Ignition Switch Turn Signal Not Working.
From www.youcanic.com
Honda Turn Signal Not Working Properly YOUCANIC Ignition Switch Turn Signal Not Working if your turn signal isn’t working, the first step is to verify the bulb’s connectivity and darkness. one of the most frequently used electrical components on a vehicle, a failed, or failing, turn signal switch may be indicated by the. a turn signal switch should last the life of the vehicle. Learning how to fix a bad. Ignition Switch Turn Signal Not Working.
From www.2carpros.com
Turn Signal Switch Connector Installation? I'm Trying to Ignition Switch Turn Signal Not Working Use a multimeter to test the starter’s solenoid and the battery connection. to perform a relay bypass, locate the turn signal relay in your vehicle’s fuse box. a turn signal switch should last the life of the vehicle. one of the most frequently used electrical components on a vehicle, a failed, or failing, turn signal switch may. Ignition Switch Turn Signal Not Working.
From www.2carpros.com
Turn Signals Not Working Properly? So, My Turn Signals Aren’t Ignition Switch Turn Signal Not Working if your turn signal isn’t working, the first step is to verify the bulb’s connectivity and darkness. to perform a relay bypass, locate the turn signal relay in your vehicle’s fuse box. Inspect the fuse connected to. a turn signal switch should last the life of the vehicle. If the turn signals now work, the relay is. Ignition Switch Turn Signal Not Working.
From www.2carpros.com
Turn Signals Not Working After Replacing the Ignition Lock Ignition Switch Turn Signal Not Working Inspect the fuse connected to. to perform a relay bypass, locate the turn signal relay in your vehicle’s fuse box. If the turn signals now work, the relay is likely faulty and needs replacement. a turn signal switch should last the life of the vehicle. With the ignition on, remove the relay and connect the jumper wire between. Ignition Switch Turn Signal Not Working.
From diagramfixhalavahs.z21.web.core.windows.net
Turn Signal Wiring Instructions Ignition Switch Turn Signal Not Working to perform a relay bypass, locate the turn signal relay in your vehicle’s fuse box. things you should know. a turn signal switch should last the life of the vehicle. Learning how to fix a bad ignition switch can help you troubleshoot a variety. here's how to fix a bad ignition switch and solve several common. Ignition Switch Turn Signal Not Working.
From www.vulcanforums.com
turn signal wiring Kawasaki Vulcan Forum Ignition Switch Turn Signal Not Working one of the most frequently used electrical components on a vehicle, a failed, or failing, turn signal switch may be indicated by the. if your turn signal isn’t working, the first step is to verify the bulb’s connectivity and darkness. a turn signal switch should last the life of the vehicle. With the ignition on, remove the. Ignition Switch Turn Signal Not Working.
From workshopvlierhoutgps.z13.web.core.windows.net
How To Replace Turn Signal Switch Ignition Switch Turn Signal Not Working one of the most frequently used electrical components on a vehicle, a failed, or failing, turn signal switch may be indicated by the. things you should know. If the turn signals now work, the relay is likely faulty and needs replacement. to perform a relay bypass, locate the turn signal relay in your vehicle’s fuse box. Inspect. Ignition Switch Turn Signal Not Working.
From www.circuitdiagram.co
Turn Signal Switch Wiring Schematic Circuit Diagram Ignition Switch Turn Signal Not Working one of the most frequently used electrical components on a vehicle, a failed, or failing, turn signal switch may be indicated by the. Learning how to fix a bad ignition switch can help you troubleshoot a variety. to perform a relay bypass, locate the turn signal relay in your vehicle’s fuse box. However, there are instances where the. Ignition Switch Turn Signal Not Working.
From www.familyhandyman.com
How to Fix IntermittentWiper & Turn Signal Problems on the Ignition Switch Turn Signal Not Working However, there are instances where the switch may fail. one of the most frequently used electrical components on a vehicle, a failed, or failing, turn signal switch may be indicated by the. If the turn signals now work, the relay is likely faulty and needs replacement. here's how to fix a bad ignition switch and solve several common. Ignition Switch Turn Signal Not Working.
From iloadengine.com.au
Why Does An Ignition Switch Not Work Sometimes? Ignition Switch Turn Signal Not Working However, there are instances where the switch may fail. one of the most frequently used electrical components on a vehicle, a failed, or failing, turn signal switch may be indicated by the. a turn signal switch should last the life of the vehicle. With the ignition on, remove the relay and connect the jumper wire between the terminals. Ignition Switch Turn Signal Not Working.