Yz125 Carb Leaking Fuel . Took the carb apart and inspected it, nothing seems to be out of the ordinary. Upon starting it up and letting it run, it leaks fuel out of this (i don’t. More than likely it and the seat are worn and need to be replaced. Gas leaking from the over flow tube tells me that your float bowl is either not working correctly or not set correctly. I have a 1999 yz 125, and just recently my carb has started leaking when i turn on the gas and let it sit there for about 10. The usual culprit is a blocked vent tube. Hi i have a 1999 yz 125 and gas is leaking out of my carb overflow. Hey guys, my 97 yz125 is finally practically complete. The usual indicator is either a pressure release when you open the gas cap, or a vacuum sucking noise when opening. How to fix a leaking carburetor on a yz 125 (or almost any bike!) father and son team up to. I assume the float was stuck so i went ahead and bought a rebuild kit but it still leaks fuel no matter where the float is set at. Worn needles will not shut the gas off.
from www.reddit.com
I assume the float was stuck so i went ahead and bought a rebuild kit but it still leaks fuel no matter where the float is set at. More than likely it and the seat are worn and need to be replaced. Worn needles will not shut the gas off. Gas leaking from the over flow tube tells me that your float bowl is either not working correctly or not set correctly. Hey guys, my 97 yz125 is finally practically complete. I have a 1999 yz 125, and just recently my carb has started leaking when i turn on the gas and let it sit there for about 10. The usual indicator is either a pressure release when you open the gas cap, or a vacuum sucking noise when opening. Upon starting it up and letting it run, it leaks fuel out of this (i don’t. Took the carb apart and inspected it, nothing seems to be out of the ordinary. How to fix a leaking carburetor on a yz 125 (or almost any bike!) father and son team up to.
I got a ‘00 yz125 and I bought a ‘00 cr125 carb and the reed boot is a
Yz125 Carb Leaking Fuel The usual indicator is either a pressure release when you open the gas cap, or a vacuum sucking noise when opening. Upon starting it up and letting it run, it leaks fuel out of this (i don’t. Took the carb apart and inspected it, nothing seems to be out of the ordinary. Hi i have a 1999 yz 125 and gas is leaking out of my carb overflow. The usual indicator is either a pressure release when you open the gas cap, or a vacuum sucking noise when opening. More than likely it and the seat are worn and need to be replaced. Worn needles will not shut the gas off. How to fix a leaking carburetor on a yz 125 (or almost any bike!) father and son team up to. Gas leaking from the over flow tube tells me that your float bowl is either not working correctly or not set correctly. The usual culprit is a blocked vent tube. Hey guys, my 97 yz125 is finally practically complete. I assume the float was stuck so i went ahead and bought a rebuild kit but it still leaks fuel no matter where the float is set at. I have a 1999 yz 125, and just recently my carb has started leaking when i turn on the gas and let it sit there for about 10.
From www.thumpertalk.com
yz125 leaking gas from carb Yamaha 2 Stroke ThumperTalk Yz125 Carb Leaking Fuel Worn needles will not shut the gas off. Upon starting it up and letting it run, it leaks fuel out of this (i don’t. Gas leaking from the over flow tube tells me that your float bowl is either not working correctly or not set correctly. More than likely it and the seat are worn and need to be replaced.. Yz125 Carb Leaking Fuel.
From www.ebay.com
2001 Yamaha YZ125 OEM CARB CARBURETOR FUEL CHOKE eBay Yz125 Carb Leaking Fuel Hi i have a 1999 yz 125 and gas is leaking out of my carb overflow. Gas leaking from the over flow tube tells me that your float bowl is either not working correctly or not set correctly. More than likely it and the seat are worn and need to be replaced. Worn needles will not shut the gas off.. Yz125 Carb Leaking Fuel.
From www.thumpertalk.com
2006 yz125 oil leak from cylinder head below park plug Yamaha 2 Yz125 Carb Leaking Fuel I assume the float was stuck so i went ahead and bought a rebuild kit but it still leaks fuel no matter where the float is set at. The usual culprit is a blocked vent tube. More than likely it and the seat are worn and need to be replaced. Took the carb apart and inspected it, nothing seems to. Yz125 Carb Leaking Fuel.
From atelier-yuwa.ciao.jp
Yz 125 Mikuni Carburetor atelieryuwa.ciao.jp Yz125 Carb Leaking Fuel How to fix a leaking carburetor on a yz 125 (or almost any bike!) father and son team up to. Took the carb apart and inspected it, nothing seems to be out of the ordinary. Hey guys, my 97 yz125 is finally practically complete. More than likely it and the seat are worn and need to be replaced. The usual. Yz125 Carb Leaking Fuel.
From www.ebay.com
OEM YAMAHA YZ 125 YZ125 CARB CARBURETOR KEIHIN 1998 98 99 00 01 02 03 Yz125 Carb Leaking Fuel Hi i have a 1999 yz 125 and gas is leaking out of my carb overflow. Hey guys, my 97 yz125 is finally practically complete. The usual indicator is either a pressure release when you open the gas cap, or a vacuum sucking noise when opening. The usual culprit is a blocked vent tube. I assume the float was stuck. Yz125 Carb Leaking Fuel.
From www.reddit.com
I got a ‘00 yz125 and I bought a ‘00 cr125 carb and the reed boot is a Yz125 Carb Leaking Fuel Worn needles will not shut the gas off. Upon starting it up and letting it run, it leaks fuel out of this (i don’t. I assume the float was stuck so i went ahead and bought a rebuild kit but it still leaks fuel no matter where the float is set at. The usual indicator is either a pressure release. Yz125 Carb Leaking Fuel.
From mikunioz.com
1. TMX3859 Mikuni Carb OEM Yamaha YZ125 20112022 Mikunioz Yz125 Carb Leaking Fuel More than likely it and the seat are worn and need to be replaced. The usual indicator is either a pressure release when you open the gas cap, or a vacuum sucking noise when opening. Hi i have a 1999 yz 125 and gas is leaking out of my carb overflow. Upon starting it up and letting it run, it. Yz125 Carb Leaking Fuel.
From money-sense.net
CARBURETOR CARB REBUILD REPAIR GASKET & JET KIT YAMAHA YZ125 YZ125 Yz125 Carb Leaking Fuel How to fix a leaking carburetor on a yz 125 (or almost any bike!) father and son team up to. I have a 1999 yz 125, and just recently my carb has started leaking when i turn on the gas and let it sit there for about 10. The usual culprit is a blocked vent tube. Hi i have a. Yz125 Carb Leaking Fuel.
From www.ebay.com
OEM YAMAHA YZ 125 YZ125 CARB CARBURETOR KEIHIN 1998 98 99 00 01 02 03 Yz125 Carb Leaking Fuel The usual indicator is either a pressure release when you open the gas cap, or a vacuum sucking noise when opening. More than likely it and the seat are worn and need to be replaced. The usual culprit is a blocked vent tube. Hey guys, my 97 yz125 is finally practically complete. Took the carb apart and inspected it, nothing. Yz125 Carb Leaking Fuel.
From joipyofno.blob.core.windows.net
Scooter Carburetor Hose Diagram at Willie Haycraft blog Yz125 Carb Leaking Fuel Worn needles will not shut the gas off. I have a 1999 yz 125, and just recently my carb has started leaking when i turn on the gas and let it sit there for about 10. Gas leaking from the over flow tube tells me that your float bowl is either not working correctly or not set correctly. Hi i. Yz125 Carb Leaking Fuel.
From www.ebay.com
2001 Yamaha YZ125 OEM CARB CARBURETOR FUEL CHOKE eBay Yz125 Carb Leaking Fuel I have a 1999 yz 125, and just recently my carb has started leaking when i turn on the gas and let it sit there for about 10. Hey guys, my 97 yz125 is finally practically complete. How to fix a leaking carburetor on a yz 125 (or almost any bike!) father and son team up to. Upon starting it. Yz125 Carb Leaking Fuel.
From www.ebay.co.uk
26mm carb to 39mm carb 2 stroke leak down kit Banshee,Blaster,YZ125,250 Yz125 Carb Leaking Fuel Took the carb apart and inspected it, nothing seems to be out of the ordinary. Hi i have a 1999 yz 125 and gas is leaking out of my carb overflow. Upon starting it up and letting it run, it leaks fuel out of this (i don’t. More than likely it and the seat are worn and need to be. Yz125 Carb Leaking Fuel.
From www.thumpertalk.com
yz125 leaking gas from carb Yamaha 2 Stroke ThumperTalk Yz125 Carb Leaking Fuel How to fix a leaking carburetor on a yz 125 (or almost any bike!) father and son team up to. The usual indicator is either a pressure release when you open the gas cap, or a vacuum sucking noise when opening. Worn needles will not shut the gas off. More than likely it and the seat are worn and need. Yz125 Carb Leaking Fuel.
From www.ebay.com
OEM YAMAHA YZ 125 YZ125 CARB CARBURETOR KEIHIN 1998 98 99 00 01 02 03 Yz125 Carb Leaking Fuel Gas leaking from the over flow tube tells me that your float bowl is either not working correctly or not set correctly. I assume the float was stuck so i went ahead and bought a rebuild kit but it still leaks fuel no matter where the float is set at. Hi i have a 1999 yz 125 and gas is. Yz125 Carb Leaking Fuel.
From www.thumpertalk.com
Transmission oil leaking. YZ125 Yamaha 2 Stroke ThumperTalk Yz125 Carb Leaking Fuel The usual culprit is a blocked vent tube. Hi i have a 1999 yz 125 and gas is leaking out of my carb overflow. More than likely it and the seat are worn and need to be replaced. How to fix a leaking carburetor on a yz 125 (or almost any bike!) father and son team up to. Worn needles. Yz125 Carb Leaking Fuel.
From www.ebay.co.uk
26mm carb to 39mm carb 2 stroke leak down kit Banshee,Blaster,YZ125,250 Yz125 Carb Leaking Fuel The usual culprit is a blocked vent tube. Worn needles will not shut the gas off. Hi i have a 1999 yz 125 and gas is leaking out of my carb overflow. Took the carb apart and inspected it, nothing seems to be out of the ordinary. Upon starting it up and letting it run, it leaks fuel out of. Yz125 Carb Leaking Fuel.
From www.ebay.com
2001 Yamaha YZ125 OEM CARB CARBURETOR FUEL CHOKE eBay Yz125 Carb Leaking Fuel Worn needles will not shut the gas off. Hi i have a 1999 yz 125 and gas is leaking out of my carb overflow. I assume the float was stuck so i went ahead and bought a rebuild kit but it still leaks fuel no matter where the float is set at. I have a 1999 yz 125, and just. Yz125 Carb Leaking Fuel.
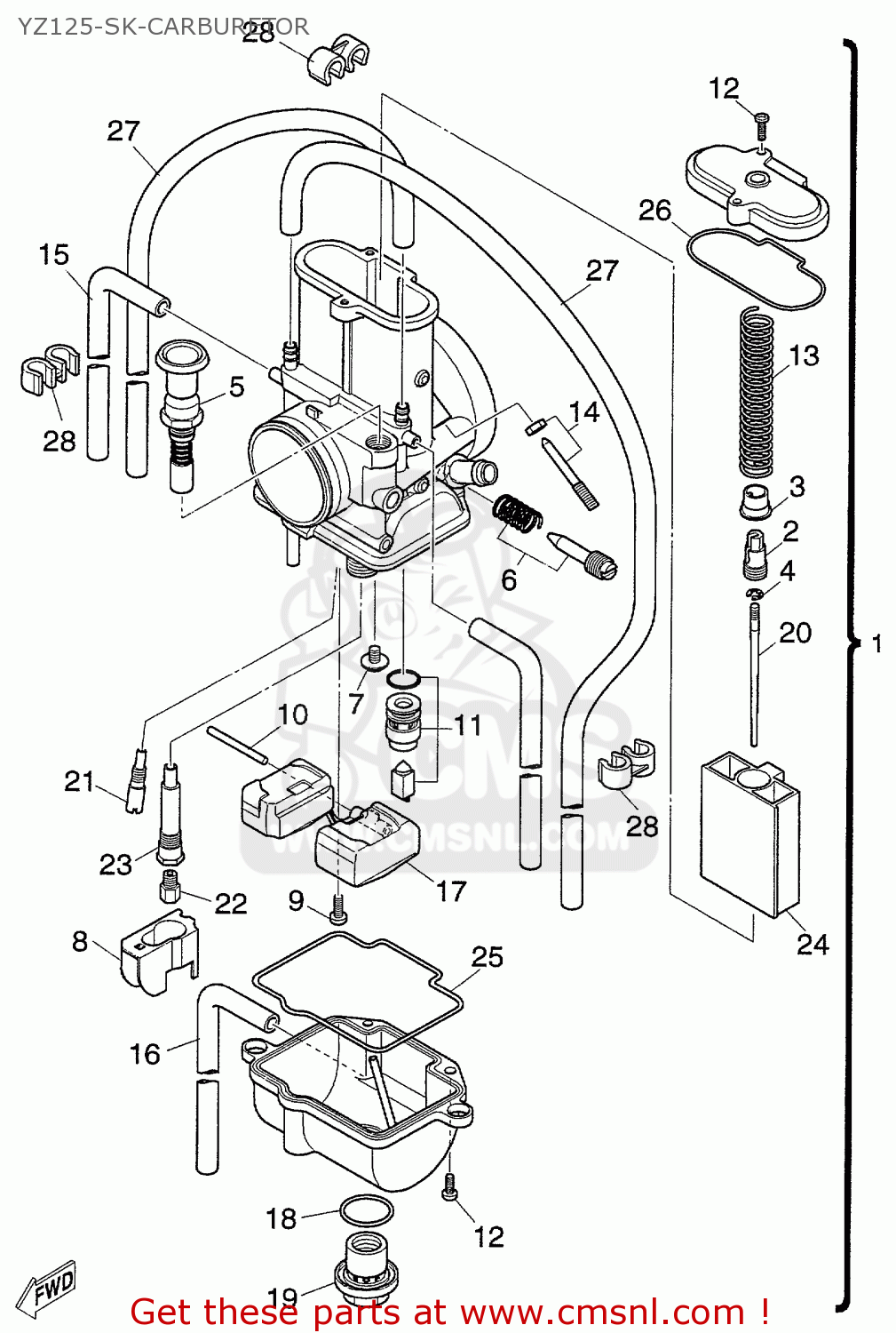
From www.cmsnl.com
Yamaha Yz80ksk/yz125ksk 1998 Yz125skcarburetor schematic partsfiche Yz125 Carb Leaking Fuel More than likely it and the seat are worn and need to be replaced. Hi i have a 1999 yz 125 and gas is leaking out of my carb overflow. How to fix a leaking carburetor on a yz 125 (or almost any bike!) father and son team up to. Worn needles will not shut the gas off. The usual. Yz125 Carb Leaking Fuel.
From www.thumpertalk.com
[YZ125] 2003 yz125 leaking fuel and smoking Yamaha 2 Stroke ThumperTalk Yz125 Carb Leaking Fuel Upon starting it up and letting it run, it leaks fuel out of this (i don’t. The usual indicator is either a pressure release when you open the gas cap, or a vacuum sucking noise when opening. How to fix a leaking carburetor on a yz 125 (or almost any bike!) father and son team up to. The usual culprit. Yz125 Carb Leaking Fuel.
From www.thumpertalk.com
Yz125 leaking black oil Yamaha 2 Stroke ThumperTalk Yz125 Carb Leaking Fuel More than likely it and the seat are worn and need to be replaced. Hi i have a 1999 yz 125 and gas is leaking out of my carb overflow. The usual indicator is either a pressure release when you open the gas cap, or a vacuum sucking noise when opening. I assume the float was stuck so i went. Yz125 Carb Leaking Fuel.
From www.ebay.com
2001 Yamaha YZ125 OEM CARB CARBURETOR FUEL CHOKE eBay Yz125 Carb Leaking Fuel How to fix a leaking carburetor on a yz 125 (or almost any bike!) father and son team up to. I assume the float was stuck so i went ahead and bought a rebuild kit but it still leaks fuel no matter where the float is set at. Hi i have a 1999 yz 125 and gas is leaking out. Yz125 Carb Leaking Fuel.
From www.thumpertalk.com
YZ125 Carburetor Issue Motorcycle Jetting & Fuel Injection ThumperTalk Yz125 Carb Leaking Fuel Hi i have a 1999 yz 125 and gas is leaking out of my carb overflow. How to fix a leaking carburetor on a yz 125 (or almost any bike!) father and son team up to. The usual indicator is either a pressure release when you open the gas cap, or a vacuum sucking noise when opening. I assume the. Yz125 Carb Leaking Fuel.
From www.ebay.com
2001 Yamaha YZ125 OEM CARB CARBURETOR FUEL CHOKE eBay Yz125 Carb Leaking Fuel I assume the float was stuck so i went ahead and bought a rebuild kit but it still leaks fuel no matter where the float is set at. More than likely it and the seat are worn and need to be replaced. How to fix a leaking carburetor on a yz 125 (or almost any bike!) father and son team. Yz125 Carb Leaking Fuel.
From www.youtube.com
yz 125 problem. leaking oil! help!!! YouTube Yz125 Carb Leaking Fuel I have a 1999 yz 125, and just recently my carb has started leaking when i turn on the gas and let it sit there for about 10. Worn needles will not shut the gas off. How to fix a leaking carburetor on a yz 125 (or almost any bike!) father and son team up to. The usual indicator is. Yz125 Carb Leaking Fuel.
From www.thumpertalk.com
yz 125 gas leaking out of overflow Yamaha 2 Stroke ThumperTalk Yz125 Carb Leaking Fuel Gas leaking from the over flow tube tells me that your float bowl is either not working correctly or not set correctly. How to fix a leaking carburetor on a yz 125 (or almost any bike!) father and son team up to. Hi i have a 1999 yz 125 and gas is leaking out of my carb overflow. The usual. Yz125 Carb Leaking Fuel.
From www.ebay.com
2001 Yamaha YZ125 OEM CARB CARBURETOR FUEL CHOKE eBay Yz125 Carb Leaking Fuel I assume the float was stuck so i went ahead and bought a rebuild kit but it still leaks fuel no matter where the float is set at. Worn needles will not shut the gas off. The usual indicator is either a pressure release when you open the gas cap, or a vacuum sucking noise when opening. Upon starting it. Yz125 Carb Leaking Fuel.
From www.thumpertalk.com
2001 YZ125 Carb Yamaha 2 Stroke ThumperTalk Yz125 Carb Leaking Fuel Gas leaking from the over flow tube tells me that your float bowl is either not working correctly or not set correctly. The usual indicator is either a pressure release when you open the gas cap, or a vacuum sucking noise when opening. I assume the float was stuck so i went ahead and bought a rebuild kit but it. Yz125 Carb Leaking Fuel.
From www.thumpertalk.com
1999 YZ125 transmission oil leaking from breather hose Yamaha 2 Yz125 Carb Leaking Fuel I assume the float was stuck so i went ahead and bought a rebuild kit but it still leaks fuel no matter where the float is set at. Worn needles will not shut the gas off. I have a 1999 yz 125, and just recently my carb has started leaking when i turn on the gas and let it sit. Yz125 Carb Leaking Fuel.
From www.thumpertalk.com
2001 yz125 puking out of all carb vent lines except float bowl Yz125 Carb Leaking Fuel The usual culprit is a blocked vent tube. Hi i have a 1999 yz 125 and gas is leaking out of my carb overflow. The usual indicator is either a pressure release when you open the gas cap, or a vacuum sucking noise when opening. More than likely it and the seat are worn and need to be replaced. I. Yz125 Carb Leaking Fuel.
From www.ebay.com
New Carburetor Carb for YAMAHA YZ125 YZ 125 Dirt bike 19741984 Round Yz125 Carb Leaking Fuel How to fix a leaking carburetor on a yz 125 (or almost any bike!) father and son team up to. Hi i have a 1999 yz 125 and gas is leaking out of my carb overflow. Took the carb apart and inspected it, nothing seems to be out of the ordinary. The usual indicator is either a pressure release when. Yz125 Carb Leaking Fuel.
From www.thumpertalk.com
YZ125 leaking oil from power valve Yamaha 2 Stroke ThumperTalk Yz125 Carb Leaking Fuel Upon starting it up and letting it run, it leaks fuel out of this (i don’t. More than likely it and the seat are worn and need to be replaced. Took the carb apart and inspected it, nothing seems to be out of the ordinary. Hey guys, my 97 yz125 is finally practically complete. Gas leaking from the over flow. Yz125 Carb Leaking Fuel.
From www.ebay.com
2001 Yamaha YZ125 OEM CARB CARBURETOR FUEL CHOKE eBay Yz125 Carb Leaking Fuel Took the carb apart and inspected it, nothing seems to be out of the ordinary. More than likely it and the seat are worn and need to be replaced. I assume the float was stuck so i went ahead and bought a rebuild kit but it still leaks fuel no matter where the float is set at. Worn needles will. Yz125 Carb Leaking Fuel.
From www.thumpertalk.com
Carb leaking TTR ThumperTalk Yz125 Carb Leaking Fuel More than likely it and the seat are worn and need to be replaced. Took the carb apart and inspected it, nothing seems to be out of the ordinary. I assume the float was stuck so i went ahead and bought a rebuild kit but it still leaks fuel no matter where the float is set at. The usual indicator. Yz125 Carb Leaking Fuel.
From www.vitalmx.com
Carb float bowl not filling with fuel 2002 yz125 Tech Help/Race Shop Yz125 Carb Leaking Fuel The usual indicator is either a pressure release when you open the gas cap, or a vacuum sucking noise when opening. How to fix a leaking carburetor on a yz 125 (or almost any bike!) father and son team up to. Hey guys, my 97 yz125 is finally practically complete. Upon starting it up and letting it run, it leaks. Yz125 Carb Leaking Fuel.
From www.thumpertalk.com
Yz 125 oil leak Yamaha 2 Stroke ThumperTalk Yz125 Carb Leaking Fuel I assume the float was stuck so i went ahead and bought a rebuild kit but it still leaks fuel no matter where the float is set at. Gas leaking from the over flow tube tells me that your float bowl is either not working correctly or not set correctly. The usual indicator is either a pressure release when you. Yz125 Carb Leaking Fuel.