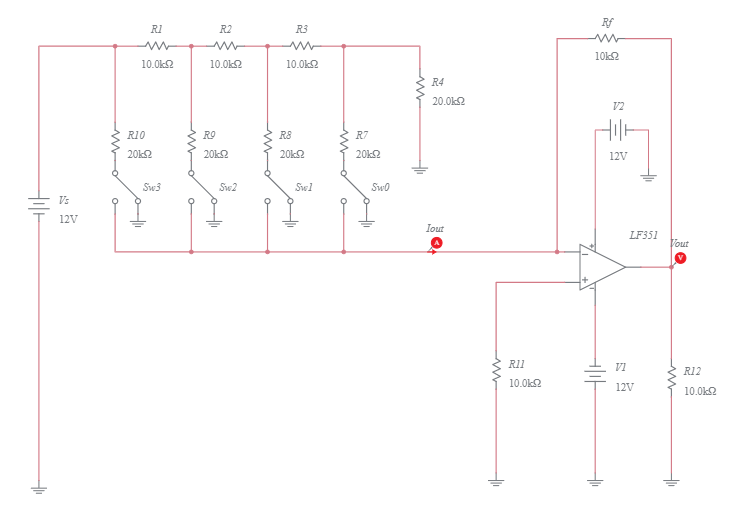
Digital To Analog Converter Ladder Network . The name comes from the fact that the resistor network in the schematic. Digital to analog conversion principles. Their purpose is fairly straightforward. By constructing a different kind of resistor network on the input of our summing circuit, we can achieve the same kind of binary weighting with only two kinds of resistor values, and with only a modest. The ladder network receives input voltages at different places along its length; Each digital input (b0, b1, etc.). In the case of dacs, they output an analog voltage that. The resistive ladder network for this experiment is shown in shown in figure 4.1.
from www.youtube.com
The resistive ladder network for this experiment is shown in shown in figure 4.1. The name comes from the fact that the resistor network in the schematic. The ladder network receives input voltages at different places along its length; Their purpose is fairly straightforward. Each digital input (b0, b1, etc.). By constructing a different kind of resistor network on the input of our summing circuit, we can achieve the same kind of binary weighting with only two kinds of resistor values, and with only a modest. Digital to analog conversion principles. In the case of dacs, they output an analog voltage that.
Understanding the R2R Ladder Digital to Analog conversion YouTube
Digital To Analog Converter Ladder Network Each digital input (b0, b1, etc.). The ladder network receives input voltages at different places along its length; The resistive ladder network for this experiment is shown in shown in figure 4.1. Digital to analog conversion principles. By constructing a different kind of resistor network on the input of our summing circuit, we can achieve the same kind of binary weighting with only two kinds of resistor values, and with only a modest. In the case of dacs, they output an analog voltage that. Each digital input (b0, b1, etc.). Their purpose is fairly straightforward. The name comes from the fact that the resistor network in the schematic.
From www.indiamart.com
8 Bit Digital Analog Converter ( R2R Ladder Network ), For Laboratory Digital To Analog Converter Ladder Network In the case of dacs, they output an analog voltage that. The resistive ladder network for this experiment is shown in shown in figure 4.1. Digital to analog conversion principles. Their purpose is fairly straightforward. The name comes from the fact that the resistor network in the schematic. By constructing a different kind of resistor network on the input of. Digital To Analog Converter Ladder Network.
From wiki.analog.com
Activity Analog to Digital and Digital to Analog Conversion [Analog Digital To Analog Converter Ladder Network In the case of dacs, they output an analog voltage that. The name comes from the fact that the resistor network in the schematic. By constructing a different kind of resistor network on the input of our summing circuit, we can achieve the same kind of binary weighting with only two kinds of resistor values, and with only a modest.. Digital To Analog Converter Ladder Network.
From www.tutorialspoint.com
Digital to Analog Converters Digital To Analog Converter Ladder Network The ladder network receives input voltages at different places along its length; Digital to analog conversion principles. In the case of dacs, they output an analog voltage that. The name comes from the fact that the resistor network in the schematic. By constructing a different kind of resistor network on the input of our summing circuit, we can achieve the. Digital To Analog Converter Ladder Network.
From www.scribd.com
R2R Binary Ladder DAC Analog To Digital Converter Digital To Digital To Analog Converter Ladder Network Each digital input (b0, b1, etc.). In the case of dacs, they output an analog voltage that. The name comes from the fact that the resistor network in the schematic. The ladder network receives input voltages at different places along its length; Digital to analog conversion principles. Their purpose is fairly straightforward. By constructing a different kind of resistor network. Digital To Analog Converter Ladder Network.
From www.homemade-circuits.com
DigitaltoAnalog (DAC), AnalogtoDigital (ADC) Converter Circuits Digital To Analog Converter Ladder Network The name comes from the fact that the resistor network in the schematic. By constructing a different kind of resistor network on the input of our summing circuit, we can achieve the same kind of binary weighting with only two kinds of resistor values, and with only a modest. Each digital input (b0, b1, etc.). The resistive ladder network for. Digital To Analog Converter Ladder Network.
From www.youtube.com
Digital to Analog Converter (DAC) , the R2R resistor ladder network Digital To Analog Converter Ladder Network Digital to analog conversion principles. In the case of dacs, they output an analog voltage that. The name comes from the fact that the resistor network in the schematic. The resistive ladder network for this experiment is shown in shown in figure 4.1. The ladder network receives input voltages at different places along its length; Each digital input (b0, b1,. Digital To Analog Converter Ladder Network.
From www.researchgate.net
a Schematic diagram of 4bit R2R ladder DAC and b Analog output of Digital To Analog Converter Ladder Network The resistive ladder network for this experiment is shown in shown in figure 4.1. Digital to analog conversion principles. Each digital input (b0, b1, etc.). The ladder network receives input voltages at different places along its length; Their purpose is fairly straightforward. By constructing a different kind of resistor network on the input of our summing circuit, we can achieve. Digital To Analog Converter Ladder Network.
From electricalnotebook.com
Implementation of D/A Converter Free Electrical Notebook Theory and Digital To Analog Converter Ladder Network Digital to analog conversion principles. In the case of dacs, they output an analog voltage that. Their purpose is fairly straightforward. Each digital input (b0, b1, etc.). The ladder network receives input voltages at different places along its length; The resistive ladder network for this experiment is shown in shown in figure 4.1. By constructing a different kind of resistor. Digital To Analog Converter Ladder Network.
From www.youtube.com
R/2R Ladder Digital to Analog Converter Digital Electronics YouTube Digital To Analog Converter Ladder Network The resistive ladder network for this experiment is shown in shown in figure 4.1. The name comes from the fact that the resistor network in the schematic. Their purpose is fairly straightforward. Each digital input (b0, b1, etc.). The ladder network receives input voltages at different places along its length; By constructing a different kind of resistor network on the. Digital To Analog Converter Ladder Network.
From slideserve.com
PPT Digital to Analog Converter PowerPoint Presentation ID192871 Digital To Analog Converter Ladder Network The ladder network receives input voltages at different places along its length; In the case of dacs, they output an analog voltage that. By constructing a different kind of resistor network on the input of our summing circuit, we can achieve the same kind of binary weighting with only two kinds of resistor values, and with only a modest. The. Digital To Analog Converter Ladder Network.
From sharedocnow.blogspot.com
R 2r Ladder Digital To Analog Converter sharedoc Digital To Analog Converter Ladder Network The ladder network receives input voltages at different places along its length; The name comes from the fact that the resistor network in the schematic. Digital to analog conversion principles. In the case of dacs, they output an analog voltage that. Their purpose is fairly straightforward. Each digital input (b0, b1, etc.). The resistive ladder network for this experiment is. Digital To Analog Converter Ladder Network.
From www.slideserve.com
PPT Digital to Analog Converters (DAC) PowerPoint Presentation, free Digital To Analog Converter Ladder Network The resistive ladder network for this experiment is shown in shown in figure 4.1. The ladder network receives input voltages at different places along its length; Their purpose is fairly straightforward. Digital to analog conversion principles. By constructing a different kind of resistor network on the input of our summing circuit, we can achieve the same kind of binary weighting. Digital To Analog Converter Ladder Network.
From www.youtube.com
Understanding the R2R Ladder Digital to Analog conversion YouTube Digital To Analog Converter Ladder Network By constructing a different kind of resistor network on the input of our summing circuit, we can achieve the same kind of binary weighting with only two kinds of resistor values, and with only a modest. Each digital input (b0, b1, etc.). The resistive ladder network for this experiment is shown in shown in figure 4.1. The name comes from. Digital To Analog Converter Ladder Network.
From circuitdbpalmately.z13.web.core.windows.net
Explain R2r Ladder Type D/a Converter Digital To Analog Converter Ladder Network Their purpose is fairly straightforward. In the case of dacs, they output an analog voltage that. The resistive ladder network for this experiment is shown in shown in figure 4.1. The ladder network receives input voltages at different places along its length; By constructing a different kind of resistor network on the input of our summing circuit, we can achieve. Digital To Analog Converter Ladder Network.
From www.slideserve.com
PPT AnalogtoDigital and DigitaltoAnalog Conversion PowerPoint Digital To Analog Converter Ladder Network The ladder network receives input voltages at different places along its length; In the case of dacs, they output an analog voltage that. By constructing a different kind of resistor network on the input of our summing circuit, we can achieve the same kind of binary weighting with only two kinds of resistor values, and with only a modest. The. Digital To Analog Converter Ladder Network.
From slideplayer.com
Chapter 13 LinearDigital ICs ppt download Digital To Analog Converter Ladder Network The name comes from the fact that the resistor network in the schematic. The resistive ladder network for this experiment is shown in shown in figure 4.1. Digital to analog conversion principles. In the case of dacs, they output an analog voltage that. The ladder network receives input voltages at different places along its length; By constructing a different kind. Digital To Analog Converter Ladder Network.
From www.youtube.com
R2R Ladder Digital to Analog converter (DAC) YouTube Digital To Analog Converter Ladder Network Each digital input (b0, b1, etc.). The resistive ladder network for this experiment is shown in shown in figure 4.1. By constructing a different kind of resistor network on the input of our summing circuit, we can achieve the same kind of binary weighting with only two kinds of resistor values, and with only a modest. Digital to analog conversion. Digital To Analog Converter Ladder Network.
From sharedocnow.blogspot.com
R 2r Ladder Digital To Analog Converter sharedoc Digital To Analog Converter Ladder Network In the case of dacs, they output an analog voltage that. The name comes from the fact that the resistor network in the schematic. By constructing a different kind of resistor network on the input of our summing circuit, we can achieve the same kind of binary weighting with only two kinds of resistor values, and with only a modest.. Digital To Analog Converter Ladder Network.
From uk.tek.com
Tutorial Digital to Analog Conversion The R2R DAC Tektronix Digital To Analog Converter Ladder Network Each digital input (b0, b1, etc.). The ladder network receives input voltages at different places along its length; Digital to analog conversion principles. The name comes from the fact that the resistor network in the schematic. By constructing a different kind of resistor network on the input of our summing circuit, we can achieve the same kind of binary weighting. Digital To Analog Converter Ladder Network.
From www.google.com
Patent US7605735 Digitaltoanalog converter with R2R ladder network Digital To Analog Converter Ladder Network In the case of dacs, they output an analog voltage that. Their purpose is fairly straightforward. By constructing a different kind of resistor network on the input of our summing circuit, we can achieve the same kind of binary weighting with only two kinds of resistor values, and with only a modest. The resistive ladder network for this experiment is. Digital To Analog Converter Ladder Network.
From www.hackster.io
DAC 8Bit Using R2R Ladder Hackster.io Digital To Analog Converter Ladder Network Each digital input (b0, b1, etc.). The name comes from the fact that the resistor network in the schematic. In the case of dacs, they output an analog voltage that. The ladder network receives input voltages at different places along its length; Digital to analog conversion principles. By constructing a different kind of resistor network on the input of our. Digital To Analog Converter Ladder Network.
From www.slideserve.com
PPT Digital to Analog and Analog to Digital Converter PowerPoint Digital To Analog Converter Ladder Network The ladder network receives input voltages at different places along its length; By constructing a different kind of resistor network on the input of our summing circuit, we can achieve the same kind of binary weighting with only two kinds of resistor values, and with only a modest. Their purpose is fairly straightforward. Digital to analog conversion principles. The name. Digital To Analog Converter Ladder Network.
From www.youtube.com
R 2R Ladder Network Digital to Analog Converter (DAC) Technique Digital To Analog Converter Ladder Network The name comes from the fact that the resistor network in the schematic. By constructing a different kind of resistor network on the input of our summing circuit, we can achieve the same kind of binary weighting with only two kinds of resistor values, and with only a modest. In the case of dacs, they output an analog voltage that.. Digital To Analog Converter Ladder Network.
From www.multisim.com
4bit Digital to Analog Converter (DAC) using R2R ladder Multisim Live Digital To Analog Converter Ladder Network In the case of dacs, they output an analog voltage that. Each digital input (b0, b1, etc.). The resistive ladder network for this experiment is shown in shown in figure 4.1. The ladder network receives input voltages at different places along its length; By constructing a different kind of resistor network on the input of our summing circuit, we can. Digital To Analog Converter Ladder Network.
From www.ambeylabs.com
Product iD ALE250DIGITALTOANALOGCONVERTERTRAINERUSINGR2R Digital To Analog Converter Ladder Network Digital to analog conversion principles. The ladder network receives input voltages at different places along its length; In the case of dacs, they output an analog voltage that. The resistive ladder network for this experiment is shown in shown in figure 4.1. The name comes from the fact that the resistor network in the schematic. Their purpose is fairly straightforward.. Digital To Analog Converter Ladder Network.
From sharedocnow.blogspot.com
R 2r Ladder Digital To Analog Converter sharedoc Digital To Analog Converter Ladder Network The name comes from the fact that the resistor network in the schematic. Digital to analog conversion principles. Their purpose is fairly straightforward. In the case of dacs, they output an analog voltage that. The resistive ladder network for this experiment is shown in shown in figure 4.1. The ladder network receives input voltages at different places along its length;. Digital To Analog Converter Ladder Network.
From www.youtube.com
DigitaltoAnalog Converter R2R DAC, Ladder Architecture, Explanation Digital To Analog Converter Ladder Network Their purpose is fairly straightforward. In the case of dacs, they output an analog voltage that. Each digital input (b0, b1, etc.). Digital to analog conversion principles. The ladder network receives input voltages at different places along its length; The name comes from the fact that the resistor network in the schematic. The resistive ladder network for this experiment is. Digital To Analog Converter Ladder Network.
From www.electronics-circuits.com
Digital to Analog with R2R Ladder Network Electronics Circuits Digital To Analog Converter Ladder Network The resistive ladder network for this experiment is shown in shown in figure 4.1. The ladder network receives input voltages at different places along its length; Each digital input (b0, b1, etc.). By constructing a different kind of resistor network on the input of our summing circuit, we can achieve the same kind of binary weighting with only two kinds. Digital To Analog Converter Ladder Network.
From eureka-patsnap-com.libproxy.mit.edu
Digitaltoanalog converters having a resistive ladder network Eureka Digital To Analog Converter Ladder Network The name comes from the fact that the resistor network in the schematic. Each digital input (b0, b1, etc.). In the case of dacs, they output an analog voltage that. Digital to analog conversion principles. By constructing a different kind of resistor network on the input of our summing circuit, we can achieve the same kind of binary weighting with. Digital To Analog Converter Ladder Network.
From www.youtube.com
8bit DAC Digital to Analog Converter Design with Resistor Ladder Digital To Analog Converter Ladder Network In the case of dacs, they output an analog voltage that. Their purpose is fairly straightforward. Each digital input (b0, b1, etc.). Digital to analog conversion principles. The ladder network receives input voltages at different places along its length; The resistive ladder network for this experiment is shown in shown in figure 4.1. The name comes from the fact that. Digital To Analog Converter Ladder Network.
From www.numerade.com
SOLVED DigitaltoAnalog Conversion A resistor ladder network Digital To Analog Converter Ladder Network Digital to analog conversion principles. By constructing a different kind of resistor network on the input of our summing circuit, we can achieve the same kind of binary weighting with only two kinds of resistor values, and with only a modest. Their purpose is fairly straightforward. In the case of dacs, they output an analog voltage that. Each digital input. Digital To Analog Converter Ladder Network.
From www.multisim.com
4bit Digital to Analog Converter (DAC) using R2R ladder Multisim Live Digital To Analog Converter Ladder Network In the case of dacs, they output an analog voltage that. The resistive ladder network for this experiment is shown in shown in figure 4.1. Digital to analog conversion principles. By constructing a different kind of resistor network on the input of our summing circuit, we can achieve the same kind of binary weighting with only two kinds of resistor. Digital To Analog Converter Ladder Network.
From sharedocnow.blogspot.com
R 2r Ladder Digital To Analog Converter sharedoc Digital To Analog Converter Ladder Network Digital to analog conversion principles. In the case of dacs, they output an analog voltage that. By constructing a different kind of resistor network on the input of our summing circuit, we can achieve the same kind of binary weighting with only two kinds of resistor values, and with only a modest. The resistive ladder network for this experiment is. Digital To Analog Converter Ladder Network.
From www.coursehero.com
[Solved] Design a R/2R ladder digital to analog converter (DAC) to find Digital To Analog Converter Ladder Network In the case of dacs, they output an analog voltage that. The name comes from the fact that the resistor network in the schematic. Digital to analog conversion principles. Each digital input (b0, b1, etc.). By constructing a different kind of resistor network on the input of our summing circuit, we can achieve the same kind of binary weighting with. Digital To Analog Converter Ladder Network.
From www.slideserve.com
PPT Digital to Analog and Analog to Digital Converter PowerPoint Digital To Analog Converter Ladder Network Digital to analog conversion principles. The ladder network receives input voltages at different places along its length; The name comes from the fact that the resistor network in the schematic. By constructing a different kind of resistor network on the input of our summing circuit, we can achieve the same kind of binary weighting with only two kinds of resistor. Digital To Analog Converter Ladder Network.