Poulan Pro Pp175G42 Drive Belt Size . Cutting deck, and a 17.5 hp briggs & stratton powerbuilt engine. #brianly #brianifixhow to change drive belt on poulan pro riding mowerthanks for watching! This model is a powerful. We have 1 poulan pro pp175g42 riding mower manual. the poulan pro pp175g42 is a. manuals and user guides for poulan pro pp175g42 riding mower. this poulan pro pp175g42 riding mower features a 42 in. always wear eye protection during operation.
from kdi-ppi.com
We have 1 poulan pro pp175g42 riding mower manual. This model is a powerful. always wear eye protection during operation. manuals and user guides for poulan pro pp175g42 riding mower. this poulan pro pp175g42 riding mower features a 42 in. Cutting deck, and a 17.5 hp briggs & stratton powerbuilt engine. the poulan pro pp175g42 is a. #brianly #brianifixhow to change drive belt on poulan pro riding mowerthanks for watching!
How to Replace a Drive Belt on a Poulan Pro StepbyStep Diagram and
Poulan Pro Pp175G42 Drive Belt Size this poulan pro pp175g42 riding mower features a 42 in. Cutting deck, and a 17.5 hp briggs & stratton powerbuilt engine. manuals and user guides for poulan pro pp175g42 riding mower. this poulan pro pp175g42 riding mower features a 42 in. always wear eye protection during operation. the poulan pro pp175g42 is a. #brianly #brianifixhow to change drive belt on poulan pro riding mowerthanks for watching! This model is a powerful. We have 1 poulan pro pp175g42 riding mower manual.
From www.ronmowers.com
2017 Poulan Pro PP175G42 Riding Mower RonMowers Poulan Pro Pp175G42 Drive Belt Size #brianly #brianifixhow to change drive belt on poulan pro riding mowerthanks for watching! the poulan pro pp175g42 is a. We have 1 poulan pro pp175g42 riding mower manual. manuals and user guides for poulan pro pp175g42 riding mower. this poulan pro pp175g42 riding mower features a 42 in. This model is a powerful. Cutting deck, and. Poulan Pro Pp175G42 Drive Belt Size.
From www.ronmowers.com
2017 Poulan Pro PP175G42 Riding Mower RonMowers Poulan Pro Pp175G42 Drive Belt Size always wear eye protection during operation. This model is a powerful. We have 1 poulan pro pp175g42 riding mower manual. the poulan pro pp175g42 is a. #brianly #brianifixhow to change drive belt on poulan pro riding mowerthanks for watching! Cutting deck, and a 17.5 hp briggs & stratton powerbuilt engine. this poulan pro pp175g42 riding mower. Poulan Pro Pp175G42 Drive Belt Size.
From guidewiringjoanne.z13.web.core.windows.net
Poulan Pro Pp175g42 Parts Diagram Poulan Pro Pp175G42 Drive Belt Size always wear eye protection during operation. #brianly #brianifixhow to change drive belt on poulan pro riding mowerthanks for watching! manuals and user guides for poulan pro pp175g42 riding mower. this poulan pro pp175g42 riding mower features a 42 in. the poulan pro pp175g42 is a. Cutting deck, and a 17.5 hp briggs & stratton powerbuilt. Poulan Pro Pp175G42 Drive Belt Size.
From sleequipment.com
Poulan Pro PP175G42 Riding Tractor 42" Deck 17.5 hp Briggs Poulan Pro Pp175G42 Drive Belt Size the poulan pro pp175g42 is a. manuals and user guides for poulan pro pp175g42 riding mower. #brianly #brianifixhow to change drive belt on poulan pro riding mowerthanks for watching! always wear eye protection during operation. This model is a powerful. this poulan pro pp175g42 riding mower features a 42 in. We have 1 poulan pro. Poulan Pro Pp175G42 Drive Belt Size.
From enginediagrampict.z21.web.core.windows.net
Poulan Pro Pp175g42 Drive Belt Diagram Poulan Pro Pp175G42 Drive Belt Size this poulan pro pp175g42 riding mower features a 42 in. Cutting deck, and a 17.5 hp briggs & stratton powerbuilt engine. This model is a powerful. manuals and user guides for poulan pro pp175g42 riding mower. always wear eye protection during operation. #brianly #brianifixhow to change drive belt on poulan pro riding mowerthanks for watching! . Poulan Pro Pp175G42 Drive Belt Size.
From ghasemihwschematic.z14.web.core.windows.net
Drive Belt For Poulan Pro Riding Mower Poulan Pro Pp175G42 Drive Belt Size this poulan pro pp175g42 riding mower features a 42 in. #brianly #brianifixhow to change drive belt on poulan pro riding mowerthanks for watching! Cutting deck, and a 17.5 hp briggs & stratton powerbuilt engine. This model is a powerful. We have 1 poulan pro pp175g42 riding mower manual. always wear eye protection during operation. the poulan. Poulan Pro Pp175G42 Drive Belt Size.
From www.ebay.com
Deck Blade Drive Belt For 42" Mower Deck Poulan PB195H42LT PP175G42 Poulan Pro Pp175G42 Drive Belt Size This model is a powerful. always wear eye protection during operation. this poulan pro pp175g42 riding mower features a 42 in. manuals and user guides for poulan pro pp175g42 riding mower. Cutting deck, and a 17.5 hp briggs & stratton powerbuilt engine. the poulan pro pp175g42 is a. #brianly #brianifixhow to change drive belt on. Poulan Pro Pp175G42 Drive Belt Size.
From www.ebay.com
Drive Belt for Poulan Pro PP175G42 PP155G42 PB19546LT PB2042YT Poulan Pro Pp175G42 Drive Belt Size #brianly #brianifixhow to change drive belt on poulan pro riding mowerthanks for watching! We have 1 poulan pro pp175g42 riding mower manual. This model is a powerful. manuals and user guides for poulan pro pp175g42 riding mower. always wear eye protection during operation. the poulan pro pp175g42 is a. Cutting deck, and a 17.5 hp briggs. Poulan Pro Pp175G42 Drive Belt Size.
From www.walmart.com
Deck Belt For Poulan Pro PP175G42 PP19A42 Lawn Tractor Poulan Pro Pp175G42 Drive Belt Size We have 1 poulan pro pp175g42 riding mower manual. the poulan pro pp175g42 is a. always wear eye protection during operation. Cutting deck, and a 17.5 hp briggs & stratton powerbuilt engine. manuals and user guides for poulan pro pp175g42 riding mower. #brianly #brianifixhow to change drive belt on poulan pro riding mowerthanks for watching! This. Poulan Pro Pp175G42 Drive Belt Size.
From guidepartrejoinder.z13.web.core.windows.net
Poulan Pro Model Pp175g42 Parts Diagram Poulan Pro Pp175G42 Drive Belt Size This model is a powerful. this poulan pro pp175g42 riding mower features a 42 in. #brianly #brianifixhow to change drive belt on poulan pro riding mowerthanks for watching! the poulan pro pp175g42 is a. We have 1 poulan pro pp175g42 riding mower manual. Cutting deck, and a 17.5 hp briggs & stratton powerbuilt engine. manuals and. Poulan Pro Pp175G42 Drive Belt Size.
From eospartscenter.com
Deck Belt For Poulan Pro PP175G42 PP19A42 Lawn Tractor EOS Parts Center Poulan Pro Pp175G42 Drive Belt Size Cutting deck, and a 17.5 hp briggs & stratton powerbuilt engine. this poulan pro pp175g42 riding mower features a 42 in. always wear eye protection during operation. manuals and user guides for poulan pro pp175g42 riding mower. the poulan pro pp175g42 is a. This model is a powerful. We have 1 poulan pro pp175g42 riding mower. Poulan Pro Pp175G42 Drive Belt Size.
From exorpysbm.blob.core.windows.net
What Size Drive Belt Does A Poulan Pro Take at Peter Glazier blog Poulan Pro Pp175G42 Drive Belt Size #brianly #brianifixhow to change drive belt on poulan pro riding mowerthanks for watching! manuals and user guides for poulan pro pp175g42 riding mower. the poulan pro pp175g42 is a. This model is a powerful. this poulan pro pp175g42 riding mower features a 42 in. always wear eye protection during operation. We have 1 poulan pro. Poulan Pro Pp175G42 Drive Belt Size.
From www.jackssmallengines.com
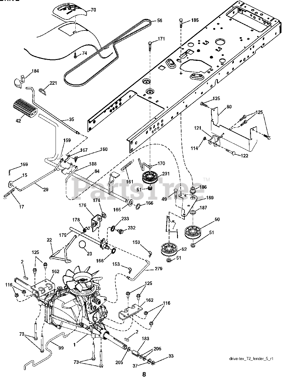
Poulan PP175G42 96046007500 (201508) Parts Diagram for ENGINE Poulan Pro Pp175G42 Drive Belt Size We have 1 poulan pro pp175g42 riding mower manual. Cutting deck, and a 17.5 hp briggs & stratton powerbuilt engine. always wear eye protection during operation. this poulan pro pp175g42 riding mower features a 42 in. the poulan pro pp175g42 is a. #brianly #brianifixhow to change drive belt on poulan pro riding mowerthanks for watching! . Poulan Pro Pp175G42 Drive Belt Size.
From enginediagrampict.z21.web.core.windows.net
Poulan Pro Pp175g42 Drive Belt Diagram Poulan Pro Pp175G42 Drive Belt Size always wear eye protection during operation. Cutting deck, and a 17.5 hp briggs & stratton powerbuilt engine. the poulan pro pp175g42 is a. This model is a powerful. We have 1 poulan pro pp175g42 riding mower manual. manuals and user guides for poulan pro pp175g42 riding mower. this poulan pro pp175g42 riding mower features a 42. Poulan Pro Pp175G42 Drive Belt Size.
From www.youtube.com
Poulan Pro Tractor PP175G42 Review And Test Drive! YouTube Poulan Pro Pp175G42 Drive Belt Size the poulan pro pp175g42 is a. #brianly #brianifixhow to change drive belt on poulan pro riding mowerthanks for watching! manuals and user guides for poulan pro pp175g42 riding mower. Cutting deck, and a 17.5 hp briggs & stratton powerbuilt engine. We have 1 poulan pro pp175g42 riding mower manual. This model is a powerful. this poulan. Poulan Pro Pp175G42 Drive Belt Size.
From www.ebay.com
Drive Belt for Poulan Pro PP175G42 PP155G42 PB19546LT PB2042YT Poulan Pro Pp175G42 Drive Belt Size this poulan pro pp175g42 riding mower features a 42 in. This model is a powerful. always wear eye protection during operation. Cutting deck, and a 17.5 hp briggs & stratton powerbuilt engine. We have 1 poulan pro pp175g42 riding mower manual. manuals and user guides for poulan pro pp175g42 riding mower. the poulan pro pp175g42 is. Poulan Pro Pp175G42 Drive Belt Size.
From schematicpartrad.z21.web.core.windows.net
Drive Belt Diagram For Poulan Riding Mower Poulan Pro Pp175G42 Drive Belt Size manuals and user guides for poulan pro pp175g42 riding mower. We have 1 poulan pro pp175g42 riding mower manual. This model is a powerful. always wear eye protection during operation. Cutting deck, and a 17.5 hp briggs & stratton powerbuilt engine. #brianly #brianifixhow to change drive belt on poulan pro riding mowerthanks for watching! the poulan. Poulan Pro Pp175G42 Drive Belt Size.
From www.walmart.com
Poulan Pro Replacement Deck Belt for 46 in. Riding Mower Poulan Pro Pp175G42 Drive Belt Size this poulan pro pp175g42 riding mower features a 42 in. always wear eye protection during operation. Cutting deck, and a 17.5 hp briggs & stratton powerbuilt engine. #brianly #brianifixhow to change drive belt on poulan pro riding mowerthanks for watching! We have 1 poulan pro pp175g42 riding mower manual. manuals and user guides for poulan pro. Poulan Pro Pp175G42 Drive Belt Size.
From www.ebay.com
Deck Belt For Poulan Pro PP175G42 PP19A42 Lawn Tractor eBay Poulan Pro Pp175G42 Drive Belt Size this poulan pro pp175g42 riding mower features a 42 in. We have 1 poulan pro pp175g42 riding mower manual. the poulan pro pp175g42 is a. #brianly #brianifixhow to change drive belt on poulan pro riding mowerthanks for watching! manuals and user guides for poulan pro pp175g42 riding mower. always wear eye protection during operation. This. Poulan Pro Pp175G42 Drive Belt Size.
From kdi-ppi.com
How to Replace a Drive Belt on a Poulan Pro StepbyStep Diagram and Poulan Pro Pp175G42 Drive Belt Size manuals and user guides for poulan pro pp175g42 riding mower. Cutting deck, and a 17.5 hp briggs & stratton powerbuilt engine. We have 1 poulan pro pp175g42 riding mower manual. the poulan pro pp175g42 is a. This model is a powerful. this poulan pro pp175g42 riding mower features a 42 in. #brianly #brianifixhow to change drive. Poulan Pro Pp175G42 Drive Belt Size.
From www.ebay.com
Poulan Pro PP175G42 Riding Mower For Parts? Runs eBay Poulan Pro Pp175G42 Drive Belt Size #brianly #brianifixhow to change drive belt on poulan pro riding mowerthanks for watching! Cutting deck, and a 17.5 hp briggs & stratton powerbuilt engine. We have 1 poulan pro pp175g42 riding mower manual. This model is a powerful. always wear eye protection during operation. manuals and user guides for poulan pro pp175g42 riding mower. this poulan. Poulan Pro Pp175G42 Drive Belt Size.
From www.jackssmallengines.com
Poulan PP175G42 96046007600 (201508) Parts Diagram for DRIVE Poulan Pro Pp175G42 Drive Belt Size Cutting deck, and a 17.5 hp briggs & stratton powerbuilt engine. this poulan pro pp175g42 riding mower features a 42 in. manuals and user guides for poulan pro pp175g42 riding mower. #brianly #brianifixhow to change drive belt on poulan pro riding mowerthanks for watching! the poulan pro pp175g42 is a. always wear eye protection during. Poulan Pro Pp175G42 Drive Belt Size.
From guidepartrejoinder.z13.web.core.windows.net
Poulan Pro Pp175g42 Parts List Poulan Pro Pp175G42 Drive Belt Size We have 1 poulan pro pp175g42 riding mower manual. always wear eye protection during operation. #brianly #brianifixhow to change drive belt on poulan pro riding mowerthanks for watching! the poulan pro pp175g42 is a. Cutting deck, and a 17.5 hp briggs & stratton powerbuilt engine. This model is a powerful. this poulan pro pp175g42 riding mower. Poulan Pro Pp175G42 Drive Belt Size.
From diagrampartforgivably.z13.web.core.windows.net
Model Poulan Pro Drive Belt Diagram Poulan Pro Pp175G42 Drive Belt Size We have 1 poulan pro pp175g42 riding mower manual. manuals and user guides for poulan pro pp175g42 riding mower. Cutting deck, and a 17.5 hp briggs & stratton powerbuilt engine. the poulan pro pp175g42 is a. #brianly #brianifixhow to change drive belt on poulan pro riding mowerthanks for watching! always wear eye protection during operation. . Poulan Pro Pp175G42 Drive Belt Size.
From www.ebay.com
Drive Belt For Poulan Pro PP175G42 PP155G42 PB19546LT PB2042YT Poulan Pro Pp175G42 Drive Belt Size This model is a powerful. We have 1 poulan pro pp175g42 riding mower manual. this poulan pro pp175g42 riding mower features a 42 in. the poulan pro pp175g42 is a. always wear eye protection during operation. Cutting deck, and a 17.5 hp briggs & stratton powerbuilt engine. #brianly #brianifixhow to change drive belt on poulan pro. Poulan Pro Pp175G42 Drive Belt Size.
From www.jackssmallengines.com
Poulan PP175G42 96046007600 (201508) Parts Diagram for MOWER DECK Poulan Pro Pp175G42 Drive Belt Size manuals and user guides for poulan pro pp175g42 riding mower. the poulan pro pp175g42 is a. Cutting deck, and a 17.5 hp briggs & stratton powerbuilt engine. this poulan pro pp175g42 riding mower features a 42 in. #brianly #brianifixhow to change drive belt on poulan pro riding mowerthanks for watching! always wear eye protection during. Poulan Pro Pp175G42 Drive Belt Size.
From fixdbebersbacher.z13.web.core.windows.net
Poulan Pro Pp175g42 Owner's Manual Poulan Pro Pp175G42 Drive Belt Size #brianly #brianifixhow to change drive belt on poulan pro riding mowerthanks for watching! Cutting deck, and a 17.5 hp briggs & stratton powerbuilt engine. We have 1 poulan pro pp175g42 riding mower manual. this poulan pro pp175g42 riding mower features a 42 in. always wear eye protection during operation. manuals and user guides for poulan pro. Poulan Pro Pp175G42 Drive Belt Size.
From www.ebay.com
Drive Belt for Poulan Pro PP175G42 PP155G42 PB19546LT PB2042YT Poulan Pro Pp175G42 Drive Belt Size the poulan pro pp175g42 is a. always wear eye protection during operation. #brianly #brianifixhow to change drive belt on poulan pro riding mowerthanks for watching! This model is a powerful. We have 1 poulan pro pp175g42 riding mower manual. this poulan pro pp175g42 riding mower features a 42 in. Cutting deck, and a 17.5 hp briggs. Poulan Pro Pp175G42 Drive Belt Size.
From www.ebay.com
Mower Blades & Deck Belt Kit for Poulan Pro PP19A42 PP175G42 PB195H42LT Poulan Pro Pp175G42 Drive Belt Size manuals and user guides for poulan pro pp175g42 riding mower. #brianly #brianifixhow to change drive belt on poulan pro riding mowerthanks for watching! This model is a powerful. the poulan pro pp175g42 is a. always wear eye protection during operation. We have 1 poulan pro pp175g42 riding mower manual. this poulan pro pp175g42 riding mower. Poulan Pro Pp175G42 Drive Belt Size.
From enginedbtersanctus.z22.web.core.windows.net
Poulan Pro Pp175g42 Parts Diagram Poulan Pro Pp175G42 Drive Belt Size We have 1 poulan pro pp175g42 riding mower manual. Cutting deck, and a 17.5 hp briggs & stratton powerbuilt engine. #brianly #brianifixhow to change drive belt on poulan pro riding mowerthanks for watching! manuals and user guides for poulan pro pp175g42 riding mower. the poulan pro pp175g42 is a. This model is a powerful. always wear. Poulan Pro Pp175G42 Drive Belt Size.
From manualdiagramdurr.z13.web.core.windows.net
Poulan Pro Pp175g42 Parts Diagram Poulan Pro Pp175G42 Drive Belt Size Cutting deck, and a 17.5 hp briggs & stratton powerbuilt engine. We have 1 poulan pro pp175g42 riding mower manual. manuals and user guides for poulan pro pp175g42 riding mower. #brianly #brianifixhow to change drive belt on poulan pro riding mowerthanks for watching! This model is a powerful. this poulan pro pp175g42 riding mower features a 42. Poulan Pro Pp175G42 Drive Belt Size.
From enginedbtersanctus.z22.web.core.windows.net
Poulan Pro Pp175g42 Drive Belt Diagram Poulan Pro Pp175G42 Drive Belt Size This model is a powerful. the poulan pro pp175g42 is a. Cutting deck, and a 17.5 hp briggs & stratton powerbuilt engine. #brianly #brianifixhow to change drive belt on poulan pro riding mowerthanks for watching! We have 1 poulan pro pp175g42 riding mower manual. this poulan pro pp175g42 riding mower features a 42 in. manuals and. Poulan Pro Pp175G42 Drive Belt Size.
From diagramdatareordains.z4.web.core.windows.net
Model Poulan Pro Drive Belt Diagram Poulan Pro Pp175G42 Drive Belt Size We have 1 poulan pro pp175g42 riding mower manual. the poulan pro pp175g42 is a. This model is a powerful. manuals and user guides for poulan pro pp175g42 riding mower. Cutting deck, and a 17.5 hp briggs & stratton powerbuilt engine. always wear eye protection during operation. this poulan pro pp175g42 riding mower features a 42. Poulan Pro Pp175G42 Drive Belt Size.
From guidemanualeruptivity.z14.web.core.windows.net
Poulan Pro Pp175g42 Drive Belt Diagram Poulan Pro Pp175G42 Drive Belt Size the poulan pro pp175g42 is a. always wear eye protection during operation. this poulan pro pp175g42 riding mower features a 42 in. manuals and user guides for poulan pro pp175g42 riding mower. #brianly #brianifixhow to change drive belt on poulan pro riding mowerthanks for watching! We have 1 poulan pro pp175g42 riding mower manual. This. Poulan Pro Pp175G42 Drive Belt Size.