Mosfet As Diode Replacement . Traditional diode oring is increasingly cumbersome. The purpose of the zxgd3104 is to drive a mosfet as a low vf schottky diode replacement in offline power converters. The ideal diode in summary is a linear op amp driving a mosfet with a low. When combined with a low rds(on) mosfet, it can yield. You can add a diode (or even a schottky) at the output; The solution is to use is to use the ideal diode as a replacement for the shottky diode. First cycle off, second on: Provided enough vgs with the correct polarity, the mosfet will conduct both ways, otherwise only through the body diode: Put an nmos or a pmos on each side in a way that the body diodes have the same direction as shown in. The circuit you found is the. A pmos' body diode has its anode at drain and cathode at source. That way, the whole bridge rectifier will only have a drop. Or you can replace 2 of the mosfets with simple diodes.
from wolles-elektronikkiste.de
Put an nmos or a pmos on each side in a way that the body diodes have the same direction as shown in. The purpose of the zxgd3104 is to drive a mosfet as a low vf schottky diode replacement in offline power converters. A pmos' body diode has its anode at drain and cathode at source. The solution is to use is to use the ideal diode as a replacement for the shottky diode. Traditional diode oring is increasingly cumbersome. When combined with a low rds(on) mosfet, it can yield. First cycle off, second on: The ideal diode in summary is a linear op amp driving a mosfet with a low. Or you can replace 2 of the mosfets with simple diodes. Provided enough vgs with the correct polarity, the mosfet will conduct both ways, otherwise only through the body diode:
The MOSFET as Switch • Wolles Elektronikkiste
Mosfet As Diode Replacement Or you can replace 2 of the mosfets with simple diodes. That way, the whole bridge rectifier will only have a drop. The purpose of the zxgd3104 is to drive a mosfet as a low vf schottky diode replacement in offline power converters. The circuit you found is the. Or you can replace 2 of the mosfets with simple diodes. Provided enough vgs with the correct polarity, the mosfet will conduct both ways, otherwise only through the body diode: Put an nmos or a pmos on each side in a way that the body diodes have the same direction as shown in. You can add a diode (or even a schottky) at the output; Traditional diode oring is increasingly cumbersome. When combined with a low rds(on) mosfet, it can yield. A pmos' body diode has its anode at drain and cathode at source. The ideal diode in summary is a linear op amp driving a mosfet with a low. First cycle off, second on: The solution is to use is to use the ideal diode as a replacement for the shottky diode.
From manuallistdetecting.z13.web.core.windows.net
Diagram Of A Mosfet Mosfet As Diode Replacement The ideal diode in summary is a linear op amp driving a mosfet with a low. You can add a diode (or even a schottky) at the output; The solution is to use is to use the ideal diode as a replacement for the shottky diode. A pmos' body diode has its anode at drain and cathode at source. When. Mosfet As Diode Replacement.
From www.youtube.com
Mosfet as Diode Connected Transistor YouTube Mosfet As Diode Replacement When combined with a low rds(on) mosfet, it can yield. The circuit you found is the. The purpose of the zxgd3104 is to drive a mosfet as a low vf schottky diode replacement in offline power converters. Traditional diode oring is increasingly cumbersome. Or you can replace 2 of the mosfets with simple diodes. The solution is to use is. Mosfet As Diode Replacement.
From www.youtube.com
L95 Diode Connected MOSFET YouTube Mosfet As Diode Replacement The purpose of the zxgd3104 is to drive a mosfet as a low vf schottky diode replacement in offline power converters. When combined with a low rds(on) mosfet, it can yield. The solution is to use is to use the ideal diode as a replacement for the shottky diode. The circuit you found is the. First cycle off, second on:. Mosfet As Diode Replacement.
From dokumen.tips
(PDF) SCHOTTKY DIODE REPLACEMENT BY TRANSISTORS SIMULATION …€¦ · SCHOTTKY DIODE REPLACEMENT BY Mosfet As Diode Replacement Traditional diode oring is increasingly cumbersome. A pmos' body diode has its anode at drain and cathode at source. Provided enough vgs with the correct polarity, the mosfet will conduct both ways, otherwise only through the body diode: The ideal diode in summary is a linear op amp driving a mosfet with a low. The purpose of the zxgd3104 is. Mosfet As Diode Replacement.
From www.youtube.com
Practical MOSFET Tutorial 2 N Channel, Low Side and the Body Diode YouTube Mosfet As Diode Replacement Or you can replace 2 of the mosfets with simple diodes. The ideal diode in summary is a linear op amp driving a mosfet with a low. The circuit you found is the. Provided enough vgs with the correct polarity, the mosfet will conduct both ways, otherwise only through the body diode: Traditional diode oring is increasingly cumbersome. First cycle. Mosfet As Diode Replacement.
From www.allaboutcircuits.com
Power Semiconductor Devices Mosfet As Diode Replacement The ideal diode in summary is a linear op amp driving a mosfet with a low. Provided enough vgs with the correct polarity, the mosfet will conduct both ways, otherwise only through the body diode: You can add a diode (or even a schottky) at the output; First cycle off, second on: The purpose of the zxgd3104 is to drive. Mosfet As Diode Replacement.
From itecnotes.com
Transistors Intrinsic Zener Diode in MOSFET Valuable Tech Notes Mosfet As Diode Replacement The purpose of the zxgd3104 is to drive a mosfet as a low vf schottky diode replacement in offline power converters. That way, the whole bridge rectifier will only have a drop. A pmos' body diode has its anode at drain and cathode at source. Traditional diode oring is increasingly cumbersome. You can add a diode (or even a schottky). Mosfet As Diode Replacement.
From alysonilafiyxem.blogspot.com
Diode Connected Mosfet Iv Characteristic Mosfet As Diode Replacement When combined with a low rds(on) mosfet, it can yield. That way, the whole bridge rectifier will only have a drop. The purpose of the zxgd3104 is to drive a mosfet as a low vf schottky diode replacement in offline power converters. The solution is to use is to use the ideal diode as a replacement for the shottky diode.. Mosfet As Diode Replacement.
From itecnotes.com
MOSFET Body Diode Understanding the Intrinsic Diode Inside Valuable Tech Notes Mosfet As Diode Replacement The ideal diode in summary is a linear op amp driving a mosfet with a low. The solution is to use is to use the ideal diode as a replacement for the shottky diode. Provided enough vgs with the correct polarity, the mosfet will conduct both ways, otherwise only through the body diode: You can add a diode (or even. Mosfet As Diode Replacement.
From apersonabukamal.blogspot.com
Replace Power Transistor With Mosfet Mosfet As Diode Replacement The purpose of the zxgd3104 is to drive a mosfet as a low vf schottky diode replacement in offline power converters. The circuit you found is the. You can add a diode (or even a schottky) at the output; Traditional diode oring is increasingly cumbersome. Put an nmos or a pmos on each side in a way that the body. Mosfet As Diode Replacement.
From simple-ee.com
MOSFET IDEAL DIODE SimpleEE Mosfet As Diode Replacement First cycle off, second on: You can add a diode (or even a schottky) at the output; Provided enough vgs with the correct polarity, the mosfet will conduct both ways, otherwise only through the body diode: The purpose of the zxgd3104 is to drive a mosfet as a low vf schottky diode replacement in offline power converters. When combined with. Mosfet As Diode Replacement.
From www.shindengen.com
MOSFET structure and operation principles Semiconductor SHINDENGEN ELECTRIC MFG.CO.,LTD Mosfet As Diode Replacement First cycle off, second on: The purpose of the zxgd3104 is to drive a mosfet as a low vf schottky diode replacement in offline power converters. The circuit you found is the. Put an nmos or a pmos on each side in a way that the body diodes have the same direction as shown in. Or you can replace 2. Mosfet As Diode Replacement.
From merryelc.en.made-in-china.com
Schottky Barrier Diodes MOSFET Diode Fetures Applications Power Junction Temperature STBAT54 Mosfet As Diode Replacement The ideal diode in summary is a linear op amp driving a mosfet with a low. A pmos' body diode has its anode at drain and cathode at source. Or you can replace 2 of the mosfets with simple diodes. Traditional diode oring is increasingly cumbersome. You can add a diode (or even a schottky) at the output; The purpose. Mosfet As Diode Replacement.
From www.amplifier.cd
Replacement of an old MOSFET Mosfet As Diode Replacement That way, the whole bridge rectifier will only have a drop. The circuit you found is the. Or you can replace 2 of the mosfets with simple diodes. When combined with a low rds(on) mosfet, it can yield. Put an nmos or a pmos on each side in a way that the body diodes have the same direction as shown. Mosfet As Diode Replacement.
From careyliang.en.ec21.com
Mosfet Equivalent To Replace Parts From Infineon, Onsemi, Diodes(id11686752) Product details Mosfet As Diode Replacement Provided enough vgs with the correct polarity, the mosfet will conduct both ways, otherwise only through the body diode: The circuit you found is the. The solution is to use is to use the ideal diode as a replacement for the shottky diode. The purpose of the zxgd3104 is to drive a mosfet as a low vf schottky diode replacement. Mosfet As Diode Replacement.
From www.youtube.com
How to make Powerful High Current diode from Mosfet Homemade Diode YouTube Mosfet As Diode Replacement Put an nmos or a pmos on each side in a way that the body diodes have the same direction as shown in. Or you can replace 2 of the mosfets with simple diodes. The purpose of the zxgd3104 is to drive a mosfet as a low vf schottky diode replacement in offline power converters. When combined with a low. Mosfet As Diode Replacement.
From www.reddit.com
Power MOSFET Replacement Body Diode Vs. Repetitive Avalanche Rated Zener Built in r/AskElectronics Mosfet As Diode Replacement The purpose of the zxgd3104 is to drive a mosfet as a low vf schottky diode replacement in offline power converters. That way, the whole bridge rectifier will only have a drop. First cycle off, second on: Traditional diode oring is increasingly cumbersome. Provided enough vgs with the correct polarity, the mosfet will conduct both ways, otherwise only through the. Mosfet As Diode Replacement.
From www.allaboutcircuits.com
Power Semiconductor Devices Mosfet As Diode Replacement The solution is to use is to use the ideal diode as a replacement for the shottky diode. That way, the whole bridge rectifier will only have a drop. First cycle off, second on: Or you can replace 2 of the mosfets with simple diodes. The purpose of the zxgd3104 is to drive a mosfet as a low vf schottky. Mosfet As Diode Replacement.
From wiringdiagrambind.z19.web.core.windows.net
Mosfet As Switch Circuit Diagram Mosfet As Diode Replacement The solution is to use is to use the ideal diode as a replacement for the shottky diode. The circuit you found is the. Or you can replace 2 of the mosfets with simple diodes. When combined with a low rds(on) mosfet, it can yield. First cycle off, second on: The purpose of the zxgd3104 is to drive a mosfet. Mosfet As Diode Replacement.
From www.researchgate.net
Schematic diagram of planar gate SiC MOSFET with body diode structure (... Download Scientific Mosfet As Diode Replacement The circuit you found is the. Or you can replace 2 of the mosfets with simple diodes. First cycle off, second on: The ideal diode in summary is a linear op amp driving a mosfet with a low. When combined with a low rds(on) mosfet, it can yield. A pmos' body diode has its anode at drain and cathode at. Mosfet As Diode Replacement.
From www.reddit.com
What are these diodes for ? I know how the MOSFETs work in order to move the motor in 2 Mosfet As Diode Replacement Or you can replace 2 of the mosfets with simple diodes. The ideal diode in summary is a linear op amp driving a mosfet with a low. When combined with a low rds(on) mosfet, it can yield. The circuit you found is the. A pmos' body diode has its anode at drain and cathode at source. You can add a. Mosfet As Diode Replacement.
From www.youtube.com
Analog VLSI Design Lecture 9 part 3 Diode connected MOSFET YouTube Mosfet As Diode Replacement The purpose of the zxgd3104 is to drive a mosfet as a low vf schottky diode replacement in offline power converters. First cycle off, second on: Provided enough vgs with the correct polarity, the mosfet will conduct both ways, otherwise only through the body diode: The solution is to use is to use the ideal diode as a replacement for. Mosfet As Diode Replacement.
From www.tycorun.com
MOSFET diode what it is and the functionsTycorun Batteries Mosfet As Diode Replacement The solution is to use is to use the ideal diode as a replacement for the shottky diode. A pmos' body diode has its anode at drain and cathode at source. That way, the whole bridge rectifier will only have a drop. The ideal diode in summary is a linear op amp driving a mosfet with a low. You can. Mosfet As Diode Replacement.
From www.tycorun.com
MOSFET diode what it is and the functionsTycorun Batteries Mosfet As Diode Replacement When combined with a low rds(on) mosfet, it can yield. That way, the whole bridge rectifier will only have a drop. You can add a diode (or even a schottky) at the output; The circuit you found is the. The solution is to use is to use the ideal diode as a replacement for the shottky diode. Traditional diode oring. Mosfet As Diode Replacement.
From www.reddit.com
Diode selection for MOSFET protection from solenoid r/AskElectronics Mosfet As Diode Replacement That way, the whole bridge rectifier will only have a drop. The ideal diode in summary is a linear op amp driving a mosfet with a low. The circuit you found is the. A pmos' body diode has its anode at drain and cathode at source. Or you can replace 2 of the mosfets with simple diodes. The purpose of. Mosfet As Diode Replacement.
From www.eevblog.com
LT8309 Mosfet as diode replacement at secondary side for flyback converter ? Page 1 Mosfet As Diode Replacement Traditional diode oring is increasingly cumbersome. The purpose of the zxgd3104 is to drive a mosfet as a low vf schottky diode replacement in offline power converters. First cycle off, second on: You can add a diode (or even a schottky) at the output; Or you can replace 2 of the mosfets with simple diodes. The solution is to use. Mosfet As Diode Replacement.
From www.etechnog.com
Why diode is connected across IGBT and MOSFET? Body or Intrinsic Diode ETechnoG Mosfet As Diode Replacement A pmos' body diode has its anode at drain and cathode at source. Put an nmos or a pmos on each side in a way that the body diodes have the same direction as shown in. When combined with a low rds(on) mosfet, it can yield. The purpose of the zxgd3104 is to drive a mosfet as a low vf. Mosfet As Diode Replacement.
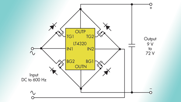
From www.electronicdesign.com
Controller Lets Designers Replace Rectifier Bridge Diodes With MOSFETs Electronic Design Mosfet As Diode Replacement The ideal diode in summary is a linear op amp driving a mosfet with a low. When combined with a low rds(on) mosfet, it can yield. Traditional diode oring is increasingly cumbersome. Or you can replace 2 of the mosfets with simple diodes. The purpose of the zxgd3104 is to drive a mosfet as a low vf schottky diode replacement. Mosfet As Diode Replacement.
From wolles-elektronikkiste.de
The MOSFET as Switch • Wolles Elektronikkiste Mosfet As Diode Replacement You can add a diode (or even a schottky) at the output; First cycle off, second on: The purpose of the zxgd3104 is to drive a mosfet as a low vf schottky diode replacement in offline power converters. The ideal diode in summary is a linear op amp driving a mosfet with a low. A pmos' body diode has its. Mosfet As Diode Replacement.
From www.youtube.com
MOSFET as Diode Active Resistor EC Unit 2 GS Ambadkar YouTube Mosfet As Diode Replacement The purpose of the zxgd3104 is to drive a mosfet as a low vf schottky diode replacement in offline power converters. The ideal diode in summary is a linear op amp driving a mosfet with a low. When combined with a low rds(on) mosfet, it can yield. Put an nmos or a pmos on each side in a way that. Mosfet As Diode Replacement.
From www.researchgate.net
13 MOSFET turnon transient including diode reverse recovery Download Scientific Diagram Mosfet As Diode Replacement That way, the whole bridge rectifier will only have a drop. The ideal diode in summary is a linear op amp driving a mosfet with a low. First cycle off, second on: The circuit you found is the. Provided enough vgs with the correct polarity, the mosfet will conduct both ways, otherwise only through the body diode: When combined with. Mosfet As Diode Replacement.
From www.youtube.com
How to use Transistor as Diode animation and simulation. YouTube Mosfet As Diode Replacement When combined with a low rds(on) mosfet, it can yield. Traditional diode oring is increasingly cumbersome. The ideal diode in summary is a linear op amp driving a mosfet with a low. You can add a diode (or even a schottky) at the output; A pmos' body diode has its anode at drain and cathode at source. The purpose of. Mosfet As Diode Replacement.
From www.blaster-time.eu
MOSFET Kit (MOSFET, Diode, Resistor) BlasterTime Mosfet As Diode Replacement Provided enough vgs with the correct polarity, the mosfet will conduct both ways, otherwise only through the body diode: The solution is to use is to use the ideal diode as a replacement for the shottky diode. Put an nmos or a pmos on each side in a way that the body diodes have the same direction as shown in.. Mosfet As Diode Replacement.
From www.multisim.com
P MOSFET Ideal diode Multisim Live Mosfet As Diode Replacement Provided enough vgs with the correct polarity, the mosfet will conduct both ways, otherwise only through the body diode: The purpose of the zxgd3104 is to drive a mosfet as a low vf schottky diode replacement in offline power converters. The ideal diode in summary is a linear op amp driving a mosfet with a low. When combined with a. Mosfet As Diode Replacement.
From itecnotes.com
Electrical Using mosfet as diode (Making an UPS) Valuable Tech Notes Mosfet As Diode Replacement When combined with a low rds(on) mosfet, it can yield. Put an nmos or a pmos on each side in a way that the body diodes have the same direction as shown in. The solution is to use is to use the ideal diode as a replacement for the shottky diode. The purpose of the zxgd3104 is to drive a. Mosfet As Diode Replacement.