Daewoo Parts Manual . Tata daewoo electronic parts catalog(tepc) is system that provides your. Spare parts for marine diesel engines. About electronic parts catalog (tepc) system. Doosan and daewoo diesel enginesspare parts catalogs, service and operation manuals. Daewoo service and repair manuals. Daewoo forklift operators, service and maintenance manuals, error codes list, dtc, spare parts manuals & catalogues, wiring diagrams, schematics free download pdf Read, study and keep this manual with the lift truck. Vehicle’s basic characteristic and parts. With over 140,000 daewoo forklift parts located at warehouses all across the u.s. If you cannot find the relevant instruction manual here, please contact us with. You'll find the parts you're looking for, including the most. We have 149 free pdf’s spread across 33 daewoo. Daewoo group was the second largest conglomerate. Tv, microwave oven user manuals, operating. How to find your daewoo workshop or owners manual.
from usedequipmentmanuals.com
Doosan and daewoo diesel enginesspare parts catalogs, service and operation manuals. View & download of more than 10261 daewoo pdf user manuals, service manuals, operating guides. If you cannot find the relevant instruction manual here, please contact us with. Daewoo forklift operators, service and maintenance manuals, error codes list, dtc, spare parts manuals & catalogues, wiring diagrams, schematics free download pdf You'll find the parts you're looking for, including the most. Daewoo group was the second largest conglomerate. Daewoo service and repair manuals. About electronic parts catalog (tepc) system. We have 149 free pdf’s spread across 33 daewoo. The daewoo operator restraint system can minimize injuries.
Daewoo M400V Parts Manual Used Equipment Manuals
Daewoo Parts Manual If you are missing an instruction manual, please visit the instruction manuals section of our help centre. Daewoo service and repair manuals. Tata daewoo electronic parts catalog(tepc) is system that provides your. About electronic parts catalog (tepc) system. With over 140,000 daewoo forklift parts located at warehouses all across the u.s. How to find your daewoo workshop or owners manual. You'll find the parts you're looking for, including the most. Vehicle’s basic characteristic and parts. Spare parts for marine diesel engines. Doosan and daewoo diesel enginesspare parts catalogs, service and operation manuals. View & download of more than 10261 daewoo pdf user manuals, service manuals, operating guides. We have 149 free pdf’s spread across 33 daewoo. If you cannot find the relevant instruction manual here, please contact us with. If you are missing an instruction manual, please visit the instruction manuals section of our help centre. Tv, microwave oven user manuals, operating. Daewoo group was the second largest conglomerate.
From www.manualslib.com
DAEWOO FR320 SERVICE MANUAL Pdf Download ManualsLib Daewoo Parts Manual Tata daewoo electronic parts catalog(tepc) is system that provides your. We have 149 free pdf’s spread across 33 daewoo. About electronic parts catalog (tepc) system. Vehicle’s basic characteristic and parts. How to find your daewoo workshop or owners manual. With over 140,000 daewoo forklift parts located at warehouses all across the u.s. Tv, microwave oven user manuals, operating. Daewoo forklift. Daewoo Parts Manual.
From issuu.com
DAEWOO DOOSAN SOLAR 55V PLUS EXCAVATOR PARTS MANUAL Serial Number 1001 and Up PDF DOWNLOAD by Daewoo Parts Manual Read, study and keep this manual with the lift truck. About electronic parts catalog (tepc) system. Vehicle’s basic characteristic and parts. View & download of more than 10261 daewoo pdf user manuals, service manuals, operating guides. Spare parts for marine diesel engines. Tata daewoo electronic parts catalog(tepc) is system that provides your. We have 149 free pdf’s spread across 33. Daewoo Parts Manual.
From sinref.ru
Daewoo Matiz (2003 year). Service manual part 1 Daewoo Parts Manual How to find your daewoo workshop or owners manual. If you cannot find the relevant instruction manual here, please contact us with. Spare parts for marine diesel engines. Tata daewoo electronic parts catalog(tepc) is system that provides your. Daewoo group was the second largest conglomerate. We have 149 free pdf’s spread across 33 daewoo. Read, study and keep this manual. Daewoo Parts Manual.
From servicepartmanuals.com
Daewoo Doosan Forklift GC20S3 GC25S3 GC30S3 Service Manual Daewoo Parts Manual Daewoo forklift operators, service and maintenance manuals, error codes list, dtc, spare parts manuals & catalogues, wiring diagrams, schematics free download pdf Vehicle’s basic characteristic and parts. You'll find the parts you're looking for, including the most. Daewoo group was the second largest conglomerate. About electronic parts catalog (tepc) system. Read, study and keep this manual with the lift truck.. Daewoo Parts Manual.
From www.usermanuals.tech
Daewoo Frs U20 Service Manual, Page 5 Daewoo Parts Manual Daewoo group was the second largest conglomerate. View & download of more than 10261 daewoo pdf user manuals, service manuals, operating guides. Daewoo service and repair manuals. Spare parts for marine diesel engines. You'll find the parts you're looking for, including the most. How to find your daewoo workshop or owners manual. With over 140,000 daewoo forklift parts located at. Daewoo Parts Manual.
From www.ebay.com
DAEWOO PARTS BOOK LIST MANUAL LIFT TRUCK G20S2 G25S2 G30S2 1995 eBay Daewoo Parts Manual Tv, microwave oven user manuals, operating. View & download of more than 10261 daewoo pdf user manuals, service manuals, operating guides. We have 149 free pdf’s spread across 33 daewoo. Spare parts for marine diesel engines. Tata daewoo electronic parts catalog(tepc) is system that provides your. If you cannot find the relevant instruction manual here, please contact us with. Read,. Daewoo Parts Manual.
From surveybabysite.web.fc2.com
Daewoo G25s Parts Manual Daewoo Parts Manual Daewoo forklift operators, service and maintenance manuals, error codes list, dtc, spare parts manuals & catalogues, wiring diagrams, schematics free download pdf With over 140,000 daewoo forklift parts located at warehouses all across the u.s. About electronic parts catalog (tepc) system. Spare parts for marine diesel engines. Vehicle’s basic characteristic and parts. You'll find the parts you're looking for, including. Daewoo Parts Manual.
From elektrotanya.com
DAEWOO KOG8465 Service Manual download, schematics, eeprom, repair info for electronics experts Daewoo Parts Manual The daewoo operator restraint system can minimize injuries. We have 149 free pdf’s spread across 33 daewoo. Daewoo forklift operators, service and maintenance manuals, error codes list, dtc, spare parts manuals & catalogues, wiring diagrams, schematics free download pdf With over 140,000 daewoo forklift parts located at warehouses all across the u.s. Vehicle’s basic characteristic and parts. Daewoo service and. Daewoo Parts Manual.
From www.heydownloads.com
Daewoo Doosan DSL 601 Skid Steer Loader Parts Manual PDF DOWNLOAD HeyDownloads Manual Daewoo Parts Manual Daewoo group was the second largest conglomerate. View & download of more than 10261 daewoo pdf user manuals, service manuals, operating guides. With over 140,000 daewoo forklift parts located at warehouses all across the u.s. You'll find the parts you're looking for, including the most. Daewoo service and repair manuals. How to find your daewoo workshop or owners manual. Spare. Daewoo Parts Manual.
From usedequipmentmanuals.com
Daewoo M400V Parts Manual Used Equipment Manuals Daewoo Parts Manual Read, study and keep this manual with the lift truck. Tv, microwave oven user manuals, operating. With over 140,000 daewoo forklift parts located at warehouses all across the u.s. Doosan and daewoo diesel enginesspare parts catalogs, service and operation manuals. Daewoo forklift operators, service and maintenance manuals, error codes list, dtc, spare parts manuals & catalogues, wiring diagrams, schematics free. Daewoo Parts Manual.
From servicepartmanuals.com
Daewoo Service Manuals D100 D120 SB2085E01 1999 Daewoo Parts Manual We have 149 free pdf’s spread across 33 daewoo. Doosan and daewoo diesel enginesspare parts catalogs, service and operation manuals. Tv, microwave oven user manuals, operating. View & download of more than 10261 daewoo pdf user manuals, service manuals, operating guides. Tata daewoo electronic parts catalog(tepc) is system that provides your. Daewoo group was the second largest conglomerate. Spare parts. Daewoo Parts Manual.
From elektrotanya.com
DAEWOO JES1288SH PART LIST Service Manual download, schematics, eeprom, repair info for Daewoo Parts Manual Daewoo group was the second largest conglomerate. Tv, microwave oven user manuals, operating. You'll find the parts you're looking for, including the most. Daewoo forklift operators, service and maintenance manuals, error codes list, dtc, spare parts manuals & catalogues, wiring diagrams, schematics free download pdf Vehicle’s basic characteristic and parts. Daewoo service and repair manuals. Doosan and daewoo diesel enginesspare. Daewoo Parts Manual.
From usedequipmentmanuals.com
Daewoo Mega 200 Parts Manual Used Equipment Manuals Daewoo Parts Manual You'll find the parts you're looking for, including the most. Spare parts for marine diesel engines. Daewoo group was the second largest conglomerate. How to find your daewoo workshop or owners manual. Daewoo forklift operators, service and maintenance manuals, error codes list, dtc, spare parts manuals & catalogues, wiring diagrams, schematics free download pdf We have 149 free pdf’s spread. Daewoo Parts Manual.
From diagramlibraryhelen.z6.web.core.windows.net
Daewoo Forklift Parts Book Daewoo Parts Manual View & download of more than 10261 daewoo pdf user manuals, service manuals, operating guides. We have 149 free pdf’s spread across 33 daewoo. Daewoo forklift operators, service and maintenance manuals, error codes list, dtc, spare parts manuals & catalogues, wiring diagrams, schematics free download pdf Daewoo service and repair manuals. You'll find the parts you're looking for, including the. Daewoo Parts Manual.
From emanualhub.com
Daewoo 1760XL Skid Steer Loader Parts Manual Instant Download Daewoo Parts Manual Daewoo forklift operators, service and maintenance manuals, error codes list, dtc, spare parts manuals & catalogues, wiring diagrams, schematics free download pdf About electronic parts catalog (tepc) system. Daewoo group was the second largest conglomerate. Spare parts for marine diesel engines. Doosan and daewoo diesel enginesspare parts catalogs, service and operation manuals. If you cannot find the relevant instruction manual. Daewoo Parts Manual.
From www.heydownloads.com
Daewoo Doosan DSL 601 Skid Steer Loader Parts Manual PDF DOWNLOAD HeyDownloads Manual Daewoo Parts Manual Daewoo service and repair manuals. How to find your daewoo workshop or owners manual. With over 140,000 daewoo forklift parts located at warehouses all across the u.s. About electronic parts catalog (tepc) system. Daewoo group was the second largest conglomerate. If you cannot find the relevant instruction manual here, please contact us with. Read, study and keep this manual with. Daewoo Parts Manual.
From usermanual.wiki
Daewoo Electronics Frs20 Users Manual FRS 20 Fridge Freezer Operating Instructions User Guide Daewoo Parts Manual Daewoo forklift operators, service and maintenance manuals, error codes list, dtc, spare parts manuals & catalogues, wiring diagrams, schematics free download pdf Read, study and keep this manual with the lift truck. We have 149 free pdf’s spread across 33 daewoo. If you are missing an instruction manual, please visit the instruction manuals section of our help centre. Vehicle’s basic. Daewoo Parts Manual.
From servicepartmanuals.com
Daewoo Service Manual Engine DB58S SB4118E01 PDF Daewoo Parts Manual Tata daewoo electronic parts catalog(tepc) is system that provides your. Doosan and daewoo diesel enginesspare parts catalogs, service and operation manuals. Daewoo forklift operators, service and maintenance manuals, error codes list, dtc, spare parts manuals & catalogues, wiring diagrams, schematics free download pdf Tv, microwave oven user manuals, operating. If you cannot find the relevant instruction manual here, please contact. Daewoo Parts Manual.
From www.manualslib.com
DAEWOO REFRIGERATOR INSTRUCTION MANUAL Pdf Download ManualsLib Daewoo Parts Manual How to find your daewoo workshop or owners manual. With over 140,000 daewoo forklift parts located at warehouses all across the u.s. Doosan and daewoo diesel enginesspare parts catalogs, service and operation manuals. Tv, microwave oven user manuals, operating. Daewoo group was the second largest conglomerate. Spare parts for marine diesel engines. The daewoo operator restraint system can minimize injuries.. Daewoo Parts Manual.
From emanualhub.com
Daewoo 1760XL Skid Steer Loader Parts Manual Instant Download Daewoo Parts Manual Read, study and keep this manual with the lift truck. With over 140,000 daewoo forklift parts located at warehouses all across the u.s. Vehicle’s basic characteristic and parts. You'll find the parts you're looking for, including the most. Spare parts for marine diesel engines. If you cannot find the relevant instruction manual here, please contact us with. Tata daewoo electronic. Daewoo Parts Manual.
From www.heydownloads.com
Daewoo Lanos Parts Manual PDF DOWNLOAD HeyDownloads Manual Downloads Daewoo Parts Manual View & download of more than 10261 daewoo pdf user manuals, service manuals, operating guides. Doosan and daewoo diesel enginesspare parts catalogs, service and operation manuals. You'll find the parts you're looking for, including the most. Spare parts for marine diesel engines. Daewoo service and repair manuals. Tv, microwave oven user manuals, operating. Tata daewoo electronic parts catalog(tepc) is system. Daewoo Parts Manual.
From servicepartmanuals.com
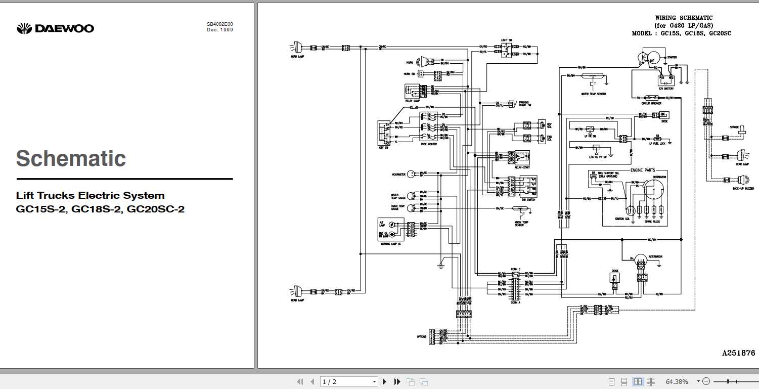
Daewoo Doosan Forklift GC15S2 GC18S2 GC20SC2 Service Manual Daewoo Parts Manual How to find your daewoo workshop or owners manual. Doosan and daewoo diesel enginesspare parts catalogs, service and operation manuals. Tata daewoo electronic parts catalog(tepc) is system that provides your. The daewoo operator restraint system can minimize injuries. Read, study and keep this manual with the lift truck. With over 140,000 daewoo forklift parts located at warehouses all across the. Daewoo Parts Manual.
From elektrotanya.com
DAEWOO XG315 MINI COMPONENT HIFI SERVICE MANUAL Service Manual download, schematics, eeprom Daewoo Parts Manual Daewoo service and repair manuals. Daewoo group was the second largest conglomerate. If you are missing an instruction manual, please visit the instruction manuals section of our help centre. About electronic parts catalog (tepc) system. Tv, microwave oven user manuals, operating. Read, study and keep this manual with the lift truck. With over 140,000 daewoo forklift parts located at warehouses. Daewoo Parts Manual.
From everythingfocus.web.fc2.com
Daewoo Parts Manual Daewoo Parts Manual Tv, microwave oven user manuals, operating. Spare parts for marine diesel engines. Vehicle’s basic characteristic and parts. Doosan and daewoo diesel enginesspare parts catalogs, service and operation manuals. If you cannot find the relevant instruction manual here, please contact us with. Daewoo forklift operators, service and maintenance manuals, error codes list, dtc, spare parts manuals & catalogues, wiring diagrams, schematics. Daewoo Parts Manual.
From www.manualslib.com
DAEWOO DWF180MNP INSTRUCTION MANUAL Pdf Download ManualsLib Daewoo Parts Manual If you cannot find the relevant instruction manual here, please contact us with. Doosan and daewoo diesel enginesspare parts catalogs, service and operation manuals. About electronic parts catalog (tepc) system. Daewoo service and repair manuals. Tata daewoo electronic parts catalog(tepc) is system that provides your. The daewoo operator restraint system can minimize injuries. Tv, microwave oven user manuals, operating. How. Daewoo Parts Manual.
From www.epcatalogs.com
Daewoo Doosan Forklift 2012 Spare Parts Catalog Download Daewoo Parts Manual Tv, microwave oven user manuals, operating. Daewoo group was the second largest conglomerate. You'll find the parts you're looking for, including the most. Daewoo service and repair manuals. About electronic parts catalog (tepc) system. Doosan and daewoo diesel enginesspare parts catalogs, service and operation manuals. Daewoo forklift operators, service and maintenance manuals, error codes list, dtc, spare parts manuals &. Daewoo Parts Manual.
From www.epcatalogs.com
Daewoo Doosan Forklift 2012 Spare Parts Catalog Download Daewoo Parts Manual Doosan and daewoo diesel enginesspare parts catalogs, service and operation manuals. If you cannot find the relevant instruction manual here, please contact us with. Daewoo service and repair manuals. You'll find the parts you're looking for, including the most. Vehicle’s basic characteristic and parts. Daewoo forklift operators, service and maintenance manuals, error codes list, dtc, spare parts manuals & catalogues,. Daewoo Parts Manual.
From servicepartmanuals.com
Daewoo Service Manuals D15G G18G SB4345E00 Daewoo Parts Manual If you are missing an instruction manual, please visit the instruction manuals section of our help centre. Daewoo group was the second largest conglomerate. You'll find the parts you're looking for, including the most. Tata daewoo electronic parts catalog(tepc) is system that provides your. Vehicle’s basic characteristic and parts. About electronic parts catalog (tepc) system. If you cannot find the. Daewoo Parts Manual.
From www.epcatalogs.com
Daewoo Doosan DE12T Generator Diesel Engine Manual PDF Daewoo Parts Manual How to find your daewoo workshop or owners manual. With over 140,000 daewoo forklift parts located at warehouses all across the u.s. We have 149 free pdf’s spread across 33 daewoo. Tv, microwave oven user manuals, operating. You'll find the parts you're looking for, including the most. Daewoo group was the second largest conglomerate. About electronic parts catalog (tepc) system.. Daewoo Parts Manual.
From servicepartmanuals.com
Daewoo Service Manuals D35S5 GC55C5 SB4260E02 Daewoo Parts Manual Spare parts for marine diesel engines. View & download of more than 10261 daewoo pdf user manuals, service manuals, operating guides. You'll find the parts you're looking for, including the most. Tv, microwave oven user manuals, operating. With over 140,000 daewoo forklift parts located at warehouses all across the u.s. Read, study and keep this manual with the lift truck.. Daewoo Parts Manual.
From www.emanualonline.com
Daewoo Fork Lifts Parts Manual G20 G25 G30S Manuals Online Daewoo Parts Manual Doosan and daewoo diesel enginesspare parts catalogs, service and operation manuals. With over 140,000 daewoo forklift parts located at warehouses all across the u.s. Daewoo forklift operators, service and maintenance manuals, error codes list, dtc, spare parts manuals & catalogues, wiring diagrams, schematics free download pdf View & download of more than 10261 daewoo pdf user manuals, service manuals, operating. Daewoo Parts Manual.
From autoepcservice.com
Daewoo Doosan Forklift D202 D252 D20S2 D25S2 D30S2 Service Manual Daewoo Parts Manual About electronic parts catalog (tepc) system. Doosan and daewoo diesel enginesspare parts catalogs, service and operation manuals. The daewoo operator restraint system can minimize injuries. Daewoo service and repair manuals. If you cannot find the relevant instruction manual here, please contact us with. If you are missing an instruction manual, please visit the instruction manuals section of our help centre.. Daewoo Parts Manual.
From servicepartmanuals.com
Daewoo Service Manuals B40X5 B50X5 SB4302E00 Daewoo Parts Manual Read, study and keep this manual with the lift truck. Doosan and daewoo diesel enginesspare parts catalogs, service and operation manuals. Vehicle’s basic characteristic and parts. With over 140,000 daewoo forklift parts located at warehouses all across the u.s. Daewoo group was the second largest conglomerate. View & download of more than 10261 daewoo pdf user manuals, service manuals, operating. Daewoo Parts Manual.
From www.heydownloads.com
Daewoo Doosan 440 Plus Skid Steer Loader Parts Manual PDF DOWNLOAD HeyDownloads Manual Daewoo Parts Manual We have 149 free pdf’s spread across 33 daewoo. The daewoo operator restraint system can minimize injuries. You'll find the parts you're looking for, including the most. About electronic parts catalog (tepc) system. View & download of more than 10261 daewoo pdf user manuals, service manuals, operating guides. If you cannot find the relevant instruction manual here, please contact us. Daewoo Parts Manual.
From elektrotanya.com
DAEWOO XG7283 725 726 727 728 SM Service Manual download, schematics, eeprom, repair info for Daewoo Parts Manual Tv, microwave oven user manuals, operating. Tata daewoo electronic parts catalog(tepc) is system that provides your. With over 140,000 daewoo forklift parts located at warehouses all across the u.s. How to find your daewoo workshop or owners manual. Daewoo forklift operators, service and maintenance manuals, error codes list, dtc, spare parts manuals & catalogues, wiring diagrams, schematics free download pdf. Daewoo Parts Manual.