Jeep Cherokee Blinkers Not Working . The switch for the turn signals works. If the blinkers work, the turn signal switch on the steering column module (scm) is likely bad and needs to be replaced. For some reason my wjs turn signals seem to have a mind on their own. Everything works except the turn signals. When i force the right signal it. I replaced 2 bulbs and checked all the rest. Turn signals/ blinkers not working. As suggested, replace the flasher relay. Quickly show how to install a new flasher/hazard module which is the most common fix. I pulled the flasher relay out and i can't find any cracks in the solder joints, even with a. Both left and right turn signals have stopped working, but the hazard lights are still working. Sometimes i get in it. My turn signals aren’t working on my 2001 cherokee.
from www.jeepsland.com
I pulled the flasher relay out and i can't find any cracks in the solder joints, even with a. For some reason my wjs turn signals seem to have a mind on their own. When i force the right signal it. I replaced 2 bulbs and checked all the rest. As suggested, replace the flasher relay. Turn signals/ blinkers not working. Sometimes i get in it. My turn signals aren’t working on my 2001 cherokee. Quickly show how to install a new flasher/hazard module which is the most common fix. Both left and right turn signals have stopped working, but the hazard lights are still working.
2007 Jeep Grand Cherokee third brake light not working JeepsLand
Jeep Cherokee Blinkers Not Working Turn signals/ blinkers not working. Everything works except the turn signals. As suggested, replace the flasher relay. I pulled the flasher relay out and i can't find any cracks in the solder joints, even with a. When i force the right signal it. My turn signals aren’t working on my 2001 cherokee. Sometimes i get in it. The switch for the turn signals works. Both left and right turn signals have stopped working, but the hazard lights are still working. Quickly show how to install a new flasher/hazard module which is the most common fix. I replaced 2 bulbs and checked all the rest. If the blinkers work, the turn signal switch on the steering column module (scm) is likely bad and needs to be replaced. Turn signals/ blinkers not working. For some reason my wjs turn signals seem to have a mind on their own.
From www.youtube.com
Jeep grand Cherokee 2.7 CRD [ How to easy Fix a Non Working Turn Signal Jeep Cherokee Blinkers Not Working I pulled the flasher relay out and i can't find any cracks in the solder joints, even with a. The switch for the turn signals works. If the blinkers work, the turn signal switch on the steering column module (scm) is likely bad and needs to be replaced. I replaced 2 bulbs and checked all the rest. Quickly show how. Jeep Cherokee Blinkers Not Working.
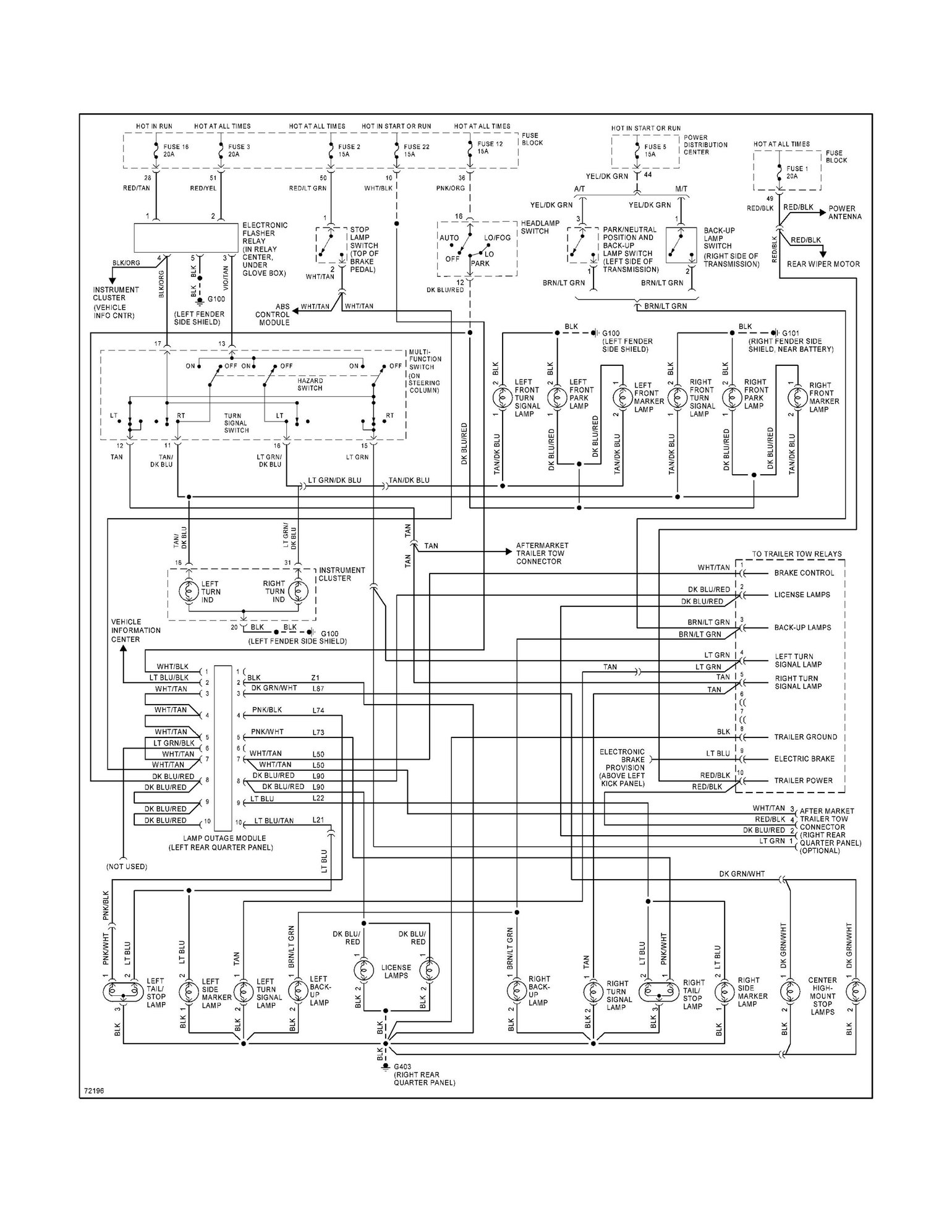
From giocvyfxt.blob.core.windows.net
Headlights Not Working On Jeep Grand Cherokee at Michael Stone blog Jeep Cherokee Blinkers Not Working Everything works except the turn signals. My turn signals aren’t working on my 2001 cherokee. The switch for the turn signals works. I pulled the flasher relay out and i can't find any cracks in the solder joints, even with a. For some reason my wjs turn signals seem to have a mind on their own. As suggested, replace the. Jeep Cherokee Blinkers Not Working.
From www.youtube.com
Quick Tip How To Fix The Blinkers On A 19992004 Jeep Grand Cherokee Jeep Cherokee Blinkers Not Working Quickly show how to install a new flasher/hazard module which is the most common fix. The switch for the turn signals works. For some reason my wjs turn signals seem to have a mind on their own. Everything works except the turn signals. When i force the right signal it. Both left and right turn signals have stopped working, but. Jeep Cherokee Blinkers Not Working.
From theautobear.com
Jeep Grand Cherokee Auto Start/Stop Not Working? Troubleshooting Tips Jeep Cherokee Blinkers Not Working When i force the right signal it. For some reason my wjs turn signals seem to have a mind on their own. Sometimes i get in it. As suggested, replace the flasher relay. My turn signals aren’t working on my 2001 cherokee. Turn signals/ blinkers not working. I replaced 2 bulbs and checked all the rest. If the blinkers work,. Jeep Cherokee Blinkers Not Working.
From www.justanswer.com
99 jeep grand cherokee blinkers and hazards both just stopped working Jeep Cherokee Blinkers Not Working My turn signals aren’t working on my 2001 cherokee. Both left and right turn signals have stopped working, but the hazard lights are still working. As suggested, replace the flasher relay. For some reason my wjs turn signals seem to have a mind on their own. Quickly show how to install a new flasher/hazard module which is the most common. Jeep Cherokee Blinkers Not Working.
From www.justanswer.com
I have a 2002 jeep cherokee and the blinkers are not working but Jeep Cherokee Blinkers Not Working As suggested, replace the flasher relay. Quickly show how to install a new flasher/hazard module which is the most common fix. Turn signals/ blinkers not working. I pulled the flasher relay out and i can't find any cracks in the solder joints, even with a. The switch for the turn signals works. Sometimes i get in it. I replaced 2. Jeep Cherokee Blinkers Not Working.
From www.jeepsland.com
1996 Jeep Cherokee Dash Lights Not Working JeepsLand Jeep Cherokee Blinkers Not Working I replaced 2 bulbs and checked all the rest. As suggested, replace the flasher relay. The switch for the turn signals works. When i force the right signal it. Turn signals/ blinkers not working. Everything works except the turn signals. Both left and right turn signals have stopped working, but the hazard lights are still working. If the blinkers work,. Jeep Cherokee Blinkers Not Working.
From www.youtube.com
Jeep YJ front blinker not blinking... YouTube Jeep Cherokee Blinkers Not Working If the blinkers work, the turn signal switch on the steering column module (scm) is likely bad and needs to be replaced. Sometimes i get in it. Turn signals/ blinkers not working. Quickly show how to install a new flasher/hazard module which is the most common fix. I pulled the flasher relay out and i can't find any cracks in. Jeep Cherokee Blinkers Not Working.
From garagefixkirsch99.z21.web.core.windows.net
Blinkers Not Working But Hazards Do Jeep Cherokee Jeep Cherokee Blinkers Not Working Both left and right turn signals have stopped working, but the hazard lights are still working. If the blinkers work, the turn signal switch on the steering column module (scm) is likely bad and needs to be replaced. I pulled the flasher relay out and i can't find any cracks in the solder joints, even with a. I replaced 2. Jeep Cherokee Blinkers Not Working.
From www.youtube.com
19992004 Jeep Grand Cherokee Turn Signal / Hazard light Relay Jeep Cherokee Blinkers Not Working Sometimes i get in it. As suggested, replace the flasher relay. The switch for the turn signals works. Everything works except the turn signals. My turn signals aren’t working on my 2001 cherokee. Both left and right turn signals have stopped working, but the hazard lights are still working. I pulled the flasher relay out and i can't find any. Jeep Cherokee Blinkers Not Working.
From workshopfixlinda88.z21.web.core.windows.net
Blinkers Not Working But Hazards Do Jeep Cherokee Jeep Cherokee Blinkers Not Working I replaced 2 bulbs and checked all the rest. Both left and right turn signals have stopped working, but the hazard lights are still working. Quickly show how to install a new flasher/hazard module which is the most common fix. When i force the right signal it. Sometimes i get in it. I pulled the flasher relay out and i. Jeep Cherokee Blinkers Not Working.
From garagerepairsonny99.z19.web.core.windows.net
Blinkers Not Working But Hazards Do Jeep Cherokee Jeep Cherokee Blinkers Not Working Everything works except the turn signals. If the blinkers work, the turn signal switch on the steering column module (scm) is likely bad and needs to be replaced. When i force the right signal it. Both left and right turn signals have stopped working, but the hazard lights are still working. I pulled the flasher relay out and i can't. Jeep Cherokee Blinkers Not Working.
From www.cherokeeforum.com
Blinkers wont work Page 2 Jeep Cherokee Forum Jeep Cherokee Blinkers Not Working Turn signals/ blinkers not working. My turn signals aren’t working on my 2001 cherokee. Both left and right turn signals have stopped working, but the hazard lights are still working. If the blinkers work, the turn signal switch on the steering column module (scm) is likely bad and needs to be replaced. Sometimes i get in it. I pulled the. Jeep Cherokee Blinkers Not Working.
From workshopfixskokimpwr.z22.web.core.windows.net
Blinkers Not Working But Hazards Do Jeep Cherokee Jeep Cherokee Blinkers Not Working For some reason my wjs turn signals seem to have a mind on their own. The switch for the turn signals works. Both left and right turn signals have stopped working, but the hazard lights are still working. My turn signals aren’t working on my 2001 cherokee. Sometimes i get in it. Quickly show how to install a new flasher/hazard. Jeep Cherokee Blinkers Not Working.
From primeautotainment.com
Jeep Cherokee Trailer Lights Not Working Prime Autotainment Jeep Cherokee Blinkers Not Working If the blinkers work, the turn signal switch on the steering column module (scm) is likely bad and needs to be replaced. For some reason my wjs turn signals seem to have a mind on their own. Quickly show how to install a new flasher/hazard module which is the most common fix. Everything works except the turn signals. Sometimes i. Jeep Cherokee Blinkers Not Working.
From www.cargurus.com
Jeep Cherokee Questions Blinkers work properly, hazards not Jeep Cherokee Blinkers Not Working I pulled the flasher relay out and i can't find any cracks in the solder joints, even with a. As suggested, replace the flasher relay. If the blinkers work, the turn signal switch on the steering column module (scm) is likely bad and needs to be replaced. Quickly show how to install a new flasher/hazard module which is the most. Jeep Cherokee Blinkers Not Working.
From www.youtube.com
How to fix FAST / Hyper Car Blinker ( Jeep Grand Cherokee Turn Signal Jeep Cherokee Blinkers Not Working As suggested, replace the flasher relay. For some reason my wjs turn signals seem to have a mind on their own. Both left and right turn signals have stopped working, but the hazard lights are still working. Sometimes i get in it. I replaced 2 bulbs and checked all the rest. When i force the right signal it. Everything works. Jeep Cherokee Blinkers Not Working.
From repairmachinemarino.z13.web.core.windows.net
Blinkers Not Working But Hazards Do Jeep Cherokee Jeep Cherokee Blinkers Not Working As suggested, replace the flasher relay. Turn signals/ blinkers not working. If the blinkers work, the turn signal switch on the steering column module (scm) is likely bad and needs to be replaced. Quickly show how to install a new flasher/hazard module which is the most common fix. Everything works except the turn signals. Both left and right turn signals. Jeep Cherokee Blinkers Not Working.
From www.jeepforum.com
Turn signals/ blinkers not working Jeep Enthusiast Forums Jeep Cherokee Blinkers Not Working When i force the right signal it. My turn signals aren’t working on my 2001 cherokee. For some reason my wjs turn signals seem to have a mind on their own. Turn signals/ blinkers not working. If the blinkers work, the turn signal switch on the steering column module (scm) is likely bad and needs to be replaced. Everything works. Jeep Cherokee Blinkers Not Working.
From garagerepairvera77.z19.web.core.windows.net
Jeep Grand Cherokee Turn Signal Not Working Jeep Cherokee Blinkers Not Working I pulled the flasher relay out and i can't find any cracks in the solder joints, even with a. Sometimes i get in it. The switch for the turn signals works. As suggested, replace the flasher relay. If the blinkers work, the turn signal switch on the steering column module (scm) is likely bad and needs to be replaced. When. Jeep Cherokee Blinkers Not Working.
From www.cargurus.ca
ANSWERED Driver side rear blinker not working nor the flasher (Jeep Jeep Cherokee Blinkers Not Working I replaced 2 bulbs and checked all the rest. For some reason my wjs turn signals seem to have a mind on their own. The switch for the turn signals works. If the blinkers work, the turn signal switch on the steering column module (scm) is likely bad and needs to be replaced. As suggested, replace the flasher relay. Sometimes. Jeep Cherokee Blinkers Not Working.
From garagerepairverda99.z19.web.core.windows.net
Blinkers Not Working But Hazards Do Jeep Cherokee Jeep Cherokee Blinkers Not Working I replaced 2 bulbs and checked all the rest. For some reason my wjs turn signals seem to have a mind on their own. Both left and right turn signals have stopped working, but the hazard lights are still working. Turn signals/ blinkers not working. When i force the right signal it. Sometimes i get in it. I pulled the. Jeep Cherokee Blinkers Not Working.
From www.youtube.com
Full Cheap (FREE) OEM Turn Signal "Blinkers" Relay Failure Repair 99 Jeep Cherokee Blinkers Not Working Both left and right turn signals have stopped working, but the hazard lights are still working. I pulled the flasher relay out and i can't find any cracks in the solder joints, even with a. Quickly show how to install a new flasher/hazard module which is the most common fix. Sometimes i get in it. When i force the right. Jeep Cherokee Blinkers Not Working.
From repairmachinemarino.z13.web.core.windows.net
Blinkers Not Working But Hazards Do Jeep Cherokee Jeep Cherokee Blinkers Not Working If the blinkers work, the turn signal switch on the steering column module (scm) is likely bad and needs to be replaced. Turn signals/ blinkers not working. The switch for the turn signals works. For some reason my wjs turn signals seem to have a mind on their own. I pulled the flasher relay out and i can't find any. Jeep Cherokee Blinkers Not Working.
From www.jeepforum.com
Blinkers not working Jeep Enthusiast Forums Jeep Cherokee Blinkers Not Working If the blinkers work, the turn signal switch on the steering column module (scm) is likely bad and needs to be replaced. I pulled the flasher relay out and i can't find any cracks in the solder joints, even with a. As suggested, replace the flasher relay. When i force the right signal it. Turn signals/ blinkers not working. Both. Jeep Cherokee Blinkers Not Working.
From garagerepairvera77.z19.web.core.windows.net
Jeep Grand Cherokee Turn Signal Not Working Jeep Cherokee Blinkers Not Working Turn signals/ blinkers not working. Sometimes i get in it. The switch for the turn signals works. For some reason my wjs turn signals seem to have a mind on their own. I replaced 2 bulbs and checked all the rest. Quickly show how to install a new flasher/hazard module which is the most common fix. My turn signals aren’t. Jeep Cherokee Blinkers Not Working.
From diagramlibrarycard.z5.web.core.windows.net
Jeep Grand Cherokee Turn Signal Not Working Jeep Cherokee Blinkers Not Working My turn signals aren’t working on my 2001 cherokee. Turn signals/ blinkers not working. I replaced 2 bulbs and checked all the rest. The switch for the turn signals works. Sometimes i get in it. Everything works except the turn signals. Both left and right turn signals have stopped working, but the hazard lights are still working. As suggested, replace. Jeep Cherokee Blinkers Not Working.
From garagevictor101.z21.web.core.windows.net
Blinkers Not Working But Hazards Do Jeep Cherokee Jeep Cherokee Blinkers Not Working Everything works except the turn signals. The switch for the turn signals works. Quickly show how to install a new flasher/hazard module which is the most common fix. I replaced 2 bulbs and checked all the rest. If the blinkers work, the turn signal switch on the steering column module (scm) is likely bad and needs to be replaced. My. Jeep Cherokee Blinkers Not Working.
From www.cherokeeforum.com
My blinkers dont work, side markers Jeep Cherokee Forum Jeep Cherokee Blinkers Not Working For some reason my wjs turn signals seem to have a mind on their own. If the blinkers work, the turn signal switch on the steering column module (scm) is likely bad and needs to be replaced. The switch for the turn signals works. When i force the right signal it. As suggested, replace the flasher relay. I replaced 2. Jeep Cherokee Blinkers Not Working.
From sparkys-answers.com
Sparky's Answers 2000 Jeep Grand Cherokee, Turn Signals Erratic / Not Jeep Cherokee Blinkers Not Working My turn signals aren’t working on my 2001 cherokee. For some reason my wjs turn signals seem to have a mind on their own. If the blinkers work, the turn signal switch on the steering column module (scm) is likely bad and needs to be replaced. Quickly show how to install a new flasher/hazard module which is the most common. Jeep Cherokee Blinkers Not Working.
From www.jeepsland.com
2007 Jeep Grand Cherokee third brake light not working JeepsLand Jeep Cherokee Blinkers Not Working As suggested, replace the flasher relay. I replaced 2 bulbs and checked all the rest. I pulled the flasher relay out and i can't find any cracks in the solder joints, even with a. Sometimes i get in it. If the blinkers work, the turn signal switch on the steering column module (scm) is likely bad and needs to be. Jeep Cherokee Blinkers Not Working.
From www.cherokeeforum.com
Blinkers wont work Jeep Cherokee Forum Jeep Cherokee Blinkers Not Working Quickly show how to install a new flasher/hazard module which is the most common fix. As suggested, replace the flasher relay. I pulled the flasher relay out and i can't find any cracks in the solder joints, even with a. The switch for the turn signals works. My turn signals aren’t working on my 2001 cherokee. If the blinkers work,. Jeep Cherokee Blinkers Not Working.
From mechaniclistgouttes101.z13.web.core.windows.net
Blinkers Not Working But Hazards Do Jeep Cherokee Jeep Cherokee Blinkers Not Working I pulled the flasher relay out and i can't find any cracks in the solder joints, even with a. My turn signals aren’t working on my 2001 cherokee. The switch for the turn signals works. I replaced 2 bulbs and checked all the rest. Turn signals/ blinkers not working. For some reason my wjs turn signals seem to have a. Jeep Cherokee Blinkers Not Working.
From diagramlibrarycard.z5.web.core.windows.net
Jeep Grand Cherokee Turn Signal Not Working Jeep Cherokee Blinkers Not Working Everything works except the turn signals. My turn signals aren’t working on my 2001 cherokee. As suggested, replace the flasher relay. If the blinkers work, the turn signal switch on the steering column module (scm) is likely bad and needs to be replaced. Both left and right turn signals have stopped working, but the hazard lights are still working. Sometimes. Jeep Cherokee Blinkers Not Working.
From garagerepairsonny99.z19.web.core.windows.net
Blinkers Not Working But Hazards Do Jeep Cherokee Jeep Cherokee Blinkers Not Working I replaced 2 bulbs and checked all the rest. For some reason my wjs turn signals seem to have a mind on their own. My turn signals aren’t working on my 2001 cherokee. Both left and right turn signals have stopped working, but the hazard lights are still working. Everything works except the turn signals. If the blinkers work, the. Jeep Cherokee Blinkers Not Working.