Transistors Switching Regulator . This means that it constantly sees both a high current and a high. So the transistor works as a variable resistor in series. Linear and switching voltage regulator fundamentals. Switching voltage regulators work by making use of the energy storage properties of a capacitor and an inductor. Switching regulators are an essential circuit for efficiently generating stable supply voltages and for translating voltages up. The major cause of the inefficiency of a linear regulator is that its pass transistor operates in the linear region. This paper will enable the user to understand the operation of switching and linear voltage regulators. To control the charge and discharge of these components, we use. A linear regulator operates a bipolar or field effect power transistor (fet) in its linear mode. The major advantage of the switch mode power supply is its higher efficiency, compared to standard linear regulators, and this is achieved by internally switching a transistor (or.
from www.aliexpress.com
Switching regulators are an essential circuit for efficiently generating stable supply voltages and for translating voltages up. To control the charge and discharge of these components, we use. Linear and switching voltage regulator fundamentals. So the transistor works as a variable resistor in series. This means that it constantly sees both a high current and a high. The major cause of the inefficiency of a linear regulator is that its pass transistor operates in the linear region. This paper will enable the user to understand the operation of switching and linear voltage regulators. The major advantage of the switch mode power supply is its higher efficiency, compared to standard linear regulators, and this is achieved by internally switching a transistor (or. Switching voltage regulators work by making use of the energy storage properties of a capacitor and an inductor. A linear regulator operates a bipolar or field effect power transistor (fet) in its linear mode.
2SC4706 C4706 TO 3P Silicon NPN Triple Diffused Planar Transistor
Transistors Switching Regulator Linear and switching voltage regulator fundamentals. So the transistor works as a variable resistor in series. The major cause of the inefficiency of a linear regulator is that its pass transistor operates in the linear region. The major advantage of the switch mode power supply is its higher efficiency, compared to standard linear regulators, and this is achieved by internally switching a transistor (or. This paper will enable the user to understand the operation of switching and linear voltage regulators. Linear and switching voltage regulator fundamentals. A linear regulator operates a bipolar or field effect power transistor (fet) in its linear mode. Switching regulators are an essential circuit for efficiently generating stable supply voltages and for translating voltages up. This means that it constantly sees both a high current and a high. Switching voltage regulators work by making use of the energy storage properties of a capacitor and an inductor. To control the charge and discharge of these components, we use.
From www.cui.com
A Comparison Between Dc Switching Regulators and Linear Regulators Transistors Switching Regulator This paper will enable the user to understand the operation of switching and linear voltage regulators. So the transistor works as a variable resistor in series. Linear and switching voltage regulator fundamentals. This means that it constantly sees both a high current and a high. The major cause of the inefficiency of a linear regulator is that its pass transistor. Transistors Switching Regulator.
From www.aliexpress.com
10PCS/LOT New original 2SC4304 C4304 TO220F Silicon NPN Power Transistors Switching Regulator Switching voltage regulators work by making use of the energy storage properties of a capacitor and an inductor. A linear regulator operates a bipolar or field effect power transistor (fet) in its linear mode. This paper will enable the user to understand the operation of switching and linear voltage regulators. To control the charge and discharge of these components, we. Transistors Switching Regulator.
From www.youtube.com
Powerful 024v Voltage Regulator Circuit Using One Transistor YouTube Transistors Switching Regulator The major cause of the inefficiency of a linear regulator is that its pass transistor operates in the linear region. Switching regulators are an essential circuit for efficiently generating stable supply voltages and for translating voltages up. The major advantage of the switch mode power supply is its higher efficiency, compared to standard linear regulators, and this is achieved by. Transistors Switching Regulator.
From www.aliexpress.com
MCIGICM 10pcs TIP127 (5.0A,60 100V,65W) PNP DARLINGTON TRANSISTOR Transistors Switching Regulator The major cause of the inefficiency of a linear regulator is that its pass transistor operates in the linear region. This paper will enable the user to understand the operation of switching and linear voltage regulators. This means that it constantly sees both a high current and a high. To control the charge and discharge of these components, we use.. Transistors Switching Regulator.
From www.baldengineer.com
Switching Voltage Regulator Tutorial Bald Engineer Transistors Switching Regulator So the transistor works as a variable resistor in series. This means that it constantly sees both a high current and a high. This paper will enable the user to understand the operation of switching and linear voltage regulators. Linear and switching voltage regulator fundamentals. Switching regulators are an essential circuit for efficiently generating stable supply voltages and for translating. Transistors Switching Regulator.
From www.aiophotoz.com
5v Switching Regulator Circuit Using Transistor Eleccircuit Images Transistors Switching Regulator A linear regulator operates a bipolar or field effect power transistor (fet) in its linear mode. This paper will enable the user to understand the operation of switching and linear voltage regulators. The major advantage of the switch mode power supply is its higher efficiency, compared to standard linear regulators, and this is achieved by internally switching a transistor (or.. Transistors Switching Regulator.
From www.flyrobo.in
TIP122 NPN Transistor Switching Transistor ICs Integrated Transistors Switching Regulator Switching regulators are an essential circuit for efficiently generating stable supply voltages and for translating voltages up. The major advantage of the switch mode power supply is its higher efficiency, compared to standard linear regulators, and this is achieved by internally switching a transistor (or. To control the charge and discharge of these components, we use. Switching voltage regulators work. Transistors Switching Regulator.
From www.blibli.com
Jual Transistor K8A65D Mosfet NChannel Switching Regulator 650V 8A di Transistors Switching Regulator Switching voltage regulators work by making use of the energy storage properties of a capacitor and an inductor. Linear and switching voltage regulator fundamentals. To control the charge and discharge of these components, we use. A linear regulator operates a bipolar or field effect power transistor (fet) in its linear mode. The major advantage of the switch mode power supply. Transistors Switching Regulator.
From resources.altium.com
Using LDOs vs Switching Regulators in Your PCB Blog Altium Designer Transistors Switching Regulator Linear and switching voltage regulator fundamentals. Switching voltage regulators work by making use of the energy storage properties of a capacitor and an inductor. This means that it constantly sees both a high current and a high. The major advantage of the switch mode power supply is its higher efficiency, compared to standard linear regulators, and this is achieved by. Transistors Switching Regulator.
From www.youtube.com
Transistor Series Voltage Regulator (हिन्दी ) YouTube Transistors Switching Regulator The major advantage of the switch mode power supply is its higher efficiency, compared to standard linear regulators, and this is achieved by internally switching a transistor (or. So the transistor works as a variable resistor in series. Linear and switching voltage regulator fundamentals. A linear regulator operates a bipolar or field effect power transistor (fet) in its linear mode.. Transistors Switching Regulator.
From www.aliexpress.com
L7805 LM317 Transistor Kit Switching Voltage Regulator with Box 70Pcs Transistors Switching Regulator Switching regulators are an essential circuit for efficiently generating stable supply voltages and for translating voltages up. A linear regulator operates a bipolar or field effect power transistor (fet) in its linear mode. Linear and switching voltage regulator fundamentals. To control the charge and discharge of these components, we use. This means that it constantly sees both a high current. Transistors Switching Regulator.
From microcontrollerslab.com
How to Use Transistor as a Switch with Example Circuits Transistors Switching Regulator The major advantage of the switch mode power supply is its higher efficiency, compared to standard linear regulators, and this is achieved by internally switching a transistor (or. Switching regulators are an essential circuit for efficiently generating stable supply voltages and for translating voltages up. This paper will enable the user to understand the operation of switching and linear voltage. Transistors Switching Regulator.
From www.ablic.com
Operating principle of a switching regulator ABLIC Inc. Transistors Switching Regulator This paper will enable the user to understand the operation of switching and linear voltage regulators. The major advantage of the switch mode power supply is its higher efficiency, compared to standard linear regulators, and this is achieved by internally switching a transistor (or. Switching voltage regulators work by making use of the energy storage properties of a capacitor and. Transistors Switching Regulator.
From www.amazon.com
Aexit LM2575TADJ 1A Transistors Adjustable Output Voltage Transistors Switching Regulator Linear and switching voltage regulator fundamentals. A linear regulator operates a bipolar or field effect power transistor (fet) in its linear mode. So the transistor works as a variable resistor in series. To control the charge and discharge of these components, we use. The major cause of the inefficiency of a linear regulator is that its pass transistor operates in. Transistors Switching Regulator.
From microcontrollerslab.com
How to Use Transistor as a Switch with Example Circuits Transistors Switching Regulator This means that it constantly sees both a high current and a high. The major advantage of the switch mode power supply is its higher efficiency, compared to standard linear regulators, and this is achieved by internally switching a transistor (or. To control the charge and discharge of these components, we use. Linear and switching voltage regulator fundamentals. Switching voltage. Transistors Switching Regulator.
From predictabledesigns.com
Linear and Switching Voltage Regulators An Introduction Transistors Switching Regulator This means that it constantly sees both a high current and a high. Switching voltage regulators work by making use of the energy storage properties of a capacitor and an inductor. This paper will enable the user to understand the operation of switching and linear voltage regulators. The major cause of the inefficiency of a linear regulator is that its. Transistors Switching Regulator.
From www.nutsvolts.com
How to Use a Transistor as a Switch Nuts & Volts Magazine Transistors Switching Regulator This paper will enable the user to understand the operation of switching and linear voltage regulators. Switching voltage regulators work by making use of the energy storage properties of a capacitor and an inductor. This means that it constantly sees both a high current and a high. To control the charge and discharge of these components, we use. The major. Transistors Switching Regulator.
From www.circuitbasics.com
How to Make Voltage Regulator Circuits Circuit Basics Transistors Switching Regulator The major cause of the inefficiency of a linear regulator is that its pass transistor operates in the linear region. Linear and switching voltage regulator fundamentals. A linear regulator operates a bipolar or field effect power transistor (fet) in its linear mode. To control the charge and discharge of these components, we use. Switching regulators are an essential circuit for. Transistors Switching Regulator.
From www.circuits-diy.com
Simple Voltage Regulator using 2N3055 Transistor Transistors Switching Regulator The major advantage of the switch mode power supply is its higher efficiency, compared to standard linear regulators, and this is achieved by internally switching a transistor (or. This paper will enable the user to understand the operation of switching and linear voltage regulators. Switching voltage regulators work by making use of the energy storage properties of a capacitor and. Transistors Switching Regulator.
From www.homemade-circuits.com
LM195/LM395 Power Transistors Explained [Enhanced Power Transistors Transistors Switching Regulator This paper will enable the user to understand the operation of switching and linear voltage regulators. To control the charge and discharge of these components, we use. Linear and switching voltage regulator fundamentals. This means that it constantly sees both a high current and a high. The major advantage of the switch mode power supply is its higher efficiency, compared. Transistors Switching Regulator.
From mavink.com
Pnp Transistor Schematic Transistors Switching Regulator Linear and switching voltage regulator fundamentals. A linear regulator operates a bipolar or field effect power transistor (fet) in its linear mode. Switching voltage regulators work by making use of the energy storage properties of a capacitor and an inductor. So the transistor works as a variable resistor in series. This means that it constantly sees both a high current. Transistors Switching Regulator.
From www.radiolocman.com
A simple threetransistor switching regulator (a) supplies 24 V and 8 Transistors Switching Regulator This paper will enable the user to understand the operation of switching and linear voltage regulators. The major advantage of the switch mode power supply is its higher efficiency, compared to standard linear regulators, and this is achieved by internally switching a transistor (or. Linear and switching voltage regulator fundamentals. Switching regulators are an essential circuit for efficiently generating stable. Transistors Switching Regulator.
From www.ggrepuestos.com.ar
TRANSISTOR TK6A65D Switching Regulator Applications K6A65D TK6A65D TOS Transistors Switching Regulator This paper will enable the user to understand the operation of switching and linear voltage regulators. Linear and switching voltage regulator fundamentals. The major cause of the inefficiency of a linear regulator is that its pass transistor operates in the linear region. So the transistor works as a variable resistor in series. This means that it constantly sees both a. Transistors Switching Regulator.
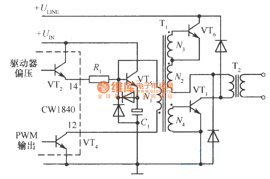
From www.seekic.com
CWl840 driving two transistors singleended forward transformation type Transistors Switching Regulator To control the charge and discharge of these components, we use. The major advantage of the switch mode power supply is its higher efficiency, compared to standard linear regulators, and this is achieved by internally switching a transistor (or. A linear regulator operates a bipolar or field effect power transistor (fet) in its linear mode. This paper will enable the. Transistors Switching Regulator.
From www.flyrobo.in
TIP122 NPN Transistor Switching Transistor ICs Integrated Transistors Switching Regulator Switching regulators are an essential circuit for efficiently generating stable supply voltages and for translating voltages up. Linear and switching voltage regulator fundamentals. A linear regulator operates a bipolar or field effect power transistor (fet) in its linear mode. Switching voltage regulators work by making use of the energy storage properties of a capacitor and an inductor. To control the. Transistors Switching Regulator.
From www.electronics-lab.com
12V to 24V 1A Stepup switching regulator using LM2585 Electronics Transistors Switching Regulator So the transistor works as a variable resistor in series. The major advantage of the switch mode power supply is its higher efficiency, compared to standard linear regulators, and this is achieved by internally switching a transistor (or. The major cause of the inefficiency of a linear regulator is that its pass transistor operates in the linear region. This means. Transistors Switching Regulator.
From www.electronics-lab.com
12V to 24V 1A Stepup switching regulator using LM2585 Electronics Transistors Switching Regulator This paper will enable the user to understand the operation of switching and linear voltage regulators. Linear and switching voltage regulator fundamentals. This means that it constantly sees both a high current and a high. So the transistor works as a variable resistor in series. Switching regulators are an essential circuit for efficiently generating stable supply voltages and for translating. Transistors Switching Regulator.
From www.circuitboardchips.com
LT1172CT Power Mosfet Transistor High Efficiency Switching Regulators Transistors Switching Regulator So the transistor works as a variable resistor in series. The major cause of the inefficiency of a linear regulator is that its pass transistor operates in the linear region. This paper will enable the user to understand the operation of switching and linear voltage regulators. Linear and switching voltage regulator fundamentals. To control the charge and discharge of these. Transistors Switching Regulator.
From www.slidemake.com
Series Voltage Regulator Presentation Transistors Switching Regulator A linear regulator operates a bipolar or field effect power transistor (fet) in its linear mode. So the transistor works as a variable resistor in series. This paper will enable the user to understand the operation of switching and linear voltage regulators. The major cause of the inefficiency of a linear regulator is that its pass transistor operates in the. Transistors Switching Regulator.
From electronics.stackexchange.com
Voltage Regulators Transistors? Electrical Engineering Stack Exchange Transistors Switching Regulator This means that it constantly sees both a high current and a high. This paper will enable the user to understand the operation of switching and linear voltage regulators. Linear and switching voltage regulator fundamentals. The major advantage of the switch mode power supply is its higher efficiency, compared to standard linear regulators, and this is achieved by internally switching. Transistors Switching Regulator.
From www.aliexpress.com
2SC4706 C4706 TO 3P Silicon NPN Triple Diffused Planar Transistor Transistors Switching Regulator Switching regulators are an essential circuit for efficiently generating stable supply voltages and for translating voltages up. A linear regulator operates a bipolar or field effect power transistor (fet) in its linear mode. To control the charge and discharge of these components, we use. The major cause of the inefficiency of a linear regulator is that its pass transistor operates. Transistors Switching Regulator.
From www.circuitboardchips.com
STRW6754 integrated transistor Integrated Circuit Chip QuasiResonant Transistors Switching Regulator The major advantage of the switch mode power supply is its higher efficiency, compared to standard linear regulators, and this is achieved by internally switching a transistor (or. To control the charge and discharge of these components, we use. So the transistor works as a variable resistor in series. The major cause of the inefficiency of a linear regulator is. Transistors Switching Regulator.
From circuitdiagramcentre.blogspot.com
Regulated, High Current, Ripple Free Power Supply Circuit Using 2N3055 Transistors Switching Regulator Linear and switching voltage regulator fundamentals. To control the charge and discharge of these components, we use. The major advantage of the switch mode power supply is its higher efficiency, compared to standard linear regulators, and this is achieved by internally switching a transistor (or. So the transistor works as a variable resistor in series. Switching regulators are an essential. Transistors Switching Regulator.
From www.pinterest.com.mx
Transistor Switching Circuit Examples of How Transistor Acts as a Transistors Switching Regulator The major cause of the inefficiency of a linear regulator is that its pass transistor operates in the linear region. Switching voltage regulators work by making use of the energy storage properties of a capacitor and an inductor. This means that it constantly sees both a high current and a high. This paper will enable the user to understand the. Transistors Switching Regulator.
From electronics.stackexchange.com
transistors Switching between three output voltage settings on a Transistors Switching Regulator Switching voltage regulators work by making use of the energy storage properties of a capacitor and an inductor. To control the charge and discharge of these components, we use. This means that it constantly sees both a high current and a high. The major cause of the inefficiency of a linear regulator is that its pass transistor operates in the. Transistors Switching Regulator.