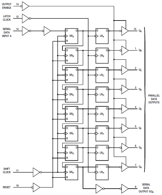
Shift Register 74Hc595 Pinout . the solution is to use a ‘shift register,’ which allows you to add more i/o pins to the arduino (or any microcontroller). the 74hc595 shift register is commonly used with microcontrollers or microprocessors to expand the gipo functionalities. An eight bit shift register accpets data from the serial input (ds) on each positive transition of the shift. It requires only 3 pins. add lots more outputs to a microcontroller system with chainable shift registers. the 74hc595 is an high speed cmos device. These chips take a serial input (spi) of 1 byte (8 bits) and then output. Data can be shifted in serially (one by one), for.
from softwareparticles.com
the 74hc595 shift register is commonly used with microcontrollers or microprocessors to expand the gipo functionalities. the 74hc595 is an high speed cmos device. It requires only 3 pins. An eight bit shift register accpets data from the serial input (ds) on each positive transition of the shift. Data can be shifted in serially (one by one), for. These chips take a serial input (spi) of 1 byte (8 bits) and then output. add lots more outputs to a microcontroller system with chainable shift registers. the solution is to use a ‘shift register,’ which allows you to add more i/o pins to the arduino (or any microcontroller).
Use 74HC595 Shift Register With Arduino Software Particles
Shift Register 74Hc595 Pinout the 74hc595 is an high speed cmos device. the 74hc595 is an high speed cmos device. Data can be shifted in serially (one by one), for. An eight bit shift register accpets data from the serial input (ds) on each positive transition of the shift. add lots more outputs to a microcontroller system with chainable shift registers. the solution is to use a ‘shift register,’ which allows you to add more i/o pins to the arduino (or any microcontroller). It requires only 3 pins. the 74hc595 shift register is commonly used with microcontrollers or microprocessors to expand the gipo functionalities. These chips take a serial input (spi) of 1 byte (8 bits) and then output.
From gbu-taganskij.ru
Pinouts 74HC595 Shift Register Adafruit Learning System, 58 OFF Shift Register 74Hc595 Pinout These chips take a serial input (spi) of 1 byte (8 bits) and then output. An eight bit shift register accpets data from the serial input (ds) on each positive transition of the shift. It requires only 3 pins. Data can be shifted in serially (one by one), for. the 74hc595 is an high speed cmos device. the. Shift Register 74Hc595 Pinout.
From www.tpsearchtool.com
74hc595 Shift Register Pinout Working Arduino Interfacing Images Shift Register 74Hc595 Pinout the 74hc595 is an high speed cmos device. the solution is to use a ‘shift register,’ which allows you to add more i/o pins to the arduino (or any microcontroller). Data can be shifted in serially (one by one), for. These chips take a serial input (spi) of 1 byte (8 bits) and then output. It requires only. Shift Register 74Hc595 Pinout.
From www.majju.pk
74HC595 Shift Register 7Segment 8Bit Serialin ParallelOut Majju PK Shift Register 74Hc595 Pinout the 74hc595 is an high speed cmos device. add lots more outputs to a microcontroller system with chainable shift registers. the 74hc595 shift register is commonly used with microcontrollers or microprocessors to expand the gipo functionalities. It requires only 3 pins. These chips take a serial input (spi) of 1 byte (8 bits) and then output. An. Shift Register 74Hc595 Pinout.
From components101.com
74HC595 Shift Register Pinout, Features, Circuit & Datasheet Shift Register 74Hc595 Pinout add lots more outputs to a microcontroller system with chainable shift registers. the solution is to use a ‘shift register,’ which allows you to add more i/o pins to the arduino (or any microcontroller). the 74hc595 is an high speed cmos device. the 74hc595 shift register is commonly used with microcontrollers or microprocessors to expand the. Shift Register 74Hc595 Pinout.
From atlas.nilebasin.org
74HC595 Shift Register Arduino Interfacing, Pinout, Working, 49 OFF Shift Register 74Hc595 Pinout add lots more outputs to a microcontroller system with chainable shift registers. These chips take a serial input (spi) of 1 byte (8 bits) and then output. Data can be shifted in serially (one by one), for. An eight bit shift register accpets data from the serial input (ds) on each positive transition of the shift. the 74hc595. Shift Register 74Hc595 Pinout.
From www.hackster.io
74HC595 Shift Register Tutorial Arduino with 7 segment Hackster.io Shift Register 74Hc595 Pinout add lots more outputs to a microcontroller system with chainable shift registers. the solution is to use a ‘shift register,’ which allows you to add more i/o pins to the arduino (or any microcontroller). the 74hc595 is an high speed cmos device. the 74hc595 shift register is commonly used with microcontrollers or microprocessors to expand the. Shift Register 74Hc595 Pinout.
From mungfali.com
74HC595 Shift Register Pinout Shift Register 74Hc595 Pinout It requires only 3 pins. These chips take a serial input (spi) of 1 byte (8 bits) and then output. An eight bit shift register accpets data from the serial input (ds) on each positive transition of the shift. Data can be shifted in serially (one by one), for. the 74hc595 is an high speed cmos device. add. Shift Register 74Hc595 Pinout.
From edu.svet.gob.gt
74HC595 Shift Register Pinout, Features, Circuit Datasheet Shift Register 74Hc595 Pinout the solution is to use a ‘shift register,’ which allows you to add more i/o pins to the arduino (or any microcontroller). An eight bit shift register accpets data from the serial input (ds) on each positive transition of the shift. the 74hc595 shift register is commonly used with microcontrollers or microprocessors to expand the gipo functionalities. . Shift Register 74Hc595 Pinout.
From mungfali.com
74HC595 Shift Register Pinout Shift Register 74Hc595 Pinout An eight bit shift register accpets data from the serial input (ds) on each positive transition of the shift. add lots more outputs to a microcontroller system with chainable shift registers. It requires only 3 pins. the 74hc595 shift register is commonly used with microcontrollers or microprocessors to expand the gipo functionalities. the solution is to use. Shift Register 74Hc595 Pinout.
From learn.adafruit.com
Pinouts 74HC595 Shift Register Adafruit Learning System Shift Register 74Hc595 Pinout Data can be shifted in serially (one by one), for. It requires only 3 pins. add lots more outputs to a microcontroller system with chainable shift registers. the 74hc595 shift register is commonly used with microcontrollers or microprocessors to expand the gipo functionalities. the solution is to use a ‘shift register,’ which allows you to add more. Shift Register 74Hc595 Pinout.
From www.vrogue.co
74hc595 Shift Register Pinout Working Arduino Interfacing Vrogue Shift Register 74Hc595 Pinout add lots more outputs to a microcontroller system with chainable shift registers. These chips take a serial input (spi) of 1 byte (8 bits) and then output. the solution is to use a ‘shift register,’ which allows you to add more i/o pins to the arduino (or any microcontroller). It requires only 3 pins. Data can be shifted. Shift Register 74Hc595 Pinout.
From www.youtube.com
How to cascade 74hc595 shift register YouTube Shift Register 74Hc595 Pinout add lots more outputs to a microcontroller system with chainable shift registers. It requires only 3 pins. An eight bit shift register accpets data from the serial input (ds) on each positive transition of the shift. Data can be shifted in serially (one by one), for. These chips take a serial input (spi) of 1 byte (8 bits) and. Shift Register 74Hc595 Pinout.
From www.theengineertutor.com
Shift Register Use for controlling multiple LEDs The Engineer Tutor Shift Register 74Hc595 Pinout add lots more outputs to a microcontroller system with chainable shift registers. the solution is to use a ‘shift register,’ which allows you to add more i/o pins to the arduino (or any microcontroller). It requires only 3 pins. the 74hc595 shift register is commonly used with microcontrollers or microprocessors to expand the gipo functionalities. These chips. Shift Register 74Hc595 Pinout.
From mungfali.com
74HC595 Shift Register Pinout Shift Register 74Hc595 Pinout the solution is to use a ‘shift register,’ which allows you to add more i/o pins to the arduino (or any microcontroller). These chips take a serial input (spi) of 1 byte (8 bits) and then output. the 74hc595 is an high speed cmos device. An eight bit shift register accpets data from the serial input (ds) on. Shift Register 74Hc595 Pinout.
From mrprojectsopedia.blogspot.com
arduino 74hc595 shift registor ic tutorial 74hc595 test Shift Register 74Hc595 Pinout the 74hc595 is an high speed cmos device. These chips take a serial input (spi) of 1 byte (8 bits) and then output. An eight bit shift register accpets data from the serial input (ds) on each positive transition of the shift. the 74hc595 shift register is commonly used with microcontrollers or microprocessors to expand the gipo functionalities.. Shift Register 74Hc595 Pinout.
From create.arduino.cc
74HC595 Shift Register Tutorial Arduino with 7 segment Arduino Shift Register 74Hc595 Pinout Data can be shifted in serially (one by one), for. add lots more outputs to a microcontroller system with chainable shift registers. An eight bit shift register accpets data from the serial input (ds) on each positive transition of the shift. the 74hc595 shift register is commonly used with microcontrollers or microprocessors to expand the gipo functionalities. These. Shift Register 74Hc595 Pinout.
From softwareparticles.com
Use 74HC595 Shift Register With Arduino Software Particles Shift Register 74Hc595 Pinout the 74hc595 shift register is commonly used with microcontrollers or microprocessors to expand the gipo functionalities. It requires only 3 pins. add lots more outputs to a microcontroller system with chainable shift registers. An eight bit shift register accpets data from the serial input (ds) on each positive transition of the shift. These chips take a serial input. Shift Register 74Hc595 Pinout.
From learn.adafruit.com
Pinouts 74HC595 Shift Register Adafruit Learning System Shift Register 74Hc595 Pinout add lots more outputs to a microcontroller system with chainable shift registers. the 74hc595 is an high speed cmos device. Data can be shifted in serially (one by one), for. It requires only 3 pins. These chips take a serial input (spi) of 1 byte (8 bits) and then output. the 74hc595 shift register is commonly used. Shift Register 74Hc595 Pinout.
From linuxhint.com
How to Use 74HC595 Shift Register with Arduino Shift Register 74Hc595 Pinout An eight bit shift register accpets data from the serial input (ds) on each positive transition of the shift. the 74hc595 is an high speed cmos device. These chips take a serial input (spi) of 1 byte (8 bits) and then output. the solution is to use a ‘shift register,’ which allows you to add more i/o pins. Shift Register 74Hc595 Pinout.
From skt.zst.tarnow.pl
74HC595 Shift Register Pinout, Features, Circuit Datasheet Shift Register 74Hc595 Pinout An eight bit shift register accpets data from the serial input (ds) on each positive transition of the shift. Data can be shifted in serially (one by one), for. These chips take a serial input (spi) of 1 byte (8 bits) and then output. add lots more outputs to a microcontroller system with chainable shift registers. the solution. Shift Register 74Hc595 Pinout.
From www.tpsearchtool.com
74hc595 Shift Register Arduino Interfacing Pinout Working Images Shift Register 74Hc595 Pinout An eight bit shift register accpets data from the serial input (ds) on each positive transition of the shift. the solution is to use a ‘shift register,’ which allows you to add more i/o pins to the arduino (or any microcontroller). the 74hc595 shift register is commonly used with microcontrollers or microprocessors to expand the gipo functionalities. It. Shift Register 74Hc595 Pinout.
From gbu-taganskij.ru
74HC595 Shift Register Pinout, Features, Circuit Datasheet, 54 OFF Shift Register 74Hc595 Pinout the 74hc595 is an high speed cmos device. It requires only 3 pins. An eight bit shift register accpets data from the serial input (ds) on each positive transition of the shift. Data can be shifted in serially (one by one), for. the solution is to use a ‘shift register,’ which allows you to add more i/o pins. Shift Register 74Hc595 Pinout.
From new77.ecole-peg.ch
74HC595 Shift Register Pinout, Features, Circuit Datasheet, 50 OFF Shift Register 74Hc595 Pinout the solution is to use a ‘shift register,’ which allows you to add more i/o pins to the arduino (or any microcontroller). Data can be shifted in serially (one by one), for. add lots more outputs to a microcontroller system with chainable shift registers. These chips take a serial input (spi) of 1 byte (8 bits) and then. Shift Register 74Hc595 Pinout.
From gbu-taganskij.ru
74HC595 Shift Register Pinout, Features, Circuit Datasheet, 41 OFF Shift Register 74Hc595 Pinout the 74hc595 shift register is commonly used with microcontrollers or microprocessors to expand the gipo functionalities. add lots more outputs to a microcontroller system with chainable shift registers. These chips take a serial input (spi) of 1 byte (8 bits) and then output. the solution is to use a ‘shift register,’ which allows you to add more. Shift Register 74Hc595 Pinout.
From my-creative-engineering.blogspot.com
MY CREATIVE ENGINEERING Arduino Intermediate Control LED using Shift Register 74Hc595 Pinout the 74hc595 is an high speed cmos device. It requires only 3 pins. An eight bit shift register accpets data from the serial input (ds) on each positive transition of the shift. These chips take a serial input (spi) of 1 byte (8 bits) and then output. the 74hc595 shift register is commonly used with microcontrollers or microprocessors. Shift Register 74Hc595 Pinout.
From linuxhint.com
How to Use 74HC595 Shift Register with Arduino Shift Register 74Hc595 Pinout These chips take a serial input (spi) of 1 byte (8 bits) and then output. the 74hc595 shift register is commonly used with microcontrollers or microprocessors to expand the gipo functionalities. add lots more outputs to a microcontroller system with chainable shift registers. the 74hc595 is an high speed cmos device. It requires only 3 pins. Data. Shift Register 74Hc595 Pinout.
From www.yakimankagbu.ru
74HC595 Shift Register Arduino Interfacing, Pinout, Working, 43 OFF Shift Register 74Hc595 Pinout the solution is to use a ‘shift register,’ which allows you to add more i/o pins to the arduino (or any microcontroller). the 74hc595 is an high speed cmos device. An eight bit shift register accpets data from the serial input (ds) on each positive transition of the shift. It requires only 3 pins. the 74hc595 shift. Shift Register 74Hc595 Pinout.
From www.utmel.com
74HC595 Shift Register IC Pinout, Advantage and Datasheet Shift Register 74Hc595 Pinout the solution is to use a ‘shift register,’ which allows you to add more i/o pins to the arduino (or any microcontroller). These chips take a serial input (spi) of 1 byte (8 bits) and then output. the 74hc595 is an high speed cmos device. It requires only 3 pins. add lots more outputs to a microcontroller. Shift Register 74Hc595 Pinout.
From www.electronics-lab.com
How to use 74HC595 Shift Register with Arduino? Power Electronics Shift Register 74Hc595 Pinout the solution is to use a ‘shift register,’ which allows you to add more i/o pins to the arduino (or any microcontroller). Data can be shifted in serially (one by one), for. the 74hc595 is an high speed cmos device. An eight bit shift register accpets data from the serial input (ds) on each positive transition of the. Shift Register 74Hc595 Pinout.
From cafecentralmugron.fr
74HC595 Shift Register Arduino Interfacing, Pinout, Working Shift Register 74Hc595 Pinout the 74hc595 is an high speed cmos device. add lots more outputs to a microcontroller system with chainable shift registers. Data can be shifted in serially (one by one), for. It requires only 3 pins. These chips take a serial input (spi) of 1 byte (8 bits) and then output. An eight bit shift register accpets data from. Shift Register 74Hc595 Pinout.
From www.build-electronic-circuits.com
7400 Series Guide 74HC595 SerialtoParallel Shift Register Shift Register 74Hc595 Pinout An eight bit shift register accpets data from the serial input (ds) on each positive transition of the shift. the 74hc595 shift register is commonly used with microcontrollers or microprocessors to expand the gipo functionalities. add lots more outputs to a microcontroller system with chainable shift registers. These chips take a serial input (spi) of 1 byte (8. Shift Register 74Hc595 Pinout.
From skt.zst.tarnow.pl
74HC595 Shift Register Pinout, Features, Circuit Datasheet Shift Register 74Hc595 Pinout the 74hc595 is an high speed cmos device. the solution is to use a ‘shift register,’ which allows you to add more i/o pins to the arduino (or any microcontroller). It requires only 3 pins. An eight bit shift register accpets data from the serial input (ds) on each positive transition of the shift. add lots more. Shift Register 74Hc595 Pinout.
From www.pinterest.dk
74HC595 Pinout, Specs, Working, and Datasheet Data Conversion, Led Shift Register 74Hc595 Pinout the solution is to use a ‘shift register,’ which allows you to add more i/o pins to the arduino (or any microcontroller). the 74hc595 is an high speed cmos device. These chips take a serial input (spi) of 1 byte (8 bits) and then output. An eight bit shift register accpets data from the serial input (ds) on. Shift Register 74Hc595 Pinout.
From mungfali.com
74HC595 Shift Register Pinout Shift Register 74Hc595 Pinout the solution is to use a ‘shift register,’ which allows you to add more i/o pins to the arduino (or any microcontroller). Data can be shifted in serially (one by one), for. the 74hc595 is an high speed cmos device. It requires only 3 pins. the 74hc595 shift register is commonly used with microcontrollers or microprocessors to. Shift Register 74Hc595 Pinout.
From mungfali.com
74HC595 Shift Register Pinout Shift Register 74Hc595 Pinout the solution is to use a ‘shift register,’ which allows you to add more i/o pins to the arduino (or any microcontroller). These chips take a serial input (spi) of 1 byte (8 bits) and then output. the 74hc595 shift register is commonly used with microcontrollers or microprocessors to expand the gipo functionalities. Data can be shifted in. Shift Register 74Hc595 Pinout.