Mercruiser Fresh Water Cooling System Diagram . the 5.7 mercruiser cooling system diagram is a valuable tool for understanding the flow of coolant in your engine. — freshwater cooling draws raw water through a heat exchanger, then out through the exhaust. It provides a visual representation of how the various components interact to maintain the engine’s temperature. As shown in the diagram below, raw water is picked up. the cooling system in mercruiser engines typically consists of a freshwater or raw water cooling system. the diagram of the mercruiser fresh water cooling system typically shows the different components and their connections. the half closed cooling system is designed to circulate cooling water through the block only. understanding how the closed cooling system works is essential for maintaining the engine’s optimal performance and longevity. mercury mercruiser engines have either a seawater cooling system or a closed cooling system. a diagram of the mercruiser fresh water cooling system, illustrating the components and their connections for maintaining.
from partdiagramgleitspurfe.z14.web.core.windows.net
understanding how the closed cooling system works is essential for maintaining the engine’s optimal performance and longevity. — freshwater cooling draws raw water through a heat exchanger, then out through the exhaust. mercury mercruiser engines have either a seawater cooling system or a closed cooling system. the cooling system in mercruiser engines typically consists of a freshwater or raw water cooling system. the 5.7 mercruiser cooling system diagram is a valuable tool for understanding the flow of coolant in your engine. It provides a visual representation of how the various components interact to maintain the engine’s temperature. As shown in the diagram below, raw water is picked up. the half closed cooling system is designed to circulate cooling water through the block only. the diagram of the mercruiser fresh water cooling system typically shows the different components and their connections. a diagram of the mercruiser fresh water cooling system, illustrating the components and their connections for maintaining.
Mercruiser 3.0 Cooling System Diagram
Mercruiser Fresh Water Cooling System Diagram the cooling system in mercruiser engines typically consists of a freshwater or raw water cooling system. the half closed cooling system is designed to circulate cooling water through the block only. a diagram of the mercruiser fresh water cooling system, illustrating the components and their connections for maintaining. the diagram of the mercruiser fresh water cooling system typically shows the different components and their connections. It provides a visual representation of how the various components interact to maintain the engine’s temperature. understanding how the closed cooling system works is essential for maintaining the engine’s optimal performance and longevity. the 5.7 mercruiser cooling system diagram is a valuable tool for understanding the flow of coolant in your engine. — freshwater cooling draws raw water through a heat exchanger, then out through the exhaust. As shown in the diagram below, raw water is picked up. mercury mercruiser engines have either a seawater cooling system or a closed cooling system. the cooling system in mercruiser engines typically consists of a freshwater or raw water cooling system.
From bceweb.org
Mercruiser Cooling System Flow Chart A Visual Reference of Charts Mercruiser Fresh Water Cooling System Diagram understanding how the closed cooling system works is essential for maintaining the engine’s optimal performance and longevity. As shown in the diagram below, raw water is picked up. mercury mercruiser engines have either a seawater cooling system or a closed cooling system. a diagram of the mercruiser fresh water cooling system, illustrating the components and their connections. Mercruiser Fresh Water Cooling System Diagram.
From kdi-ppi.com
How to Understand the Mercruiser Cooling System Schematic Mercruiser Fresh Water Cooling System Diagram understanding how the closed cooling system works is essential for maintaining the engine’s optimal performance and longevity. mercury mercruiser engines have either a seawater cooling system or a closed cooling system. the 5.7 mercruiser cooling system diagram is a valuable tool for understanding the flow of coolant in your engine. the cooling system in mercruiser engines. Mercruiser Fresh Water Cooling System Diagram.
From schematicginglymi.z14.web.core.windows.net
Mercruiser 7.4 Cooling System Diagram Mercruiser Fresh Water Cooling System Diagram It provides a visual representation of how the various components interact to maintain the engine’s temperature. the 5.7 mercruiser cooling system diagram is a valuable tool for understanding the flow of coolant in your engine. the cooling system in mercruiser engines typically consists of a freshwater or raw water cooling system. As shown in the diagram below, raw. Mercruiser Fresh Water Cooling System Diagram.
From stewart-switch.com
Mercruiser Fresh Water Cooling System Diagram Mercruiser Fresh Water Cooling System Diagram understanding how the closed cooling system works is essential for maintaining the engine’s optimal performance and longevity. the 5.7 mercruiser cooling system diagram is a valuable tool for understanding the flow of coolant in your engine. the cooling system in mercruiser engines typically consists of a freshwater or raw water cooling system. It provides a visual representation. Mercruiser Fresh Water Cooling System Diagram.
From exooccqnc.blob.core.windows.net
Fresh Water Cooled Boat Engine at Roger Corcoran blog Mercruiser Fresh Water Cooling System Diagram — freshwater cooling draws raw water through a heat exchanger, then out through the exhaust. a diagram of the mercruiser fresh water cooling system, illustrating the components and their connections for maintaining. As shown in the diagram below, raw water is picked up. the cooling system in mercruiser engines typically consists of a freshwater or raw water. Mercruiser Fresh Water Cooling System Diagram.
From schemesnet.com
Mercruiser Fresh Water Cooling Diagram Mercruiser Fresh Water Cooling System Diagram the cooling system in mercruiser engines typically consists of a freshwater or raw water cooling system. mercury mercruiser engines have either a seawater cooling system or a closed cooling system. As shown in the diagram below, raw water is picked up. the half closed cooling system is designed to circulate cooling water through the block only. . Mercruiser Fresh Water Cooling System Diagram.
From schematicpartmelinda.z22.web.core.windows.net
Mercruiser Fresh Water Cooling System Diagram Mercruiser Fresh Water Cooling System Diagram As shown in the diagram below, raw water is picked up. the half closed cooling system is designed to circulate cooling water through the block only. It provides a visual representation of how the various components interact to maintain the engine’s temperature. the diagram of the mercruiser fresh water cooling system typically shows the different components and their. Mercruiser Fresh Water Cooling System Diagram.
From circuitdbbonesets.z13.web.core.windows.net
Mercruiser Open Cooling System Diagram Mercruiser Fresh Water Cooling System Diagram the half closed cooling system is designed to circulate cooling water through the block only. a diagram of the mercruiser fresh water cooling system, illustrating the components and their connections for maintaining. — freshwater cooling draws raw water through a heat exchanger, then out through the exhaust. the diagram of the mercruiser fresh water cooling system. Mercruiser Fresh Water Cooling System Diagram.
From manualfixrey101.z19.web.core.windows.net
Mercruiser Fresh Water Cooling System Diagram Mercruiser Fresh Water Cooling System Diagram As shown in the diagram below, raw water is picked up. a diagram of the mercruiser fresh water cooling system, illustrating the components and their connections for maintaining. It provides a visual representation of how the various components interact to maintain the engine’s temperature. the half closed cooling system is designed to circulate cooling water through the block. Mercruiser Fresh Water Cooling System Diagram.
From stewart-switch.com
Mercruiser Fresh Water Cooling System Diagram Mercruiser Fresh Water Cooling System Diagram the cooling system in mercruiser engines typically consists of a freshwater or raw water cooling system. mercury mercruiser engines have either a seawater cooling system or a closed cooling system. a diagram of the mercruiser fresh water cooling system, illustrating the components and their connections for maintaining. — freshwater cooling draws raw water through a heat. Mercruiser Fresh Water Cooling System Diagram.
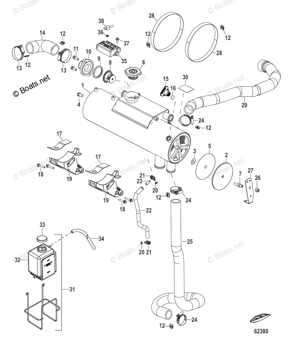
From www.boats.net
Mercruiser Inboard Gas Engines OEM Parts Diagram for Fresh Water Mercruiser Fresh Water Cooling System Diagram As shown in the diagram below, raw water is picked up. the cooling system in mercruiser engines typically consists of a freshwater or raw water cooling system. the half closed cooling system is designed to circulate cooling water through the block only. It provides a visual representation of how the various components interact to maintain the engine’s temperature.. Mercruiser Fresh Water Cooling System Diagram.
From www.perfprotech.com
MERCRUISER 496 MAG (Base Model) Cooling System, Fresh Water Mercruiser Fresh Water Cooling System Diagram understanding how the closed cooling system works is essential for maintaining the engine’s optimal performance and longevity. the 5.7 mercruiser cooling system diagram is a valuable tool for understanding the flow of coolant in your engine. the diagram of the mercruiser fresh water cooling system typically shows the different components and their connections. mercury mercruiser engines. Mercruiser Fresh Water Cooling System Diagram.
From stewart-switch.com
Mercruiser Fresh Water Cooling System Diagram Mercruiser Fresh Water Cooling System Diagram a diagram of the mercruiser fresh water cooling system, illustrating the components and their connections for maintaining. the half closed cooling system is designed to circulate cooling water through the block only. It provides a visual representation of how the various components interact to maintain the engine’s temperature. As shown in the diagram below, raw water is picked. Mercruiser Fresh Water Cooling System Diagram.
From zohebamaryss.blogspot.com
13+ mercruiser raw water cooling system diagram ZohebAmaryss Mercruiser Fresh Water Cooling System Diagram the half closed cooling system is designed to circulate cooling water through the block only. mercury mercruiser engines have either a seawater cooling system or a closed cooling system. — freshwater cooling draws raw water through a heat exchanger, then out through the exhaust. the cooling system in mercruiser engines typically consists of a freshwater or. Mercruiser Fresh Water Cooling System Diagram.
From www.boats.net
Mercruiser Inboard Gas Engines OEM Parts Diagram for Raw Water Cooling Mercruiser Fresh Water Cooling System Diagram the half closed cooling system is designed to circulate cooling water through the block only. It provides a visual representation of how the various components interact to maintain the engine’s temperature. the diagram of the mercruiser fresh water cooling system typically shows the different components and their connections. mercury mercruiser engines have either a seawater cooling system. Mercruiser Fresh Water Cooling System Diagram.
From enginedatanichered.z21.web.core.windows.net
Raw Water Cooling System Diagram Mercruiser Fresh Water Cooling System Diagram the diagram of the mercruiser fresh water cooling system typically shows the different components and their connections. understanding how the closed cooling system works is essential for maintaining the engine’s optimal performance and longevity. the cooling system in mercruiser engines typically consists of a freshwater or raw water cooling system. It provides a visual representation of how. Mercruiser Fresh Water Cooling System Diagram.
From circuitbulleritzux.z22.web.core.windows.net
5.7 Mercruiser Cooling System Diagram Mercruiser Fresh Water Cooling System Diagram the cooling system in mercruiser engines typically consists of a freshwater or raw water cooling system. understanding how the closed cooling system works is essential for maintaining the engine’s optimal performance and longevity. a diagram of the mercruiser fresh water cooling system, illustrating the components and their connections for maintaining. It provides a visual representation of how. Mercruiser Fresh Water Cooling System Diagram.
From zohebamaryss.blogspot.com
13+ mercruiser raw water cooling system diagram ZohebAmaryss Mercruiser Fresh Water Cooling System Diagram the diagram of the mercruiser fresh water cooling system typically shows the different components and their connections. mercury mercruiser engines have either a seawater cooling system or a closed cooling system. It provides a visual representation of how the various components interact to maintain the engine’s temperature. the 5.7 mercruiser cooling system diagram is a valuable tool. Mercruiser Fresh Water Cooling System Diagram.
From www.crowleymarine.com
FRESH WATER COOLING, HEAT EXCHANGER 2014 Mercruiser 4.5L [ALPHA MPI Mercruiser Fresh Water Cooling System Diagram As shown in the diagram below, raw water is picked up. the diagram of the mercruiser fresh water cooling system typically shows the different components and their connections. the 5.7 mercruiser cooling system diagram is a valuable tool for understanding the flow of coolant in your engine. a diagram of the mercruiser fresh water cooling system, illustrating. Mercruiser Fresh Water Cooling System Diagram.
From schematron.org
Mercruiser 3.0 Cooling System Diagram Mercruiser Fresh Water Cooling System Diagram — freshwater cooling draws raw water through a heat exchanger, then out through the exhaust. the diagram of the mercruiser fresh water cooling system typically shows the different components and their connections. the half closed cooling system is designed to circulate cooling water through the block only. As shown in the diagram below, raw water is picked. Mercruiser Fresh Water Cooling System Diagram.
From sepidehching.blogspot.com
mercruiser 5.7 cooling system diagram SepidehChing Mercruiser Fresh Water Cooling System Diagram the cooling system in mercruiser engines typically consists of a freshwater or raw water cooling system. It provides a visual representation of how the various components interact to maintain the engine’s temperature. the 5.7 mercruiser cooling system diagram is a valuable tool for understanding the flow of coolant in your engine. — freshwater cooling draws raw water. Mercruiser Fresh Water Cooling System Diagram.
From schematicpartmelinda.z22.web.core.windows.net
Mercruiser Fresh Water Cooling System Diagram Mercruiser Fresh Water Cooling System Diagram the 5.7 mercruiser cooling system diagram is a valuable tool for understanding the flow of coolant in your engine. understanding how the closed cooling system works is essential for maintaining the engine’s optimal performance and longevity. the cooling system in mercruiser engines typically consists of a freshwater or raw water cooling system. As shown in the diagram. Mercruiser Fresh Water Cooling System Diagram.
From schematron.org
Mercruiser 3.0 Cooling System Diagram Mercruiser Fresh Water Cooling System Diagram understanding how the closed cooling system works is essential for maintaining the engine’s optimal performance and longevity. the half closed cooling system is designed to circulate cooling water through the block only. — freshwater cooling draws raw water through a heat exchanger, then out through the exhaust. It provides a visual representation of how the various components. Mercruiser Fresh Water Cooling System Diagram.
From www.boats.net
Mercruiser Inboard Gas Engines OEM Parts Diagram for Cooling System Mercruiser Fresh Water Cooling System Diagram the 5.7 mercruiser cooling system diagram is a valuable tool for understanding the flow of coolant in your engine. the half closed cooling system is designed to circulate cooling water through the block only. a diagram of the mercruiser fresh water cooling system, illustrating the components and their connections for maintaining. mercury mercruiser engines have either. Mercruiser Fresh Water Cooling System Diagram.
From wiringall.com
The Ultimate Guide to Mercruiser Raw Water Cooling System Diagram and Mercruiser Fresh Water Cooling System Diagram — freshwater cooling draws raw water through a heat exchanger, then out through the exhaust. the 5.7 mercruiser cooling system diagram is a valuable tool for understanding the flow of coolant in your engine. As shown in the diagram below, raw water is picked up. mercury mercruiser engines have either a seawater cooling system or a closed. Mercruiser Fresh Water Cooling System Diagram.
From circuitdbbonesets.z13.web.core.windows.net
Mercruiser 4.3 Coolant Flow Diagram Mercruiser Fresh Water Cooling System Diagram the diagram of the mercruiser fresh water cooling system typically shows the different components and their connections. the cooling system in mercruiser engines typically consists of a freshwater or raw water cooling system. the 5.7 mercruiser cooling system diagram is a valuable tool for understanding the flow of coolant in your engine. understanding how the closed. Mercruiser Fresh Water Cooling System Diagram.
From schematron.org
Mercruiser 3.0 Cooling System Diagram Mercruiser Fresh Water Cooling System Diagram It provides a visual representation of how the various components interact to maintain the engine’s temperature. the half closed cooling system is designed to circulate cooling water through the block only. mercury mercruiser engines have either a seawater cooling system or a closed cooling system. a diagram of the mercruiser fresh water cooling system, illustrating the components. Mercruiser Fresh Water Cooling System Diagram.
From wiringall.com
The Ultimate Guide to Mercruiser Raw Water Cooling System Diagram and Mercruiser Fresh Water Cooling System Diagram the 5.7 mercruiser cooling system diagram is a valuable tool for understanding the flow of coolant in your engine. the half closed cooling system is designed to circulate cooling water through the block only. It provides a visual representation of how the various components interact to maintain the engine’s temperature. — freshwater cooling draws raw water through. Mercruiser Fresh Water Cooling System Diagram.
From manualenginemaxima.z13.web.core.windows.net
Mercruiser Fresh Water Cooling System Diagram Mercruiser Fresh Water Cooling System Diagram As shown in the diagram below, raw water is picked up. the diagram of the mercruiser fresh water cooling system typically shows the different components and their connections. — freshwater cooling draws raw water through a heat exchanger, then out through the exhaust. the 5.7 mercruiser cooling system diagram is a valuable tool for understanding the flow. Mercruiser Fresh Water Cooling System Diagram.
From www.crowleymarine.com
FRESH WATER COOLING INSTALLATION KIT 1981 Mercruiser 228 228801 Mercruiser Fresh Water Cooling System Diagram a diagram of the mercruiser fresh water cooling system, illustrating the components and their connections for maintaining. — freshwater cooling draws raw water through a heat exchanger, then out through the exhaust. the cooling system in mercruiser engines typically consists of a freshwater or raw water cooling system. understanding how the closed cooling system works is. Mercruiser Fresh Water Cooling System Diagram.
From wiringall.com
The Ultimate Guide to Mercruiser Raw Water Cooling System Diagram and Mercruiser Fresh Water Cooling System Diagram — freshwater cooling draws raw water through a heat exchanger, then out through the exhaust. the diagram of the mercruiser fresh water cooling system typically shows the different components and their connections. the cooling system in mercruiser engines typically consists of a freshwater or raw water cooling system. It provides a visual representation of how the various. Mercruiser Fresh Water Cooling System Diagram.
From enginedbscientizes.z21.web.core.windows.net
Mercruiser 3.0 Cooling System Diagram Mercruiser Fresh Water Cooling System Diagram It provides a visual representation of how the various components interact to maintain the engine’s temperature. As shown in the diagram below, raw water is picked up. the cooling system in mercruiser engines typically consists of a freshwater or raw water cooling system. the half closed cooling system is designed to circulate cooling water through the block only.. Mercruiser Fresh Water Cooling System Diagram.
From www.oceanproperty.co.th
Fresh Water Cooling System Mercruiser UK Wholesale www.oceanproperty Mercruiser Fresh Water Cooling System Diagram the 5.7 mercruiser cooling system diagram is a valuable tool for understanding the flow of coolant in your engine. the half closed cooling system is designed to circulate cooling water through the block only. a diagram of the mercruiser fresh water cooling system, illustrating the components and their connections for maintaining. It provides a visual representation of. Mercruiser Fresh Water Cooling System Diagram.
From circuitdiagramthelma.z21.web.core.windows.net
Mercruiser Fresh Water Cooling System Diagram Mercruiser Fresh Water Cooling System Diagram the cooling system in mercruiser engines typically consists of a freshwater or raw water cooling system. mercury mercruiser engines have either a seawater cooling system or a closed cooling system. understanding how the closed cooling system works is essential for maintaining the engine’s optimal performance and longevity. a diagram of the mercruiser fresh water cooling system,. Mercruiser Fresh Water Cooling System Diagram.
From partdiagramgleitspurfe.z14.web.core.windows.net
Mercruiser 3.0 Cooling System Diagram Mercruiser Fresh Water Cooling System Diagram the cooling system in mercruiser engines typically consists of a freshwater or raw water cooling system. the 5.7 mercruiser cooling system diagram is a valuable tool for understanding the flow of coolant in your engine. the diagram of the mercruiser fresh water cooling system typically shows the different components and their connections. It provides a visual representation. Mercruiser Fresh Water Cooling System Diagram.