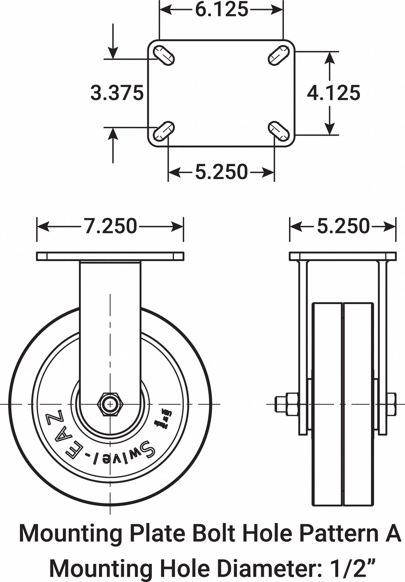
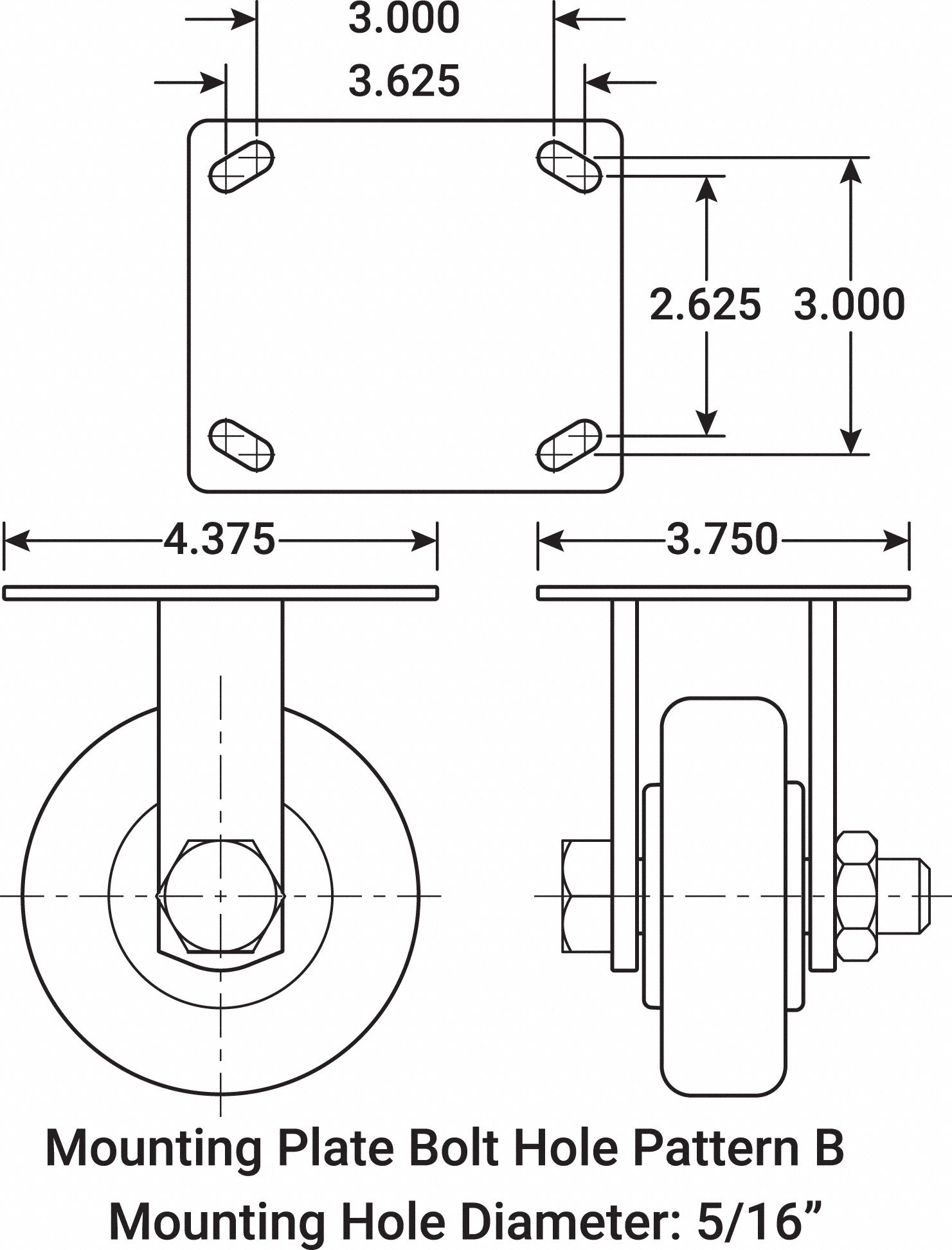
Caster Mounting Plate Dimensions . The first step in choosing the correct top plate size is to measure the bolt hole spacing. Measure the center of one bolt to the center of. Choose based on your specific needs, whether it's. Plate casters by plate size. Designed to support up to 1,250 lbs per caster and available in wheel. The width and length of a caster's top plate. Plate casters are caster wheels attached to equipment via a flat mounting plate, providing better stability and weight distribution. On this page you will find images of every mounting plate we offer with their 2d prints in pdf form as well so you can. This is critical to know when. Thanks for visiting and reading our guide on determining what size caster you need! Sometimes called the mounting plate, this piece attaches a caster to a cart, stand or other equipment. Unlock the secrets to selecting the perfect caster size for. Discover the essentials of caster top plates and sizes, including standards and common alternatives, to streamline your replacement process
from casterconnection.com
Discover the essentials of caster top plates and sizes, including standards and common alternatives, to streamline your replacement process Plate casters by plate size. On this page you will find images of every mounting plate we offer with their 2d prints in pdf form as well so you can. Choose based on your specific needs, whether it's. The first step in choosing the correct top plate size is to measure the bolt hole spacing. Sometimes called the mounting plate, this piece attaches a caster to a cart, stand or other equipment. Measure the center of one bolt to the center of. Designed to support up to 1,250 lbs per caster and available in wheel. This is critical to know when. Thanks for visiting and reading our guide on determining what size caster you need!
Types of PlateMount Caster Rigs Caster Connection
Caster Mounting Plate Dimensions Discover the essentials of caster top plates and sizes, including standards and common alternatives, to streamline your replacement process Plate casters are caster wheels attached to equipment via a flat mounting plate, providing better stability and weight distribution. The width and length of a caster's top plate. Thanks for visiting and reading our guide on determining what size caster you need! The first step in choosing the correct top plate size is to measure the bolt hole spacing. Choose based on your specific needs, whether it's. This is critical to know when. On this page you will find images of every mounting plate we offer with their 2d prints in pdf form as well so you can. Designed to support up to 1,250 lbs per caster and available in wheel. Sometimes called the mounting plate, this piece attaches a caster to a cart, stand or other equipment. Plate casters by plate size. Discover the essentials of caster top plates and sizes, including standards and common alternatives, to streamline your replacement process Measure the center of one bolt to the center of. Unlock the secrets to selecting the perfect caster size for.
From sg.misumi-ec.com
MISUMI South East Asia Industrial Configurable Components Supply Caster Mounting Plate Dimensions Unlock the secrets to selecting the perfect caster size for. Measure the center of one bolt to the center of. The first step in choosing the correct top plate size is to measure the bolt hole spacing. The width and length of a caster's top plate. Designed to support up to 1,250 lbs per caster and available in wheel. On. Caster Mounting Plate Dimensions.
From casterconnection.com
3D And 2D CAD Files For Casters Easy Access Caster Connection Caster Mounting Plate Dimensions Thanks for visiting and reading our guide on determining what size caster you need! The first step in choosing the correct top plate size is to measure the bolt hole spacing. Plate casters by plate size. This is critical to know when. Unlock the secrets to selecting the perfect caster size for. Measure the center of one bolt to the. Caster Mounting Plate Dimensions.
From asidental.com
Caster Plate Sizes ASI Dental Caster Mounting Plate Dimensions The first step in choosing the correct top plate size is to measure the bolt hole spacing. On this page you will find images of every mounting plate we offer with their 2d prints in pdf form as well so you can. The width and length of a caster's top plate. Plate casters are caster wheels attached to equipment via. Caster Mounting Plate Dimensions.
From www.grainger.com
Types of Casters & Wheel Guide Caster Mounting Plate Dimensions Discover the essentials of caster top plates and sizes, including standards and common alternatives, to streamline your replacement process Designed to support up to 1,250 lbs per caster and available in wheel. The width and length of a caster's top plate. Sometimes called the mounting plate, this piece attaches a caster to a cart, stand or other equipment. Plate casters. Caster Mounting Plate Dimensions.
From www.grainger.com
GRAINGER APPROVED Standard Plate Caster, Rigid, Polypropylene, 300 lb Caster Mounting Plate Dimensions Sometimes called the mounting plate, this piece attaches a caster to a cart, stand or other equipment. Choose based on your specific needs, whether it's. On this page you will find images of every mounting plate we offer with their 2d prints in pdf form as well so you can. The width and length of a caster's top plate. Plate. Caster Mounting Plate Dimensions.
From www.grainger.com
GRAINGER APPROVED Standard Plate Caster, Swivel, Polyurethane, 700 lb Caster Mounting Plate Dimensions Choose based on your specific needs, whether it's. Plate casters are caster wheels attached to equipment via a flat mounting plate, providing better stability and weight distribution. Sometimes called the mounting plate, this piece attaches a caster to a cart, stand or other equipment. This is critical to know when. Measure the center of one bolt to the center of.. Caster Mounting Plate Dimensions.
From www.castercity.com
Click here for PDF Print of the Plate Model 100 Up To 15,000lbs each Caster Mounting Plate Dimensions Choose based on your specific needs, whether it's. Thanks for visiting and reading our guide on determining what size caster you need! Measure the center of one bolt to the center of. This is critical to know when. On this page you will find images of every mounting plate we offer with their 2d prints in pdf form as well. Caster Mounting Plate Dimensions.
From casterconnection.com
Caster Mounting Types Caster Connection Caster Mounting Plate Dimensions Unlock the secrets to selecting the perfect caster size for. Designed to support up to 1,250 lbs per caster and available in wheel. On this page you will find images of every mounting plate we offer with their 2d prints in pdf form as well so you can. Plate casters are caster wheels attached to equipment via a flat mounting. Caster Mounting Plate Dimensions.
From casterconnection.com
Caster Mounting Types Caster Connection Caster Mounting Plate Dimensions On this page you will find images of every mounting plate we offer with their 2d prints in pdf form as well so you can. Designed to support up to 1,250 lbs per caster and available in wheel. The width and length of a caster's top plate. Choose based on your specific needs, whether it's. Plate casters by plate size.. Caster Mounting Plate Dimensions.
From www.bulldogcastors.co.uk
5 Step Guide to Castor Wheel Installation Bulldog Castors Blog Caster Mounting Plate Dimensions Plate casters by plate size. Measure the center of one bolt to the center of. Thanks for visiting and reading our guide on determining what size caster you need! Designed to support up to 1,250 lbs per caster and available in wheel. Plate casters are caster wheels attached to equipment via a flat mounting plate, providing better stability and weight. Caster Mounting Plate Dimensions.
From stealtho.store
How to Measure Caster Wheels and Stem Size STEALTHO® Caster Mounting Plate Dimensions Discover the essentials of caster top plates and sizes, including standards and common alternatives, to streamline your replacement process Sometimes called the mounting plate, this piece attaches a caster to a cart, stand or other equipment. The width and length of a caster's top plate. This is critical to know when. Measure the center of one bolt to the center. Caster Mounting Plate Dimensions.
From frameworld.mybigcommerce.com
EBP5 Caster Mount Plate Caster Mounting Plate Dimensions Plate casters by plate size. Choose based on your specific needs, whether it's. Sometimes called the mounting plate, this piece attaches a caster to a cart, stand or other equipment. The width and length of a caster's top plate. Designed to support up to 1,250 lbs per caster and available in wheel. On this page you will find images of. Caster Mounting Plate Dimensions.
From www.source4industries.com
Caster Mount Weld Plate 4" x 41/2" Caster Mounting Plate Dimensions This is critical to know when. On this page you will find images of every mounting plate we offer with their 2d prints in pdf form as well so you can. The width and length of a caster's top plate. Sometimes called the mounting plate, this piece attaches a caster to a cart, stand or other equipment. Measure the center. Caster Mounting Plate Dimensions.
From www.damencnc.com
Caster Wheel 100x30mm DamenCNC B.V. Caster Mounting Plate Dimensions Sometimes called the mounting plate, this piece attaches a caster to a cart, stand or other equipment. Choose based on your specific needs, whether it's. This is critical to know when. Plate casters by plate size. Thanks for visiting and reading our guide on determining what size caster you need! Unlock the secrets to selecting the perfect caster size for.. Caster Mounting Plate Dimensions.
From casterconnection.com
Types of PlateMount Caster Rigs Caster Connection Caster Mounting Plate Dimensions The width and length of a caster's top plate. Plate casters by plate size. Discover the essentials of caster top plates and sizes, including standards and common alternatives, to streamline your replacement process Designed to support up to 1,250 lbs per caster and available in wheel. Measure the center of one bolt to the center of. Plate casters are caster. Caster Mounting Plate Dimensions.
From shop.castertech.com
Caster Technology. How to Measure Plate Casters Caster Mounting Plate Dimensions Plate casters are caster wheels attached to equipment via a flat mounting plate, providing better stability and weight distribution. Unlock the secrets to selecting the perfect caster size for. Sometimes called the mounting plate, this piece attaches a caster to a cart, stand or other equipment. This is critical to know when. Measure the center of one bolt to the. Caster Mounting Plate Dimensions.
From casterconnection.com
Caster Mounting Types Caster Connection Caster Mounting Plate Dimensions Designed to support up to 1,250 lbs per caster and available in wheel. Measure the center of one bolt to the center of. The first step in choosing the correct top plate size is to measure the bolt hole spacing. This is critical to know when. Discover the essentials of caster top plates and sizes, including standards and common alternatives,. Caster Mounting Plate Dimensions.
From www.grainger.com
GRAINGER APPROVED DebrisResistant Standard Plate Caster, Swivel, Nylon Caster Mounting Plate Dimensions Plate casters by plate size. Discover the essentials of caster top plates and sizes, including standards and common alternatives, to streamline your replacement process On this page you will find images of every mounting plate we offer with their 2d prints in pdf form as well so you can. Plate casters are caster wheels attached to equipment via a flat. Caster Mounting Plate Dimensions.
From www.etsy.com
Caster Mounting Plate 4X4.5 Etsy Caster Mounting Plate Dimensions Measure the center of one bolt to the center of. Thanks for visiting and reading our guide on determining what size caster you need! Designed to support up to 1,250 lbs per caster and available in wheel. The first step in choosing the correct top plate size is to measure the bolt hole spacing. The width and length of a. Caster Mounting Plate Dimensions.
From www.grainger.com
GRAINGER APPROVED Standard Plate Caster, Rigid, Polyurethane, 240 lb, 4 Caster Mounting Plate Dimensions The width and length of a caster's top plate. The first step in choosing the correct top plate size is to measure the bolt hole spacing. Discover the essentials of caster top plates and sizes, including standards and common alternatives, to streamline your replacement process This is critical to know when. Designed to support up to 1,250 lbs per caster. Caster Mounting Plate Dimensions.
From www.grainger.com
GRAINGER APPROVED Standard Plate Caster, Rigid, Nylon, 770 lb, 5 7/8 in Caster Mounting Plate Dimensions Plate casters are caster wheels attached to equipment via a flat mounting plate, providing better stability and weight distribution. Designed to support up to 1,250 lbs per caster and available in wheel. This is critical to know when. Measure the center of one bolt to the center of. Plate casters by plate size. Thanks for visiting and reading our guide. Caster Mounting Plate Dimensions.
From www.grainger.com
GRAINGER APPROVED Standard Plate Caster, Rigid, Iron, 125 lb, 2 in Caster Mounting Plate Dimensions Thanks for visiting and reading our guide on determining what size caster you need! Plate casters by plate size. Sometimes called the mounting plate, this piece attaches a caster to a cart, stand or other equipment. Discover the essentials of caster top plates and sizes, including standards and common alternatives, to streamline your replacement process On this page you will. Caster Mounting Plate Dimensions.
From www.grainger.com
Types of Casters & Wheel Guide Caster Mounting Plate Dimensions The width and length of a caster's top plate. Plate casters are caster wheels attached to equipment via a flat mounting plate, providing better stability and weight distribution. Measure the center of one bolt to the center of. Unlock the secrets to selecting the perfect caster size for. Choose based on your specific needs, whether it's. Designed to support up. Caster Mounting Plate Dimensions.
From www.hafele.com
Swiveling Caster, Plate Mount, with Brake Häfele Caster Mounting Plate Dimensions Choose based on your specific needs, whether it's. This is critical to know when. Thanks for visiting and reading our guide on determining what size caster you need! The width and length of a caster's top plate. Sometimes called the mounting plate, this piece attaches a caster to a cart, stand or other equipment. The first step in choosing the. Caster Mounting Plate Dimensions.
From frameworld.mybigcommerce.com
1150 Caster Plate Caster Mounting Plate Dimensions Thanks for visiting and reading our guide on determining what size caster you need! The first step in choosing the correct top plate size is to measure the bolt hole spacing. This is critical to know when. Discover the essentials of caster top plates and sizes, including standards and common alternatives, to streamline your replacement process Sometimes called the mounting. Caster Mounting Plate Dimensions.
From www.grainger.com
GRAINGER APPROVED Standard Plate Caster, Rigid, Polyolefin, 900 lb, 8 Caster Mounting Plate Dimensions Measure the center of one bolt to the center of. This is critical to know when. Choose based on your specific needs, whether it's. Designed to support up to 1,250 lbs per caster and available in wheel. The first step in choosing the correct top plate size is to measure the bolt hole spacing. Plate casters are caster wheels attached. Caster Mounting Plate Dimensions.
From frameworld.mybigcommerce.com
EBP5 Caster Mount Plate Caster Mounting Plate Dimensions Designed to support up to 1,250 lbs per caster and available in wheel. The width and length of a caster's top plate. This is critical to know when. The first step in choosing the correct top plate size is to measure the bolt hole spacing. Choose based on your specific needs, whether it's. Unlock the secrets to selecting the perfect. Caster Mounting Plate Dimensions.
From www.slideshare.net
Caster mounting Caster Mounting Plate Dimensions The width and length of a caster's top plate. Discover the essentials of caster top plates and sizes, including standards and common alternatives, to streamline your replacement process Plate casters are caster wheels attached to equipment via a flat mounting plate, providing better stability and weight distribution. Plate casters by plate size. Designed to support up to 1,250 lbs per. Caster Mounting Plate Dimensions.
From casterconnection.com
Caster Mounting Types Caster Connection Caster Mounting Plate Dimensions The first step in choosing the correct top plate size is to measure the bolt hole spacing. This is critical to know when. Choose based on your specific needs, whether it's. Plate casters are caster wheels attached to equipment via a flat mounting plate, providing better stability and weight distribution. Discover the essentials of caster top plates and sizes, including. Caster Mounting Plate Dimensions.
From frameworld.mybigcommerce.com
EBP5 Caster Mount Plate Caster Mounting Plate Dimensions Measure the center of one bolt to the center of. On this page you will find images of every mounting plate we offer with their 2d prints in pdf form as well so you can. The first step in choosing the correct top plate size is to measure the bolt hole spacing. Designed to support up to 1,250 lbs per. Caster Mounting Plate Dimensions.
From www.grainger.com
GRAINGER APPROVED Standard Plate Caster 4 in Wheel Dia., 200 lb, 5 1/8 Caster Mounting Plate Dimensions Sometimes called the mounting plate, this piece attaches a caster to a cart, stand or other equipment. Measure the center of one bolt to the center of. This is critical to know when. Designed to support up to 1,250 lbs per caster and available in wheel. Thanks for visiting and reading our guide on determining what size caster you need!. Caster Mounting Plate Dimensions.
From casterconnection.com
Types of PlateMount Caster Rigs Caster Connection Caster Mounting Plate Dimensions This is critical to know when. Plate casters by plate size. Choose based on your specific needs, whether it's. On this page you will find images of every mounting plate we offer with their 2d prints in pdf form as well so you can. Measure the center of one bolt to the center of. Sometimes called the mounting plate, this. Caster Mounting Plate Dimensions.
From www.grainger.com
HAMILTON Standard Plate Caster, Rigid, Polyurethane, 2500 lb, 8 in Caster Mounting Plate Dimensions Thanks for visiting and reading our guide on determining what size caster you need! The width and length of a caster's top plate. Plate casters are caster wheels attached to equipment via a flat mounting plate, providing better stability and weight distribution. The first step in choosing the correct top plate size is to measure the bolt hole spacing. Designed. Caster Mounting Plate Dimensions.
From www.grainger.com
GRAINGER APPROVED Standard Plate Caster, Swivel, Rubber, 75 lb, 2 in Caster Mounting Plate Dimensions Plate casters are caster wheels attached to equipment via a flat mounting plate, providing better stability and weight distribution. On this page you will find images of every mounting plate we offer with their 2d prints in pdf form as well so you can. The first step in choosing the correct top plate size is to measure the bolt hole. Caster Mounting Plate Dimensions.
From www.hafele.com
Fixed Caster, Plate Mount in the Häfele America Shop Caster Mounting Plate Dimensions Thanks for visiting and reading our guide on determining what size caster you need! Designed to support up to 1,250 lbs per caster and available in wheel. Unlock the secrets to selecting the perfect caster size for. Discover the essentials of caster top plates and sizes, including standards and common alternatives, to streamline your replacement process This is critical to. Caster Mounting Plate Dimensions.