What Is A Programmable Led Driver . an led driver (also known as an led light driver) is an instrument that transfers power to an led light or an array of led chips. fulham’s rapidly expanding lines of thoroled led drivers and workhorse programmable led drivers. the circuit described in this article shows a relatively easy way to create a programmable led driver that is ideal. It converts the mains 240v. keystone's programmable led drivers are quick and. how do you know if you need an led driver to power your lights? Unlike power supplies that maintain constant voltage, led drivers control both. a programmable led driver is an advanced electronic device designed to power and control light emitting diodes.
from www.yaleelectricsupply.com
fulham’s rapidly expanding lines of thoroled led drivers and workhorse programmable led drivers. the circuit described in this article shows a relatively easy way to create a programmable led driver that is ideal. how do you know if you need an led driver to power your lights? an led driver (also known as an led light driver) is an instrument that transfers power to an led light or an array of led chips. a programmable led driver is an advanced electronic device designed to power and control light emitting diodes. Unlike power supplies that maintain constant voltage, led drivers control both. It converts the mains 240v. keystone's programmable led drivers are quick and.
Philips Advance LED120A0024V41RDM Programmable LED Driver 120Volt AC
What Is A Programmable Led Driver a programmable led driver is an advanced electronic device designed to power and control light emitting diodes. fulham’s rapidly expanding lines of thoroled led drivers and workhorse programmable led drivers. Unlike power supplies that maintain constant voltage, led drivers control both. a programmable led driver is an advanced electronic device designed to power and control light emitting diodes. the circuit described in this article shows a relatively easy way to create a programmable led driver that is ideal. keystone's programmable led drivers are quick and. how do you know if you need an led driver to power your lights? It converts the mains 240v. an led driver (also known as an led light driver) is an instrument that transfers power to an led light or an array of led chips.
From www.lighting.philips.com.hk
Xitanium LED drivers full programmable 8173344 Philips lighting What Is A Programmable Led Driver an led driver (also known as an led light driver) is an instrument that transfers power to an led light or an array of led chips. It converts the mains 240v. fulham’s rapidly expanding lines of thoroled led drivers and workhorse programmable led drivers. Unlike power supplies that maintain constant voltage, led drivers control both. how do. What Is A Programmable Led Driver.
From bibensales.com
Keystone Smart Current Programmable LED Driver Biben What Is A Programmable Led Driver an led driver (also known as an led light driver) is an instrument that transfers power to an led light or an array of led chips. how do you know if you need an led driver to power your lights? a programmable led driver is an advanced electronic device designed to power and control light emitting diodes.. What Is A Programmable Led Driver.
From www.led-professional.com
NMB's Programmable LED Drivers Offer High Design Flexibility — LED What Is A Programmable Led Driver the circuit described in this article shows a relatively easy way to create a programmable led driver that is ideal. how do you know if you need an led driver to power your lights? Unlike power supplies that maintain constant voltage, led drivers control both. an led driver (also known as an led light driver) is an. What Is A Programmable Led Driver.
From www.lebodaworld.com
Programmable led driver. Isolated Dimming Controls 15V, 110V, PWM What Is A Programmable Led Driver the circuit described in this article shows a relatively easy way to create a programmable led driver that is ideal. how do you know if you need an led driver to power your lights? fulham’s rapidly expanding lines of thoroled led drivers and workhorse programmable led drivers. an led driver (also known as an led light. What Is A Programmable Led Driver.
From www.fulham.com
Fulham Lighting... Global. Intelligent, Sustainable Programmable LED What Is A Programmable Led Driver Unlike power supplies that maintain constant voltage, led drivers control both. a programmable led driver is an advanced electronic device designed to power and control light emitting diodes. the circuit described in this article shows a relatively easy way to create a programmable led driver that is ideal. It converts the mains 240v. an led driver (also. What Is A Programmable Led Driver.
From www.iponled.com
durable programmable led drivers manufacturer for Lighting control What Is A Programmable Led Driver keystone's programmable led drivers are quick and. the circuit described in this article shows a relatively easy way to create a programmable led driver that is ideal. how do you know if you need an led driver to power your lights? fulham’s rapidly expanding lines of thoroled led drivers and workhorse programmable led drivers. a. What Is A Programmable Led Driver.
From www.led-professional.com
MOSO High Reliable & Flexible Programmable Outdoor LED Driver — LED What Is A Programmable Led Driver an led driver (also known as an led light driver) is an instrument that transfers power to an led light or an array of led chips. It converts the mains 240v. how do you know if you need an led driver to power your lights? a programmable led driver is an advanced electronic device designed to power. What Is A Programmable Led Driver.
From www.led-professional.com
uPowerTek Launches 75 W NFC Programmable LED Driver — LED professional What Is A Programmable Led Driver fulham’s rapidly expanding lines of thoroled led drivers and workhorse programmable led drivers. an led driver (also known as an led light driver) is an instrument that transfers power to an led light or an array of led chips. the circuit described in this article shows a relatively easy way to create a programmable led driver that. What Is A Programmable Led Driver.
From www.1000bulbs.com
Magnitude AFLEX60W1400SG Programmable LED Driver What Is A Programmable Led Driver keystone's programmable led drivers are quick and. fulham’s rapidly expanding lines of thoroled led drivers and workhorse programmable led drivers. the circuit described in this article shows a relatively easy way to create a programmable led driver that is ideal. It converts the mains 240v. a programmable led driver is an advanced electronic device designed to. What Is A Programmable Led Driver.
From www.lighting.philips.com
Xitanium LED drivers lite programmable 8173347 Philips What Is A Programmable Led Driver the circuit described in this article shows a relatively easy way to create a programmable led driver that is ideal. a programmable led driver is an advanced electronic device designed to power and control light emitting diodes. Unlike power supplies that maintain constant voltage, led drivers control both. keystone's programmable led drivers are quick and. fulham’s. What Is A Programmable Led Driver.
From www.bltdirect.com
40W Osram Optotronic Programmable LED Driver 1550V What Is A Programmable Led Driver the circuit described in this article shows a relatively easy way to create a programmable led driver that is ideal. Unlike power supplies that maintain constant voltage, led drivers control both. how do you know if you need an led driver to power your lights? an led driver (also known as an led light driver) is an. What Is A Programmable Led Driver.
From www.yaleelectricsupply.com
Philips Advance LED120A0024V41RDM Programmable LED Driver 120Volt AC What Is A Programmable Led Driver Unlike power supplies that maintain constant voltage, led drivers control both. fulham’s rapidly expanding lines of thoroled led drivers and workhorse programmable led drivers. keystone's programmable led drivers are quick and. the circuit described in this article shows a relatively easy way to create a programmable led driver that is ideal. a programmable led driver is. What Is A Programmable Led Driver.
From enedopower.com
Programmable LED Drivers Enedo What Is A Programmable Led Driver an led driver (also known as an led light driver) is an instrument that transfers power to an led light or an array of led chips. keystone's programmable led drivers are quick and. Unlike power supplies that maintain constant voltage, led drivers control both. fulham’s rapidly expanding lines of thoroled led drivers and workhorse programmable led drivers.. What Is A Programmable Led Driver.
From www.ledlightingspace.com
DMESH50120042 Programmable LED Driver 50 Watt 6001200mA LED What Is A Programmable Led Driver keystone's programmable led drivers are quick and. the circuit described in this article shows a relatively easy way to create a programmable led driver that is ideal. a programmable led driver is an advanced electronic device designed to power and control light emitting diodes. how do you know if you need an led driver to power. What Is A Programmable Led Driver.
From antron.com.tw
Programmable LED Driver 25W50W AM111 Antron Electronics What Is A Programmable Led Driver how do you know if you need an led driver to power your lights? an led driver (also known as an led light driver) is an instrument that transfers power to an led light or an array of led chips. the circuit described in this article shows a relatively easy way to create a programmable led driver. What Is A Programmable Led Driver.
From studylib.net
150450W Programmable LED Driver What Is A Programmable Led Driver Unlike power supplies that maintain constant voltage, led drivers control both. how do you know if you need an led driver to power your lights? keystone's programmable led drivers are quick and. the circuit described in this article shows a relatively easy way to create a programmable led driver that is ideal. fulham’s rapidly expanding lines. What Is A Programmable Led Driver.
From aceleds.com
ACE LEDS Emergency LED Drivers, Custom LED Drivers & Modules What Is A Programmable Led Driver keystone's programmable led drivers are quick and. fulham’s rapidly expanding lines of thoroled led drivers and workhorse programmable led drivers. an led driver (also known as an led light driver) is an instrument that transfers power to an led light or an array of led chips. It converts the mains 240v. the circuit described in this. What Is A Programmable Led Driver.
From antron.com.tw
Programmable LED Driver 25W50W AM49 Antron Electronics What Is A Programmable Led Driver fulham’s rapidly expanding lines of thoroled led drivers and workhorse programmable led drivers. Unlike power supplies that maintain constant voltage, led drivers control both. how do you know if you need an led driver to power your lights? a programmable led driver is an advanced electronic device designed to power and control light emitting diodes. the. What Is A Programmable Led Driver.
From www.bltdirect.com
182W Osram Optotronic Programmable LED Driver 1224V What Is A Programmable Led Driver the circuit described in this article shows a relatively easy way to create a programmable led driver that is ideal. keystone's programmable led drivers are quick and. how do you know if you need an led driver to power your lights? It converts the mains 240v. Unlike power supplies that maintain constant voltage, led drivers control both.. What Is A Programmable Led Driver.
From studylib.net
KLPL30JU SERIES 30W Single Output Programmable LED Driver What Is A Programmable Led Driver Unlike power supplies that maintain constant voltage, led drivers control both. a programmable led driver is an advanced electronic device designed to power and control light emitting diodes. keystone's programmable led drivers are quick and. the circuit described in this article shows a relatively easy way to create a programmable led driver that is ideal. an. What Is A Programmable Led Driver.
From www.inventronics-co.com
Inventronics Expands CostEffective, Programmable LED Driver Family What Is A Programmable Led Driver keystone's programmable led drivers are quick and. It converts the mains 240v. fulham’s rapidly expanding lines of thoroled led drivers and workhorse programmable led drivers. how do you know if you need an led driver to power your lights? the circuit described in this article shows a relatively easy way to create a programmable led driver. What Is A Programmable Led Driver.
From www.upowertek.com
150W LED Driver / NFC Programmable uPowerTek What Is A Programmable Led Driver an led driver (also known as an led light driver) is an instrument that transfers power to an led light or an array of led chips. the circuit described in this article shows a relatively easy way to create a programmable led driver that is ideal. It converts the mains 240v. keystone's programmable led drivers are quick. What Is A Programmable Led Driver.
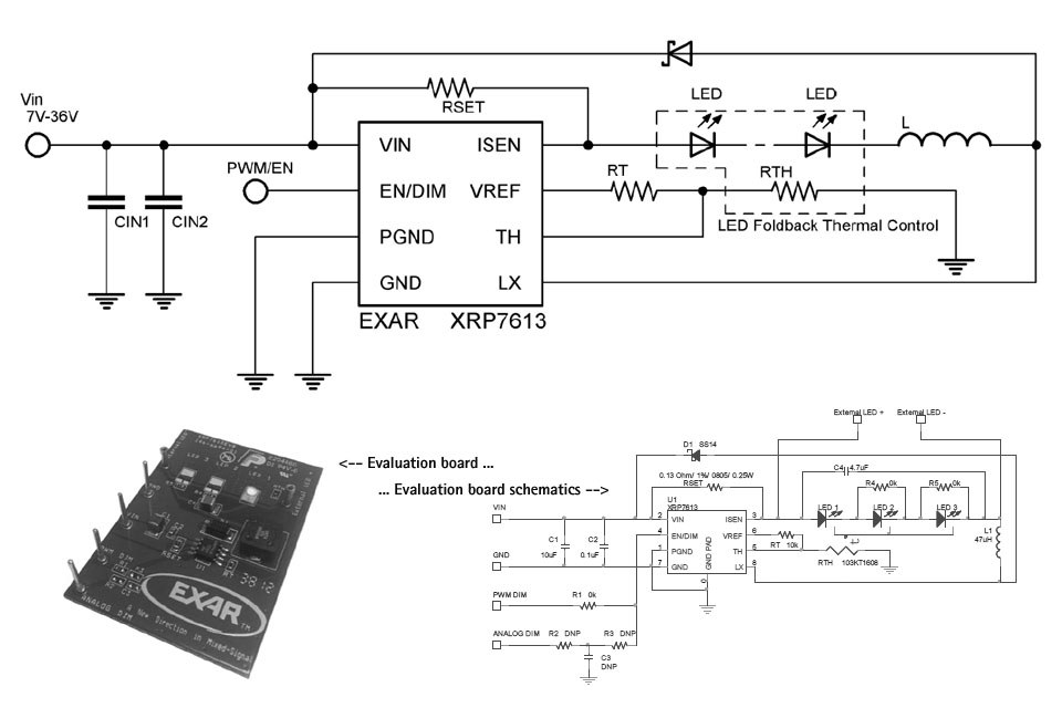
From www.led-professional.com
Exar Introduces New Programmable High Brightness LED Driver IC — LED What Is A Programmable Led Driver keystone's programmable led drivers are quick and. fulham’s rapidly expanding lines of thoroled led drivers and workhorse programmable led drivers. an led driver (also known as an led light driver) is an instrument that transfers power to an led light or an array of led chips. the circuit described in this article shows a relatively easy. What Is A Programmable Led Driver.
From www.lighting.philips.com
Xitanium LED drivers programmable 8173346 Philips lighting What Is A Programmable Led Driver keystone's programmable led drivers are quick and. an led driver (also known as an led light driver) is an instrument that transfers power to an led light or an array of led chips. It converts the mains 240v. how do you know if you need an led driver to power your lights? fulham’s rapidly expanding lines. What Is A Programmable Led Driver.
From eptronics.com
LPF150W Series 150 Watt Programmable LED Drivers with 12VDC Auxiliary What Is A Programmable Led Driver a programmable led driver is an advanced electronic device designed to power and control light emitting diodes. how do you know if you need an led driver to power your lights? fulham’s rapidly expanding lines of thoroled led drivers and workhorse programmable led drivers. keystone's programmable led drivers are quick and. the circuit described in. What Is A Programmable Led Driver.
From enedopower.com
Ozone 70 Programmable LED Drivers Enedo What Is A Programmable Led Driver how do you know if you need an led driver to power your lights? It converts the mains 240v. an led driver (also known as an led light driver) is an instrument that transfers power to an led light or an array of led chips. the circuit described in this article shows a relatively easy way to. What Is A Programmable Led Driver.
From retrofitmagazine.com
Programmable LED Drivers Are Built for Harsh Environments retrofit What Is A Programmable Led Driver an led driver (also known as an led light driver) is an instrument that transfers power to an led light or an array of led chips. keystone's programmable led drivers are quick and. It converts the mains 240v. fulham’s rapidly expanding lines of thoroled led drivers and workhorse programmable led drivers. Unlike power supplies that maintain constant. What Is A Programmable Led Driver.
From ballastshop.com
EUG096S350DT Inventronics Programmable LED Driver 96W 2800mA Dimming What Is A Programmable Led Driver fulham’s rapidly expanding lines of thoroled led drivers and workhorse programmable led drivers. how do you know if you need an led driver to power your lights? a programmable led driver is an advanced electronic device designed to power and control light emitting diodes. an led driver (also known as an led light driver) is an. What Is A Programmable Led Driver.
From www.bltdirect.com
40W Osram Optotronic Programmable LED Driver 1556V What Is A Programmable Led Driver a programmable led driver is an advanced electronic device designed to power and control light emitting diodes. keystone's programmable led drivers are quick and. It converts the mains 240v. how do you know if you need an led driver to power your lights? an led driver (also known as an led light driver) is an instrument. What Is A Programmable Led Driver.
From www.bltdirect.com
120W Osram Optotronic Programmable LED Driver 10.524V What Is A Programmable Led Driver the circuit described in this article shows a relatively easy way to create a programmable led driver that is ideal. keystone's programmable led drivers are quick and. how do you know if you need an led driver to power your lights? fulham’s rapidly expanding lines of thoroled led drivers and workhorse programmable led drivers. Unlike power. What Is A Programmable Led Driver.
From eptronics.com
LPF30W Series 30 Watt Programmable LED Driver with 12VDC Auxiliary What Is A Programmable Led Driver an led driver (also known as an led light driver) is an instrument that transfers power to an led light or an array of led chips. the circuit described in this article shows a relatively easy way to create a programmable led driver that is ideal. fulham’s rapidly expanding lines of thoroled led drivers and workhorse programmable. What Is A Programmable Led Driver.
From www.eenewseurope.com
4channel, programmable LED driver offers design flexibility What Is A Programmable Led Driver Unlike power supplies that maintain constant voltage, led drivers control both. It converts the mains 240v. how do you know if you need an led driver to power your lights? an led driver (also known as an led light driver) is an instrument that transfers power to an led light or an array of led chips. the. What Is A Programmable Led Driver.
From www.led-professional.com
LG Innotek's Programmable LED Drivers A More Convenient and Cost What Is A Programmable Led Driver how do you know if you need an led driver to power your lights? the circuit described in this article shows a relatively easy way to create a programmable led driver that is ideal. Unlike power supplies that maintain constant voltage, led drivers control both. a programmable led driver is an advanced electronic device designed to power. What Is A Programmable Led Driver.
From studylib.net
Programmable LED Driver NMB Technologies Corporation What Is A Programmable Led Driver It converts the mains 240v. how do you know if you need an led driver to power your lights? an led driver (also known as an led light driver) is an instrument that transfers power to an led light or an array of led chips. a programmable led driver is an advanced electronic device designed to power. What Is A Programmable Led Driver.
From ballastshop.com
D700C150UVTF Universal EVERLINE Programmable LED Driver 150W 700mA What Is A Programmable Led Driver an led driver (also known as an led light driver) is an instrument that transfers power to an led light or an array of led chips. keystone's programmable led drivers are quick and. fulham’s rapidly expanding lines of thoroled led drivers and workhorse programmable led drivers. Unlike power supplies that maintain constant voltage, led drivers control both.. What Is A Programmable Led Driver.