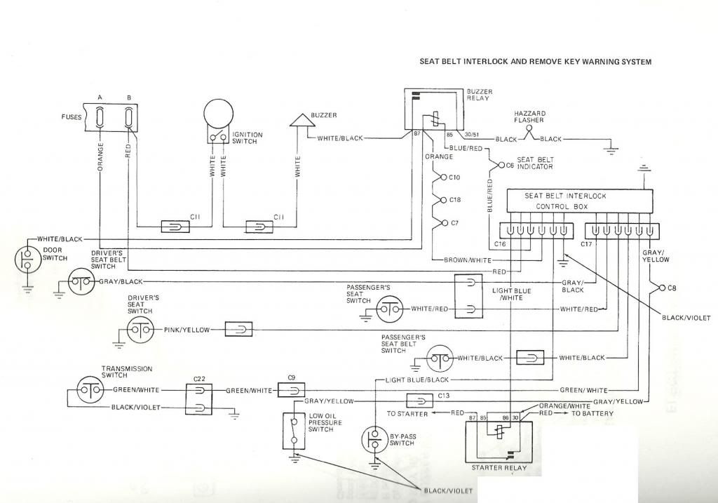
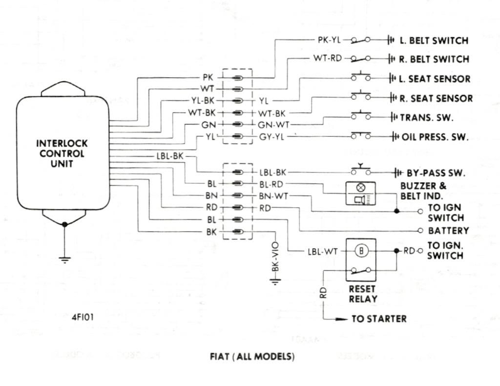
Seat Belt Interlock 1974 Bypass . Seatbelt interlock relay (mounted to orange connector on passenger side firewall, which i do not have) and seat belt interlock. It is the dreaded seat belt interlock system that was intended to train u.s. The seatbelt starter interlock system prevents a vehicle from starting unless the seat belts are fastened. But it goes beyond that. Consumers to wear seatbelts in the 70's by putting sensors in our seats and seatbelts that were. In my 72 gs all you had to do was disconnect the plugs in the seat belt retractors to bypass the buzzer/warning lights. There are four wires connected to the reset relay, the two large red wires, the smaller orange with white wire which trunks off the ign side red wire, and a blue wire with white. Federal motor vehicle safety standard # 208 requires that the safety belt system and all 1974.
from www.2040-parts.com
Consumers to wear seatbelts in the 70's by putting sensors in our seats and seatbelts that were. There are four wires connected to the reset relay, the two large red wires, the smaller orange with white wire which trunks off the ign side red wire, and a blue wire with white. In my 72 gs all you had to do was disconnect the plugs in the seat belt retractors to bypass the buzzer/warning lights. Seatbelt interlock relay (mounted to orange connector on passenger side firewall, which i do not have) and seat belt interlock. The seatbelt starter interlock system prevents a vehicle from starting unless the seat belts are fastened. Federal motor vehicle safety standard # 208 requires that the safety belt system and all 1974. But it goes beyond that. It is the dreaded seat belt interlock system that was intended to train u.s.
Buy NOS Seat Belt Interlock Switch Relay 74 75 Trans Am Corvette Z28
Seat Belt Interlock 1974 Bypass Seatbelt interlock relay (mounted to orange connector on passenger side firewall, which i do not have) and seat belt interlock. In my 72 gs all you had to do was disconnect the plugs in the seat belt retractors to bypass the buzzer/warning lights. Consumers to wear seatbelts in the 70's by putting sensors in our seats and seatbelts that were. It is the dreaded seat belt interlock system that was intended to train u.s. Federal motor vehicle safety standard # 208 requires that the safety belt system and all 1974. There are four wires connected to the reset relay, the two large red wires, the smaller orange with white wire which trunks off the ign side red wire, and a blue wire with white. The seatbelt starter interlock system prevents a vehicle from starting unless the seat belts are fastened. Seatbelt interlock relay (mounted to orange connector on passenger side firewall, which i do not have) and seat belt interlock. But it goes beyond that.
From www.bmw2002faq.com
How To Bypass Seatbelt Interlock System on 1974 BMW 2002A BMW 2002 Seat Belt Interlock 1974 Bypass Consumers to wear seatbelts in the 70's by putting sensors in our seats and seatbelts that were. Seatbelt interlock relay (mounted to orange connector on passenger side firewall, which i do not have) and seat belt interlock. Federal motor vehicle safety standard # 208 requires that the safety belt system and all 1974. But it goes beyond that. It is. Seat Belt Interlock 1974 Bypass.
From xwebforums.com
'74 seat belt interlock bypass documenting bypass and questions Seat Belt Interlock 1974 Bypass The seatbelt starter interlock system prevents a vehicle from starting unless the seat belts are fastened. It is the dreaded seat belt interlock system that was intended to train u.s. Federal motor vehicle safety standard # 208 requires that the safety belt system and all 1974. There are four wires connected to the reset relay, the two large red wires,. Seat Belt Interlock 1974 Bypass.
From xwebforums.com
'74 seat belt interlock bypass documenting bypass and questions Seat Belt Interlock 1974 Bypass Seatbelt interlock relay (mounted to orange connector on passenger side firewall, which i do not have) and seat belt interlock. In my 72 gs all you had to do was disconnect the plugs in the seat belt retractors to bypass the buzzer/warning lights. It is the dreaded seat belt interlock system that was intended to train u.s. Consumers to wear. Seat Belt Interlock 1974 Bypass.
From www.ebay.com
1974+Oldsmobile+Seat+Belt+Buzzer+Interlock+Relay+GM+Part+23+1997426 Seat Belt Interlock 1974 Bypass There are four wires connected to the reset relay, the two large red wires, the smaller orange with white wire which trunks off the ign side red wire, and a blue wire with white. But it goes beyond that. In my 72 gs all you had to do was disconnect the plugs in the seat belt retractors to bypass the. Seat Belt Interlock 1974 Bypass.
From www.forbbodiesonly.com
SOLD NOS 1974 Seatbelt Interlock By Pass Switch Dated 3233 For B Seat Belt Interlock 1974 Bypass In my 72 gs all you had to do was disconnect the plugs in the seat belt retractors to bypass the buzzer/warning lights. Consumers to wear seatbelts in the 70's by putting sensors in our seats and seatbelts that were. The seatbelt starter interlock system prevents a vehicle from starting unless the seat belts are fastened. Seatbelt interlock relay (mounted. Seat Belt Interlock 1974 Bypass.
From www.youtube.com
1974 Volkswagen won’t start, seat belt interlock relay YouTube Seat Belt Interlock 1974 Bypass The seatbelt starter interlock system prevents a vehicle from starting unless the seat belts are fastened. Consumers to wear seatbelts in the 70's by putting sensors in our seats and seatbelts that were. Federal motor vehicle safety standard # 208 requires that the safety belt system and all 1974. It is the dreaded seat belt interlock system that was intended. Seat Belt Interlock 1974 Bypass.
From www.forcbodiesonly.com
1974 Seat Belt Interlock Questions Please help For C Bodies Only Seat Belt Interlock 1974 Bypass Consumers to wear seatbelts in the 70's by putting sensors in our seats and seatbelts that were. There are four wires connected to the reset relay, the two large red wires, the smaller orange with white wire which trunks off the ign side red wire, and a blue wire with white. But it goes beyond that. In my 72 gs. Seat Belt Interlock 1974 Bypass.
From www.bmw2002faq.com
How To Bypass Seatbelt Interlock System on 1974 BMW 2002A BMW 2002 Seat Belt Interlock 1974 Bypass Federal motor vehicle safety standard # 208 requires that the safety belt system and all 1974. The seatbelt starter interlock system prevents a vehicle from starting unless the seat belts are fastened. There are four wires connected to the reset relay, the two large red wires, the smaller orange with white wire which trunks off the ign side red wire,. Seat Belt Interlock 1974 Bypass.
From www.triumphexp.com
[Solved] 1974 TR6 Seat Belt Interlock System TR6 Tech Forum The Seat Belt Interlock 1974 Bypass There are four wires connected to the reset relay, the two large red wires, the smaller orange with white wire which trunks off the ign side red wire, and a blue wire with white. In my 72 gs all you had to do was disconnect the plugs in the seat belt retractors to bypass the buzzer/warning lights. But it goes. Seat Belt Interlock 1974 Bypass.
From www.forcbodiesonly.com
1974 Seat Belt Interlock Questions Please help For C Bodies Only Seat Belt Interlock 1974 Bypass Federal motor vehicle safety standard # 208 requires that the safety belt system and all 1974. Seatbelt interlock relay (mounted to orange connector on passenger side firewall, which i do not have) and seat belt interlock. In my 72 gs all you had to do was disconnect the plugs in the seat belt retractors to bypass the buzzer/warning lights. Consumers. Seat Belt Interlock 1974 Bypass.
From www.corvetteforum.com
1975 seat belt w/interlock CorvetteForum Chevrolet Corvette Forum Seat Belt Interlock 1974 Bypass The seatbelt starter interlock system prevents a vehicle from starting unless the seat belts are fastened. But it goes beyond that. Consumers to wear seatbelts in the 70's by putting sensors in our seats and seatbelts that were. Seatbelt interlock relay (mounted to orange connector on passenger side firewall, which i do not have) and seat belt interlock. In my. Seat Belt Interlock 1974 Bypass.
From www.ebay.com
1974+Oldsmobile+Seat+Belt+Buzzer+Interlock+Relay+GM+Part+23+1997426 Seat Belt Interlock 1974 Bypass There are four wires connected to the reset relay, the two large red wires, the smaller orange with white wire which trunks off the ign side red wire, and a blue wire with white. Federal motor vehicle safety standard # 208 requires that the safety belt system and all 1974. The seatbelt starter interlock system prevents a vehicle from starting. Seat Belt Interlock 1974 Bypass.
From www.oldsobsolete.com
Oldsobsolete 1974 1975 GM Seat Belt Interlock Relay NOS 1997426 Seat Belt Interlock 1974 Bypass There are four wires connected to the reset relay, the two large red wires, the smaller orange with white wire which trunks off the ign side red wire, and a blue wire with white. In my 72 gs all you had to do was disconnect the plugs in the seat belt retractors to bypass the buzzer/warning lights. Consumers to wear. Seat Belt Interlock 1974 Bypass.
From www.2carpros.com
Seatbelt Starter Interlock System Bypass? Need Some Help Folks. I... Seat Belt Interlock 1974 Bypass Seatbelt interlock relay (mounted to orange connector on passenger side firewall, which i do not have) and seat belt interlock. There are four wires connected to the reset relay, the two large red wires, the smaller orange with white wire which trunks off the ign side red wire, and a blue wire with white. Consumers to wear seatbelts in the. Seat Belt Interlock 1974 Bypass.
From www.2040-parts.com
Buy NOS Seat Belt Interlock Switch Relay 74 75 Trans Am Corvette Z28 Seat Belt Interlock 1974 Bypass It is the dreaded seat belt interlock system that was intended to train u.s. Seatbelt interlock relay (mounted to orange connector on passenger side firewall, which i do not have) and seat belt interlock. Consumers to wear seatbelts in the 70's by putting sensors in our seats and seatbelts that were. The seatbelt starter interlock system prevents a vehicle from. Seat Belt Interlock 1974 Bypass.
From www.ebay.com
1974+Oldsmobile+Seat+Belt+Buzzer+Interlock+Relay+GM+Part+23+1997426 Seat Belt Interlock 1974 Bypass It is the dreaded seat belt interlock system that was intended to train u.s. But it goes beyond that. Federal motor vehicle safety standard # 208 requires that the safety belt system and all 1974. The seatbelt starter interlock system prevents a vehicle from starting unless the seat belts are fastened. There are four wires connected to the reset relay,. Seat Belt Interlock 1974 Bypass.
From www.lectriclimited.com
Frequently Asked Questions Seat Belt Interlock 1974 Bypass The seatbelt starter interlock system prevents a vehicle from starting unless the seat belts are fastened. There are four wires connected to the reset relay, the two large red wires, the smaller orange with white wire which trunks off the ign side red wire, and a blue wire with white. It is the dreaded seat belt interlock system that was. Seat Belt Interlock 1974 Bypass.
From www.corvetteforum.com
Seat belt interlock system bypass CorvetteForum Chevrolet Corvette Seat Belt Interlock 1974 Bypass There are four wires connected to the reset relay, the two large red wires, the smaller orange with white wire which trunks off the ign side red wire, and a blue wire with white. Consumers to wear seatbelts in the 70's by putting sensors in our seats and seatbelts that were. It is the dreaded seat belt interlock system that. Seat Belt Interlock 1974 Bypass.
From theamcforum.com
74 Javelin Relays? The AMC Forum Seat Belt Interlock 1974 Bypass In my 72 gs all you had to do was disconnect the plugs in the seat belt retractors to bypass the buzzer/warning lights. There are four wires connected to the reset relay, the two large red wires, the smaller orange with white wire which trunks off the ign side red wire, and a blue wire with white. The seatbelt starter. Seat Belt Interlock 1974 Bypass.
From www.doubleaabuilders.com
Seat Belt Starter Interlock System Wiring Explained 1974, 57 OFF Seat Belt Interlock 1974 Bypass Consumers to wear seatbelts in the 70's by putting sensors in our seats and seatbelts that were. But it goes beyond that. The seatbelt starter interlock system prevents a vehicle from starting unless the seat belts are fastened. Federal motor vehicle safety standard # 208 requires that the safety belt system and all 1974. Seatbelt interlock relay (mounted to orange. Seat Belt Interlock 1974 Bypass.
From www.autozone.com
Repair Guides Seatbelt System Seat Belt/starter Interlock System Seat Belt Interlock 1974 Bypass It is the dreaded seat belt interlock system that was intended to train u.s. In my 72 gs all you had to do was disconnect the plugs in the seat belt retractors to bypass the buzzer/warning lights. But it goes beyond that. Federal motor vehicle safety standard # 208 requires that the safety belt system and all 1974. Consumers to. Seat Belt Interlock 1974 Bypass.
From wichargerguy.proboards.com
Seatbelt setup through 71/74 production 19711974 Dodge Seat Belt Interlock 1974 Bypass It is the dreaded seat belt interlock system that was intended to train u.s. In my 72 gs all you had to do was disconnect the plugs in the seat belt retractors to bypass the buzzer/warning lights. There are four wires connected to the reset relay, the two large red wires, the smaller orange with white wire which trunks off. Seat Belt Interlock 1974 Bypass.
From www.forbbodiesonly.com
SOLD NOS 1974 Seatbelt Interlock By Pass Switch Dated 3233 For B Seat Belt Interlock 1974 Bypass There are four wires connected to the reset relay, the two large red wires, the smaller orange with white wire which trunks off the ign side red wire, and a blue wire with white. The seatbelt starter interlock system prevents a vehicle from starting unless the seat belts are fastened. It is the dreaded seat belt interlock system that was. Seat Belt Interlock 1974 Bypass.
From www.ebay.com
1974+Oldsmobile+Seat+Belt+Buzzer+Interlock+Relay+GM+Part+23+1997426 Seat Belt Interlock 1974 Bypass There are four wires connected to the reset relay, the two large red wires, the smaller orange with white wire which trunks off the ign side red wire, and a blue wire with white. But it goes beyond that. Consumers to wear seatbelts in the 70's by putting sensors in our seats and seatbelts that were. In my 72 gs. Seat Belt Interlock 1974 Bypass.
From www.forebodiesonly.com
FOR SALE 1974 Cuda Challenger Seat Belt Interlock Wiring For E Seat Belt Interlock 1974 Bypass The seatbelt starter interlock system prevents a vehicle from starting unless the seat belts are fastened. In my 72 gs all you had to do was disconnect the plugs in the seat belt retractors to bypass the buzzer/warning lights. It is the dreaded seat belt interlock system that was intended to train u.s. But it goes beyond that. Consumers to. Seat Belt Interlock 1974 Bypass.
From www.2carpros.com
Seatbelt Starter Interlock System Bypass? Need Some Help Folks. I... Seat Belt Interlock 1974 Bypass There are four wires connected to the reset relay, the two large red wires, the smaller orange with white wire which trunks off the ign side red wire, and a blue wire with white. Consumers to wear seatbelts in the 70's by putting sensors in our seats and seatbelts that were. In my 72 gs all you had to do. Seat Belt Interlock 1974 Bypass.
From www.forcbodiesonly.com
1974 Seat Belt Interlock Questions Please help For C Bodies Only Seat Belt Interlock 1974 Bypass Federal motor vehicle safety standard # 208 requires that the safety belt system and all 1974. But it goes beyond that. In my 72 gs all you had to do was disconnect the plugs in the seat belt retractors to bypass the buzzer/warning lights. It is the dreaded seat belt interlock system that was intended to train u.s. Consumers to. Seat Belt Interlock 1974 Bypass.
From store.tracyvette.com
1974 Corvette Engine Wire Harness 350 Manual Orange SeatBelt Interlock Seat Belt Interlock 1974 Bypass Federal motor vehicle safety standard # 208 requires that the safety belt system and all 1974. Consumers to wear seatbelts in the 70's by putting sensors in our seats and seatbelts that were. In my 72 gs all you had to do was disconnect the plugs in the seat belt retractors to bypass the buzzer/warning lights. Seatbelt interlock relay (mounted. Seat Belt Interlock 1974 Bypass.
From uscarparts.nu
Seat Belt Interlock Switch 1974 Mopar US Car Parts Seat Belt Interlock 1974 Bypass It is the dreaded seat belt interlock system that was intended to train u.s. Federal motor vehicle safety standard # 208 requires that the safety belt system and all 1974. In my 72 gs all you had to do was disconnect the plugs in the seat belt retractors to bypass the buzzer/warning lights. Consumers to wear seatbelts in the 70's. Seat Belt Interlock 1974 Bypass.
From www.youtube.com
Worst Automotive Inventions / Government Regulations 1974's Seat Belt Seat Belt Interlock 1974 Bypass It is the dreaded seat belt interlock system that was intended to train u.s. Seatbelt interlock relay (mounted to orange connector on passenger side firewall, which i do not have) and seat belt interlock. Consumers to wear seatbelts in the 70's by putting sensors in our seats and seatbelts that were. In my 72 gs all you had to do. Seat Belt Interlock 1974 Bypass.
From theamcforum.com
1974. the seat belt interlock. The AMC Forum Page 1 Seat Belt Interlock 1974 Bypass Seatbelt interlock relay (mounted to orange connector on passenger side firewall, which i do not have) and seat belt interlock. Consumers to wear seatbelts in the 70's by putting sensors in our seats and seatbelts that were. Federal motor vehicle safety standard # 208 requires that the safety belt system and all 1974. It is the dreaded seat belt interlock. Seat Belt Interlock 1974 Bypass.
From xwebforums.com
'74 seat belt interlock bypass documenting bypass and questions Seat Belt Interlock 1974 Bypass It is the dreaded seat belt interlock system that was intended to train u.s. Consumers to wear seatbelts in the 70's by putting sensors in our seats and seatbelts that were. The seatbelt starter interlock system prevents a vehicle from starting unless the seat belts are fastened. Seatbelt interlock relay (mounted to orange connector on passenger side firewall, which i. Seat Belt Interlock 1974 Bypass.
From xwebforums.com
'74 seat belt interlock bypass documenting bypass and questions Seat Belt Interlock 1974 Bypass Seatbelt interlock relay (mounted to orange connector on passenger side firewall, which i do not have) and seat belt interlock. Consumers to wear seatbelts in the 70's by putting sensors in our seats and seatbelts that were. In my 72 gs all you had to do was disconnect the plugs in the seat belt retractors to bypass the buzzer/warning lights.. Seat Belt Interlock 1974 Bypass.
From www.forbbodiesonly.com
SOLD NOS 1974 Seatbelt Interlock By Pass Switch Dated 3233 For B Seat Belt Interlock 1974 Bypass But it goes beyond that. There are four wires connected to the reset relay, the two large red wires, the smaller orange with white wire which trunks off the ign side red wire, and a blue wire with white. Seatbelt interlock relay (mounted to orange connector on passenger side firewall, which i do not have) and seat belt interlock. It. Seat Belt Interlock 1974 Bypass.
From www.corvetteforum.com
seat belt interlock total removal? CorvetteForum Chevrolet Corvette Seat Belt Interlock 1974 Bypass There are four wires connected to the reset relay, the two large red wires, the smaller orange with white wire which trunks off the ign side red wire, and a blue wire with white. But it goes beyond that. It is the dreaded seat belt interlock system that was intended to train u.s. Seatbelt interlock relay (mounted to orange connector. Seat Belt Interlock 1974 Bypass.