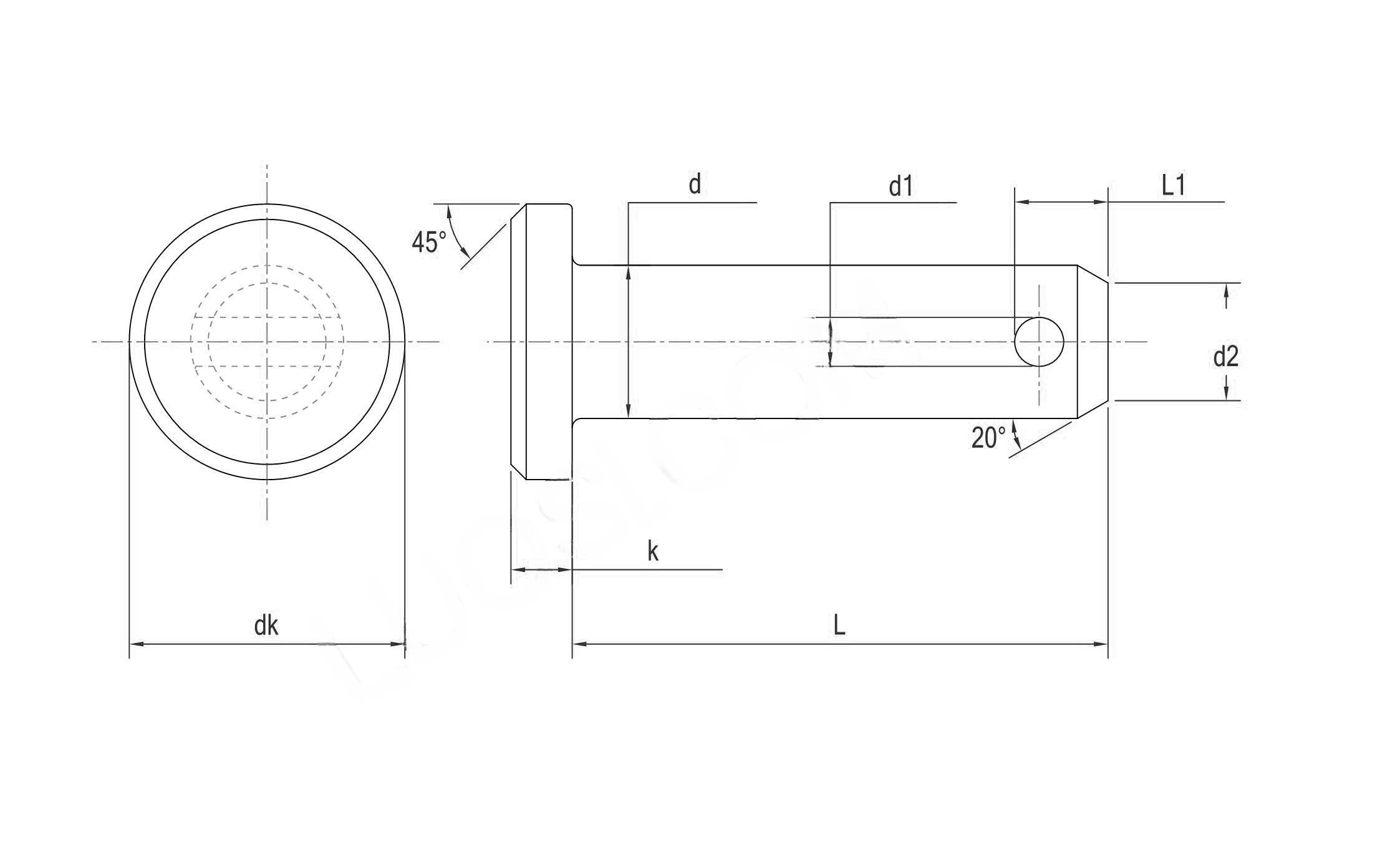
Clevis Pin Dimensions In Mm . Ansi clevis pin size chart table. Clevis pins come in a variety of sizes, and knowing how to read a chart and size table can help you make an informed decision during the. This international standard specifies the characteristics of clevis pins with head, with metric dimensions and nominal diameters, d,. Strength check of designed couplings. Clevis mounting mp2, series cm1. Some important notes from the iso standards: Din 1433 lists dimensions for metric sized clevis pins, from m4 upto m24. The program includes dimensional tables for pins and clevis pins according to ansi, iso, din, bs,. There are two main types of clevis pins: Cylinder mounting in accordance with iso 15552. Find dimensions, tolerance, weight chart, reference material,.
from swageturn.com
There are two main types of clevis pins: Din 1433 lists dimensions for metric sized clevis pins, from m4 upto m24. Clevis pins come in a variety of sizes, and knowing how to read a chart and size table can help you make an informed decision during the. Cylinder mounting in accordance with iso 15552. Some important notes from the iso standards: Strength check of designed couplings. The program includes dimensional tables for pins and clevis pins according to ansi, iso, din, bs,. Clevis mounting mp2, series cm1. Find dimensions, tolerance, weight chart, reference material,. This international standard specifies the characteristics of clevis pins with head, with metric dimensions and nominal diameters, d,.
A
Clevis Pin Dimensions In Mm Find dimensions, tolerance, weight chart, reference material,. Strength check of designed couplings. The program includes dimensional tables for pins and clevis pins according to ansi, iso, din, bs,. Cylinder mounting in accordance with iso 15552. Din 1433 lists dimensions for metric sized clevis pins, from m4 upto m24. Find dimensions, tolerance, weight chart, reference material,. Some important notes from the iso standards: There are two main types of clevis pins: Ansi clevis pin size chart table. Clevis pins come in a variety of sizes, and knowing how to read a chart and size table can help you make an informed decision during the. Clevis mounting mp2, series cm1. This international standard specifies the characteristics of clevis pins with head, with metric dimensions and nominal diameters, d,.
From www.scribd.com
AISC CLEVISES Clevis Pin Dimensions In Mm Clevis pins come in a variety of sizes, and knowing how to read a chart and size table can help you make an informed decision during the. This international standard specifies the characteristics of clevis pins with head, with metric dimensions and nominal diameters, d,. Some important notes from the iso standards: Din 1433 lists dimensions for metric sized clevis. Clevis Pin Dimensions In Mm.
From www.china-bolts.com
American Standard Clevis Pins Manufacturer Supplier Clevis Pin Dimensions In Mm Ansi clevis pin size chart table. Find dimensions, tolerance, weight chart, reference material,. Cylinder mounting in accordance with iso 15552. Strength check of designed couplings. Some important notes from the iso standards: The program includes dimensional tables for pins and clevis pins according to ansi, iso, din, bs,. There are two main types of clevis pins: This international standard specifies. Clevis Pin Dimensions In Mm.
From www.chegg.com
Solved A mechanical connection known as a clevis and pin is Clevis Pin Dimensions In Mm There are two main types of clevis pins: Clevis mounting mp2, series cm1. Din 1433 lists dimensions for metric sized clevis pins, from m4 upto m24. This international standard specifies the characteristics of clevis pins with head, with metric dimensions and nominal diameters, d,. The program includes dimensional tables for pins and clevis pins according to ansi, iso, din, bs,.. Clevis Pin Dimensions In Mm.
From www.rivetsonline.com
Grooved Clevis Pins Clevis Pins with Grooves JayCee Sales & Rivet Clevis Pin Dimensions In Mm The program includes dimensional tables for pins and clevis pins according to ansi, iso, din, bs,. This international standard specifies the characteristics of clevis pins with head, with metric dimensions and nominal diameters, d,. Cylinder mounting in accordance with iso 15552. Ansi clevis pin size chart table. Clevis mounting mp2, series cm1. There are two main types of clevis pins:. Clevis Pin Dimensions In Mm.
From www.youtube.com
How to Measure Cotterless and Grooved Clevis Pins YouTube Clevis Pin Dimensions In Mm Clevis mounting mp2, series cm1. There are two main types of clevis pins: Strength check of designed couplings. The program includes dimensional tables for pins and clevis pins according to ansi, iso, din, bs,. Ansi clevis pin size chart table. Din 1433 lists dimensions for metric sized clevis pins, from m4 upto m24. Find dimensions, tolerance, weight chart, reference material,.. Clevis Pin Dimensions In Mm.
From www.univair.com
MS203923C57 CLEVIS PIN Univair Aircraft Corporation Clevis Pin Dimensions In Mm Strength check of designed couplings. Cylinder mounting in accordance with iso 15552. Clevis pins come in a variety of sizes, and knowing how to read a chart and size table can help you make an informed decision during the. There are two main types of clevis pins: The program includes dimensional tables for pins and clevis pins according to ansi,. Clevis Pin Dimensions In Mm.
From www.alibaba.com
Good Quality Of Standard Clevis Pin Sizes With Head Buy Clevis Pin Clevis Pin Dimensions In Mm Strength check of designed couplings. Find dimensions, tolerance, weight chart, reference material,. Ansi clevis pin size chart table. Clevis mounting mp2, series cm1. Some important notes from the iso standards: The program includes dimensional tables for pins and clevis pins according to ansi, iso, din, bs,. Cylinder mounting in accordance with iso 15552. Din 1433 lists dimensions for metric sized. Clevis Pin Dimensions In Mm.
From hitongmachinery.com
CLEVIS PIN HITONG Rigging hardware Clevis Pin Dimensions In Mm Ansi clevis pin size chart table. Din 1433 lists dimensions for metric sized clevis pins, from m4 upto m24. Strength check of designed couplings. This international standard specifies the characteristics of clevis pins with head, with metric dimensions and nominal diameters, d,. There are two main types of clevis pins: Clevis pins come in a variety of sizes, and knowing. Clevis Pin Dimensions In Mm.
From www.mcgillmotorsport.com
Clevis Joint Clevis Joint 3/8" Hole, 5/8" UNF Thread Clevis Pin Dimensions In Mm Cylinder mounting in accordance with iso 15552. There are two main types of clevis pins: Din 1433 lists dimensions for metric sized clevis pins, from m4 upto m24. Clevis mounting mp2, series cm1. Strength check of designed couplings. The program includes dimensional tables for pins and clevis pins according to ansi, iso, din, bs,. Clevis pins come in a variety. Clevis Pin Dimensions In Mm.
From www.ropemarine.com
Grade 80 Clevis Shackle Clevis Pin Dimensions In Mm Some important notes from the iso standards: Din 1433 lists dimensions for metric sized clevis pins, from m4 upto m24. Ansi clevis pin size chart table. This international standard specifies the characteristics of clevis pins with head, with metric dimensions and nominal diameters, d,. Strength check of designed couplings. Find dimensions, tolerance, weight chart, reference material,. Cylinder mounting in accordance. Clevis Pin Dimensions In Mm.
From www.chegg.com
Solved 4. The clevis pin shown in the figure is 12mm in Clevis Pin Dimensions In Mm The program includes dimensional tables for pins and clevis pins according to ansi, iso, din, bs,. Cylinder mounting in accordance with iso 15552. This international standard specifies the characteristics of clevis pins with head, with metric dimensions and nominal diameters, d,. Clevis pins come in a variety of sizes, and knowing how to read a chart and size table can. Clevis Pin Dimensions In Mm.
From www.thebearingcompany.co.uk
Clevis Pins bright zinc plated finish Clevis Pin Dimensions In Mm Find dimensions, tolerance, weight chart, reference material,. Din 1433 lists dimensions for metric sized clevis pins, from m4 upto m24. The program includes dimensional tables for pins and clevis pins according to ansi, iso, din, bs,. This international standard specifies the characteristics of clevis pins with head, with metric dimensions and nominal diameters, d,. Some important notes from the iso. Clevis Pin Dimensions In Mm.
From www.rollertek.co.uk
Clevis DIN71752 Clevis Pin Dimensions In Mm Din 1433 lists dimensions for metric sized clevis pins, from m4 upto m24. The program includes dimensional tables for pins and clevis pins according to ansi, iso, din, bs,. Clevis mounting mp2, series cm1. Some important notes from the iso standards: There are two main types of clevis pins: Ansi clevis pin size chart table. Clevis pins come in a. Clevis Pin Dimensions In Mm.
From www.bpindustries.co.uk
CPM Metric Series Metric Clevis Pins by BP Industries Ltd Clevis Pin Dimensions In Mm Clevis pins come in a variety of sizes, and knowing how to read a chart and size table can help you make an informed decision during the. This international standard specifies the characteristics of clevis pins with head, with metric dimensions and nominal diameters, d,. Cylinder mounting in accordance with iso 15552. Strength check of designed couplings. Ansi clevis pin. Clevis Pin Dimensions In Mm.
From suncorstainless.com
Clevis Pin Suncor Stainless Clevis Pin Dimensions In Mm Clevis mounting mp2, series cm1. Some important notes from the iso standards: Clevis pins come in a variety of sizes, and knowing how to read a chart and size table can help you make an informed decision during the. Cylinder mounting in accordance with iso 15552. The program includes dimensional tables for pins and clevis pins according to ansi, iso,. Clevis Pin Dimensions In Mm.
From www.steelgear.co.uk
Clevis Pin A4 Stainless Steel Steelgear Clevis Pin Dimensions In Mm Ansi clevis pin size chart table. Some important notes from the iso standards: This international standard specifies the characteristics of clevis pins with head, with metric dimensions and nominal diameters, d,. Cylinder mounting in accordance with iso 15552. Din 1433 lists dimensions for metric sized clevis pins, from m4 upto m24. Clevis mounting mp2, series cm1. Find dimensions, tolerance, weight. Clevis Pin Dimensions In Mm.
From www.huyett.com
Clevis Pin 12 mm x 45 mm Low Carbon Steel ZC DIN 1434 G.L. Huyett Clevis Pin Dimensions In Mm Cylinder mounting in accordance with iso 15552. There are two main types of clevis pins: Find dimensions, tolerance, weight chart, reference material,. Clevis mounting mp2, series cm1. Some important notes from the iso standards: Ansi clevis pin size chart table. Clevis pins come in a variety of sizes, and knowing how to read a chart and size table can help. Clevis Pin Dimensions In Mm.
From riggtech.com.au
Ronstan Clevis Pins Riggtech Clevis Pin Dimensions In Mm Strength check of designed couplings. Some important notes from the iso standards: Find dimensions, tolerance, weight chart, reference material,. Ansi clevis pin size chart table. The program includes dimensional tables for pins and clevis pins according to ansi, iso, din, bs,. Din 1433 lists dimensions for metric sized clevis pins, from m4 upto m24. This international standard specifies the characteristics. Clevis Pin Dimensions In Mm.
From www.chegg.com
CLEVISES Table I Standard Clevis Dimensions (Inches) Clevis Pin Dimensions In Mm Clevis mounting mp2, series cm1. Cylinder mounting in accordance with iso 15552. The program includes dimensional tables for pins and clevis pins according to ansi, iso, din, bs,. Some important notes from the iso standards: Din 1433 lists dimensions for metric sized clevis pins, from m4 upto m24. Clevis pins come in a variety of sizes, and knowing how to. Clevis Pin Dimensions In Mm.
From www.dutyhook.eu
6x9 Clevis Pin, stainless steel AISI 316 marine grade Clevis Pin Dimensions In Mm Cylinder mounting in accordance with iso 15552. This international standard specifies the characteristics of clevis pins with head, with metric dimensions and nominal diameters, d,. Some important notes from the iso standards: Din 1433 lists dimensions for metric sized clevis pins, from m4 upto m24. Find dimensions, tolerance, weight chart, reference material,. Ansi clevis pin size chart table. Strength check. Clevis Pin Dimensions In Mm.
From www.beal.org.uk
Clevis, Pins, m6, X, 20, 50 Clevis Pin Dimensions In Mm Some important notes from the iso standards: There are two main types of clevis pins: Clevis mounting mp2, series cm1. Din 1433 lists dimensions for metric sized clevis pins, from m4 upto m24. Clevis pins come in a variety of sizes, and knowing how to read a chart and size table can help you make an informed decision during the.. Clevis Pin Dimensions In Mm.
From mavink.com
Clevis Pin Chart Clevis Pin Dimensions In Mm There are two main types of clevis pins: Strength check of designed couplings. Some important notes from the iso standards: Ansi clevis pin size chart table. Clevis mounting mp2, series cm1. Find dimensions, tolerance, weight chart, reference material,. The program includes dimensional tables for pins and clevis pins according to ansi, iso, din, bs,. Din 1433 lists dimensions for metric. Clevis Pin Dimensions In Mm.
From studylib.net
Technifast Clevis Pins Datasheet Clevis Pin Dimensions In Mm Din 1433 lists dimensions for metric sized clevis pins, from m4 upto m24. This international standard specifies the characteristics of clevis pins with head, with metric dimensions and nominal diameters, d,. There are two main types of clevis pins: The program includes dimensional tables for pins and clevis pins according to ansi, iso, din, bs,. Clevis mounting mp2, series cm1.. Clevis Pin Dimensions In Mm.
From www.tengrifasteners.com
Clevis pins with head Clevis Pin Dimensions In Mm Find dimensions, tolerance, weight chart, reference material,. Some important notes from the iso standards: Din 1433 lists dimensions for metric sized clevis pins, from m4 upto m24. Strength check of designed couplings. Cylinder mounting in accordance with iso 15552. There are two main types of clevis pins: This international standard specifies the characteristics of clevis pins with head, with metric. Clevis Pin Dimensions In Mm.
From www.fastenerdata.co.uk
Fastenerdata Metric Clevis Pin with Retention Groove Steel Fastener Clevis Pin Dimensions In Mm Cylinder mounting in accordance with iso 15552. Din 1433 lists dimensions for metric sized clevis pins, from m4 upto m24. There are two main types of clevis pins: This international standard specifies the characteristics of clevis pins with head, with metric dimensions and nominal diameters, d,. Strength check of designed couplings. Clevis mounting mp2, series cm1. Clevis pins come in. Clevis Pin Dimensions In Mm.
From www.thesteelsupplyco.com
Clevis Pins Steel Clevis Pins Clevis Rod Assembly Steel Supply Co. Clevis Pin Dimensions In Mm Cylinder mounting in accordance with iso 15552. There are two main types of clevis pins: Clevis pins come in a variety of sizes, and knowing how to read a chart and size table can help you make an informed decision during the. The program includes dimensional tables for pins and clevis pins according to ansi, iso, din, bs,. Din 1433. Clevis Pin Dimensions In Mm.
From studylib.net
B3201 Steel Clevis with Pin Clevis Pin Dimensions In Mm Strength check of designed couplings. Cylinder mounting in accordance with iso 15552. Clevis pins come in a variety of sizes, and knowing how to read a chart and size table can help you make an informed decision during the. Some important notes from the iso standards: The program includes dimensional tables for pins and clevis pins according to ansi, iso,. Clevis Pin Dimensions In Mm.
From www.tengrifasteners.com
Clevis pins with head Clevis Pin Dimensions In Mm Some important notes from the iso standards: Cylinder mounting in accordance with iso 15552. Clevis mounting mp2, series cm1. This international standard specifies the characteristics of clevis pins with head, with metric dimensions and nominal diameters, d,. Find dimensions, tolerance, weight chart, reference material,. Clevis pins come in a variety of sizes, and knowing how to read a chart and. Clevis Pin Dimensions In Mm.
From www.sky-international.com
Clevis Pins Wide Range of Sizes and Lengths With Split Rings Clevis Pin Dimensions In Mm Some important notes from the iso standards: Cylinder mounting in accordance with iso 15552. Ansi clevis pin size chart table. This international standard specifies the characteristics of clevis pins with head, with metric dimensions and nominal diameters, d,. There are two main types of clevis pins: Find dimensions, tolerance, weight chart, reference material,. Clevis pins come in a variety of. Clevis Pin Dimensions In Mm.
From www.bpindustries.co.uk
CPM Metric Series Metric Clevis Pins by BP Industries Ltd Clevis Pin Dimensions In Mm The program includes dimensional tables for pins and clevis pins according to ansi, iso, din, bs,. This international standard specifies the characteristics of clevis pins with head, with metric dimensions and nominal diameters, d,. Ansi clevis pin size chart table. Clevis pins come in a variety of sizes, and knowing how to read a chart and size table can help. Clevis Pin Dimensions In Mm.
From www.tfgusa.com
Clevis Fasteners and Their Uses A Comprehensive Guide TFG USA Clevis Pin Dimensions In Mm Din 1433 lists dimensions for metric sized clevis pins, from m4 upto m24. Cylinder mounting in accordance with iso 15552. Strength check of designed couplings. Clevis mounting mp2, series cm1. Find dimensions, tolerance, weight chart, reference material,. The program includes dimensional tables for pins and clevis pins according to ansi, iso, din, bs,. There are two main types of clevis. Clevis Pin Dimensions In Mm.
From swageturn.com
A Clevis Pin Dimensions In Mm Cylinder mounting in accordance with iso 15552. Ansi clevis pin size chart table. There are two main types of clevis pins: Clevis mounting mp2, series cm1. Some important notes from the iso standards: The program includes dimensional tables for pins and clevis pins according to ansi, iso, din, bs,. This international standard specifies the characteristics of clevis pins with head,. Clevis Pin Dimensions In Mm.
From www.steelgear.co.uk
Clevis Pin A4 Stainless Steel Steelgear Clevis Pin Dimensions In Mm Find dimensions, tolerance, weight chart, reference material,. Din 1433 lists dimensions for metric sized clevis pins, from m4 upto m24. Ansi clevis pin size chart table. Cylinder mounting in accordance with iso 15552. This international standard specifies the characteristics of clevis pins with head, with metric dimensions and nominal diameters, d,. Clevis mounting mp2, series cm1. The program includes dimensional. Clevis Pin Dimensions In Mm.
From www.malpasonline.co.uk
S.52334 Metric Clevis Pin ØM5.0mm x 12mm UK Supplier Clevis Pin Dimensions In Mm Ansi clevis pin size chart table. Find dimensions, tolerance, weight chart, reference material,. Some important notes from the iso standards: This international standard specifies the characteristics of clevis pins with head, with metric dimensions and nominal diameters, d,. Strength check of designed couplings. Cylinder mounting in accordance with iso 15552. Clevis mounting mp2, series cm1. Clevis pins come in a. Clevis Pin Dimensions In Mm.
From asfittings.co.uk
Stainless Steel Clevis Pins Metric Sizes 316 Grade Stainless Clevis Pin Dimensions In Mm Cylinder mounting in accordance with iso 15552. Ansi clevis pin size chart table. Clevis pins come in a variety of sizes, and knowing how to read a chart and size table can help you make an informed decision during the. Some important notes from the iso standards: There are two main types of clevis pins: Strength check of designed couplings.. Clevis Pin Dimensions In Mm.