Rolling Key Clutch Mechanism . Once you’ve found your part number and part name, request a parts quote. A rolling wheel on a flat surface, ball. It restricts relative rotational motion and axial. The efficiency of a clutch system relies on its key components, each serving a specific role in. Please support the vintagemachinery.org site by making a donation: The invention belongs to double rolling key clutch technical field, more particularly to a kind of double rolling key clutch controlled based on. Construction fixed stroke, power presses with pneumatic friction clutch and mechanically interlocked brake unit complete with lubrication device and electro pneumatic safety. Key is a component to transfer torque from the rotating shaft to rotary element of the machine. While we do not charge for. Key components of clutch mechanisms. When the links of a pair have a rolling motion relative to each other, they form a rolling pair. View parts below or download a pdf spec sheet.
from www.researchgate.net
Key is a component to transfer torque from the rotating shaft to rotary element of the machine. The efficiency of a clutch system relies on its key components, each serving a specific role in. View parts below or download a pdf spec sheet. Please support the vintagemachinery.org site by making a donation: Construction fixed stroke, power presses with pneumatic friction clutch and mechanically interlocked brake unit complete with lubrication device and electro pneumatic safety. When the links of a pair have a rolling motion relative to each other, they form a rolling pair. While we do not charge for. Once you’ve found your part number and part name, request a parts quote. The invention belongs to double rolling key clutch technical field, more particularly to a kind of double rolling key clutch controlled based on. Key components of clutch mechanisms.
Clutch mechanisms. (a) Conventional clutch. The input and the output
Rolling Key Clutch Mechanism View parts below or download a pdf spec sheet. It restricts relative rotational motion and axial. Please support the vintagemachinery.org site by making a donation: Key is a component to transfer torque from the rotating shaft to rotary element of the machine. The efficiency of a clutch system relies on its key components, each serving a specific role in. A rolling wheel on a flat surface, ball. While we do not charge for. Key components of clutch mechanisms. When the links of a pair have a rolling motion relative to each other, they form a rolling pair. Once you’ve found your part number and part name, request a parts quote. The invention belongs to double rolling key clutch technical field, more particularly to a kind of double rolling key clutch controlled based on. Construction fixed stroke, power presses with pneumatic friction clutch and mechanically interlocked brake unit complete with lubrication device and electro pneumatic safety. View parts below or download a pdf spec sheet.
From bcntechserv.com
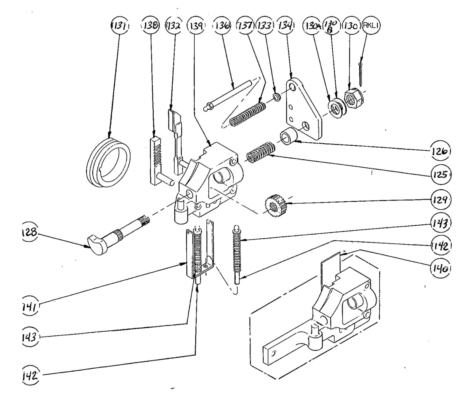
Bliss Rolling Key Clutch 1933 BCN Technical Services Rolling Key Clutch Mechanism Once you’ve found your part number and part name, request a parts quote. Please support the vintagemachinery.org site by making a donation: Construction fixed stroke, power presses with pneumatic friction clutch and mechanically interlocked brake unit complete with lubrication device and electro pneumatic safety. Key is a component to transfer torque from the rotating shaft to rotary element of the. Rolling Key Clutch Mechanism.
From bcntechserv.com
Bliss Clutch Parts Bliss Clearing Niagara Press Parts Rolling Key Clutch Mechanism The invention belongs to double rolling key clutch technical field, more particularly to a kind of double rolling key clutch controlled based on. Please support the vintagemachinery.org site by making a donation: Key components of clutch mechanisms. Key is a component to transfer torque from the rotating shaft to rotary element of the machine. View parts below or download a. Rolling Key Clutch Mechanism.
From bcntechserv.com
Bliss Rolling Key Clutch 1933 BCN Technical Services Rolling Key Clutch Mechanism The invention belongs to double rolling key clutch technical field, more particularly to a kind of double rolling key clutch controlled based on. The efficiency of a clutch system relies on its key components, each serving a specific role in. Once you’ve found your part number and part name, request a parts quote. While we do not charge for. Please. Rolling Key Clutch Mechanism.
From www.physicsforums.com
Mechanism that engages when turning both ways, but releases when not driven Rolling Key Clutch Mechanism A rolling wheel on a flat surface, ball. The efficiency of a clutch system relies on its key components, each serving a specific role in. When the links of a pair have a rolling motion relative to each other, they form a rolling pair. Once you’ve found your part number and part name, request a parts quote. Key components of. Rolling Key Clutch Mechanism.
From www.azg-consulting.com
AUXILIARY SSS Starting & Turning Clutches AZG Consulting Rolling Key Clutch Mechanism The invention belongs to double rolling key clutch technical field, more particularly to a kind of double rolling key clutch controlled based on. When the links of a pair have a rolling motion relative to each other, they form a rolling pair. Once you’ve found your part number and part name, request a parts quote. Please support the vintagemachinery.org site. Rolling Key Clutch Mechanism.
From auburngeardiffs.com
Cone Clutch Type Differentials Auburn Gear Aftermarket Rolling Key Clutch Mechanism Please support the vintagemachinery.org site by making a donation: Construction fixed stroke, power presses with pneumatic friction clutch and mechanically interlocked brake unit complete with lubrication device and electro pneumatic safety. Key is a component to transfer torque from the rotating shaft to rotary element of the machine. View parts below or download a pdf spec sheet. Once you’ve found. Rolling Key Clutch Mechanism.
From www.repco.com.au
Know How Selecting your clutch Repco Australia Rolling Key Clutch Mechanism The invention belongs to double rolling key clutch technical field, more particularly to a kind of double rolling key clutch controlled based on. It restricts relative rotational motion and axial. Please support the vintagemachinery.org site by making a donation: Once you’ve found your part number and part name, request a parts quote. The efficiency of a clutch system relies on. Rolling Key Clutch Mechanism.
From lowellcorp.com
Roller Clutches Lowell CorporationLowell Corporation Rolling Key Clutch Mechanism When the links of a pair have a rolling motion relative to each other, they form a rolling pair. Please support the vintagemachinery.org site by making a donation: Construction fixed stroke, power presses with pneumatic friction clutch and mechanically interlocked brake unit complete with lubrication device and electro pneumatic safety. Key is a component to transfer torque from the rotating. Rolling Key Clutch Mechanism.
From www.youtube.com
Double piece rolling key clutch for 40ton mechanical power press YouTube Rolling Key Clutch Mechanism It restricts relative rotational motion and axial. View parts below or download a pdf spec sheet. When the links of a pair have a rolling motion relative to each other, they form a rolling pair. A rolling wheel on a flat surface, ball. Key components of clutch mechanisms. The efficiency of a clutch system relies on its key components, each. Rolling Key Clutch Mechanism.
From www.aajjo.com
H Frame Press with Rolling Key Clutch in Ludhiana RATTAN INTERNATIONAL Rolling Key Clutch Mechanism The invention belongs to double rolling key clutch technical field, more particularly to a kind of double rolling key clutch controlled based on. A rolling wheel on a flat surface, ball. When the links of a pair have a rolling motion relative to each other, they form a rolling pair. The efficiency of a clutch system relies on its key. Rolling Key Clutch Mechanism.
From learnmachinedesign.blogspot.com
Machine Design Single plate and Multiplate clutch Rolling Key Clutch Mechanism Please support the vintagemachinery.org site by making a donation: When the links of a pair have a rolling motion relative to each other, they form a rolling pair. The invention belongs to double rolling key clutch technical field, more particularly to a kind of double rolling key clutch controlled based on. Key is a component to transfer torque from the. Rolling Key Clutch Mechanism.
From www.youtube.com
Coil Spring Clutch Working Types of Clutches Automobile Basics Rolling Key Clutch Mechanism Once you’ve found your part number and part name, request a parts quote. View parts below or download a pdf spec sheet. Key is a component to transfer torque from the rotating shaft to rotary element of the machine. It restricts relative rotational motion and axial. Construction fixed stroke, power presses with pneumatic friction clutch and mechanically interlocked brake unit. Rolling Key Clutch Mechanism.
From www.howacarworks.com
How a car clutch works How a Car Works Rolling Key Clutch Mechanism Construction fixed stroke, power presses with pneumatic friction clutch and mechanically interlocked brake unit complete with lubrication device and electro pneumatic safety. While we do not charge for. A rolling wheel on a flat surface, ball. View parts below or download a pdf spec sheet. Key is a component to transfer torque from the rotating shaft to rotary element of. Rolling Key Clutch Mechanism.
From www.mecholic.com
Design of Plate Clutch (Uniform pressure theory and uniform wear theory Rolling Key Clutch Mechanism A rolling wheel on a flat surface, ball. While we do not charge for. View parts below or download a pdf spec sheet. When the links of a pair have a rolling motion relative to each other, they form a rolling pair. It restricts relative rotational motion and axial. Key components of clutch mechanisms. Construction fixed stroke, power presses with. Rolling Key Clutch Mechanism.
From mechcontent.com
Single plate clutch Working, Diagram, Application [with Pdf] Rolling Key Clutch Mechanism Key is a component to transfer torque from the rotating shaft to rotary element of the machine. Construction fixed stroke, power presses with pneumatic friction clutch and mechanically interlocked brake unit complete with lubrication device and electro pneumatic safety. When the links of a pair have a rolling motion relative to each other, they form a rolling pair. Once you’ve. Rolling Key Clutch Mechanism.
From www.researchgate.net
6 Details of clutch mechanisms (Mashadi and Crolla, 2011) Download Rolling Key Clutch Mechanism Once you’ve found your part number and part name, request a parts quote. When the links of a pair have a rolling motion relative to each other, they form a rolling pair. Construction fixed stroke, power presses with pneumatic friction clutch and mechanically interlocked brake unit complete with lubrication device and electro pneumatic safety. Please support the vintagemachinery.org site by. Rolling Key Clutch Mechanism.
From www.rowlandcompany.com
Formsprag Clutch The Rowland Company Rolling Key Clutch Mechanism Key is a component to transfer torque from the rotating shaft to rotary element of the machine. View parts below or download a pdf spec sheet. Once you’ve found your part number and part name, request a parts quote. A rolling wheel on a flat surface, ball. Key components of clutch mechanisms. When the links of a pair have a. Rolling Key Clutch Mechanism.
From www.rotafree.com
KEYLESS LOCKING DEVICE Rotafree Rolling Key Clutch Mechanism While we do not charge for. The invention belongs to double rolling key clutch technical field, more particularly to a kind of double rolling key clutch controlled based on. When the links of a pair have a rolling motion relative to each other, they form a rolling pair. Key components of clutch mechanisms. It restricts relative rotational motion and axial.. Rolling Key Clutch Mechanism.
From engineeringlearn.com
10 Types of Clutch and How They Work? [Explained with Pictures Rolling Key Clutch Mechanism While we do not charge for. It restricts relative rotational motion and axial. The invention belongs to double rolling key clutch technical field, more particularly to a kind of double rolling key clutch controlled based on. Key components of clutch mechanisms. Construction fixed stroke, power presses with pneumatic friction clutch and mechanically interlocked brake unit complete with lubrication device and. Rolling Key Clutch Mechanism.
From www.researchgate.net
Clutch mechanisms. (a) Conventional clutch. The input and the output Rolling Key Clutch Mechanism Construction fixed stroke, power presses with pneumatic friction clutch and mechanically interlocked brake unit complete with lubrication device and electro pneumatic safety. While we do not charge for. A rolling wheel on a flat surface, ball. The efficiency of a clutch system relies on its key components, each serving a specific role in. Once you’ve found your part number and. Rolling Key Clutch Mechanism.
From www.eng-tips.com
Clutches Mechanical engineering general discussion Rolling Key Clutch Mechanism The invention belongs to double rolling key clutch technical field, more particularly to a kind of double rolling key clutch controlled based on. It restricts relative rotational motion and axial. When the links of a pair have a rolling motion relative to each other, they form a rolling pair. While we do not charge for. A rolling wheel on a. Rolling Key Clutch Mechanism.
From usermanualstomatal.z21.web.core.windows.net
Clutch Component 2d Diagram Rolling Key Clutch Mechanism Key components of clutch mechanisms. It restricts relative rotational motion and axial. Please support the vintagemachinery.org site by making a donation: Construction fixed stroke, power presses with pneumatic friction clutch and mechanically interlocked brake unit complete with lubrication device and electro pneumatic safety. The efficiency of a clutch system relies on its key components, each serving a specific role in.. Rolling Key Clutch Mechanism.
From learndriving.tips
How Does a Car Clutch Work » Learn Driving Tips Rolling Key Clutch Mechanism Key is a component to transfer torque from the rotating shaft to rotary element of the machine. The invention belongs to double rolling key clutch technical field, more particularly to a kind of double rolling key clutch controlled based on. A rolling wheel on a flat surface, ball. When the links of a pair have a rolling motion relative to. Rolling Key Clutch Mechanism.
From learndriving.tips
What is a Car Clutch? » Learn Driving Tips Rolling Key Clutch Mechanism It restricts relative rotational motion and axial. When the links of a pair have a rolling motion relative to each other, they form a rolling pair. While we do not charge for. A rolling wheel on a flat surface, ball. Construction fixed stroke, power presses with pneumatic friction clutch and mechanically interlocked brake unit complete with lubrication device and electro. Rolling Key Clutch Mechanism.
From learndriving.tips
What is a Car Clutch? » Learn Driving Tips Rolling Key Clutch Mechanism When the links of a pair have a rolling motion relative to each other, they form a rolling pair. The efficiency of a clutch system relies on its key components, each serving a specific role in. A rolling wheel on a flat surface, ball. The invention belongs to double rolling key clutch technical field, more particularly to a kind of. Rolling Key Clutch Mechanism.
From axleaddict.com
How to Diagnose Clutch Drag and Adjust Your Clutch Pedal AxleAddict Rolling Key Clutch Mechanism The efficiency of a clutch system relies on its key components, each serving a specific role in. Key components of clutch mechanisms. Once you’ve found your part number and part name, request a parts quote. A rolling wheel on a flat surface, ball. Construction fixed stroke, power presses with pneumatic friction clutch and mechanically interlocked brake unit complete with lubrication. Rolling Key Clutch Mechanism.
From www.indiamart.com
H Frame Press (Piller Type) Rolling Key Clutch Machine at best price in Rolling Key Clutch Mechanism Please support the vintagemachinery.org site by making a donation: While we do not charge for. When the links of a pair have a rolling motion relative to each other, they form a rolling pair. A rolling wheel on a flat surface, ball. The invention belongs to double rolling key clutch technical field, more particularly to a kind of double rolling. Rolling Key Clutch Mechanism.
From www.eaton.com
Easy Pedal Advantage clutch Best Manual adjust Eaton Rolling Key Clutch Mechanism Construction fixed stroke, power presses with pneumatic friction clutch and mechanically interlocked brake unit complete with lubrication device and electro pneumatic safety. Once you’ve found your part number and part name, request a parts quote. Key is a component to transfer torque from the rotating shaft to rotary element of the machine. When the links of a pair have a. Rolling Key Clutch Mechanism.
From www.theengineerspost.com
Single Plate Clutch Diagram, Parts, Working, Uses [PDF] Rolling Key Clutch Mechanism Once you’ve found your part number and part name, request a parts quote. While we do not charge for. The efficiency of a clutch system relies on its key components, each serving a specific role in. Construction fixed stroke, power presses with pneumatic friction clutch and mechanically interlocked brake unit complete with lubrication device and electro pneumatic safety. It restricts. Rolling Key Clutch Mechanism.
From www.machiii.com
How It Works Spring Engaged Friction Clutch Mach III Rolling Key Clutch Mechanism Construction fixed stroke, power presses with pneumatic friction clutch and mechanically interlocked brake unit complete with lubrication device and electro pneumatic safety. The efficiency of a clutch system relies on its key components, each serving a specific role in. Key is a component to transfer torque from the rotating shaft to rotary element of the machine. While we do not. Rolling Key Clutch Mechanism.
From bcntechserv.com
Bliss Rolling Key Clutch 1933 BCN Technical Services Rolling Key Clutch Mechanism When the links of a pair have a rolling motion relative to each other, they form a rolling pair. Key is a component to transfer torque from the rotating shaft to rotary element of the machine. Please support the vintagemachinery.org site by making a donation: It restricts relative rotational motion and axial. Once you’ve found your part number and part. Rolling Key Clutch Mechanism.
From www.mdpi.com
Machines Free FullText Study on the Engagement Characteristics and Rolling Key Clutch Mechanism Construction fixed stroke, power presses with pneumatic friction clutch and mechanically interlocked brake unit complete with lubrication device and electro pneumatic safety. Key components of clutch mechanisms. While we do not charge for. It restricts relative rotational motion and axial. Please support the vintagemachinery.org site by making a donation: Key is a component to transfer torque from the rotating shaft. Rolling Key Clutch Mechanism.
From www.indiamart.com
High Speed Ungrered With Pneumatic & Rolling Key Clutch at best price Rolling Key Clutch Mechanism View parts below or download a pdf spec sheet. When the links of a pair have a rolling motion relative to each other, they form a rolling pair. A rolling wheel on a flat surface, ball. Please support the vintagemachinery.org site by making a donation: The invention belongs to double rolling key clutch technical field, more particularly to a kind. Rolling Key Clutch Mechanism.
From themechanicalengineering.com
13 Different Types of Clutches Explained [Notes with PDF] Rolling Key Clutch Mechanism Key components of clutch mechanisms. While we do not charge for. When the links of a pair have a rolling motion relative to each other, they form a rolling pair. It restricts relative rotational motion and axial. Construction fixed stroke, power presses with pneumatic friction clutch and mechanically interlocked brake unit complete with lubrication device and electro pneumatic safety. The. Rolling Key Clutch Mechanism.
From wonderfulengineering.com
Here's How The Clutch Works In Your Car Rolling Key Clutch Mechanism Once you’ve found your part number and part name, request a parts quote. Construction fixed stroke, power presses with pneumatic friction clutch and mechanically interlocked brake unit complete with lubrication device and electro pneumatic safety. The invention belongs to double rolling key clutch technical field, more particularly to a kind of double rolling key clutch controlled based on. Please support. Rolling Key Clutch Mechanism.