Car Reverse Alarm Circuit Diagram . A reverse light circuit diagram consists of symbols and labels that show how each device connects to the battery and ignition system. In this tutorial, we are demonstrating a project of a car reverse alert buzzer and flasher circuit. As stated earlier, the atmega328 avr microcontroller (ic1) is the heart of the circuit. With this diagram, you can easily. The circuit for this project consists of 4 different components: Circuit and working of arduino based car reverse alarm. This circuit is used to indicate to any. The circuit will alert you while you are reversing your car for parking, if there is any obstacle, through an audio visual alarm. The simple arduino based layout of the project is given in figure 1. This arduino based car reverse alert system can be used for an autonomous navigation, robot ranging and other range related applications. The circuit will alert you while you are reversing your car for parking, if there is. The buzzer, the ultrasonic sensor, the arduino nano, and the power supply.
from userlibnicholas.z6.web.core.windows.net
The buzzer, the ultrasonic sensor, the arduino nano, and the power supply. As stated earlier, the atmega328 avr microcontroller (ic1) is the heart of the circuit. With this diagram, you can easily. The circuit will alert you while you are reversing your car for parking, if there is. A reverse light circuit diagram consists of symbols and labels that show how each device connects to the battery and ignition system. In this tutorial, we are demonstrating a project of a car reverse alert buzzer and flasher circuit. The simple arduino based layout of the project is given in figure 1. Circuit and working of arduino based car reverse alarm. The circuit for this project consists of 4 different components: This arduino based car reverse alert system can be used for an autonomous navigation, robot ranging and other range related applications.
Car Reverse Alarm Circuit Diagram
Car Reverse Alarm Circuit Diagram The circuit will alert you while you are reversing your car for parking, if there is. The circuit will alert you while you are reversing your car for parking, if there is. This arduino based car reverse alert system can be used for an autonomous navigation, robot ranging and other range related applications. The simple arduino based layout of the project is given in figure 1. With this diagram, you can easily. A reverse light circuit diagram consists of symbols and labels that show how each device connects to the battery and ignition system. The circuit for this project consists of 4 different components: In this tutorial, we are demonstrating a project of a car reverse alert buzzer and flasher circuit. As stated earlier, the atmega328 avr microcontroller (ic1) is the heart of the circuit. This circuit is used to indicate to any. The circuit will alert you while you are reversing your car for parking, if there is any obstacle, through an audio visual alarm. The buzzer, the ultrasonic sensor, the arduino nano, and the power supply. Circuit and working of arduino based car reverse alarm.
From guidediagramgoodwin.z5.web.core.windows.net
Circuit Diagram Car Alarm Car Reverse Alarm Circuit Diagram This circuit is used to indicate to any. This arduino based car reverse alert system can be used for an autonomous navigation, robot ranging and other range related applications. The circuit will alert you while you are reversing your car for parking, if there is any obstacle, through an audio visual alarm. Circuit and working of arduino based car reverse. Car Reverse Alarm Circuit Diagram.
From www.circuitdiagram.co
Car Reverse Alarm Circuit Diagram Circuit Diagram Car Reverse Alarm Circuit Diagram The simple arduino based layout of the project is given in figure 1. A reverse light circuit diagram consists of symbols and labels that show how each device connects to the battery and ignition system. The circuit for this project consists of 4 different components: As stated earlier, the atmega328 avr microcontroller (ic1) is the heart of the circuit. This. Car Reverse Alarm Circuit Diagram.
From circuitlibdurand.z13.web.core.windows.net
Backup Alarm Circuit Diagram For Cars Pdf Car Reverse Alarm Circuit Diagram With this diagram, you can easily. The simple arduino based layout of the project is given in figure 1. A reverse light circuit diagram consists of symbols and labels that show how each device connects to the battery and ignition system. The circuit will alert you while you are reversing your car for parking, if there is. The circuit for. Car Reverse Alarm Circuit Diagram.
From www.circuitdiagram.co
Car Reverse Alarm Circuit Diagram Circuit Diagram Car Reverse Alarm Circuit Diagram This circuit is used to indicate to any. A reverse light circuit diagram consists of symbols and labels that show how each device connects to the battery and ignition system. Circuit and working of arduino based car reverse alarm. The circuit will alert you while you are reversing your car for parking, if there is any obstacle, through an audio. Car Reverse Alarm Circuit Diagram.
From enginelibmobilizing.z21.web.core.windows.net
How To Wire A Car Reversing Camera Car Reverse Alarm Circuit Diagram The circuit will alert you while you are reversing your car for parking, if there is. The buzzer, the ultrasonic sensor, the arduino nano, and the power supply. The simple arduino based layout of the project is given in figure 1. This arduino based car reverse alert system can be used for an autonomous navigation, robot ranging and other range. Car Reverse Alarm Circuit Diagram.
From guidelistsolorzano.z19.web.core.windows.net
Car Alarm Circut Board Diagram Car Reverse Alarm Circuit Diagram The circuit will alert you while you are reversing your car for parking, if there is any obstacle, through an audio visual alarm. With this diagram, you can easily. The simple arduino based layout of the project is given in figure 1. The circuit for this project consists of 4 different components: As stated earlier, the atmega328 avr microcontroller (ic1). Car Reverse Alarm Circuit Diagram.
From guidepartgatewood.z13.web.core.windows.net
Backup Alarm Circuit Diagram For Cars Pdf Car Reverse Alarm Circuit Diagram Circuit and working of arduino based car reverse alarm. The simple arduino based layout of the project is given in figure 1. The circuit for this project consists of 4 different components: This arduino based car reverse alert system can be used for an autonomous navigation, robot ranging and other range related applications. A reverse light circuit diagram consists of. Car Reverse Alarm Circuit Diagram.
From schematicdegauss.z21.web.core.windows.net
Installgear Car Alarm Wiring Diagram Car Reverse Alarm Circuit Diagram A reverse light circuit diagram consists of symbols and labels that show how each device connects to the battery and ignition system. With this diagram, you can easily. Circuit and working of arduino based car reverse alarm. The simple arduino based layout of the project is given in figure 1. The buzzer, the ultrasonic sensor, the arduino nano, and the. Car Reverse Alarm Circuit Diagram.
From circuitfixsanchez.z13.web.core.windows.net
Backup Alarm Circuit Diagram For Cars Pdf Car Reverse Alarm Circuit Diagram A reverse light circuit diagram consists of symbols and labels that show how each device connects to the battery and ignition system. The circuit will alert you while you are reversing your car for parking, if there is. In this tutorial, we are demonstrating a project of a car reverse alert buzzer and flasher circuit. The circuit will alert you. Car Reverse Alarm Circuit Diagram.
From schematicmanualfrost55.z19.web.core.windows.net
Car Reverse Alarm Circuit Diagram Car Reverse Alarm Circuit Diagram The circuit for this project consists of 4 different components: Circuit and working of arduino based car reverse alarm. In this tutorial, we are demonstrating a project of a car reverse alert buzzer and flasher circuit. The simple arduino based layout of the project is given in figure 1. A reverse light circuit diagram consists of symbols and labels that. Car Reverse Alarm Circuit Diagram.
From schematicdiagramhuber.z19.web.core.windows.net
Car Alarm Circuit Wiring Diagram Car Reverse Alarm Circuit Diagram This circuit is used to indicate to any. The circuit for this project consists of 4 different components: The simple arduino based layout of the project is given in figure 1. The buzzer, the ultrasonic sensor, the arduino nano, and the power supply. A reverse light circuit diagram consists of symbols and labels that show how each device connects to. Car Reverse Alarm Circuit Diagram.
From www.circuitdiagram.co
Car Reverse Alarm Circuit Diagram Circuit Diagram Car Reverse Alarm Circuit Diagram The circuit will alert you while you are reversing your car for parking, if there is any obstacle, through an audio visual alarm. A reverse light circuit diagram consists of symbols and labels that show how each device connects to the battery and ignition system. The circuit will alert you while you are reversing your car for parking, if there. Car Reverse Alarm Circuit Diagram.
From circuitpartmaureen.z21.web.core.windows.net
Car Reverse Alarm Circuit Diagram Car Reverse Alarm Circuit Diagram In this tutorial, we are demonstrating a project of a car reverse alert buzzer and flasher circuit. This arduino based car reverse alert system can be used for an autonomous navigation, robot ranging and other range related applications. A reverse light circuit diagram consists of symbols and labels that show how each device connects to the battery and ignition system.. Car Reverse Alarm Circuit Diagram.
From enginelibstaurolite.z21.web.core.windows.net
Car Alarm System Wiring Diagram Car Reverse Alarm Circuit Diagram This circuit is used to indicate to any. A reverse light circuit diagram consists of symbols and labels that show how each device connects to the battery and ignition system. The simple arduino based layout of the project is given in figure 1. The buzzer, the ultrasonic sensor, the arduino nano, and the power supply. Circuit and working of arduino. Car Reverse Alarm Circuit Diagram.
From userlibnicholas.z6.web.core.windows.net
Car Alarm Simple Circuit Diagram Car Reverse Alarm Circuit Diagram The circuit will alert you while you are reversing your car for parking, if there is. A reverse light circuit diagram consists of symbols and labels that show how each device connects to the battery and ignition system. This arduino based car reverse alert system can be used for an autonomous navigation, robot ranging and other range related applications. As. Car Reverse Alarm Circuit Diagram.
From whosellsripstiks.blogspot.com
⭐ Car Alarm Wiring Diagram Pdf ⭐ Who sells ripstiks Car Reverse Alarm Circuit Diagram With this diagram, you can easily. As stated earlier, the atmega328 avr microcontroller (ic1) is the heart of the circuit. The circuit will alert you while you are reversing your car for parking, if there is. The buzzer, the ultrasonic sensor, the arduino nano, and the power supply. This circuit is used to indicate to any. A reverse light circuit. Car Reverse Alarm Circuit Diagram.
From www.seekic.com
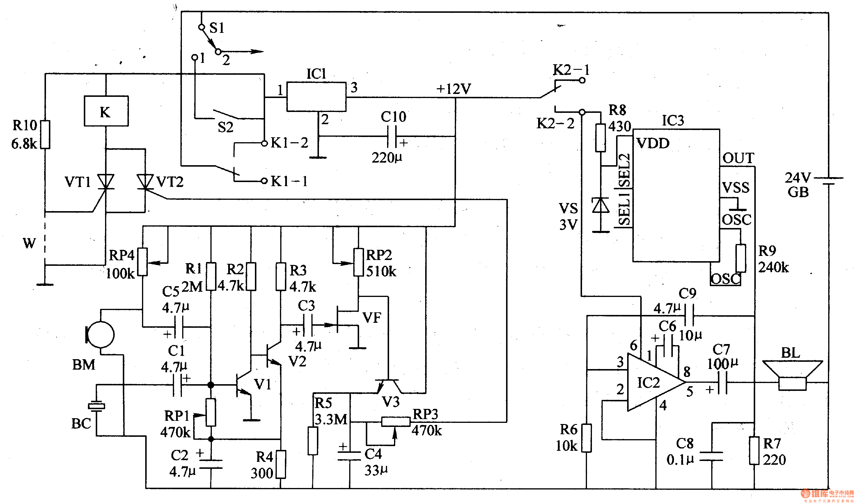
Car reversing anticollision alarm circuit diagram composed of LM1812 Car Reverse Alarm Circuit Diagram The circuit will alert you while you are reversing your car for parking, if there is any obstacle, through an audio visual alarm. As stated earlier, the atmega328 avr microcontroller (ic1) is the heart of the circuit. A reverse light circuit diagram consists of symbols and labels that show how each device connects to the battery and ignition system. The. Car Reverse Alarm Circuit Diagram.
From enginedbhood.z5.web.core.windows.net
Backup Alarm Circuit Diagram For Cars Pdf Car Reverse Alarm Circuit Diagram The circuit for this project consists of 4 different components: As stated earlier, the atmega328 avr microcontroller (ic1) is the heart of the circuit. In this tutorial, we are demonstrating a project of a car reverse alert buzzer and flasher circuit. This circuit is used to indicate to any. Circuit and working of arduino based car reverse alarm. The circuit. Car Reverse Alarm Circuit Diagram.
From www.circuits-diy.com
Reverse Car Parking Sensor Circuit Car Reverse Alarm Circuit Diagram The buzzer, the ultrasonic sensor, the arduino nano, and the power supply. In this tutorial, we are demonstrating a project of a car reverse alert buzzer and flasher circuit. The simple arduino based layout of the project is given in figure 1. A reverse light circuit diagram consists of symbols and labels that show how each device connects to the. Car Reverse Alarm Circuit Diagram.
From userlibnicholas.z6.web.core.windows.net
Car Reverse Alarm Circuit Diagram Car Reverse Alarm Circuit Diagram This arduino based car reverse alert system can be used for an autonomous navigation, robot ranging and other range related applications. This circuit is used to indicate to any. The circuit will alert you while you are reversing your car for parking, if there is any obstacle, through an audio visual alarm. The buzzer, the ultrasonic sensor, the arduino nano,. Car Reverse Alarm Circuit Diagram.
From wirediagramdenise.z13.web.core.windows.net
Simple Car Alarm Circuit Diagram Car Reverse Alarm Circuit Diagram The circuit will alert you while you are reversing your car for parking, if there is any obstacle, through an audio visual alarm. The circuit will alert you while you are reversing your car for parking, if there is. The circuit for this project consists of 4 different components: As stated earlier, the atmega328 avr microcontroller (ic1) is the heart. Car Reverse Alarm Circuit Diagram.
From manualpartschmitz.z19.web.core.windows.net
Backup Battery Car Alarm Wiring Diagram Car Reverse Alarm Circuit Diagram The circuit will alert you while you are reversing your car for parking, if there is any obstacle, through an audio visual alarm. This arduino based car reverse alert system can be used for an autonomous navigation, robot ranging and other range related applications. In this tutorial, we are demonstrating a project of a car reverse alert buzzer and flasher. Car Reverse Alarm Circuit Diagram.
From manualfixwesterlund.z5.web.core.windows.net
Backup Alarm Circuit Diagram For Cars Pdf Car Reverse Alarm Circuit Diagram The circuit will alert you while you are reversing your car for parking, if there is any obstacle, through an audio visual alarm. The circuit will alert you while you are reversing your car for parking, if there is. This circuit is used to indicate to any. With this diagram, you can easily. In this tutorial, we are demonstrating a. Car Reverse Alarm Circuit Diagram.
From manualpartschmid.z13.web.core.windows.net
Car Alarm Wiring Diagram Car Reverse Alarm Circuit Diagram As stated earlier, the atmega328 avr microcontroller (ic1) is the heart of the circuit. A reverse light circuit diagram consists of symbols and labels that show how each device connects to the battery and ignition system. The simple arduino based layout of the project is given in figure 1. The circuit for this project consists of 4 different components: This. Car Reverse Alarm Circuit Diagram.
From guidelistsolorzano.z19.web.core.windows.net
Car Alarm Circut Board Diagram Car Reverse Alarm Circuit Diagram The circuit will alert you while you are reversing your car for parking, if there is. The simple arduino based layout of the project is given in figure 1. This arduino based car reverse alert system can be used for an autonomous navigation, robot ranging and other range related applications. With this diagram, you can easily. Circuit and working of. Car Reverse Alarm Circuit Diagram.
From schematicfixben.z21.web.core.windows.net
Car Alarm Simple Circuit Diagram Car Reverse Alarm Circuit Diagram This circuit is used to indicate to any. As stated earlier, the atmega328 avr microcontroller (ic1) is the heart of the circuit. The simple arduino based layout of the project is given in figure 1. Circuit and working of arduino based car reverse alarm. In this tutorial, we are demonstrating a project of a car reverse alert buzzer and flasher. Car Reverse Alarm Circuit Diagram.
From schematron.org
Autowatch Alarm Wiring Diagram Wiring Diagram Pictures Car Reverse Alarm Circuit Diagram As stated earlier, the atmega328 avr microcontroller (ic1) is the heart of the circuit. Circuit and working of arduino based car reverse alarm. With this diagram, you can easily. This arduino based car reverse alert system can be used for an autonomous navigation, robot ranging and other range related applications. In this tutorial, we are demonstrating a project of a. Car Reverse Alarm Circuit Diagram.
From www.circuits-diy.com
Contact Less Car Reverse Or Backup Alarm Car Reverse Alarm Circuit Diagram In this tutorial, we are demonstrating a project of a car reverse alert buzzer and flasher circuit. As stated earlier, the atmega328 avr microcontroller (ic1) is the heart of the circuit. This circuit is used to indicate to any. Circuit and working of arduino based car reverse alarm. This arduino based car reverse alert system can be used for an. Car Reverse Alarm Circuit Diagram.
From www.circuits-diy.com
Car Reverse Alert Buzzer & Flasher Car Reverse Alarm Circuit Diagram As stated earlier, the atmega328 avr microcontroller (ic1) is the heart of the circuit. The circuit will alert you while you are reversing your car for parking, if there is any obstacle, through an audio visual alarm. The buzzer, the ultrasonic sensor, the arduino nano, and the power supply. Circuit and working of arduino based car reverse alarm. In this. Car Reverse Alarm Circuit Diagram.
From userenginesherry.z13.web.core.windows.net
Car Alarm Circuit Diagram Download Car Reverse Alarm Circuit Diagram The circuit for this project consists of 4 different components: The circuit will alert you while you are reversing your car for parking, if there is. As stated earlier, the atmega328 avr microcontroller (ic1) is the heart of the circuit. The simple arduino based layout of the project is given in figure 1. Circuit and working of arduino based car. Car Reverse Alarm Circuit Diagram.
From diagramfixjoane.z21.web.core.windows.net
Car Alarm Circuit Diagram Car Reverse Alarm Circuit Diagram As stated earlier, the atmega328 avr microcontroller (ic1) is the heart of the circuit. Circuit and working of arduino based car reverse alarm. The circuit will alert you while you are reversing your car for parking, if there is any obstacle, through an audio visual alarm. The buzzer, the ultrasonic sensor, the arduino nano, and the power supply. The simple. Car Reverse Alarm Circuit Diagram.
From diagramlibraryfis.z5.web.core.windows.net
Car Alarm System Circuit Diagram Car Reverse Alarm Circuit Diagram Circuit and working of arduino based car reverse alarm. In this tutorial, we are demonstrating a project of a car reverse alert buzzer and flasher circuit. This arduino based car reverse alert system can be used for an autonomous navigation, robot ranging and other range related applications. The circuit will alert you while you are reversing your car for parking,. Car Reverse Alarm Circuit Diagram.
From classlibdaphne101.s3-website-us-east-1.amazonaws.com
Car Reverse Alarm Circuit Diagram Car Reverse Alarm Circuit Diagram Circuit and working of arduino based car reverse alarm. The simple arduino based layout of the project is given in figure 1. The circuit will alert you while you are reversing your car for parking, if there is. The buzzer, the ultrasonic sensor, the arduino nano, and the power supply. In this tutorial, we are demonstrating a project of a. Car Reverse Alarm Circuit Diagram.
From circuitvoeterjf.z13.web.core.windows.net
Car Alarm Wiring Diagram Dei Car Reverse Alarm Circuit Diagram A reverse light circuit diagram consists of symbols and labels that show how each device connects to the battery and ignition system. The simple arduino based layout of the project is given in figure 1. In this tutorial, we are demonstrating a project of a car reverse alert buzzer and flasher circuit. This arduino based car reverse alert system can. Car Reverse Alarm Circuit Diagram.
From userfixmauer.z19.web.core.windows.net
Car Reverse Alarm Circuit Diagram Car Reverse Alarm Circuit Diagram Circuit and working of arduino based car reverse alarm. The buzzer, the ultrasonic sensor, the arduino nano, and the power supply. The circuit will alert you while you are reversing your car for parking, if there is. In this tutorial, we are demonstrating a project of a car reverse alert buzzer and flasher circuit. As stated earlier, the atmega328 avr. Car Reverse Alarm Circuit Diagram.