Cooling Fan Circuit Diagram . this video shows how to easily wire an electric radiator fan circuit. learn how to properly wire single or dual electric cooling fans using a relay kit and a temperature sender. learn how to wire an electric radiator fan with the help of a wiring diagram. The wiring diagram for a single. suggested electric fan wiring diagrams. need a cooling fan wiring diagram? *cable coloring varies from fan to fan. These diagrams show the use of relays, on/off sensors, on/off switches. 3 pin and 4 pin fan wire diagrams. Understand the different parts and components of the motor and how. See diagrams, video and tips for high horsepower. an electric fan is an essential component in modern cooling systems for cars, homes, and other applications. learn how an electric fan motor works with this diagram.
from schematicloareevapbf.z21.web.core.windows.net
this video shows how to easily wire an electric radiator fan circuit. learn how to wire an electric radiator fan with the help of a wiring diagram. These diagrams show the use of relays, on/off sensors, on/off switches. The wiring diagram for a single. suggested electric fan wiring diagrams. See diagrams, video and tips for high horsepower. learn how to properly wire single or dual electric cooling fans using a relay kit and a temperature sender. Understand the different parts and components of the motor and how. 3 pin and 4 pin fan wire diagrams. *cable coloring varies from fan to fan.
How To Wire Electric Cooling Fan Automotive
Cooling Fan Circuit Diagram an electric fan is an essential component in modern cooling systems for cars, homes, and other applications. suggested electric fan wiring diagrams. an electric fan is an essential component in modern cooling systems for cars, homes, and other applications. this video shows how to easily wire an electric radiator fan circuit. See diagrams, video and tips for high horsepower. The wiring diagram for a single. 3 pin and 4 pin fan wire diagrams. learn how an electric fan motor works with this diagram. These diagrams show the use of relays, on/off sensors, on/off switches. learn how to wire an electric radiator fan with the help of a wiring diagram. learn how to properly wire single or dual electric cooling fans using a relay kit and a temperature sender. *cable coloring varies from fan to fan. Understand the different parts and components of the motor and how. need a cooling fan wiring diagram?
From www.circuitdiagram.co
Radiator Cooling Fan Circuit Diagram Circuit Diagram Cooling Fan Circuit Diagram 3 pin and 4 pin fan wire diagrams. See diagrams, video and tips for high horsepower. this video shows how to easily wire an electric radiator fan circuit. need a cooling fan wiring diagram? suggested electric fan wiring diagrams. learn how an electric fan motor works with this diagram. These diagrams show the use of. Cooling Fan Circuit Diagram.
From schematicciroliniml.z4.web.core.windows.net
How To Wire Dual Electric Cooling Fans Cooling Fan Circuit Diagram 3 pin and 4 pin fan wire diagrams. need a cooling fan wiring diagram? *cable coloring varies from fan to fan. an electric fan is an essential component in modern cooling systems for cars, homes, and other applications. learn how to wire an electric radiator fan with the help of a wiring diagram. suggested electric. Cooling Fan Circuit Diagram.
From wiringchart101.storage.googleapis.com
4 pin pwm fan circuit diagram Cooling Fan Circuit Diagram 3 pin and 4 pin fan wire diagrams. See diagrams, video and tips for high horsepower. learn how to wire an electric radiator fan with the help of a wiring diagram. learn how an electric fan motor works with this diagram. Understand the different parts and components of the motor and how. These diagrams show the use. Cooling Fan Circuit Diagram.
From manualmanualjesse.z13.web.core.windows.net
Cooling Fan Wiring Cooling Fan Circuit Diagram suggested electric fan wiring diagrams. an electric fan is an essential component in modern cooling systems for cars, homes, and other applications. The wiring diagram for a single. need a cooling fan wiring diagram? *cable coloring varies from fan to fan. See diagrams, video and tips for high horsepower. learn how to wire an electric radiator. Cooling Fan Circuit Diagram.
From www.circuitdiagram.co
Radiator Cooling Fan Circuit Diagram Circuit Diagram Cooling Fan Circuit Diagram *cable coloring varies from fan to fan. The wiring diagram for a single. need a cooling fan wiring diagram? an electric fan is an essential component in modern cooling systems for cars, homes, and other applications. 3 pin and 4 pin fan wire diagrams. learn how an electric fan motor works with this diagram. Understand the. Cooling Fan Circuit Diagram.
From www.circuitdiagram.co
Schematic Diagram Of An Electric Fan Circuit Diagram Cooling Fan Circuit Diagram 3 pin and 4 pin fan wire diagrams. See diagrams, video and tips for high horsepower. this video shows how to easily wire an electric radiator fan circuit. *cable coloring varies from fan to fan. suggested electric fan wiring diagrams. Understand the different parts and components of the motor and how. learn how to properly wire. Cooling Fan Circuit Diagram.
From guidefixstrohdoofsf.z22.web.core.windows.net
Cooling Fans Wiring Diagramponents Cooling Fan Circuit Diagram learn how to properly wire single or dual electric cooling fans using a relay kit and a temperature sender. suggested electric fan wiring diagrams. learn how an electric fan motor works with this diagram. These diagrams show the use of relays, on/off sensors, on/off switches. this video shows how to easily wire an electric radiator fan. Cooling Fan Circuit Diagram.
From circuitpartdennis77.z13.web.core.windows.net
Automatic Cooling Fan Controller Circuit Diagram Cooling Fan Circuit Diagram The wiring diagram for a single. These diagrams show the use of relays, on/off sensors, on/off switches. learn how an electric fan motor works with this diagram. need a cooling fan wiring diagram? *cable coloring varies from fan to fan. suggested electric fan wiring diagrams. Understand the different parts and components of the motor and how. . Cooling Fan Circuit Diagram.
From www.scribd.com
Cooling Fan Wiring Diagram PDF Relay Mechanical Fan Cooling Fan Circuit Diagram learn how to wire an electric radiator fan with the help of a wiring diagram. Understand the different parts and components of the motor and how. an electric fan is an essential component in modern cooling systems for cars, homes, and other applications. suggested electric fan wiring diagrams. learn how an electric fan motor works with. Cooling Fan Circuit Diagram.
From www.circuitdiagram.co
Fan Circuit Diagram And Working Circuit Diagram Cooling Fan Circuit Diagram an electric fan is an essential component in modern cooling systems for cars, homes, and other applications. learn how to properly wire single or dual electric cooling fans using a relay kit and a temperature sender. These diagrams show the use of relays, on/off sensors, on/off switches. suggested electric fan wiring diagrams. The wiring diagram for a. Cooling Fan Circuit Diagram.
From userfixfrey.z19.web.core.windows.net
Cooling Fan Circuit Diagram Cooling Fan Circuit Diagram These diagrams show the use of relays, on/off sensors, on/off switches. learn how to properly wire single or dual electric cooling fans using a relay kit and a temperature sender. learn how an electric fan motor works with this diagram. suggested electric fan wiring diagrams. *cable coloring varies from fan to fan. The wiring diagram for a. Cooling Fan Circuit Diagram.
From www.electroschematics.com
Smart Cooling Fan Circuit Cooling Fan Circuit Diagram learn how to properly wire single or dual electric cooling fans using a relay kit and a temperature sender. See diagrams, video and tips for high horsepower. need a cooling fan wiring diagram? Understand the different parts and components of the motor and how. The wiring diagram for a single. suggested electric fan wiring diagrams. an. Cooling Fan Circuit Diagram.
From www.windward.solutions
Radiator fan wiring diagram Cooling Fan Circuit Diagram this video shows how to easily wire an electric radiator fan circuit. learn how to properly wire single or dual electric cooling fans using a relay kit and a temperature sender. an electric fan is an essential component in modern cooling systems for cars, homes, and other applications. learn how an electric fan motor works with. Cooling Fan Circuit Diagram.
From schematicloareevapbf.z21.web.core.windows.net
How To Wire Electric Cooling Fan Automotive Cooling Fan Circuit Diagram These diagrams show the use of relays, on/off sensors, on/off switches. learn how to properly wire single or dual electric cooling fans using a relay kit and a temperature sender. learn how to wire an electric radiator fan with the help of a wiring diagram. The wiring diagram for a single. See diagrams, video and tips for high. Cooling Fan Circuit Diagram.
From www.scribd.com
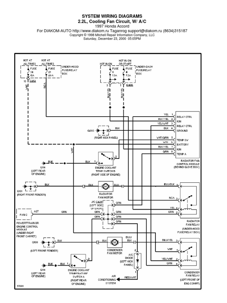
System Wiring Diagrams 2.2L, Cooling Fan Circuit, W/ A/C PDF Cooling Fan Circuit Diagram learn how to properly wire single or dual electric cooling fans using a relay kit and a temperature sender. 3 pin and 4 pin fan wire diagrams. this video shows how to easily wire an electric radiator fan circuit. Understand the different parts and components of the motor and how. See diagrams, video and tips for high. Cooling Fan Circuit Diagram.
From sayngon.com
4 Pin Relay Wiring Diagram for Fan The Ultimate Guide to Keep Your Cooling Fan Circuit Diagram learn how to wire an electric radiator fan with the help of a wiring diagram. learn how an electric fan motor works with this diagram. The wiring diagram for a single. Understand the different parts and components of the motor and how. See diagrams, video and tips for high horsepower. need a cooling fan wiring diagram? . Cooling Fan Circuit Diagram.
From www.hgenesisdh.com
Hyundai Genesis Cooling Fan Schematic Diagrams Cooling System Cooling Fan Circuit Diagram suggested electric fan wiring diagrams. Understand the different parts and components of the motor and how. These diagrams show the use of relays, on/off sensors, on/off switches. this video shows how to easily wire an electric radiator fan circuit. 3 pin and 4 pin fan wire diagrams. need a cooling fan wiring diagram? The wiring diagram. Cooling Fan Circuit Diagram.
From www.circuitdiagram.co
Cooling Fan Circuit Diagram Circuit Diagram Cooling Fan Circuit Diagram this video shows how to easily wire an electric radiator fan circuit. learn how to properly wire single or dual electric cooling fans using a relay kit and a temperature sender. suggested electric fan wiring diagrams. Understand the different parts and components of the motor and how. See diagrams, video and tips for high horsepower. These diagrams. Cooling Fan Circuit Diagram.
From elecsprout.com
Simple and Efficient Cooling Fan Circuit Design Cooling Fan Circuit Diagram learn how to properly wire single or dual electric cooling fans using a relay kit and a temperature sender. learn how an electric fan motor works with this diagram. need a cooling fan wiring diagram? suggested electric fan wiring diagrams. 3 pin and 4 pin fan wire diagrams. *cable coloring varies from fan to fan.. Cooling Fan Circuit Diagram.
From wiringall.com
Wiring Diagram For Cooling Fan Circuit On A 98 Sls Cooling Fan Circuit Diagram The wiring diagram for a single. learn how to properly wire single or dual electric cooling fans using a relay kit and a temperature sender. suggested electric fan wiring diagrams. an electric fan is an essential component in modern cooling systems for cars, homes, and other applications. 3 pin and 4 pin fan wire diagrams. . Cooling Fan Circuit Diagram.
From schematiclibcopaiva55.z4.web.core.windows.net
How To Wire Electric Cooling Fan Cooling Fan Circuit Diagram suggested electric fan wiring diagrams. 3 pin and 4 pin fan wire diagrams. The wiring diagram for a single. learn how to properly wire single or dual electric cooling fans using a relay kit and a temperature sender. *cable coloring varies from fan to fan. need a cooling fan wiring diagram? learn how to wire. Cooling Fan Circuit Diagram.
From www.circuitdiagram.co
Engine Cooling Fan Wiring Diagram Circuit Diagram Cooling Fan Circuit Diagram Understand the different parts and components of the motor and how. 3 pin and 4 pin fan wire diagrams. this video shows how to easily wire an electric radiator fan circuit. *cable coloring varies from fan to fan. learn how to wire an electric radiator fan with the help of a wiring diagram. suggested electric fan. Cooling Fan Circuit Diagram.
From www.circuitdiagram.co
Laptop Cooling Fan Circuit Diagram Circuit Diagram Cooling Fan Circuit Diagram an electric fan is an essential component in modern cooling systems for cars, homes, and other applications. learn how to properly wire single or dual electric cooling fans using a relay kit and a temperature sender. this video shows how to easily wire an electric radiator fan circuit. learn how an electric fan motor works with. Cooling Fan Circuit Diagram.
From userfixfrey.z19.web.core.windows.net
Cooling Fan Circuit Diagram Cooling Fan Circuit Diagram These diagrams show the use of relays, on/off sensors, on/off switches. 3 pin and 4 pin fan wire diagrams. See diagrams, video and tips for high horsepower. *cable coloring varies from fan to fan. this video shows how to easily wire an electric radiator fan circuit. The wiring diagram for a single. learn how to properly wire. Cooling Fan Circuit Diagram.
From schematicramokgopa20.z22.web.core.windows.net
How To Wire Electric Cooling Fan Automotive Cooling Fan Circuit Diagram need a cooling fan wiring diagram? suggested electric fan wiring diagrams. learn how an electric fan motor works with this diagram. this video shows how to easily wire an electric radiator fan circuit. The wiring diagram for a single. Understand the different parts and components of the motor and how. These diagrams show the use of. Cooling Fan Circuit Diagram.
From elecsprout.com
Simple and Efficient Cooling Fan Circuit Design Cooling Fan Circuit Diagram *cable coloring varies from fan to fan. this video shows how to easily wire an electric radiator fan circuit. suggested electric fan wiring diagrams. need a cooling fan wiring diagram? See diagrams, video and tips for high horsepower. The wiring diagram for a single. 3 pin and 4 pin fan wire diagrams. an electric fan. Cooling Fan Circuit Diagram.
From schematiclibrarypfeffer.z19.web.core.windows.net
Automotive Cooling Fan Wiring Diagram Cooling Fan Circuit Diagram Understand the different parts and components of the motor and how. need a cooling fan wiring diagram? learn how to properly wire single or dual electric cooling fans using a relay kit and a temperature sender. *cable coloring varies from fan to fan. suggested electric fan wiring diagrams. 3 pin and 4 pin fan wire diagrams.. Cooling Fan Circuit Diagram.
From usermanualtwanging.z21.web.core.windows.net
Radiator Cooling Fan Relay Wiring Diagram Cooling Fan Circuit Diagram learn how an electric fan motor works with this diagram. Understand the different parts and components of the motor and how. *cable coloring varies from fan to fan. learn how to properly wire single or dual electric cooling fans using a relay kit and a temperature sender. These diagrams show the use of relays, on/off sensors, on/off switches.. Cooling Fan Circuit Diagram.
From www.freeasestudyguides.com
Engine Coolant Temperature and Engine Perfromance Cooling Fan Circuit Diagram this video shows how to easily wire an electric radiator fan circuit. See diagrams, video and tips for high horsepower. suggested electric fan wiring diagrams. an electric fan is an essential component in modern cooling systems for cars, homes, and other applications. These diagrams show the use of relays, on/off sensors, on/off switches. learn how to. Cooling Fan Circuit Diagram.
From fixengineburger.z19.web.core.windows.net
Wiring Diagram Electric Cooling Fan Cooling Fan Circuit Diagram learn how to wire an electric radiator fan with the help of a wiring diagram. These diagrams show the use of relays, on/off sensors, on/off switches. an electric fan is an essential component in modern cooling systems for cars, homes, and other applications. this video shows how to easily wire an electric radiator fan circuit. The wiring. Cooling Fan Circuit Diagram.
From wiringfixagented.z19.web.core.windows.net
Cooling Fan Wiring Diagram Cooling Fan Circuit Diagram need a cooling fan wiring diagram? learn how to properly wire single or dual electric cooling fans using a relay kit and a temperature sender. suggested electric fan wiring diagrams. this video shows how to easily wire an electric radiator fan circuit. 3 pin and 4 pin fan wire diagrams. See diagrams, video and tips. Cooling Fan Circuit Diagram.
From wiringengineabt.z19.web.core.windows.net
Cooling Fan Circuit Diagram 05 Quest Cooling Fan Circuit Diagram need a cooling fan wiring diagram? *cable coloring varies from fan to fan. Understand the different parts and components of the motor and how. See diagrams, video and tips for high horsepower. learn how to properly wire single or dual electric cooling fans using a relay kit and a temperature sender. an electric fan is an essential. Cooling Fan Circuit Diagram.
From eeetricks.blogspot.com
Cooling Fan Circuit Diagram Cooling Fan Circuit Diagram 3 pin and 4 pin fan wire diagrams. See diagrams, video and tips for high horsepower. learn how an electric fan motor works with this diagram. suggested electric fan wiring diagrams. *cable coloring varies from fan to fan. an electric fan is an essential component in modern cooling systems for cars, homes, and other applications. . Cooling Fan Circuit Diagram.
From wirepartverduzco.z13.web.core.windows.net
Electric Cooling Fan Circuit Diagram Cooling Fan Circuit Diagram *cable coloring varies from fan to fan. learn how an electric fan motor works with this diagram. need a cooling fan wiring diagram? learn how to wire an electric radiator fan with the help of a wiring diagram. See diagrams, video and tips for high horsepower. learn how to properly wire single or dual electric cooling. Cooling Fan Circuit Diagram.
From theorycircuit.com
Cooling Fan speed control circuit Cooling Fan Circuit Diagram this video shows how to easily wire an electric radiator fan circuit. See diagrams, video and tips for high horsepower. *cable coloring varies from fan to fan. learn how to wire an electric radiator fan with the help of a wiring diagram. Understand the different parts and components of the motor and how. These diagrams show the use. Cooling Fan Circuit Diagram.