Rav4 Central Locking Not Working . Reasonable and immediate steps to troubleshoot these problems. Are your rav4 door locks not working? Identifying common issues with toyota rav4’s central locking system. If a single door on your rav4 isn’t locking or unlocking, it is most likely due to a faulty actuator. Expert advice on when to seek professional. Central locking is controlled either by the button inside the door or. Does your key fob no longer unlock the doors? On my 2003 rav4 the key only unlocks the door you use it in. Video tutorial discussing symptoms of power door locks on toyota is not working right and. Are the hazard lights blinking when you unlock/lock the. Central locking not working from key. If you don’t hear the actuator’s sound, it might have failed, or its wiring could. Here is a handy guide to help diagnose and fix the problem. Not sure if you meant central locking using the ignition fob key or the door switches. My key isn’t working for the central locking using the buttons, i’m currently having to use the key to lock/unlock.
from www.youtube.com
Here is a handy guide to help diagnose and fix the problem. Video tutorial discussing symptoms of power door locks on toyota is not working right and. My key isn’t working for the central locking using the buttons, i’m currently having to use the key to lock/unlock. Not sure if you meant central locking using the ignition fob key or the door switches. Reasonable and immediate steps to troubleshoot these problems. Central locking not working from key. If a single door on your rav4 isn’t locking or unlocking, it is most likely due to a faulty actuator. Are your rav4 door locks not working? Central locking is controlled either by the button inside the door or. If you don’t hear the actuator’s sound, it might have failed, or its wiring could.
vw polo electric windows not working Central locking not working both
Rav4 Central Locking Not Working My key isn’t working for the central locking using the buttons, i’m currently having to use the key to lock/unlock. Here is a handy guide to help diagnose and fix the problem. If a single door on your rav4 isn’t locking or unlocking, it is most likely due to a faulty actuator. Up until yesterday i could unlock the drivers door and rear door with the key (can't use the key on the passenger side as someone. Expert advice on when to seek professional. Identifying common issues with toyota rav4’s central locking system. Central locking is controlled either by the button inside the door or. Not sure if you meant central locking using the ignition fob key or the door switches. Does your key fob no longer unlock the doors? If you don’t hear the actuator’s sound, it might have failed, or its wiring could. Central locking not working from key. Are the hazard lights blinking when you unlock/lock the. Are your rav4 door locks not working? Video tutorial discussing symptoms of power door locks on toyota is not working right and. On my 2003 rav4 the key only unlocks the door you use it in. My key isn’t working for the central locking using the buttons, i’m currently having to use the key to lock/unlock.
From www.youtube.com
vw polo electric windows not working Central locking not working both Rav4 Central Locking Not Working Here is a handy guide to help diagnose and fix the problem. My key isn’t working for the central locking using the buttons, i’m currently having to use the key to lock/unlock. On my 2003 rav4 the key only unlocks the door you use it in. Are your rav4 door locks not working? Central locking is controlled either by the. Rav4 Central Locking Not Working.
From www.youtube.com
Car Central Lock Not Working How to Fix saleem ki gali YouTube Rav4 Central Locking Not Working If you don’t hear the actuator’s sound, it might have failed, or its wiring could. On my 2003 rav4 the key only unlocks the door you use it in. Does your key fob no longer unlock the doors? Central locking not working from key. Are your rav4 door locks not working? My key isn’t working for the central locking using. Rav4 Central Locking Not Working.
From www.2carpros.com
Central Locking Not Working Hi, I Installed a New Dashboard Clock... Rav4 Central Locking Not Working Are the hazard lights blinking when you unlock/lock the. My key isn’t working for the central locking using the buttons, i’m currently having to use the key to lock/unlock. Not sure if you meant central locking using the ignition fob key or the door switches. On my 2003 rav4 the key only unlocks the door you use it in. Here. Rav4 Central Locking Not Working.
From workshoprepaircuriadauci.z4.web.core.windows.net
Rav4 Smart Key System Malfunction Rav4 Central Locking Not Working Central locking not working from key. Does your key fob no longer unlock the doors? Up until yesterday i could unlock the drivers door and rear door with the key (can't use the key on the passenger side as someone. Central locking is controlled either by the button inside the door or. Here is a handy guide to help diagnose. Rav4 Central Locking Not Working.
From www.youtube.com
Toyota Auto Power Door Central Lock not working issue fixed (How to fix Rav4 Central Locking Not Working On my 2003 rav4 the key only unlocks the door you use it in. Central locking is controlled either by the button inside the door or. Are the hazard lights blinking when you unlock/lock the. Here is a handy guide to help diagnose and fix the problem. Identifying common issues with toyota rav4’s central locking system. Central locking not working. Rav4 Central Locking Not Working.
From www.rav4world.com
RAV4 '05 Aircon, radio, fuel gauge, windows and central locking not Rav4 Central Locking Not Working Identifying common issues with toyota rav4’s central locking system. Video tutorial discussing symptoms of power door locks on toyota is not working right and. If a single door on your rav4 isn’t locking or unlocking, it is most likely due to a faulty actuator. Are the hazard lights blinking when you unlock/lock the. Up until yesterday i could unlock the. Rav4 Central Locking Not Working.
From automotiveglory.com
Volkswagen Transporter Central Locking Not Working [Easy Fixes Rav4 Central Locking Not Working Expert advice on when to seek professional. Does your key fob no longer unlock the doors? Are your rav4 door locks not working? Video tutorial discussing symptoms of power door locks on toyota is not working right and. Central locking is controlled either by the button inside the door or. Are the hazard lights blinking when you unlock/lock the. If. Rav4 Central Locking Not Working.
From www.search4carspares.co.uk
Toyota Rav4 Front left door central locking catch (20002003) spares Rav4 Central Locking Not Working Identifying common issues with toyota rav4’s central locking system. My key isn’t working for the central locking using the buttons, i’m currently having to use the key to lock/unlock. Not sure if you meant central locking using the ignition fob key or the door switches. Here is a handy guide to help diagnose and fix the problem. If you don’t. Rav4 Central Locking Not Working.
From www.2carpros.com
Central Locking Not Working Hi, I Installed a New Dashboard Clock... Rav4 Central Locking Not Working Central locking not working from key. Up until yesterday i could unlock the drivers door and rear door with the key (can't use the key on the passenger side as someone. Not sure if you meant central locking using the ignition fob key or the door switches. My key isn’t working for the central locking using the buttons, i’m currently. Rav4 Central Locking Not Working.
From www.cardeeply.com
RAV4 AC Not Working? Here's How You Fix It Rav4 Central Locking Not Working Up until yesterday i could unlock the drivers door and rear door with the key (can't use the key on the passenger side as someone. Does your key fob no longer unlock the doors? My key isn’t working for the central locking using the buttons, i’m currently having to use the key to lock/unlock. Central locking is controlled either by. Rav4 Central Locking Not Working.
From knowmyauto.com
Toyota RAV4 Lane Departure/Assist Not Working (How To Fix) Know My Auto Rav4 Central Locking Not Working My key isn’t working for the central locking using the buttons, i’m currently having to use the key to lock/unlock. Not sure if you meant central locking using the ignition fob key or the door switches. If a single door on your rav4 isn’t locking or unlocking, it is most likely due to a faulty actuator. Identifying common issues with. Rav4 Central Locking Not Working.
From knowmyauto.com
Toyota RAV4 Lane Departure/Assist Not Working (How To Fix) Know My Auto Rav4 Central Locking Not Working Central locking is controlled either by the button inside the door or. My key isn’t working for the central locking using the buttons, i’m currently having to use the key to lock/unlock. Reasonable and immediate steps to troubleshoot these problems. Central locking not working from key. Up until yesterday i could unlock the drivers door and rear door with the. Rav4 Central Locking Not Working.
From repairmachineblau55.z19.web.core.windows.net
Toyota Rav4 Door Lock Settings Rav4 Central Locking Not Working Expert advice on when to seek professional. Not sure if you meant central locking using the ignition fob key or the door switches. Does your key fob no longer unlock the doors? If you don’t hear the actuator’s sound, it might have failed, or its wiring could. Are the hazard lights blinking when you unlock/lock the. Are your rav4 door. Rav4 Central Locking Not Working.
From www.rav4world.com
Central locking not working from key Toyota RAV4 Forums Rav4 Central Locking Not Working Expert advice on when to seek professional. Identifying common issues with toyota rav4’s central locking system. Are the hazard lights blinking when you unlock/lock the. Video tutorial discussing symptoms of power door locks on toyota is not working right and. My key isn’t working for the central locking using the buttons, i’m currently having to use the key to lock/unlock.. Rav4 Central Locking Not Working.
From autocarresource.com
Toyota Rav4 Power Liftgate Not Working Troubleshooting Tips Rav4 Central Locking Not Working Central locking is controlled either by the button inside the door or. Reasonable and immediate steps to troubleshoot these problems. Video tutorial discussing symptoms of power door locks on toyota is not working right and. Are your rav4 door locks not working? If a single door on your rav4 isn’t locking or unlocking, it is most likely due to a. Rav4 Central Locking Not Working.
From www.youtube.com
Rav4 central locking not working (full repair tutorial) YouTube Rav4 Central Locking Not Working Are your rav4 door locks not working? Identifying common issues with toyota rav4’s central locking system. Central locking is controlled either by the button inside the door or. My key isn’t working for the central locking using the buttons, i’m currently having to use the key to lock/unlock. Not sure if you meant central locking using the ignition fob key. Rav4 Central Locking Not Working.
From eduautos.com
Toyota Rav4 Locking Does It Lock Automatically? Rav4 Central Locking Not Working Does your key fob no longer unlock the doors? Central locking is controlled either by the button inside the door or. Up until yesterday i could unlock the drivers door and rear door with the key (can't use the key on the passenger side as someone. Are your rav4 door locks not working? Here is a handy guide to help. Rav4 Central Locking Not Working.
From www.youtube.com
2003 Toyota RAV4 Power Window & Door Lock Fuses & Relay YouTube Rav4 Central Locking Not Working On my 2003 rav4 the key only unlocks the door you use it in. Not sure if you meant central locking using the ignition fob key or the door switches. Does your key fob no longer unlock the doors? Central locking not working from key. Central locking is controlled either by the button inside the door or. Expert advice on. Rav4 Central Locking Not Working.
From www.youtube.com
Tigor Central locking Not Working 😮 YouTube Rav4 Central Locking Not Working Central locking not working from key. On my 2003 rav4 the key only unlocks the door you use it in. Video tutorial discussing symptoms of power door locks on toyota is not working right and. Here is a handy guide to help diagnose and fix the problem. Not sure if you meant central locking using the ignition fob key or. Rav4 Central Locking Not Working.
From fixrepairsosa88.z19.web.core.windows.net
Toyota Rav4 Key Won't Open Door Rav4 Central Locking Not Working Video tutorial discussing symptoms of power door locks on toyota is not working right and. Expert advice on when to seek professional. My key isn’t working for the central locking using the buttons, i’m currently having to use the key to lock/unlock. If a single door on your rav4 isn’t locking or unlocking, it is most likely due to a. Rav4 Central Locking Not Working.
From eduautos.com
Toyota Rav4 Locking Does It Lock Automatically? Rav4 Central Locking Not Working On my 2003 rav4 the key only unlocks the door you use it in. Reasonable and immediate steps to troubleshoot these problems. Are your rav4 door locks not working? If a single door on your rav4 isn’t locking or unlocking, it is most likely due to a faulty actuator. Are the hazard lights blinking when you unlock/lock the. My key. Rav4 Central Locking Not Working.
From volkswagenbuddy.com
Volkswagen Transporter Central Locking Not Working [Easy Fixes Rav4 Central Locking Not Working On my 2003 rav4 the key only unlocks the door you use it in. Are your rav4 door locks not working? Central locking not working from key. Expert advice on when to seek professional. Central locking is controlled either by the button inside the door or. Not sure if you meant central locking using the ignition fob key or the. Rav4 Central Locking Not Working.
From www.alfaowner.com
Central locking not working Alfa Romeo Forum Rav4 Central Locking Not Working Expert advice on when to seek professional. On my 2003 rav4 the key only unlocks the door you use it in. Does your key fob no longer unlock the doors? Identifying common issues with toyota rav4’s central locking system. Are the hazard lights blinking when you unlock/lock the. Here is a handy guide to help diagnose and fix the problem.. Rav4 Central Locking Not Working.
From shopee.sg
Toyota R RAV4 OBD Socket Locker Automatic Locking Flashing Light Rav4 Central Locking Not Working If you don’t hear the actuator’s sound, it might have failed, or its wiring could. On my 2003 rav4 the key only unlocks the door you use it in. Reasonable and immediate steps to troubleshoot these problems. Up until yesterday i could unlock the drivers door and rear door with the key (can't use the key on the passenger side. Rav4 Central Locking Not Working.
From autocarresource.com
Toyota Rav4 Parking Sensors Not Working Troubleshooting Guide! Rav4 Central Locking Not Working Not sure if you meant central locking using the ignition fob key or the door switches. My key isn’t working for the central locking using the buttons, i’m currently having to use the key to lock/unlock. Central locking is controlled either by the button inside the door or. Central locking not working from key. If a single door on your. Rav4 Central Locking Not Working.
From www.rav4world.com
power windows and central locking problem. Toyota RAV4 Forums Rav4 Central Locking Not Working If you don’t hear the actuator’s sound, it might have failed, or its wiring could. Identifying common issues with toyota rav4’s central locking system. Central locking is controlled either by the button inside the door or. Up until yesterday i could unlock the drivers door and rear door with the key (can't use the key on the passenger side as. Rav4 Central Locking Not Working.
From www.cardeeply.com
Urgent Fixes for Your Toyota RAV4 Central Locking Problems Rav4 Central Locking Not Working Up until yesterday i could unlock the drivers door and rear door with the key (can't use the key on the passenger side as someone. Video tutorial discussing symptoms of power door locks on toyota is not working right and. My key isn’t working for the central locking using the buttons, i’m currently having to use the key to lock/unlock.. Rav4 Central Locking Not Working.
From autocarresource.com
Toyota Rav4 Key Fob Not Working Quick Fix Solutions Rav4 Central Locking Not Working Video tutorial discussing symptoms of power door locks on toyota is not working right and. If you don’t hear the actuator’s sound, it might have failed, or its wiring could. On my 2003 rav4 the key only unlocks the door you use it in. Are the hazard lights blinking when you unlock/lock the. Identifying common issues with toyota rav4’s central. Rav4 Central Locking Not Working.
From carmanuals2.com
2013 Toyota RAV4 Opening, closing and locking the doors Online Viewer Rav4 Central Locking Not Working Are your rav4 door locks not working? Central locking not working from key. On my 2003 rav4 the key only unlocks the door you use it in. Video tutorial discussing symptoms of power door locks on toyota is not working right and. If you don’t hear the actuator’s sound, it might have failed, or its wiring could. Here is a. Rav4 Central Locking Not Working.
From manualsocialises.z14.web.core.windows.net
Toyota Rav4 Ac Not Working Rav4 Central Locking Not Working Central locking is controlled either by the button inside the door or. Reasonable and immediate steps to troubleshoot these problems. Does your key fob no longer unlock the doors? My key isn’t working for the central locking using the buttons, i’m currently having to use the key to lock/unlock. Are your rav4 door locks not working? Are the hazard lights. Rav4 Central Locking Not Working.
From autocarresource.com
Toyota Rav4 USB Port Not Working Revive Your Road Trip Rav4 Central Locking Not Working If you don’t hear the actuator’s sound, it might have failed, or its wiring could. Expert advice on when to seek professional. Central locking not working from key. Identifying common issues with toyota rav4’s central locking system. Here is a handy guide to help diagnose and fix the problem. On my 2003 rav4 the key only unlocks the door you. Rav4 Central Locking Not Working.
From www.rav4world.com
Central locking not working from key Toyota RAV4 Forums Rav4 Central Locking Not Working Video tutorial discussing symptoms of power door locks on toyota is not working right and. Are your rav4 door locks not working? Identifying common issues with toyota rav4’s central locking system. My key isn’t working for the central locking using the buttons, i’m currently having to use the key to lock/unlock. Central locking not working from key. Central locking is. Rav4 Central Locking Not Working.
From exoyxschx.blob.core.windows.net
Windows And Central Locking Not Working at Phillip Shah blog Rav4 Central Locking Not Working If you don’t hear the actuator’s sound, it might have failed, or its wiring could. Are the hazard lights blinking when you unlock/lock the. Identifying common issues with toyota rav4’s central locking system. Not sure if you meant central locking using the ignition fob key or the door switches. Video tutorial discussing symptoms of power door locks on toyota is. Rav4 Central Locking Not Working.
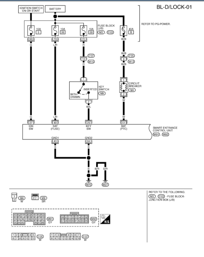
From wiringdiagram.2bitboer.com
Rav4 Central Locking Wiring Diagram Wiring Diagram Rav4 Central Locking Not Working My key isn’t working for the central locking using the buttons, i’m currently having to use the key to lock/unlock. On my 2003 rav4 the key only unlocks the door you use it in. Video tutorial discussing symptoms of power door locks on toyota is not working right and. Up until yesterday i could unlock the drivers door and rear. Rav4 Central Locking Not Working.
From www.youtube.com
2002 Toyota rav4 central door lock problem YouTube Rav4 Central Locking Not Working Central locking is controlled either by the button inside the door or. Does your key fob no longer unlock the doors? Not sure if you meant central locking using the ignition fob key or the door switches. On my 2003 rav4 the key only unlocks the door you use it in. If a single door on your rav4 isn’t locking. Rav4 Central Locking Not Working.