Analog To Digital Converter Simulation . The adc block outputs digital values representing the analog input signal and stores the converted values in the result register of your digital. This paper presents the latest version of the pipeline adc simulator tool (scales), a high speed analog behavior simulation tool for. The input section models noise, headroom, settling, and includes easy drive functionality, where appropriate. This tutorial example shows you how to design a second order delta sigma analog to digital converter in simulink®.
from www.youtube.com
This paper presents the latest version of the pipeline adc simulator tool (scales), a high speed analog behavior simulation tool for. The input section models noise, headroom, settling, and includes easy drive functionality, where appropriate. This tutorial example shows you how to design a second order delta sigma analog to digital converter in simulink®. The adc block outputs digital values representing the analog input signal and stores the converted values in the result register of your digital.
ADS1115 16Bit AnalogtoDigital Converter InDepth Tutorial with
Analog To Digital Converter Simulation This paper presents the latest version of the pipeline adc simulator tool (scales), a high speed analog behavior simulation tool for. The adc block outputs digital values representing the analog input signal and stores the converted values in the result register of your digital. This paper presents the latest version of the pipeline adc simulator tool (scales), a high speed analog behavior simulation tool for. This tutorial example shows you how to design a second order delta sigma analog to digital converter in simulink®. The input section models noise, headroom, settling, and includes easy drive functionality, where appropriate.
From hopdeplay.weebly.com
Simple analog to digital converter hopdeplay Analog To Digital Converter Simulation This tutorial example shows you how to design a second order delta sigma analog to digital converter in simulink®. The input section models noise, headroom, settling, and includes easy drive functionality, where appropriate. The adc block outputs digital values representing the analog input signal and stores the converted values in the result register of your digital. This paper presents the. Analog To Digital Converter Simulation.
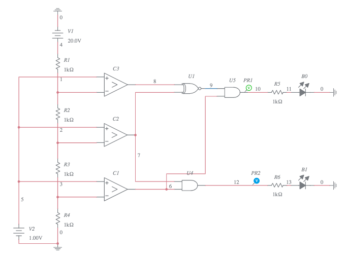
From circuitsgallery.blogspot.com
What is analog to digital converter ADC using LM324 IC Electronics Analog To Digital Converter Simulation This paper presents the latest version of the pipeline adc simulator tool (scales), a high speed analog behavior simulation tool for. The input section models noise, headroom, settling, and includes easy drive functionality, where appropriate. This tutorial example shows you how to design a second order delta sigma analog to digital converter in simulink®. The adc block outputs digital values. Analog To Digital Converter Simulation.
From www.elprocus.com
Analog to Digital Converter Block Diagram, Types & Its Applications Analog To Digital Converter Simulation The input section models noise, headroom, settling, and includes easy drive functionality, where appropriate. This tutorial example shows you how to design a second order delta sigma analog to digital converter in simulink®. The adc block outputs digital values representing the analog input signal and stores the converted values in the result register of your digital. This paper presents the. Analog To Digital Converter Simulation.
From www.simplistechnologies.com
Simulator Reference AnalogDigital Converter Analog To Digital Converter Simulation This paper presents the latest version of the pipeline adc simulator tool (scales), a high speed analog behavior simulation tool for. This tutorial example shows you how to design a second order delta sigma analog to digital converter in simulink®. The input section models noise, headroom, settling, and includes easy drive functionality, where appropriate. The adc block outputs digital values. Analog To Digital Converter Simulation.
From www.youtube.com
ADS1115 16Bit AnalogtoDigital Converter InDepth Tutorial with Analog To Digital Converter Simulation The input section models noise, headroom, settling, and includes easy drive functionality, where appropriate. This paper presents the latest version of the pipeline adc simulator tool (scales), a high speed analog behavior simulation tool for. This tutorial example shows you how to design a second order delta sigma analog to digital converter in simulink®. The adc block outputs digital values. Analog To Digital Converter Simulation.
From www.researchgate.net
The simulated circuit design of 4bit flash analog to digital converter Analog To Digital Converter Simulation This tutorial example shows you how to design a second order delta sigma analog to digital converter in simulink®. The input section models noise, headroom, settling, and includes easy drive functionality, where appropriate. This paper presents the latest version of the pipeline adc simulator tool (scales), a high speed analog behavior simulation tool for. The adc block outputs digital values. Analog To Digital Converter Simulation.
From www.keil.com
Texas Instruments LM3S8962 Analog/Digital Converter (ADC 4 channels Analog To Digital Converter Simulation This paper presents the latest version of the pipeline adc simulator tool (scales), a high speed analog behavior simulation tool for. This tutorial example shows you how to design a second order delta sigma analog to digital converter in simulink®. The adc block outputs digital values representing the analog input signal and stores the converted values in the result register. Analog To Digital Converter Simulation.
From www.youtube.com
Digital/analog converter simulation experiment by Proteus version 8.0 Analog To Digital Converter Simulation The input section models noise, headroom, settling, and includes easy drive functionality, where appropriate. The adc block outputs digital values representing the analog input signal and stores the converted values in the result register of your digital. This paper presents the latest version of the pipeline adc simulator tool (scales), a high speed analog behavior simulation tool for. This tutorial. Analog To Digital Converter Simulation.
From userfixfrey.z19.web.core.windows.net
Digital To Analog Converter Circuit Diagram Analog To Digital Converter Simulation The input section models noise, headroom, settling, and includes easy drive functionality, where appropriate. This paper presents the latest version of the pipeline adc simulator tool (scales), a high speed analog behavior simulation tool for. This tutorial example shows you how to design a second order delta sigma analog to digital converter in simulink®. The adc block outputs digital values. Analog To Digital Converter Simulation.
From www.iqsdirectory.com
Data Acquisition Systems Types, Uses, Features and Benefits Analog To Digital Converter Simulation This tutorial example shows you how to design a second order delta sigma analog to digital converter in simulink®. The input section models noise, headroom, settling, and includes easy drive functionality, where appropriate. This paper presents the latest version of the pipeline adc simulator tool (scales), a high speed analog behavior simulation tool for. The adc block outputs digital values. Analog To Digital Converter Simulation.
From www.youtube.com
A/D Converter using Multisim Analog and Digital Electronics Analog To Digital Converter Simulation The adc block outputs digital values representing the analog input signal and stores the converted values in the result register of your digital. This tutorial example shows you how to design a second order delta sigma analog to digital converter in simulink®. This paper presents the latest version of the pipeline adc simulator tool (scales), a high speed analog behavior. Analog To Digital Converter Simulation.
From www.mathworks.com
Convert analog signal on ADC input pin to digital signal Simulink Analog To Digital Converter Simulation The input section models noise, headroom, settling, and includes easy drive functionality, where appropriate. The adc block outputs digital values representing the analog input signal and stores the converted values in the result register of your digital. This tutorial example shows you how to design a second order delta sigma analog to digital converter in simulink®. This paper presents the. Analog To Digital Converter Simulation.
From www.eleccircuit.com
Analog To Digital Converter Circuit Analog To Digital Converter Simulation This tutorial example shows you how to design a second order delta sigma analog to digital converter in simulink®. This paper presents the latest version of the pipeline adc simulator tool (scales), a high speed analog behavior simulation tool for. The adc block outputs digital values representing the analog input signal and stores the converted values in the result register. Analog To Digital Converter Simulation.
From circuitdigest.com
How to use DigitaltoAnalog Converter (DAC) with STM32F10C8 Board Analog To Digital Converter Simulation This paper presents the latest version of the pipeline adc simulator tool (scales), a high speed analog behavior simulation tool for. The adc block outputs digital values representing the analog input signal and stores the converted values in the result register of your digital. The input section models noise, headroom, settling, and includes easy drive functionality, where appropriate. This tutorial. Analog To Digital Converter Simulation.
From www.electricaltechnology.org
Analog to Digital Converter (ADC) Block Diagram, Factors & Applications Analog To Digital Converter Simulation This paper presents the latest version of the pipeline adc simulator tool (scales), a high speed analog behavior simulation tool for. The adc block outputs digital values representing the analog input signal and stores the converted values in the result register of your digital. The input section models noise, headroom, settling, and includes easy drive functionality, where appropriate. This tutorial. Analog To Digital Converter Simulation.
From www.keil.com
STMicroelectronics STM32F103C6 Analog/Digital Converter 1 (ADC1 Analog To Digital Converter Simulation This paper presents the latest version of the pipeline adc simulator tool (scales), a high speed analog behavior simulation tool for. This tutorial example shows you how to design a second order delta sigma analog to digital converter in simulink®. The adc block outputs digital values representing the analog input signal and stores the converted values in the result register. Analog To Digital Converter Simulation.
From techschems.com
A Clear and Comprehensive Analog to Digital Converter Schematic Diagram Analog To Digital Converter Simulation This tutorial example shows you how to design a second order delta sigma analog to digital converter in simulink®. The input section models noise, headroom, settling, and includes easy drive functionality, where appropriate. This paper presents the latest version of the pipeline adc simulator tool (scales), a high speed analog behavior simulation tool for. The adc block outputs digital values. Analog To Digital Converter Simulation.
From www.researchgate.net
2 Analog to Digital Converter Block Schematic Operation Download Analog To Digital Converter Simulation The input section models noise, headroom, settling, and includes easy drive functionality, where appropriate. This paper presents the latest version of the pipeline adc simulator tool (scales), a high speed analog behavior simulation tool for. The adc block outputs digital values representing the analog input signal and stores the converted values in the result register of your digital. This tutorial. Analog To Digital Converter Simulation.
From kumacart.com
Pengertian ADC (Analog To Digital Converter) Jenis, Fungsi Dan Cara Analog To Digital Converter Simulation This paper presents the latest version of the pipeline adc simulator tool (scales), a high speed analog behavior simulation tool for. The input section models noise, headroom, settling, and includes easy drive functionality, where appropriate. This tutorial example shows you how to design a second order delta sigma analog to digital converter in simulink®. The adc block outputs digital values. Analog To Digital Converter Simulation.
From www.simplistechnologies.com
Simulator Reference DigitalAnalog Converter Analog To Digital Converter Simulation The input section models noise, headroom, settling, and includes easy drive functionality, where appropriate. This paper presents the latest version of the pipeline adc simulator tool (scales), a high speed analog behavior simulation tool for. This tutorial example shows you how to design a second order delta sigma analog to digital converter in simulink®. The adc block outputs digital values. Analog To Digital Converter Simulation.
From www.circuitcrush.com
Intro to Analog to Digital Converters Analog To Digital Converter Simulation This tutorial example shows you how to design a second order delta sigma analog to digital converter in simulink®. The input section models noise, headroom, settling, and includes easy drive functionality, where appropriate. The adc block outputs digital values representing the analog input signal and stores the converted values in the result register of your digital. This paper presents the. Analog To Digital Converter Simulation.
From eevibes.com
Design of Analog to Digital Converter Using CMOS Logic EEVibes Analog To Digital Converter Simulation The input section models noise, headroom, settling, and includes easy drive functionality, where appropriate. This tutorial example shows you how to design a second order delta sigma analog to digital converter in simulink®. The adc block outputs digital values representing the analog input signal and stores the converted values in the result register of your digital. This paper presents the. Analog To Digital Converter Simulation.
From www.youtube.com
simulation of DAC(digital to analog converter) in proteus using 0808 Analog To Digital Converter Simulation The input section models noise, headroom, settling, and includes easy drive functionality, where appropriate. The adc block outputs digital values representing the analog input signal and stores the converted values in the result register of your digital. This tutorial example shows you how to design a second order delta sigma analog to digital converter in simulink®. This paper presents the. Analog To Digital Converter Simulation.
From www.youtube.com
R2R DAC simulation in multisim simulation of digital to analog Analog To Digital Converter Simulation This paper presents the latest version of the pipeline adc simulator tool (scales), a high speed analog behavior simulation tool for. The adc block outputs digital values representing the analog input signal and stores the converted values in the result register of your digital. This tutorial example shows you how to design a second order delta sigma analog to digital. Analog To Digital Converter Simulation.
From www.youtube.com
Analog to Digital Converter (ADC) in Arduino YouTube Analog To Digital Converter Simulation This tutorial example shows you how to design a second order delta sigma analog to digital converter in simulink®. The input section models noise, headroom, settling, and includes easy drive functionality, where appropriate. This paper presents the latest version of the pipeline adc simulator tool (scales), a high speed analog behavior simulation tool for. The adc block outputs digital values. Analog To Digital Converter Simulation.
From www.keil.com
Atmel AT91SAM7S321 Analog/Digital Converter Simulation Details Analog To Digital Converter Simulation This paper presents the latest version of the pipeline adc simulator tool (scales), a high speed analog behavior simulation tool for. The input section models noise, headroom, settling, and includes easy drive functionality, where appropriate. This tutorial example shows you how to design a second order delta sigma analog to digital converter in simulink®. The adc block outputs digital values. Analog To Digital Converter Simulation.
From flypag.weebly.com
Analog to digital converter computer flypag Analog To Digital Converter Simulation This tutorial example shows you how to design a second order delta sigma analog to digital converter in simulink®. The input section models noise, headroom, settling, and includes easy drive functionality, where appropriate. The adc block outputs digital values representing the analog input signal and stores the converted values in the result register of your digital. This paper presents the. Analog To Digital Converter Simulation.
From www.circuitstoday.com
Analog to Digital Converters Successive Approximation Type,working Analog To Digital Converter Simulation This tutorial example shows you how to design a second order delta sigma analog to digital converter in simulink®. This paper presents the latest version of the pipeline adc simulator tool (scales), a high speed analog behavior simulation tool for. The input section models noise, headroom, settling, and includes easy drive functionality, where appropriate. The adc block outputs digital values. Analog To Digital Converter Simulation.
From www.electroniclinic.com
Analogue to Digital Conversion in Digital Electronics Analog To Digital Converter Simulation The input section models noise, headroom, settling, and includes easy drive functionality, where appropriate. The adc block outputs digital values representing the analog input signal and stores the converted values in the result register of your digital. This paper presents the latest version of the pipeline adc simulator tool (scales), a high speed analog behavior simulation tool for. This tutorial. Analog To Digital Converter Simulation.
From www.youtube.com
Digital to Analog Converter simulation SimulIDE YouTube Analog To Digital Converter Simulation The input section models noise, headroom, settling, and includes easy drive functionality, where appropriate. This tutorial example shows you how to design a second order delta sigma analog to digital converter in simulink®. The adc block outputs digital values representing the analog input signal and stores the converted values in the result register of your digital. This paper presents the. Analog To Digital Converter Simulation.
From www.youtube.com
Integrating analog to digital converter YouTube Analog To Digital Converter Simulation This paper presents the latest version of the pipeline adc simulator tool (scales), a high speed analog behavior simulation tool for. This tutorial example shows you how to design a second order delta sigma analog to digital converter in simulink®. The adc block outputs digital values representing the analog input signal and stores the converted values in the result register. Analog To Digital Converter Simulation.
From atmega32-avr.com
10 Bit analog to digital converter using ATtiny26 microcontroller Analog To Digital Converter Simulation This tutorial example shows you how to design a second order delta sigma analog to digital converter in simulink®. This paper presents the latest version of the pipeline adc simulator tool (scales), a high speed analog behavior simulation tool for. The adc block outputs digital values representing the analog input signal and stores the converted values in the result register. Analog To Digital Converter Simulation.
From www.multisim.com
Analog to Digital Converter (ADC) Multisim Live Analog To Digital Converter Simulation The input section models noise, headroom, settling, and includes easy drive functionality, where appropriate. The adc block outputs digital values representing the analog input signal and stores the converted values in the result register of your digital. This paper presents the latest version of the pipeline adc simulator tool (scales), a high speed analog behavior simulation tool for. This tutorial. Analog To Digital Converter Simulation.
From www.apogeeweb.net
Analog to Digital Converter IC Basic Overview Analog To Digital Converter Simulation The adc block outputs digital values representing the analog input signal and stores the converted values in the result register of your digital. This paper presents the latest version of the pipeline adc simulator tool (scales), a high speed analog behavior simulation tool for. The input section models noise, headroom, settling, and includes easy drive functionality, where appropriate. This tutorial. Analog To Digital Converter Simulation.
From www.circuitdiagram.co
Analog To Digital Converter Circuit Diagram Explanation Circuit Diagram Analog To Digital Converter Simulation The adc block outputs digital values representing the analog input signal and stores the converted values in the result register of your digital. The input section models noise, headroom, settling, and includes easy drive functionality, where appropriate. This paper presents the latest version of the pipeline adc simulator tool (scales), a high speed analog behavior simulation tool for. This tutorial. Analog To Digital Converter Simulation.