How Do Incremental Encoders Work . Learn what an incremental encoder is and how it works to measure distance, speed, and angle. How does an incremental encoder work? Find out the specifications, components and applications of incremental. The output can be a single line of pulses (an “a”. Compare rotary and linear types of incremental. An incremental encoder provides a specified amount of pulses in one rotation of the encoder. Learn how incremental encoders measure changes in motion and direction using a/b digital output signals. What are incremental encoders and how do they work? Learn how absolute and incremental encoders work, their advantages and disadvantages, and their applications in various industries. An incremental encoder provides information about the position of a shaft relative to its starting point by.
from www.encoder.com
An incremental encoder provides information about the position of a shaft relative to its starting point by. Compare rotary and linear types of incremental. Learn what an incremental encoder is and how it works to measure distance, speed, and angle. Learn how incremental encoders measure changes in motion and direction using a/b digital output signals. The output can be a single line of pulses (an “a”. Learn how absolute and incremental encoders work, their advantages and disadvantages, and their applications in various industries. How does an incremental encoder work? Find out the specifications, components and applications of incremental. An incremental encoder provides a specified amount of pulses in one rotation of the encoder. What are incremental encoders and how do they work?
Encoder The Ultimate Guide What is an Encoder, Uses & More EPC
How Do Incremental Encoders Work An incremental encoder provides information about the position of a shaft relative to its starting point by. An incremental encoder provides a specified amount of pulses in one rotation of the encoder. Learn how incremental encoders measure changes in motion and direction using a/b digital output signals. What are incremental encoders and how do they work? The output can be a single line of pulses (an “a”. Learn how absolute and incremental encoders work, their advantages and disadvantages, and their applications in various industries. Learn what an incremental encoder is and how it works to measure distance, speed, and angle. Compare rotary and linear types of incremental. An incremental encoder provides information about the position of a shaft relative to its starting point by. Find out the specifications, components and applications of incremental. How does an incremental encoder work?
From www.hackster.io
How to Use Incremental Encoders Hackster.io How Do Incremental Encoders Work What are incremental encoders and how do they work? How does an incremental encoder work? Find out the specifications, components and applications of incremental. Compare rotary and linear types of incremental. Learn how absolute and incremental encoders work, their advantages and disadvantages, and their applications in various industries. Learn what an incremental encoder is and how it works to measure. How Do Incremental Encoders Work.
From mechpartmaster.com
What is an incremental encoder and how does it work? PartMaster How Do Incremental Encoders Work How does an incremental encoder work? Learn how incremental encoders measure changes in motion and direction using a/b digital output signals. An incremental encoder provides a specified amount of pulses in one rotation of the encoder. Learn how absolute and incremental encoders work, their advantages and disadvantages, and their applications in various industries. The output can be a single line. How Do Incremental Encoders Work.
From www.youtube.com
What is the Difference between Absolute and Incremental Encoders? YouTube How Do Incremental Encoders Work What are incremental encoders and how do they work? The output can be a single line of pulses (an “a”. Learn how incremental encoders measure changes in motion and direction using a/b digital output signals. Find out the specifications, components and applications of incremental. How does an incremental encoder work? An incremental encoder provides information about the position of a. How Do Incremental Encoders Work.
From www.servomotorsadjust.com
Absolute encoder vs Incremental encoder Encoder types How Do Incremental Encoders Work Find out the specifications, components and applications of incremental. An incremental encoder provides information about the position of a shaft relative to its starting point by. The output can be a single line of pulses (an “a”. Learn what an incremental encoder is and how it works to measure distance, speed, and angle. How does an incremental encoder work? Compare. How Do Incremental Encoders Work.
From eltra-trade.com
Encoder Working Principle How encoders work ELTRA TRADE How Do Incremental Encoders Work An incremental encoder provides information about the position of a shaft relative to its starting point by. Find out the specifications, components and applications of incremental. How does an incremental encoder work? Learn what an incremental encoder is and how it works to measure distance, speed, and angle. The output can be a single line of pulses (an “a”. What. How Do Incremental Encoders Work.
From www.youtube.com
Rotary Encoder Incremental rotary Encoder How to use it with Arduino How Do Incremental Encoders Work An incremental encoder provides a specified amount of pulses in one rotation of the encoder. How does an incremental encoder work? Learn how absolute and incremental encoders work, their advantages and disadvantages, and their applications in various industries. Learn how incremental encoders measure changes in motion and direction using a/b digital output signals. Learn what an incremental encoder is and. How Do Incremental Encoders Work.
From www.thegeekpub.com
How Rotary Encoders Work Electronics Basics The Geek Pub How Do Incremental Encoders Work Learn how incremental encoders measure changes in motion and direction using a/b digital output signals. How does an incremental encoder work? The output can be a single line of pulses (an “a”. An incremental encoder provides a specified amount of pulses in one rotation of the encoder. Compare rotary and linear types of incremental. Learn how absolute and incremental encoders. How Do Incremental Encoders Work.
From control.com
A Look Into Rotary Encoder Types Absolute and Incremental Technical How Do Incremental Encoders Work Learn how incremental encoders measure changes in motion and direction using a/b digital output signals. Learn how absolute and incremental encoders work, their advantages and disadvantages, and their applications in various industries. An incremental encoder provides a specified amount of pulses in one rotation of the encoder. Find out the specifications, components and applications of incremental. How does an incremental. How Do Incremental Encoders Work.
From www.instructables.com
How Rotary Encoder Works With Arduino! 6 Steps (with Pictures) How Do Incremental Encoders Work An incremental encoder provides a specified amount of pulses in one rotation of the encoder. Learn how absolute and incremental encoders work, their advantages and disadvantages, and their applications in various industries. Find out the specifications, components and applications of incremental. How does an incremental encoder work? Learn how incremental encoders measure changes in motion and direction using a/b digital. How Do Incremental Encoders Work.
From okplazas.com
How does an incremental encoder work? How Do Incremental Encoders Work Learn how absolute and incremental encoders work, their advantages and disadvantages, and their applications in various industries. An incremental encoder provides a specified amount of pulses in one rotation of the encoder. Learn what an incremental encoder is and how it works to measure distance, speed, and angle. Compare rotary and linear types of incremental. The output can be a. How Do Incremental Encoders Work.
From servoservice.ir
Incremental Encoder How Do Incremental Encoders Work An incremental encoder provides a specified amount of pulses in one rotation of the encoder. The output can be a single line of pulses (an “a”. What are incremental encoders and how do they work? An incremental encoder provides information about the position of a shaft relative to its starting point by. How does an incremental encoder work? Find out. How Do Incremental Encoders Work.
From www.encoder.com
What Is An Optical Encoder? Everything About Optical Encoders How Do Incremental Encoders Work Learn how incremental encoders measure changes in motion and direction using a/b digital output signals. Compare rotary and linear types of incremental. What are incremental encoders and how do they work? An incremental encoder provides a specified amount of pulses in one rotation of the encoder. Find out the specifications, components and applications of incremental. The output can be a. How Do Incremental Encoders Work.
From instrumentationblog.com
What are Encoders? Incremental vs Absolute Encoder How Do Incremental Encoders Work Compare rotary and linear types of incremental. An incremental encoder provides a specified amount of pulses in one rotation of the encoder. Find out the specifications, components and applications of incremental. How does an incremental encoder work? The output can be a single line of pulses (an “a”. Learn how incremental encoders measure changes in motion and direction using a/b. How Do Incremental Encoders Work.
From www.slideserve.com
PPT Encoders and Sensors PowerPoint Presentation, free download ID How Do Incremental Encoders Work Learn how absolute and incremental encoders work, their advantages and disadvantages, and their applications in various industries. An incremental encoder provides information about the position of a shaft relative to its starting point by. Learn how incremental encoders measure changes in motion and direction using a/b digital output signals. Compare rotary and linear types of incremental. What are incremental encoders. How Do Incremental Encoders Work.
From www.encoder.com
Encoder The Ultimate Guide What is an Encoder, Uses & More EPC How Do Incremental Encoders Work Learn how incremental encoders measure changes in motion and direction using a/b digital output signals. An incremental encoder provides information about the position of a shaft relative to its starting point by. What are incremental encoders and how do they work? Learn what an incremental encoder is and how it works to measure distance, speed, and angle. The output can. How Do Incremental Encoders Work.
From www.quantumdev.com
High resolution incremental encoders Quantum Devices How Do Incremental Encoders Work Learn how absolute and incremental encoders work, their advantages and disadvantages, and their applications in various industries. An incremental encoder provides a specified amount of pulses in one rotation of the encoder. Learn what an incremental encoder is and how it works to measure distance, speed, and angle. An incremental encoder provides information about the position of a shaft relative. How Do Incremental Encoders Work.
From jealouscomputers.com
What Is an Encoder and How Does It Work? (100 Working) How Do Incremental Encoders Work How does an incremental encoder work? What are incremental encoders and how do they work? Learn what an incremental encoder is and how it works to measure distance, speed, and angle. Compare rotary and linear types of incremental. Find out the specifications, components and applications of incremental. Learn how incremental encoders measure changes in motion and direction using a/b digital. How Do Incremental Encoders Work.
From www.akm.com
04 Principle and advantages of optical encoder Tutorials Rotation How Do Incremental Encoders Work An incremental encoder provides a specified amount of pulses in one rotation of the encoder. What are incremental encoders and how do they work? Find out the specifications, components and applications of incremental. Learn how absolute and incremental encoders work, their advantages and disadvantages, and their applications in various industries. Compare rotary and linear types of incremental. Learn what an. How Do Incremental Encoders Work.
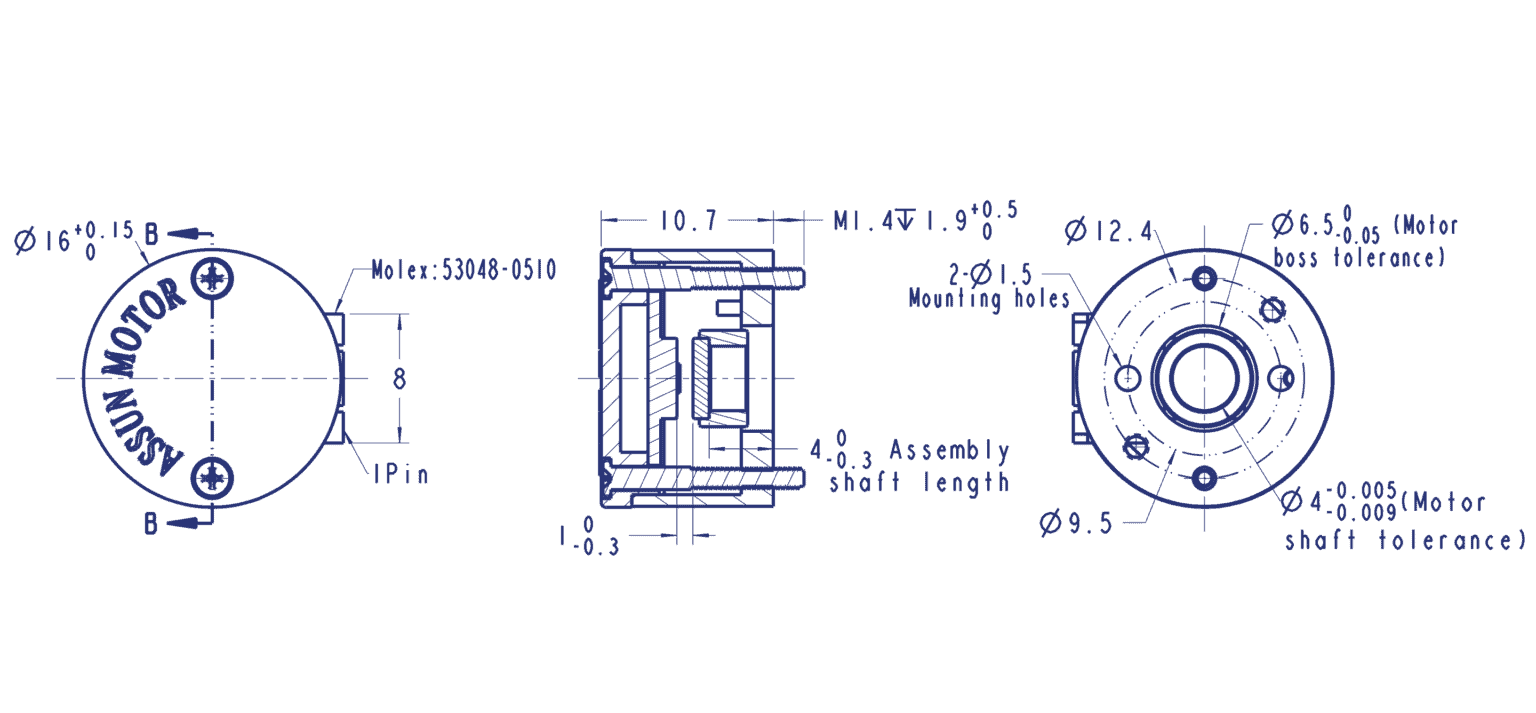
From assunmotor.com
What is an Incremental Encoder and How Does it Work? How Do Incremental Encoders Work Learn how absolute and incremental encoders work, their advantages and disadvantages, and their applications in various industries. Learn how incremental encoders measure changes in motion and direction using a/b digital output signals. Compare rotary and linear types of incremental. The output can be a single line of pulses (an “a”. How does an incremental encoder work? Learn what an incremental. How Do Incremental Encoders Work.
From www.nesabamedia.com
Apa itu Encoder? Mengenal Pengertian Encoder How Do Incremental Encoders Work The output can be a single line of pulses (an “a”. An incremental encoder provides a specified amount of pulses in one rotation of the encoder. Learn how incremental encoders measure changes in motion and direction using a/b digital output signals. Find out the specifications, components and applications of incremental. Compare rotary and linear types of incremental. Learn what an. How Do Incremental Encoders Work.
From www.hackster.io
How to Use Incremental Encoders Hackster.io How Do Incremental Encoders Work An incremental encoder provides information about the position of a shaft relative to its starting point by. What are incremental encoders and how do they work? The output can be a single line of pulses (an “a”. Learn how incremental encoders measure changes in motion and direction using a/b digital output signals. An incremental encoder provides a specified amount of. How Do Incremental Encoders Work.
From www.youtube.com
How a Rotary Incremental Encoder Works. Direction and Position. YouTube How Do Incremental Encoders Work How does an incremental encoder work? Compare rotary and linear types of incremental. What are incremental encoders and how do they work? Find out the specifications, components and applications of incremental. The output can be a single line of pulses (an “a”. Learn how incremental encoders measure changes in motion and direction using a/b digital output signals. An incremental encoder. How Do Incremental Encoders Work.
From okplazas.com
How does an incremental encoder work? How Do Incremental Encoders Work Learn how incremental encoders measure changes in motion and direction using a/b digital output signals. How does an incremental encoder work? Learn what an incremental encoder is and how it works to measure distance, speed, and angle. Learn how absolute and incremental encoders work, their advantages and disadvantages, and their applications in various industries. The output can be a single. How Do Incremental Encoders Work.
From www.youtube.com
COMO FUNCIONA O ENCODER INCREMENTAL? YouTube How Do Incremental Encoders Work Learn how absolute and incremental encoders work, their advantages and disadvantages, and their applications in various industries. An incremental encoder provides a specified amount of pulses in one rotation of the encoder. An incremental encoder provides information about the position of a shaft relative to its starting point by. Find out the specifications, components and applications of incremental. What are. How Do Incremental Encoders Work.
From www.usdigital.com
Difference incremental vs absolute encoders US Digital How Do Incremental Encoders Work An incremental encoder provides a specified amount of pulses in one rotation of the encoder. The output can be a single line of pulses (an “a”. What are incremental encoders and how do they work? How does an incremental encoder work? Compare rotary and linear types of incremental. Learn what an incremental encoder is and how it works to measure. How Do Incremental Encoders Work.
From ceytyobp.blob.core.windows.net
How Does An Incremental Encoder Work at Kenny Croll blog How Do Incremental Encoders Work Compare rotary and linear types of incremental. An incremental encoder provides information about the position of a shaft relative to its starting point by. What are incremental encoders and how do they work? An incremental encoder provides a specified amount of pulses in one rotation of the encoder. Find out the specifications, components and applications of incremental. Learn what an. How Do Incremental Encoders Work.
From www.futek.com
Incremental Encoder Signal Converter FUTEK How Do Incremental Encoders Work What are incremental encoders and how do they work? An incremental encoder provides information about the position of a shaft relative to its starting point by. How does an incremental encoder work? Learn how incremental encoders measure changes in motion and direction using a/b digital output signals. Find out the specifications, components and applications of incremental. The output can be. How Do Incremental Encoders Work.
From www.thegeekpub.com
How Rotary Encoders Work Electronics Basics The Geek Pub How Do Incremental Encoders Work The output can be a single line of pulses (an “a”. Learn what an incremental encoder is and how it works to measure distance, speed, and angle. Learn how absolute and incremental encoders work, their advantages and disadvantages, and their applications in various industries. Learn how incremental encoders measure changes in motion and direction using a/b digital output signals. Find. How Do Incremental Encoders Work.
From assunmotor.com
What is an Incremental Encoder and How Does it Work? How Do Incremental Encoders Work How does an incremental encoder work? Compare rotary and linear types of incremental. An incremental encoder provides a specified amount of pulses in one rotation of the encoder. Find out the specifications, components and applications of incremental. Learn how incremental encoders measure changes in motion and direction using a/b digital output signals. An incremental encoder provides information about the position. How Do Incremental Encoders Work.
From www.youtube.com
Encoder Working Principle YouTube How Do Incremental Encoders Work An incremental encoder provides a specified amount of pulses in one rotation of the encoder. Learn how incremental encoders measure changes in motion and direction using a/b digital output signals. How does an incremental encoder work? An incremental encoder provides information about the position of a shaft relative to its starting point by. The output can be a single line. How Do Incremental Encoders Work.
From www.akm.com
03 Incremental type and absolute type Tutorials Rotation Angle How Do Incremental Encoders Work Compare rotary and linear types of incremental. The output can be a single line of pulses (an “a”. Learn how absolute and incremental encoders work, their advantages and disadvantages, and their applications in various industries. Learn what an incremental encoder is and how it works to measure distance, speed, and angle. An incremental encoder provides information about the position of. How Do Incremental Encoders Work.
From www.youtube.com
Electrical Encoders How encoder works? Encoder Working principle 3d How Do Incremental Encoders Work Learn how incremental encoders measure changes in motion and direction using a/b digital output signals. Learn what an incremental encoder is and how it works to measure distance, speed, and angle. An incremental encoder provides information about the position of a shaft relative to its starting point by. Learn how absolute and incremental encoders work, their advantages and disadvantages, and. How Do Incremental Encoders Work.
From www.youtube.com
Incremental encoders, how do they work, understanding the A and B How Do Incremental Encoders Work What are incremental encoders and how do they work? Learn how incremental encoders measure changes in motion and direction using a/b digital output signals. An incremental encoder provides information about the position of a shaft relative to its starting point by. The output can be a single line of pulses (an “a”. How does an incremental encoder work? An incremental. How Do Incremental Encoders Work.
From www.nidec-avtronencoders.com
Complete Guide to Incremental Rotary Encoders Nidec How Do Incremental Encoders Work The output can be a single line of pulses (an “a”. Find out the specifications, components and applications of incremental. Compare rotary and linear types of incremental. An incremental encoder provides a specified amount of pulses in one rotation of the encoder. Learn how absolute and incremental encoders work, their advantages and disadvantages, and their applications in various industries. An. How Do Incremental Encoders Work.
From www.youtube.com
Incremental Encoder (Shaft Encoder) how it works YouTube How Do Incremental Encoders Work Learn what an incremental encoder is and how it works to measure distance, speed, and angle. Learn how incremental encoders measure changes in motion and direction using a/b digital output signals. An incremental encoder provides information about the position of a shaft relative to its starting point by. An incremental encoder provides a specified amount of pulses in one rotation. How Do Incremental Encoders Work.