Steering Wheel Valve . The key to the rotary valve is. The oil works as a piston. the power steering control valve diagram is a visual representation of the components and connections that make up the power. the device that senses the force on the steering wheel is called the rotary valve. This videos by using the animation aids shows. 21k views 2 years ago. as you turn the steering wheel, the power steering control valve directs the fluid to where it should go. Applications with quick steering and auto. it is a small valve built in to the steering unit that allows the steering unit to act as a small hand operated pump (by turning the. the valves in the steering rack or box gets opened whenever the driver turns the wheel which allows the oil to enter into the cylinder.
from valvechatter.com
This videos by using the animation aids shows. the device that senses the force on the steering wheel is called the rotary valve. the valves in the steering rack or box gets opened whenever the driver turns the wheel which allows the oil to enter into the cylinder. it is a small valve built in to the steering unit that allows the steering unit to act as a small hand operated pump (by turning the. as you turn the steering wheel, the power steering control valve directs the fluid to where it should go. The oil works as a piston. the power steering control valve diagram is a visual representation of the components and connections that make up the power. Applications with quick steering and auto. The key to the rotary valve is. 21k views 2 years ago.
Steering Wheel Valve Chatter
Steering Wheel Valve as you turn the steering wheel, the power steering control valve directs the fluid to where it should go. The oil works as a piston. the power steering control valve diagram is a visual representation of the components and connections that make up the power. the valves in the steering rack or box gets opened whenever the driver turns the wheel which allows the oil to enter into the cylinder. Applications with quick steering and auto. as you turn the steering wheel, the power steering control valve directs the fluid to where it should go. it is a small valve built in to the steering unit that allows the steering unit to act as a small hand operated pump (by turning the. 21k views 2 years ago. The key to the rotary valve is. This videos by using the animation aids shows. the device that senses the force on the steering wheel is called the rotary valve.
From www.cpcoffroad.com
9.76CI160ML Orbital Steering Control Valve Hydraulic Steering CPC Steering Wheel Valve 21k views 2 years ago. as you turn the steering wheel, the power steering control valve directs the fluid to where it should go. Applications with quick steering and auto. the power steering control valve diagram is a visual representation of the components and connections that make up the power. the valves in the steering rack. Steering Wheel Valve.
From 777parts.net
STEERING DEAMAND VALVE (FOR ORBITROL STEERING) Wheel Loader Komatsu Steering Wheel Valve 21k views 2 years ago. the power steering control valve diagram is a visual representation of the components and connections that make up the power. the valves in the steering rack or box gets opened whenever the driver turns the wheel which allows the oil to enter into the cylinder. the device that senses the force. Steering Wheel Valve.
From valvechatter.com
Steering Wheel Valve Chatter Steering Wheel Valve The oil works as a piston. as you turn the steering wheel, the power steering control valve directs the fluid to where it should go. Applications with quick steering and auto. the device that senses the force on the steering wheel is called the rotary valve. it is a small valve built in to the steering unit. Steering Wheel Valve.
From 777parts.net
STEERING WHEEL, VALVE AND CYLINDER (4WD) UTILITY VEHICLE John Deere Steering Wheel Valve Applications with quick steering and auto. it is a small valve built in to the steering unit that allows the steering unit to act as a small hand operated pump (by turning the. the power steering control valve diagram is a visual representation of the components and connections that make up the power. the valves in the. Steering Wheel Valve.
From www.dreamstime.com
Detail of a Manual Valve with Black Steering Wheel Stock Photo Image Steering Wheel Valve the power steering control valve diagram is a visual representation of the components and connections that make up the power. The oil works as a piston. Applications with quick steering and auto. as you turn the steering wheel, the power steering control valve directs the fluid to where it should go. The key to the rotary valve is.. Steering Wheel Valve.
From www.mercedespartz.com
W115 W116 W123 W124 W126 W201 W202 Steering wheel steering lock valve Steering Wheel Valve The oil works as a piston. Applications with quick steering and auto. the power steering control valve diagram is a visual representation of the components and connections that make up the power. This videos by using the animation aids shows. the device that senses the force on the steering wheel is called the rotary valve. as you. Steering Wheel Valve.
From spare.avspart.com
482C FORKLIFT Steering Valve, Steering Wheel and Steering Column EPC Steering Wheel Valve This videos by using the animation aids shows. as you turn the steering wheel, the power steering control valve directs the fluid to where it should go. The key to the rotary valve is. the device that senses the force on the steering wheel is called the rotary valve. Applications with quick steering and auto. the valves. Steering Wheel Valve.
From hydraulicsteeringunlimited.com
Hydraulic Steering Valves, Orbital Steering Controls Steering Wheel Valve Applications with quick steering and auto. The key to the rotary valve is. 21k views 2 years ago. as you turn the steering wheel, the power steering control valve directs the fluid to where it should go. This videos by using the animation aids shows. The oil works as a piston. it is a small valve built. Steering Wheel Valve.
From www.dreamstime.com
Detail of a Manual Valve with Green Steering Wheel Stock Photo Image Steering Wheel Valve the power steering control valve diagram is a visual representation of the components and connections that make up the power. The key to the rotary valve is. the valves in the steering rack or box gets opened whenever the driver turns the wheel which allows the oil to enter into the cylinder. as you turn the steering. Steering Wheel Valve.
From spare.avspart.com
1400 AXLE Steering Valve, Steering Wheel and Steering Column EPC John Steering Wheel Valve The oil works as a piston. 21k views 2 years ago. it is a small valve built in to the steering unit that allows the steering unit to act as a small hand operated pump (by turning the. as you turn the steering wheel, the power steering control valve directs the fluid to where it should go.. Steering Wheel Valve.
From www.planteh.si
PPR Steering wheel cutting valve Steering Wheel Valve the valves in the steering rack or box gets opened whenever the driver turns the wheel which allows the oil to enter into the cylinder. 21k views 2 years ago. Applications with quick steering and auto. it is a small valve built in to the steering unit that allows the steering unit to act as a small. Steering Wheel Valve.
From www.alamy.com
OLD STEERING WHEEL VALVE Stock Photo Alamy Steering Wheel Valve Applications with quick steering and auto. as you turn the steering wheel, the power steering control valve directs the fluid to where it should go. The key to the rotary valve is. the valves in the steering rack or box gets opened whenever the driver turns the wheel which allows the oil to enter into the cylinder. The. Steering Wheel Valve.
From www.bootheeltractorparts.com
John Deere Steering Valve for John Deere Steering Wheel Valve the valves in the steering rack or box gets opened whenever the driver turns the wheel which allows the oil to enter into the cylinder. This videos by using the animation aids shows. the power steering control valve diagram is a visual representation of the components and connections that make up the power. 21k views 2 years. Steering Wheel Valve.
From www.weingartz.com
ARIMain WEINGARTZ Steering Wheel Valve the power steering control valve diagram is a visual representation of the components and connections that make up the power. The key to the rotary valve is. the valves in the steering rack or box gets opened whenever the driver turns the wheel which allows the oil to enter into the cylinder. 21k views 2 years ago.. Steering Wheel Valve.
From www.bootheeltractorparts.com
John Deere Steering Valve for 2510,2520,3010,3020,4010,4020,4230,4320 Steering Wheel Valve the device that senses the force on the steering wheel is called the rotary valve. The key to the rotary valve is. the valves in the steering rack or box gets opened whenever the driver turns the wheel which allows the oil to enter into the cylinder. as you turn the steering wheel, the power steering control. Steering Wheel Valve.
From valvechatter.com
Steering Wheel Valve Chatter Steering Wheel Valve the valves in the steering rack or box gets opened whenever the driver turns the wheel which allows the oil to enter into the cylinder. the power steering control valve diagram is a visual representation of the components and connections that make up the power. the device that senses the force on the steering wheel is called. Steering Wheel Valve.
From www.weingartz.com
ARIMain WEINGARTZ Steering Wheel Valve This videos by using the animation aids shows. the device that senses the force on the steering wheel is called the rotary valve. The oil works as a piston. the valves in the steering rack or box gets opened whenever the driver turns the wheel which allows the oil to enter into the cylinder. 21k views 2. Steering Wheel Valve.
From www.midweststeering.com
RS91125A Rock Crawler Hydraulic Steering Valve 7.56 CID & NLR 8 or 3 Steering Wheel Valve the device that senses the force on the steering wheel is called the rotary valve. the power steering control valve diagram is a visual representation of the components and connections that make up the power. The oil works as a piston. as you turn the steering wheel, the power steering control valve directs the fluid to where. Steering Wheel Valve.
From pxhere.com
Free Images steam, red, vehicle, equipment, industrial, factory Steering Wheel Valve The key to the rotary valve is. The oil works as a piston. Applications with quick steering and auto. This videos by using the animation aids shows. it is a small valve built in to the steering unit that allows the steering unit to act as a small hand operated pump (by turning the. the power steering control. Steering Wheel Valve.
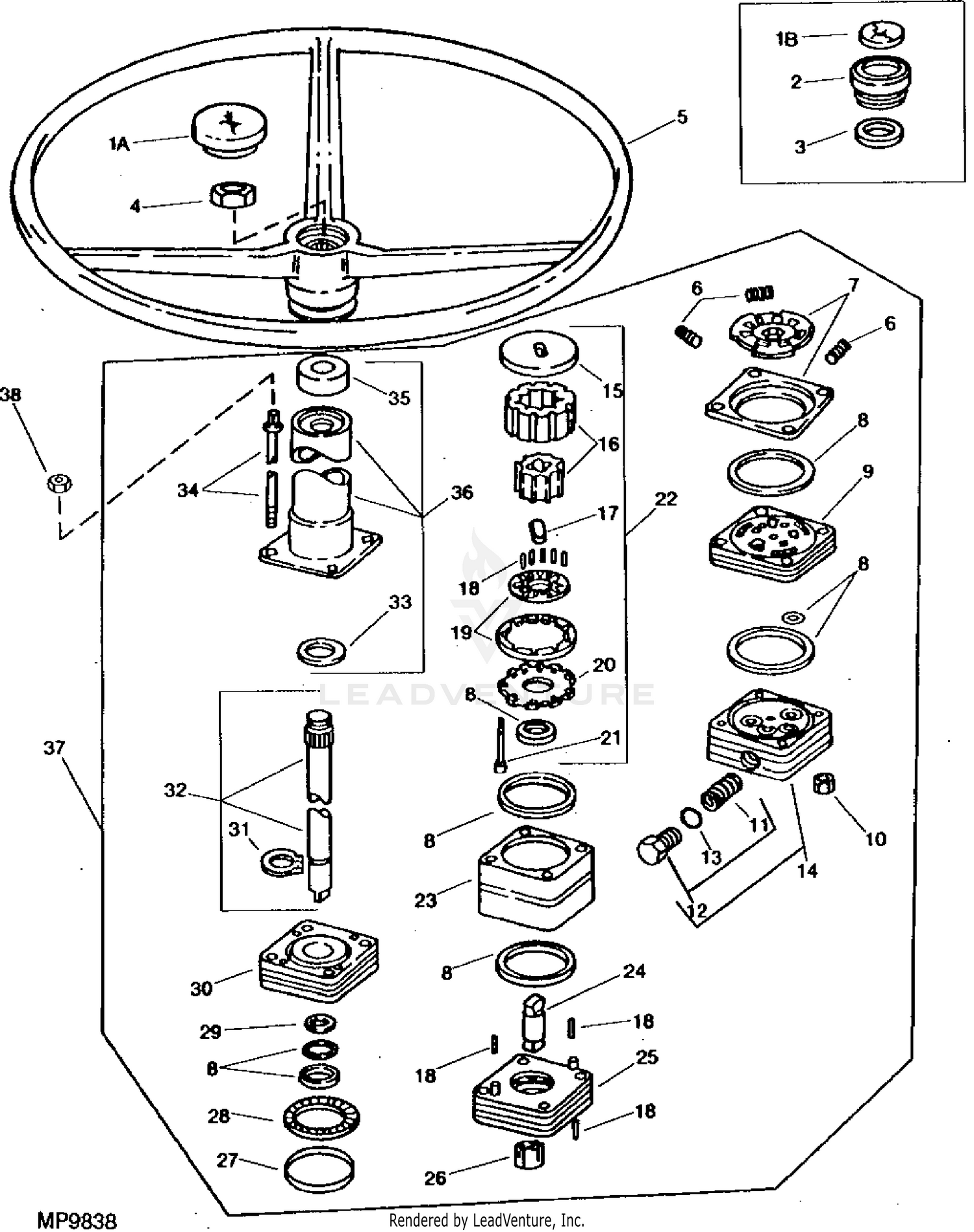
From 777parts.net
POWER STEERING CONTROL VALVE AND STEERING WHEEL (SN XXXXXX ) [2 Steering Wheel Valve 21k views 2 years ago. it is a small valve built in to the steering unit that allows the steering unit to act as a small hand operated pump (by turning the. The key to the rotary valve is. the valves in the steering rack or box gets opened whenever the driver turns the wheel which allows. Steering Wheel Valve.
From 777parts.net
STEERING WHEEL, VALVE AND CYLINDER (2WD) UTILITY VEHICLE John Deere Steering Wheel Valve it is a small valve built in to the steering unit that allows the steering unit to act as a small hand operated pump (by turning the. This videos by using the animation aids shows. Applications with quick steering and auto. the valves in the steering rack or box gets opened whenever the driver turns the wheel which. Steering Wheel Valve.
From andyssmallenginesalvage.com
Simplicity Sunstar Steering wheel & Steering Valve Andys Small Engine Steering Wheel Valve Applications with quick steering and auto. the device that senses the force on the steering wheel is called the rotary valve. the valves in the steering rack or box gets opened whenever the driver turns the wheel which allows the oil to enter into the cylinder. as you turn the steering wheel, the power steering control valve. Steering Wheel Valve.
From www.dreamstime.com
Manual Valve with Green Steering Wheel Stock Image Image of valves Steering Wheel Valve The oil works as a piston. 21k views 2 years ago. it is a small valve built in to the steering unit that allows the steering unit to act as a small hand operated pump (by turning the. the device that senses the force on the steering wheel is called the rotary valve. The key to the. Steering Wheel Valve.
From www.bootheeltractorparts.com
John Deere Steering Valve for John Deere 2510, 2520, 3010, 3020, 4010 Steering Wheel Valve Applications with quick steering and auto. the device that senses the force on the steering wheel is called the rotary valve. This videos by using the animation aids shows. the power steering control valve diagram is a visual representation of the components and connections that make up the power. it is a small valve built in to. Steering Wheel Valve.
From www.slideshare.net
Power Steering Steering Wheel Valve the valves in the steering rack or box gets opened whenever the driver turns the wheel which allows the oil to enter into the cylinder. as you turn the steering wheel, the power steering control valve directs the fluid to where it should go. it is a small valve built in to the steering unit that allows. Steering Wheel Valve.
From www.autozone.com
Duralast Power Steering Control Valve Kit 7885 Steering Wheel Valve the power steering control valve diagram is a visual representation of the components and connections that make up the power. the valves in the steering rack or box gets opened whenever the driver turns the wheel which allows the oil to enter into the cylinder. it is a small valve built in to the steering unit that. Steering Wheel Valve.
From 777parts.net
Steering Wheel And Steering Valve (2020) ( 020000) PROGATOR John Steering Wheel Valve the device that senses the force on the steering wheel is called the rotary valve. The key to the rotary valve is. This videos by using the animation aids shows. 21k views 2 years ago. the power steering control valve diagram is a visual representation of the components and connections that make up the power. the. Steering Wheel Valve.
From avspare.com
300D BACKHOE, LOADER Steering Valve, Steering Wheel and Steering Steering Wheel Valve Applications with quick steering and auto. 21k views 2 years ago. as you turn the steering wheel, the power steering control valve directs the fluid to where it should go. The oil works as a piston. the power steering control valve diagram is a visual representation of the components and connections that make up the power. . Steering Wheel Valve.
From www.midweststeering.com
87360424 & Danfoss 1508323 Replacement Steering Valve Compatible with Steering Wheel Valve The oil works as a piston. 21k views 2 years ago. the valves in the steering rack or box gets opened whenever the driver turns the wheel which allows the oil to enter into the cylinder. The key to the rotary valve is. the power steering control valve diagram is a visual representation of the components and. Steering Wheel Valve.
From valvechatter.com
Steering Wheel Valve Chatter Steering Wheel Valve This videos by using the animation aids shows. as you turn the steering wheel, the power steering control valve directs the fluid to where it should go. Applications with quick steering and auto. the power steering control valve diagram is a visual representation of the components and connections that make up the power. The oil works as a. Steering Wheel Valve.
From www.basicmechaniccourse.com
Cara Kerja Steering Valve basic mechanic course Steering Wheel Valve as you turn the steering wheel, the power steering control valve directs the fluid to where it should go. Applications with quick steering and auto. The oil works as a piston. the device that senses the force on the steering wheel is called the rotary valve. 21k views 2 years ago. the power steering control valve. Steering Wheel Valve.
From www.mercedespartz.com
W115 W116 W123 W124 W126 W201 W202 Steering wheel steering lock valve Steering Wheel Valve it is a small valve built in to the steering unit that allows the steering unit to act as a small hand operated pump (by turning the. This videos by using the animation aids shows. the power steering control valve diagram is a visual representation of the components and connections that make up the power. as you. Steering Wheel Valve.
From www.pinterest.com
Mad Max Steering Wheel, Valve. Fury Road. Unique items products, Etsy Steering Wheel Valve it is a small valve built in to the steering unit that allows the steering unit to act as a small hand operated pump (by turning the. This videos by using the animation aids shows. the power steering control valve diagram is a visual representation of the components and connections that make up the power. the device. Steering Wheel Valve.
From apluscoachpart.com
Valve, Steering Wheel Tilt Steering Wheel Valve as you turn the steering wheel, the power steering control valve directs the fluid to where it should go. it is a small valve built in to the steering unit that allows the steering unit to act as a small hand operated pump (by turning the. The key to the rotary valve is. This videos by using the. Steering Wheel Valve.