Nut Bolt Washer Size . Find the precise dimensions of nuts, bolts, washers, and screws for your project with these detailed measurement guides. Reference us and metric fastener size charts for hex, serrated, flat,. The table shows the hole diameter, outside diameter, and washer thickness for each nominal size. Find the sizes of metric flat washers per iso 7089, including m12 washer dimensions. See the nominal, inside and outside diameters, basic thickness and tolerances for each size. 47 rows find the preferred sizes of flat plain washers according to ansi/asme b18.22.1 standard. 23 rows 平座金 (ワッシャー)の代表的な規格の寸法(サイズ) 通常規格品の平座金 (ワッシャー)を表現する時には「材質」「表面処理」「平座金 (ワッシャー)の種類」「呼び径」で表現する場合が多いと言えます(例;「. Compare the dimensions of flat washers conforming to sae and uss standards, and learn how to choose the right washer for your application. See tables of inside diameter, outside diameter and thickness for each washer size.
from www.badensteel.com
Compare the dimensions of flat washers conforming to sae and uss standards, and learn how to choose the right washer for your application. Find the sizes of metric flat washers per iso 7089, including m12 washer dimensions. See the nominal, inside and outside diameters, basic thickness and tolerances for each size. The table shows the hole diameter, outside diameter, and washer thickness for each nominal size. See tables of inside diameter, outside diameter and thickness for each washer size. Find the precise dimensions of nuts, bolts, washers, and screws for your project with these detailed measurement guides. 23 rows 平座金 (ワッシャー)の代表的な規格の寸法(サイズ) 通常規格品の平座金 (ワッシャー)を表現する時には「材質」「表面処理」「平座金 (ワッシャー)の種類」「呼び径」で表現する場合が多いと言えます(例;「. 47 rows find the preferred sizes of flat plain washers according to ansi/asme b18.22.1 standard. Reference us and metric fastener size charts for hex, serrated, flat,.
Washer Dimensions — Baden Steelbar & Bolt Corp.
Nut Bolt Washer Size The table shows the hole diameter, outside diameter, and washer thickness for each nominal size. Reference us and metric fastener size charts for hex, serrated, flat,. Compare the dimensions of flat washers conforming to sae and uss standards, and learn how to choose the right washer for your application. Find the sizes of metric flat washers per iso 7089, including m12 washer dimensions. See the nominal, inside and outside diameters, basic thickness and tolerances for each size. The table shows the hole diameter, outside diameter, and washer thickness for each nominal size. 47 rows find the preferred sizes of flat plain washers according to ansi/asme b18.22.1 standard. Find the precise dimensions of nuts, bolts, washers, and screws for your project with these detailed measurement guides. See tables of inside diameter, outside diameter and thickness for each washer size. 23 rows 平座金 (ワッシャー)の代表的な規格の寸法(サイズ) 通常規格品の平座金 (ワッシャー)を表現する時には「材質」「表面処理」「平座金 (ワッシャー)の種類」「呼び径」で表現する場合が多いと言えます(例;「.
From andrewsfasteners.uk
BS EN 143999 Basic dimensions for Nut Face Washers & Bolt Face Washers Nut Bolt Washer Size Reference us and metric fastener size charts for hex, serrated, flat,. 47 rows find the preferred sizes of flat plain washers according to ansi/asme b18.22.1 standard. Find the sizes of metric flat washers per iso 7089, including m12 washer dimensions. Compare the dimensions of flat washers conforming to sae and uss standards, and learn how to choose the right washer. Nut Bolt Washer Size.
From www.badensteel.com
Washer Dimensions — Baden Steelbar & Bolt Corp. Nut Bolt Washer Size 23 rows 平座金 (ワッシャー)の代表的な規格の寸法(サイズ) 通常規格品の平座金 (ワッシャー)を表現する時には「材質」「表面処理」「平座金 (ワッシャー)の種類」「呼び径」で表現する場合が多いと言えます(例;「. The table shows the hole diameter, outside diameter, and washer thickness for each nominal size. Find the sizes of metric flat washers per iso 7089, including m12 washer dimensions. Reference us and metric fastener size charts for hex, serrated, flat,. Compare the dimensions of flat washers conforming to sae and uss standards, and. Nut Bolt Washer Size.
From www.indiamart.com
Local Nut Bolt Washer, Size 8 Mm,10 Mm at Rs 75/kg in New Delhi ID Nut Bolt Washer Size Reference us and metric fastener size charts for hex, serrated, flat,. Compare the dimensions of flat washers conforming to sae and uss standards, and learn how to choose the right washer for your application. Find the precise dimensions of nuts, bolts, washers, and screws for your project with these detailed measurement guides. Find the sizes of metric flat washers per. Nut Bolt Washer Size.
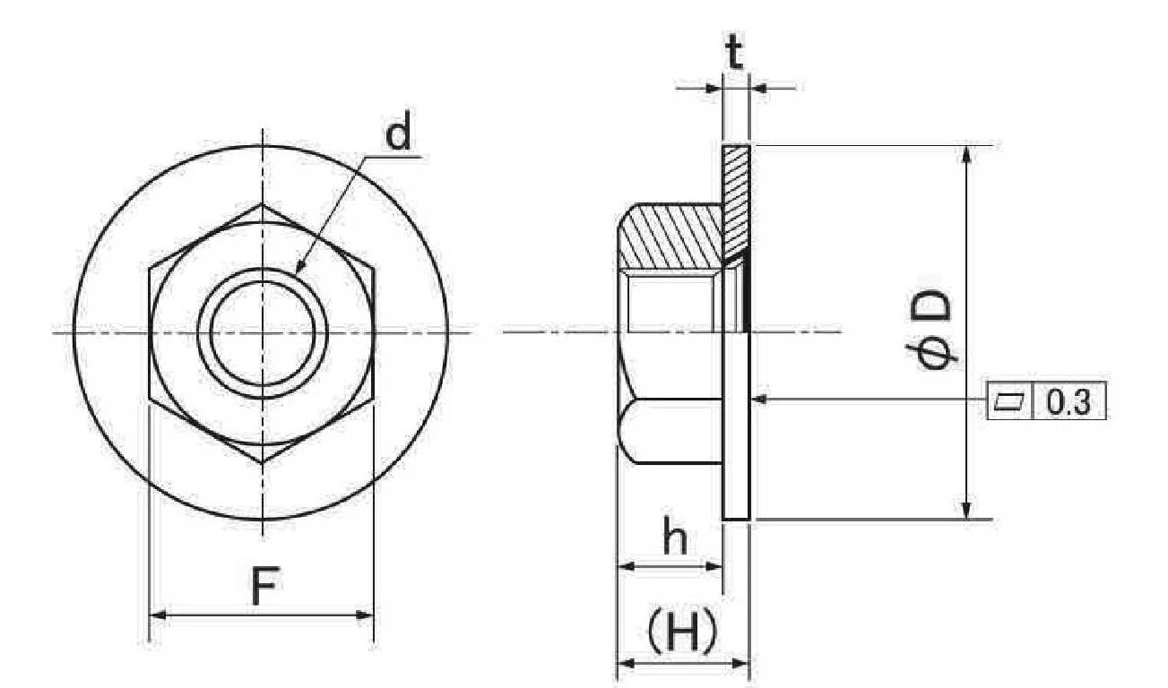
From www.koei-ltd.co.jp
ステンレス ボルト M8×30 ワッシャー Sワッシャー まとめ買い 各200個セット 業者 業務用 企業向け ナット Nut Bolt Washer Size See the nominal, inside and outside diameters, basic thickness and tolerances for each size. The table shows the hole diameter, outside diameter, and washer thickness for each nominal size. See tables of inside diameter, outside diameter and thickness for each washer size. Compare the dimensions of flat washers conforming to sae and uss standards, and learn how to choose the. Nut Bolt Washer Size.
From shopee.com.my
(20SET PER PACK) [SIZE M8 SUS304] Stainless Steel 304 Hex Bolt + Nut Nut Bolt Washer Size 23 rows 平座金 (ワッシャー)の代表的な規格の寸法(サイズ) 通常規格品の平座金 (ワッシャー)を表現する時には「材質」「表面処理」「平座金 (ワッシャー)の種類」「呼び径」で表現する場合が多いと言えます(例;「. See the nominal, inside and outside diameters, basic thickness and tolerances for each size. See tables of inside diameter, outside diameter and thickness for each washer size. 47 rows find the preferred sizes of flat plain washers according to ansi/asme b18.22.1 standard. Find the sizes of metric flat washers per iso 7089, including. Nut Bolt Washer Size.
From www.electronicshub.org
Bolt Size Chart Bolt Dimensions, Standard Sizes & Measurements Nut Bolt Washer Size Find the sizes of metric flat washers per iso 7089, including m12 washer dimensions. The table shows the hole diameter, outside diameter, and washer thickness for each nominal size. See the nominal, inside and outside diameters, basic thickness and tolerances for each size. 47 rows find the preferred sizes of flat plain washers according to ansi/asme b18.22.1 standard. Reference us. Nut Bolt Washer Size.
From www.indiamart.com
Mild Steel Bicycle Seat Piller Bolt Nut Washer, Size 3 Inch at best Nut Bolt Washer Size Reference us and metric fastener size charts for hex, serrated, flat,. 23 rows 平座金 (ワッシャー)の代表的な規格の寸法(サイズ) 通常規格品の平座金 (ワッシャー)を表現する時には「材質」「表面処理」「平座金 (ワッシャー)の種類」「呼び径」で表現する場合が多いと言えます(例;「. Find the sizes of metric flat washers per iso 7089, including m12 washer dimensions. The table shows the hole diameter, outside diameter, and washer thickness for each nominal size. See tables of inside diameter, outside diameter and thickness for each washer size.. Nut Bolt Washer Size.
From westerncanoekayak.com
SeaLect Designs Bolt with Nyloc Nut and Washer Western Canoe Kayak Nut Bolt Washer Size Find the sizes of metric flat washers per iso 7089, including m12 washer dimensions. Reference us and metric fastener size charts for hex, serrated, flat,. See tables of inside diameter, outside diameter and thickness for each washer size. See the nominal, inside and outside diameters, basic thickness and tolerances for each size. 23 rows 平座金 (ワッシャー)の代表的な規格の寸法(サイズ) 通常規格品の平座金 (ワッシャー)を表現する時には「材質」「表面処理」「平座金 (ワッシャー)の種類」「呼び径」で表現する場合が多いと言えます(例;「. The. Nut Bolt Washer Size.
From www.indiamart.com
Hexagon Nut Bolt Washer, Washer Size 4 mm at Rs 0.65/piece in Ludhiana Nut Bolt Washer Size Compare the dimensions of flat washers conforming to sae and uss standards, and learn how to choose the right washer for your application. 23 rows 平座金 (ワッシャー)の代表的な規格の寸法(サイズ) 通常規格品の平座金 (ワッシャー)を表現する時には「材質」「表面処理」「平座金 (ワッシャー)の種類」「呼び径」で表現する場合が多いと言えます(例;「. See the nominal, inside and outside diameters, basic thickness and tolerances for each size. The table shows the hole diameter, outside diameter, and washer thickness for each nominal size. Reference. Nut Bolt Washer Size.
From tomitarashi.com
フラットワッシャー付六角ナット 富田螺子株式会社 Nut Bolt Washer Size 47 rows find the preferred sizes of flat plain washers according to ansi/asme b18.22.1 standard. See tables of inside diameter, outside diameter and thickness for each washer size. The table shows the hole diameter, outside diameter, and washer thickness for each nominal size. Find the precise dimensions of nuts, bolts, washers, and screws for your project with these detailed measurement. Nut Bolt Washer Size.
From tpmcsteel.com
Hex bolt, nut and washer for ANSI flange connection Nut Bolt Washer Size See the nominal, inside and outside diameters, basic thickness and tolerances for each size. See tables of inside diameter, outside diameter and thickness for each washer size. Compare the dimensions of flat washers conforming to sae and uss standards, and learn how to choose the right washer for your application. 23 rows 平座金 (ワッシャー)の代表的な規格の寸法(サイズ) 通常規格品の平座金 (ワッシャー)を表現する時には「材質」「表面処理」「平座金 (ワッシャー)の種類」「呼び径」で表現する場合が多いと言えます(例;「. 47 rows find. Nut Bolt Washer Size.
From stgermain-sorrels.blogspot.com
flat rubber washer size chart stgermainsorrels Nut Bolt Washer Size Compare the dimensions of flat washers conforming to sae and uss standards, and learn how to choose the right washer for your application. The table shows the hole diameter, outside diameter, and washer thickness for each nominal size. See tables of inside diameter, outside diameter and thickness for each washer size. See the nominal, inside and outside diameters, basic thickness. Nut Bolt Washer Size.
From www.indiamart.com
Bolt Nut Washer, Size M6M20, Rs 65 /packet Parshva India ID 4929629973 Nut Bolt Washer Size 23 rows 平座金 (ワッシャー)の代表的な規格の寸法(サイズ) 通常規格品の平座金 (ワッシャー)を表現する時には「材質」「表面処理」「平座金 (ワッシャー)の種類」「呼び径」で表現する場合が多いと言えます(例;「. Find the sizes of metric flat washers per iso 7089, including m12 washer dimensions. Reference us and metric fastener size charts for hex, serrated, flat,. 47 rows find the preferred sizes of flat plain washers according to ansi/asme b18.22.1 standard. The table shows the hole diameter, outside diameter, and washer thickness for each. Nut Bolt Washer Size.
From www.racknsell.com
GI Nut Bolt with Washer 10mm x 3 Inch Nut Bolt Washer Size 47 rows find the preferred sizes of flat plain washers according to ansi/asme b18.22.1 standard. See the nominal, inside and outside diameters, basic thickness and tolerances for each size. 23 rows 平座金 (ワッシャー)の代表的な規格の寸法(サイズ) 通常規格品の平座金 (ワッシャー)を表現する時には「材質」「表面処理」「平座金 (ワッシャー)の種類」「呼び径」で表現する場合が多いと言えます(例;「. Find the sizes of metric flat washers per iso 7089, including m12 washer dimensions. Compare the dimensions of flat washers conforming to sae and. Nut Bolt Washer Size.
From www.indiamart.com
Full Threaded Stainless Steel Nut Bolt Washer Set, Material Grade SS Nut Bolt Washer Size Find the sizes of metric flat washers per iso 7089, including m12 washer dimensions. Find the precise dimensions of nuts, bolts, washers, and screws for your project with these detailed measurement guides. 47 rows find the preferred sizes of flat plain washers according to ansi/asme b18.22.1 standard. See the nominal, inside and outside diameters, basic thickness and tolerances for each. Nut Bolt Washer Size.
From www.indiamart.com
Gi Nut Bolt Washer All size at Rs 5/number Hardware in Nagothana ID Nut Bolt Washer Size See tables of inside diameter, outside diameter and thickness for each washer size. The table shows the hole diameter, outside diameter, and washer thickness for each nominal size. Compare the dimensions of flat washers conforming to sae and uss standards, and learn how to choose the right washer for your application. Find the precise dimensions of nuts, bolts, washers, and. Nut Bolt Washer Size.
From www.indiamart.com
Zinc Plated MS Nut Bolt Washer Set, Hex, Rs 75 /kg Singh ID Nut Bolt Washer Size Find the sizes of metric flat washers per iso 7089, including m12 washer dimensions. Find the precise dimensions of nuts, bolts, washers, and screws for your project with these detailed measurement guides. See tables of inside diameter, outside diameter and thickness for each washer size. 23 rows 平座金 (ワッシャー)の代表的な規格の寸法(サイズ) 通常規格品の平座金 (ワッシャー)を表現する時には「材質」「表面処理」「平座金 (ワッシャー)の種類」「呼び径」で表現する場合が多いと言えます(例;「. See the nominal, inside and outside diameters, basic. Nut Bolt Washer Size.
From blacksmithbolt.com
Nut & Washer Dimensions Blacksmith Bolt & Rivet Supply Nut Bolt Washer Size Compare the dimensions of flat washers conforming to sae and uss standards, and learn how to choose the right washer for your application. See tables of inside diameter, outside diameter and thickness for each washer size. Find the sizes of metric flat washers per iso 7089, including m12 washer dimensions. 23 rows 平座金 (ワッシャー)の代表的な規格の寸法(サイズ) 通常規格品の平座金 (ワッシャー)を表現する時には「材質」「表面処理」「平座金 (ワッシャー)の種類」「呼び径」で表現する場合が多いと言えます(例;「. Find the precise. Nut Bolt Washer Size.
From www.lazada.com.ph
Bolts and Nut and Washer 1/4" (6mm) Ø Diameter Black Iron, High Tensile Nut Bolt Washer Size Find the precise dimensions of nuts, bolts, washers, and screws for your project with these detailed measurement guides. The table shows the hole diameter, outside diameter, and washer thickness for each nominal size. Reference us and metric fastener size charts for hex, serrated, flat,. Compare the dimensions of flat washers conforming to sae and uss standards, and learn how to. Nut Bolt Washer Size.
From dxockvils.blob.core.windows.net
Whats The Largest Washer Size at Kourtney Best blog Nut Bolt Washer Size See the nominal, inside and outside diameters, basic thickness and tolerances for each size. 23 rows 平座金 (ワッシャー)の代表的な規格の寸法(サイズ) 通常規格品の平座金 (ワッシャー)を表現する時には「材質」「表面処理」「平座金 (ワッシャー)の種類」「呼び径」で表現する場合が多いと言えます(例;「. The table shows the hole diameter, outside diameter, and washer thickness for each nominal size. Find the precise dimensions of nuts, bolts, washers, and screws for your project with these detailed measurement guides. Find the sizes of metric flat. Nut Bolt Washer Size.
From gooxoom.com
12 mm GI Hex Bolt Nut Bolt Washer spring Washer Galvanized Nut Bolt Washer Size 23 rows 平座金 (ワッシャー)の代表的な規格の寸法(サイズ) 通常規格品の平座金 (ワッシャー)を表現する時には「材質」「表面処理」「平座金 (ワッシャー)の種類」「呼び径」で表現する場合が多いと言えます(例;「. The table shows the hole diameter, outside diameter, and washer thickness for each nominal size. Find the sizes of metric flat washers per iso 7089, including m12 washer dimensions. Find the precise dimensions of nuts, bolts, washers, and screws for your project with these detailed measurement guides. 47 rows find the preferred sizes. Nut Bolt Washer Size.
From www.indiamart.com
Hexagon Nut Bolt Washer, Washer Size 4 mm at Rs 0.65/piece in Ludhiana Nut Bolt Washer Size 47 rows find the preferred sizes of flat plain washers according to ansi/asme b18.22.1 standard. Reference us and metric fastener size charts for hex, serrated, flat,. See tables of inside diameter, outside diameter and thickness for each washer size. See the nominal, inside and outside diameters, basic thickness and tolerances for each size. Find the precise dimensions of nuts, bolts,. Nut Bolt Washer Size.
From ubicaciondepersonas.cdmx.gob.mx
Bolt And Washer ubicaciondepersonas.cdmx.gob.mx Nut Bolt Washer Size The table shows the hole diameter, outside diameter, and washer thickness for each nominal size. 23 rows 平座金 (ワッシャー)の代表的な規格の寸法(サイズ) 通常規格品の平座金 (ワッシャー)を表現する時には「材質」「表面処理」「平座金 (ワッシャー)の種類」「呼び径」で表現する場合が多いと言えます(例;「. Compare the dimensions of flat washers conforming to sae and uss standards, and learn how to choose the right washer for your application. See the nominal, inside and outside diameters, basic thickness and tolerances for each size. 47. Nut Bolt Washer Size.
From www.indiamart.com
Hexagon Nut Bolt Washer, Washer Size 4 mm at Rs 0.65/piece in Ludhiana Nut Bolt Washer Size See tables of inside diameter, outside diameter and thickness for each washer size. The table shows the hole diameter, outside diameter, and washer thickness for each nominal size. Compare the dimensions of flat washers conforming to sae and uss standards, and learn how to choose the right washer for your application. 47 rows find the preferred sizes of flat plain. Nut Bolt Washer Size.
From fyoacdwpk.blob.core.windows.net
Bolt And Nut Size Guide at Justin Moreno blog Nut Bolt Washer Size 23 rows 平座金 (ワッシャー)の代表的な規格の寸法(サイズ) 通常規格品の平座金 (ワッシャー)を表現する時には「材質」「表面処理」「平座金 (ワッシャー)の種類」「呼び径」で表現する場合が多いと言えます(例;「. Compare the dimensions of flat washers conforming to sae and uss standards, and learn how to choose the right washer for your application. Reference us and metric fastener size charts for hex, serrated, flat,. Find the precise dimensions of nuts, bolts, washers, and screws for your project with these detailed measurement guides. Find. Nut Bolt Washer Size.
From dxogocxyh.blob.core.windows.net
Washers Bolts And Nuts at Boe blog Nut Bolt Washer Size See tables of inside diameter, outside diameter and thickness for each washer size. Compare the dimensions of flat washers conforming to sae and uss standards, and learn how to choose the right washer for your application. Find the sizes of metric flat washers per iso 7089, including m12 washer dimensions. See the nominal, inside and outside diameters, basic thickness and. Nut Bolt Washer Size.
From www.indiamart.com
SS Nut Bolt Washer, Size 1000 mm at Rs 20/piece in Ahmedabad ID Nut Bolt Washer Size 47 rows find the preferred sizes of flat plain washers according to ansi/asme b18.22.1 standard. Compare the dimensions of flat washers conforming to sae and uss standards, and learn how to choose the right washer for your application. See tables of inside diameter, outside diameter and thickness for each washer size. Find the precise dimensions of nuts, bolts, washers, and. Nut Bolt Washer Size.
From www.racknsell.com
SS Nut Bolt 10mm x 50mm Double Washer With Spring Washer Nut Bolt Washer Size See the nominal, inside and outside diameters, basic thickness and tolerances for each size. Find the precise dimensions of nuts, bolts, washers, and screws for your project with these detailed measurement guides. The table shows the hole diameter, outside diameter, and washer thickness for each nominal size. Find the sizes of metric flat washers per iso 7089, including m12 washer. Nut Bolt Washer Size.
From www.indiamart.com
Full Threaded Mild Steel Assembled Nut Bolt Washer Set, For Assembly Nut Bolt Washer Size 47 rows find the preferred sizes of flat plain washers according to ansi/asme b18.22.1 standard. The table shows the hole diameter, outside diameter, and washer thickness for each nominal size. 23 rows 平座金 (ワッシャー)の代表的な規格の寸法(サイズ) 通常規格品の平座金 (ワッシャー)を表現する時には「材質」「表面処理」「平座金 (ワッシャー)の種類」「呼び径」で表現する場合が多いと言えます(例;「. Find the precise dimensions of nuts, bolts, washers, and screws for your project with these detailed measurement guides. See tables of inside diameter,. Nut Bolt Washer Size.
From www.indiamart.com
M10 Washer, Bolt And Nut, Size M5M30 at best price in Mumbai ID Nut Bolt Washer Size The table shows the hole diameter, outside diameter, and washer thickness for each nominal size. 47 rows find the preferred sizes of flat plain washers according to ansi/asme b18.22.1 standard. Find the sizes of metric flat washers per iso 7089, including m12 washer dimensions. Find the precise dimensions of nuts, bolts, washers, and screws for your project with these detailed. Nut Bolt Washer Size.
From farmallparts.com
REAR WHEEL WEIGHT NUT & WASHER CARRIAGE BOLT KIT (3 PCS) Farmall Nut Bolt Washer Size 47 rows find the preferred sizes of flat plain washers according to ansi/asme b18.22.1 standard. Compare the dimensions of flat washers conforming to sae and uss standards, and learn how to choose the right washer for your application. 23 rows 平座金 (ワッシャー)の代表的な規格の寸法(サイズ) 通常規格品の平座金 (ワッシャー)を表現する時には「材質」「表面処理」「平座金 (ワッシャー)の種類」「呼び径」で表現する場合が多いと言えます(例;「. See the nominal, inside and outside diameters, basic thickness and tolerances for each size. See. Nut Bolt Washer Size.
From my.misumi-ec.com
MISUMI Malaysia Industrial Configurable Components Supply Nut Bolt Washer Size Find the sizes of metric flat washers per iso 7089, including m12 washer dimensions. See the nominal, inside and outside diameters, basic thickness and tolerances for each size. The table shows the hole diameter, outside diameter, and washer thickness for each nominal size. Reference us and metric fastener size charts for hex, serrated, flat,. 47 rows find the preferred sizes. Nut Bolt Washer Size.
From www.indiamart.com
Suzu S.S Carriage Nut, Bolt & Washer, Size 5/16 (8mm) X 150mm Nut Bolt Washer Size Compare the dimensions of flat washers conforming to sae and uss standards, and learn how to choose the right washer for your application. 23 rows 平座金 (ワッシャー)の代表的な規格の寸法(サイズ) 通常規格品の平座金 (ワッシャー)を表現する時には「材質」「表面処理」「平座金 (ワッシャー)の種類」「呼び径」で表現する場合が多いと言えます(例;「. See the nominal, inside and outside diameters, basic thickness and tolerances for each size. Find the precise dimensions of nuts, bolts, washers, and screws for your project with these detailed. Nut Bolt Washer Size.
From www.surajmetal.com
Stainless Steel Fasteners A193 SS Nut Bolt Screws manufacturer India Nut Bolt Washer Size 23 rows 平座金 (ワッシャー)の代表的な規格の寸法(サイズ) 通常規格品の平座金 (ワッシャー)を表現する時には「材質」「表面処理」「平座金 (ワッシャー)の種類」「呼び径」で表現する場合が多いと言えます(例;「. Compare the dimensions of flat washers conforming to sae and uss standards, and learn how to choose the right washer for your application. See tables of inside diameter, outside diameter and thickness for each washer size. Find the sizes of metric flat washers per iso 7089, including m12 washer dimensions. Find the precise. Nut Bolt Washer Size.
From recipepes.com
stainless steel bolt strength vs grade 8 Nut Bolt Washer Size See the nominal, inside and outside diameters, basic thickness and tolerances for each size. The table shows the hole diameter, outside diameter, and washer thickness for each nominal size. Find the sizes of metric flat washers per iso 7089, including m12 washer dimensions. 47 rows find the preferred sizes of flat plain washers according to ansi/asme b18.22.1 standard. 23 rows. Nut Bolt Washer Size.