Rotor Shaft Assy . If ordered in the next 02h : Molten aluminum at over 1200 °f is poured into the shot well in the bottom of the casting machine. Shaft laser cleaning and press fitting. The rotor’s design depends on the materials used and the engineering requirements. Netform has created a hollow rotor shaft design that works well for both low and high torque applications. Cool technology to make finding and buying parts a breeze,. The “production process of a hairpin stator” guide covers the entire processes involved in the manufacture of hairpin stators. Insinkerator 13270zz rotor & shaft assy. Magnets or conductor bars insertion. Ships today from parts town. The rotor manufacturing process can be divided into 6 steps: How can the plate package of a rotor be minimized without losing the weight advantage to an increased diameter of the rotor shaft?
from ja.hengxinturbo.com
Molten aluminum at over 1200 °f is poured into the shot well in the bottom of the casting machine. If ordered in the next 02h : The rotor manufacturing process can be divided into 6 steps: How can the plate package of a rotor be minimized without losing the weight advantage to an increased diameter of the rotor shaft? Netform has created a hollow rotor shaft design that works well for both low and high torque applications. Insinkerator 13270zz rotor & shaft assy. The rotor’s design depends on the materials used and the engineering requirements. Ships today from parts town. Cool technology to make finding and buying parts a breeze,. Magnets or conductor bars insertion.
ターボローターアッシー1720111070ターボシャフトCT16トヨタハイラックス2.4L用,低価格ターボローターアッシー17201
Rotor Shaft Assy Magnets or conductor bars insertion. Magnets or conductor bars insertion. Ships today from parts town. Cool technology to make finding and buying parts a breeze,. The rotor manufacturing process can be divided into 6 steps: Shaft laser cleaning and press fitting. Insinkerator 13270zz rotor & shaft assy. The “production process of a hairpin stator” guide covers the entire processes involved in the manufacture of hairpin stators. The rotor’s design depends on the materials used and the engineering requirements. Molten aluminum at over 1200 °f is poured into the shot well in the bottom of the casting machine. How can the plate package of a rotor be minimized without losing the weight advantage to an increased diameter of the rotor shaft? Netform has created a hollow rotor shaft design that works well for both low and high torque applications. If ordered in the next 02h :
From www.aceindustries.com
Rotor/Shaft Assy 1/2HP, 3Ø 00000260A Rotor Shaft Assy Shaft laser cleaning and press fitting. Insinkerator 13270zz rotor & shaft assy. Ships today from parts town. The rotor manufacturing process can be divided into 6 steps: Magnets or conductor bars insertion. The rotor’s design depends on the materials used and the engineering requirements. If ordered in the next 02h : How can the plate package of a rotor be. Rotor Shaft Assy.
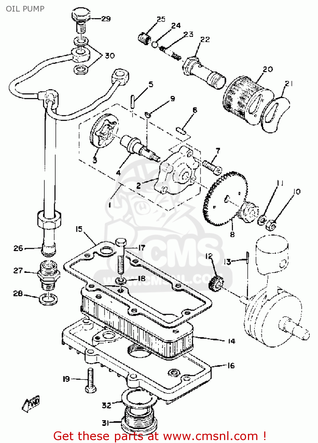
From www.cmsnl.com
31101MAJG41 Rotor Assy Honda buy the 31101MAJG41 at CMSNL Rotor Shaft Assy Netform has created a hollow rotor shaft design that works well for both low and high torque applications. The “production process of a hairpin stator” guide covers the entire processes involved in the manufacture of hairpin stators. Ships today from parts town. If ordered in the next 02h : How can the plate package of a rotor be minimized without. Rotor Shaft Assy.
From www.cmsnl.com
ROTOR ASSY for EF1400 GENERATOR order at CMSNL Rotor Shaft Assy Netform has created a hollow rotor shaft design that works well for both low and high torque applications. The “production process of a hairpin stator” guide covers the entire processes involved in the manufacture of hairpin stators. The rotor’s design depends on the materials used and the engineering requirements. If ordered in the next 02h : Shaft laser cleaning and. Rotor Shaft Assy.
From www.horizonhobby.com
Rotor Assembly with Shaft Park 370 BL Inrunner HorizonHobby Rotor Shaft Assy Ships today from parts town. Molten aluminum at over 1200 °f is poured into the shot well in the bottom of the casting machine. Insinkerator 13270zz rotor & shaft assy. Cool technology to make finding and buying parts a breeze,. Magnets or conductor bars insertion. Shaft laser cleaning and press fitting. If ordered in the next 02h : The “production. Rotor Shaft Assy.
From www.indiamart.com
Polished SS Rotor Motor Shaft, 10inch at Rs 850/piece in Rajkot ID Rotor Shaft Assy The rotor’s design depends on the materials used and the engineering requirements. The rotor manufacturing process can be divided into 6 steps: Magnets or conductor bars insertion. Netform has created a hollow rotor shaft design that works well for both low and high torque applications. How can the plate package of a rotor be minimized without losing the weight advantage. Rotor Shaft Assy.
From www.turbo-ful.com
Shaft rotor 3787604 HE300V for 201218 Cummins Truck Rotor Shaft Assy Netform has created a hollow rotor shaft design that works well for both low and high torque applications. Insinkerator 13270zz rotor & shaft assy. If ordered in the next 02h : Magnets or conductor bars insertion. How can the plate package of a rotor be minimized without losing the weight advantage to an increased diameter of the rotor shaft? The. Rotor Shaft Assy.
From www.cmsnl.com
2C08145000 Rotor Assy Yamaha buy the 2C0814500000 at CMSNL Rotor Shaft Assy Insinkerator 13270zz rotor & shaft assy. Shaft laser cleaning and press fitting. Magnets or conductor bars insertion. If ordered in the next 02h : The rotor manufacturing process can be divided into 6 steps: Ships today from parts town. Cool technology to make finding and buying parts a breeze,. Molten aluminum at over 1200 °f is poured into the shot. Rotor Shaft Assy.
From bermantec.com
Delco Shaft assy. D0976 BermanTec Rotor Shaft Assy Insinkerator 13270zz rotor & shaft assy. Magnets or conductor bars insertion. How can the plate package of a rotor be minimized without losing the weight advantage to an increased diameter of the rotor shaft? Netform has created a hollow rotor shaft design that works well for both low and high torque applications. Cool technology to make finding and buying parts. Rotor Shaft Assy.
From ja.hengxinturbo.com
ターボローターアッシー1720111070ターボシャフトCT16トヨタハイラックス2.4L用,低価格ターボローターアッシー17201 Rotor Shaft Assy Cool technology to make finding and buying parts a breeze,. Shaft laser cleaning and press fitting. How can the plate package of a rotor be minimized without losing the weight advantage to an increased diameter of the rotor shaft? Molten aluminum at over 1200 °f is poured into the shot well in the bottom of the casting machine. Netform has. Rotor Shaft Assy.
From aeroxs.com
TAIL ROTOR SHAFT ASSY P/N 10531803 BO105/BK117 AeroXS Rotor Shaft Assy How can the plate package of a rotor be minimized without losing the weight advantage to an increased diameter of the rotor shaft? Netform has created a hollow rotor shaft design that works well for both low and high torque applications. The rotor manufacturing process can be divided into 6 steps: Molten aluminum at over 1200 °f is poured into. Rotor Shaft Assy.
From aldrichmotor.com
ROTOR ASSY CG150 ALDRICH ENGINE PARTS motor Rotor Shaft Assy The rotor’s design depends on the materials used and the engineering requirements. How can the plate package of a rotor be minimized without losing the weight advantage to an increased diameter of the rotor shaft? Insinkerator 13270zz rotor & shaft assy. Ships today from parts town. Magnets or conductor bars insertion. If ordered in the next 02h : Cool technology. Rotor Shaft Assy.
From www.hsmagnets.com
Preassembled Rotor Shaft HSMAG Rotor Shaft Assy The rotor’s design depends on the materials used and the engineering requirements. Molten aluminum at over 1200 °f is poured into the shot well in the bottom of the casting machine. If ordered in the next 02h : Cool technology to make finding and buying parts a breeze,. Ships today from parts town. Shaft laser cleaning and press fitting. The. Rotor Shaft Assy.
From greenbayprop.com
Mercury Mercruiser 4 Cyl 650 Rotor Shaft Assy 3932921A5 Green Bay Rotor Shaft Assy Shaft laser cleaning and press fitting. Ships today from parts town. Molten aluminum at over 1200 °f is poured into the shot well in the bottom of the casting machine. If ordered in the next 02h : Netform has created a hollow rotor shaft design that works well for both low and high torque applications. Insinkerator 13270zz rotor & shaft. Rotor Shaft Assy.
From www.trakmotive.com
Drive Shaft Assemblies TrakMotive Rotor Shaft Assy The rotor’s design depends on the materials used and the engineering requirements. How can the plate package of a rotor be minimized without losing the weight advantage to an increased diameter of the rotor shaft? Magnets or conductor bars insertion. If ordered in the next 02h : The “production process of a hairpin stator” guide covers the entire processes involved. Rotor Shaft Assy.
From bartechturbos.com
rotorassemblyforturbochargers Bartech Turbos Rotor Shaft Assy Ships today from parts town. If ordered in the next 02h : Insinkerator 13270zz rotor & shaft assy. The rotor manufacturing process can be divided into 6 steps: Molten aluminum at over 1200 °f is poured into the shot well in the bottom of the casting machine. How can the plate package of a rotor be minimized without losing the. Rotor Shaft Assy.
From www.fcc-net.co.jp
F.C.C.の先進技術を用いた開発事例紹介_詳細ページ|FCC 株式会社 エフ・シー・シー Rotor Shaft Assy How can the plate package of a rotor be minimized without losing the weight advantage to an increased diameter of the rotor shaft? If ordered in the next 02h : Insinkerator 13270zz rotor & shaft assy. Molten aluminum at over 1200 °f is poured into the shot well in the bottom of the casting machine. The rotor’s design depends on. Rotor Shaft Assy.
From www.youtube.com
AS350 Tail Rotor Assy YouTube Rotor Shaft Assy The rotor’s design depends on the materials used and the engineering requirements. Cool technology to make finding and buying parts a breeze,. Netform has created a hollow rotor shaft design that works well for both low and high torque applications. If ordered in the next 02h : How can the plate package of a rotor be minimized without losing the. Rotor Shaft Assy.
From aeroxs.com
Lama/Alouette III Main Rotor Shaft Assy AeroXS Rotor Shaft Assy Netform has created a hollow rotor shaft design that works well for both low and high torque applications. How can the plate package of a rotor be minimized without losing the weight advantage to an increased diameter of the rotor shaft? If ordered in the next 02h : Shaft laser cleaning and press fitting. Cool technology to make finding and. Rotor Shaft Assy.
From ja.hengxinturbo.com
ターボローターアッシー1720111070ターボシャフトCT16トヨタハイラックス2.4L用,低価格ターボローターアッシー17201 Rotor Shaft Assy If ordered in the next 02h : The rotor’s design depends on the materials used and the engineering requirements. Cool technology to make finding and buying parts a breeze,. Insinkerator 13270zz rotor & shaft assy. Molten aluminum at over 1200 °f is poured into the shot well in the bottom of the casting machine. Shaft laser cleaning and press fitting.. Rotor Shaft Assy.
From shopmtn.com
ROTOR & SHAFT ASSEMBLY SINGLE PHASE (MODEL C & F) MTN SHOP Rotor Shaft Assy Magnets or conductor bars insertion. The rotor’s design depends on the materials used and the engineering requirements. Cool technology to make finding and buying parts a breeze,. The rotor manufacturing process can be divided into 6 steps: Molten aluminum at over 1200 °f is poured into the shot well in the bottom of the casting machine. If ordered in the. Rotor Shaft Assy.
From www.cmsnl.com
30127676642 Rotor Shaft Assy Honda buy the 30127676642 at CMSNL Rotor Shaft Assy The rotor’s design depends on the materials used and the engineering requirements. If ordered in the next 02h : Insinkerator 13270zz rotor & shaft assy. Cool technology to make finding and buying parts a breeze,. How can the plate package of a rotor be minimized without losing the weight advantage to an increased diameter of the rotor shaft? Netform has. Rotor Shaft Assy.
From www.walter-henrich.com
Rotor shafts Rotor Shaft Assy The rotor manufacturing process can be divided into 6 steps: Ships today from parts town. If ordered in the next 02h : Insinkerator 13270zz rotor & shaft assy. How can the plate package of a rotor be minimized without losing the weight advantage to an increased diameter of the rotor shaft? Molten aluminum at over 1200 °f is poured into. Rotor Shaft Assy.
From aerossurance.com
Compressive Creep and the Loss of a UH1H's Tail Rotor Aerossurance Rotor Shaft Assy Netform has created a hollow rotor shaft design that works well for both low and high torque applications. Ships today from parts town. Molten aluminum at over 1200 °f is poured into the shot well in the bottom of the casting machine. Magnets or conductor bars insertion. The rotor manufacturing process can be divided into 6 steps: Insinkerator 13270zz rotor. Rotor Shaft Assy.
From www.bigstockphoto.com
Rotor Assembly Brushed Image & Photo (Free Trial) Bigstock Rotor Shaft Assy How can the plate package of a rotor be minimized without losing the weight advantage to an increased diameter of the rotor shaft? The rotor manufacturing process can be divided into 6 steps: Shaft laser cleaning and press fitting. The “production process of a hairpin stator” guide covers the entire processes involved in the manufacture of hairpin stators. Molten aluminum. Rotor Shaft Assy.
From www.cmsnl.com
ROTOR ASSY for GSX1300R HAYABUSA 2004 (K4) USA (E03) order at CMSNL Rotor Shaft Assy Molten aluminum at over 1200 °f is poured into the shot well in the bottom of the casting machine. Shaft laser cleaning and press fitting. Ships today from parts town. How can the plate package of a rotor be minimized without losing the weight advantage to an increased diameter of the rotor shaft? Cool technology to make finding and buying. Rotor Shaft Assy.
From www.cmsnl.com
ROTOR ASSY for SV1000 2005 (K5) USA (E03) order at CMSNL Rotor Shaft Assy Magnets or conductor bars insertion. Insinkerator 13270zz rotor & shaft assy. If ordered in the next 02h : Shaft laser cleaning and press fitting. The rotor manufacturing process can be divided into 6 steps: The “production process of a hairpin stator” guide covers the entire processes involved in the manufacture of hairpin stators. How can the plate package of a. Rotor Shaft Assy.
From www.wholesalemarine.com
CDI 9944371 Rotor & Shaft Assy. (4/6 Cyl.) Rotor Shaft Assy Netform has created a hollow rotor shaft design that works well for both low and high torque applications. The “production process of a hairpin stator” guide covers the entire processes involved in the manufacture of hairpin stators. Cool technology to make finding and buying parts a breeze,. Insinkerator 13270zz rotor & shaft assy. Shaft laser cleaning and press fitting. If. Rotor Shaft Assy.
From www.cmsnl.com
2560000101 Rotor And Shaft Assy Yamaha buy the 256000010100 at CMSNL Rotor Shaft Assy Insinkerator 13270zz rotor & shaft assy. Molten aluminum at over 1200 °f is poured into the shot well in the bottom of the casting machine. How can the plate package of a rotor be minimized without losing the weight advantage to an increased diameter of the rotor shaft? If ordered in the next 02h : Shaft laser cleaning and press. Rotor Shaft Assy.
From shopmtn.eu
ROTOR & SHAFT ASSEMBLY SINGLE PHASE (MODEL B) MTN Shop EU Rotor Shaft Assy The rotor manufacturing process can be divided into 6 steps: Shaft laser cleaning and press fitting. Magnets or conductor bars insertion. Insinkerator 13270zz rotor & shaft assy. How can the plate package of a rotor be minimized without losing the weight advantage to an increased diameter of the rotor shaft? Netform has created a hollow rotor shaft design that works. Rotor Shaft Assy.
From www.cmsnl.com
31110MCS003 Rotor Assy Honda buy the 31110MCS003 at CMSNL Rotor Shaft Assy Cool technology to make finding and buying parts a breeze,. The rotor manufacturing process can be divided into 6 steps: Ships today from parts town. Netform has created a hollow rotor shaft design that works well for both low and high torque applications. Shaft laser cleaning and press fitting. How can the plate package of a rotor be minimized without. Rotor Shaft Assy.
From www.aliexpress.com
CT16 17201 30080 turobcharger turbo rotor assy/ turbine shaft Rotor Shaft Assy Molten aluminum at over 1200 °f is poured into the shot well in the bottom of the casting machine. Netform has created a hollow rotor shaft design that works well for both low and high torque applications. Insinkerator 13270zz rotor & shaft assy. The “production process of a hairpin stator” guide covers the entire processes involved in the manufacture of. Rotor Shaft Assy.
From japanese.alibaba.com
EVモーター用ローターシャフト Rotor Shaft Assy The “production process of a hairpin stator” guide covers the entire processes involved in the manufacture of hairpin stators. Ships today from parts town. If ordered in the next 02h : Insinkerator 13270zz rotor & shaft assy. The rotor’s design depends on the materials used and the engineering requirements. Magnets or conductor bars insertion. How can the plate package of. Rotor Shaft Assy.
From www.cmsnl.com
ROTOR ASSY for FZR1000 1991 3GM5 EUROPE 213GM300E2 order at CMSNL Rotor Shaft Assy Netform has created a hollow rotor shaft design that works well for both low and high torque applications. Cool technology to make finding and buying parts a breeze,. Magnets or conductor bars insertion. Shaft laser cleaning and press fitting. The rotor’s design depends on the materials used and the engineering requirements. If ordered in the next 02h : Ships today. Rotor Shaft Assy.
From www.wholesalemarine.com
CDI 9944603 Rotor & Shaft Assy. (3 Cyl.) Rotor Shaft Assy The rotor’s design depends on the materials used and the engineering requirements. Insinkerator 13270zz rotor & shaft assy. The “production process of a hairpin stator” guide covers the entire processes involved in the manufacture of hairpin stators. Shaft laser cleaning and press fitting. Ships today from parts town. If ordered in the next 02h : The rotor manufacturing process can. Rotor Shaft Assy.
From www.cmsnl.com
ROTOR ASSY for WR400F 2000 (Y) USA order at CMSNL Rotor Shaft Assy If ordered in the next 02h : Magnets or conductor bars insertion. Cool technology to make finding and buying parts a breeze,. The rotor’s design depends on the materials used and the engineering requirements. Netform has created a hollow rotor shaft design that works well for both low and high torque applications. The rotor manufacturing process can be divided into. Rotor Shaft Assy.