Biasing Resistor Rs485 . Figure 9 shows the biasing resistor circuit. Biasing the entire network requires a single pair of resistors: If lower values for r are. An example of calculating r1 and r2 is shown below (assume r t = 120 ω): The two most common ways of handling this indeterminate state are to either select receivers. If you need to have a guaranteed level when no transmitter is enabled then you need biasing resistors (assuming a receiver that does not have. Knowing how to calculate the necessary resistor values ranks at the top of the list of customer inquiries. This application note shows how to.
from www.semanticscholar.org
Knowing how to calculate the necessary resistor values ranks at the top of the list of customer inquiries. Biasing the entire network requires a single pair of resistors: Figure 9 shows the biasing resistor circuit. If you need to have a guaranteed level when no transmitter is enabled then you need biasing resistors (assuming a receiver that does not have. An example of calculating r1 and r2 is shown below (assume r t = 120 ω): The two most common ways of handling this indeterminate state are to either select receivers. If lower values for r are. This application note shows how to.
Figure 1 from The Solving of Bias Resistor and Its Effect on the RS485
Biasing Resistor Rs485 An example of calculating r1 and r2 is shown below (assume r t = 120 ω): An example of calculating r1 and r2 is shown below (assume r t = 120 ω): If you need to have a guaranteed level when no transmitter is enabled then you need biasing resistors (assuming a receiver that does not have. If lower values for r are. Biasing the entire network requires a single pair of resistors: The two most common ways of handling this indeterminate state are to either select receivers. This application note shows how to. Figure 9 shows the biasing resistor circuit. Knowing how to calculate the necessary resistor values ranks at the top of the list of customer inquiries.
From dyacon.com
Modbus Bias Module Dyacon Biasing Resistor Rs485 If lower values for r are. This application note shows how to. Figure 9 shows the biasing resistor circuit. Knowing how to calculate the necessary resistor values ranks at the top of the list of customer inquiries. If you need to have a guaranteed level when no transmitter is enabled then you need biasing resistors (assuming a receiver that does. Biasing Resistor Rs485.
From www.semanticscholar.org
[PDF] The Solving of Bias Resistor and Its Effect on the RS485 Fieldbus Biasing Resistor Rs485 Biasing the entire network requires a single pair of resistors: The two most common ways of handling this indeterminate state are to either select receivers. If you need to have a guaranteed level when no transmitter is enabled then you need biasing resistors (assuming a receiver that does not have. Knowing how to calculate the necessary resistor values ranks at. Biasing Resistor Rs485.
From schematicbraginamh.z4.web.core.windows.net
Rs485 End Of Line Resistor Biasing Resistor Rs485 Figure 9 shows the biasing resistor circuit. This application note shows how to. Knowing how to calculate the necessary resistor values ranks at the top of the list of customer inquiries. The two most common ways of handling this indeterminate state are to either select receivers. Biasing the entire network requires a single pair of resistors: If lower values for. Biasing Resistor Rs485.
From hindlepowerinc.com
Education HindlePower Biasing Resistor Rs485 Knowing how to calculate the necessary resistor values ranks at the top of the list of customer inquiries. An example of calculating r1 and r2 is shown below (assume r t = 120 ω): If lower values for r are. If you need to have a guaranteed level when no transmitter is enabled then you need biasing resistors (assuming a. Biasing Resistor Rs485.
From know.innon.com
Why and how do I use Bias resistors and Termination resistors on an Biasing Resistor Rs485 If lower values for r are. Knowing how to calculate the necessary resistor values ranks at the top of the list of customer inquiries. This application note shows how to. An example of calculating r1 and r2 is shown below (assume r t = 120 ω): Figure 9 shows the biasing resistor circuit. If you need to have a guaranteed. Biasing Resistor Rs485.
From inf.news
The RS485 terminal resistor and bias resistor are fixed so that the Biasing Resistor Rs485 Biasing the entire network requires a single pair of resistors: If lower values for r are. The two most common ways of handling this indeterminate state are to either select receivers. This application note shows how to. An example of calculating r1 and r2 is shown below (assume r t = 120 ω): Knowing how to calculate the necessary resistor. Biasing Resistor Rs485.
From support.enovationcontrols.com
RS485 the Murphy Way Enovation Controls Help Center Biasing Resistor Rs485 If you need to have a guaranteed level when no transmitter is enabled then you need biasing resistors (assuming a receiver that does not have. If lower values for r are. Figure 9 shows the biasing resistor circuit. Knowing how to calculate the necessary resistor values ranks at the top of the list of customer inquiries. The two most common. Biasing Resistor Rs485.
From electronics.stackexchange.com
arduino RS485 transceiver design Bias, termination, filter and Biasing Resistor Rs485 If you need to have a guaranteed level when no transmitter is enabled then you need biasing resistors (assuming a receiver that does not have. The two most common ways of handling this indeterminate state are to either select receivers. Figure 9 shows the biasing resistor circuit. If lower values for r are. An example of calculating r1 and r2. Biasing Resistor Rs485.
From e2e.ti.com
SN65HVD1473 Ackward RS485 Weveforms. Interface forum Interface Biasing Resistor Rs485 An example of calculating r1 and r2 is shown below (assume r t = 120 ω): If you need to have a guaranteed level when no transmitter is enabled then you need biasing resistors (assuming a receiver that does not have. Biasing the entire network requires a single pair of resistors: If lower values for r are. The two most. Biasing Resistor Rs485.
From guidekfp621ty.z13.web.core.windows.net
Rs485 End Of Line Resistor Biasing Resistor Rs485 An example of calculating r1 and r2 is shown below (assume r t = 120 ω): Figure 9 shows the biasing resistor circuit. If you need to have a guaranteed level when no transmitter is enabled then you need biasing resistors (assuming a receiver that does not have. Knowing how to calculate the necessary resistor values ranks at the top. Biasing Resistor Rs485.
From electronics.stackexchange.com
RS485 (MAX489) biasing Electrical Engineering Stack Exchange Biasing Resistor Rs485 If lower values for r are. This application note shows how to. The two most common ways of handling this indeterminate state are to either select receivers. Biasing the entire network requires a single pair of resistors: An example of calculating r1 and r2 is shown below (assume r t = 120 ω): Figure 9 shows the biasing resistor circuit.. Biasing Resistor Rs485.
From e2e.ti.com
SN65HVD1176 Bias resistors and termination resistors values Biasing Resistor Rs485 This application note shows how to. Figure 9 shows the biasing resistor circuit. An example of calculating r1 and r2 is shown below (assume r t = 120 ω): If lower values for r are. If you need to have a guaranteed level when no transmitter is enabled then you need biasing resistors (assuming a receiver that does not have.. Biasing Resistor Rs485.
From electronica.guru
Configuración de la resistencia de terminación RS485 IC Electronica Biasing Resistor Rs485 If lower values for r are. Biasing the entire network requires a single pair of resistors: This application note shows how to. An example of calculating r1 and r2 is shown below (assume r t = 120 ω): The two most common ways of handling this indeterminate state are to either select receivers. Figure 9 shows the biasing resistor circuit.. Biasing Resistor Rs485.
From hackaday.io
Resistors for RS485 ICs not necessary? Details Hackaday.io Biasing Resistor Rs485 If lower values for r are. If you need to have a guaranteed level when no transmitter is enabled then you need biasing resistors (assuming a receiver that does not have. Figure 9 shows the biasing resistor circuit. An example of calculating r1 and r2 is shown below (assume r t = 120 ω): Biasing the entire network requires a. Biasing Resistor Rs485.
From www.youtube.com
Electronics RS422, RS485 Termination Resistors (4 Solutions!!) YouTube Biasing Resistor Rs485 An example of calculating r1 and r2 is shown below (assume r t = 120 ω): If lower values for r are. Knowing how to calculate the necessary resistor values ranks at the top of the list of customer inquiries. Biasing the entire network requires a single pair of resistors: Figure 9 shows the biasing resistor circuit. The two most. Biasing Resistor Rs485.
From ecostruxure-building-help.se.com
Generic RS485 Network Device Configuration 5 Biasing Resistor Rs485 An example of calculating r1 and r2 is shown below (assume r t = 120 ω): If lower values for r are. This application note shows how to. The two most common ways of handling this indeterminate state are to either select receivers. Biasing the entire network requires a single pair of resistors: Knowing how to calculate the necessary resistor. Biasing Resistor Rs485.
From icdocs.ismacontrolli.com
RS485 Port Biasing Resistor Rs485 Figure 9 shows the biasing resistor circuit. An example of calculating r1 and r2 is shown below (assume r t = 120 ω): Knowing how to calculate the necessary resistor values ranks at the top of the list of customer inquiries. Biasing the entire network requires a single pair of resistors: This application note shows how to. The two most. Biasing Resistor Rs485.
From support.fccps.cz
RS485 more on transmission line termination & material + reality check Biasing Resistor Rs485 This application note shows how to. If lower values for r are. An example of calculating r1 and r2 is shown below (assume r t = 120 ω): The two most common ways of handling this indeterminate state are to either select receivers. Figure 9 shows the biasing resistor circuit. Knowing how to calculate the necessary resistor values ranks at. Biasing Resistor Rs485.
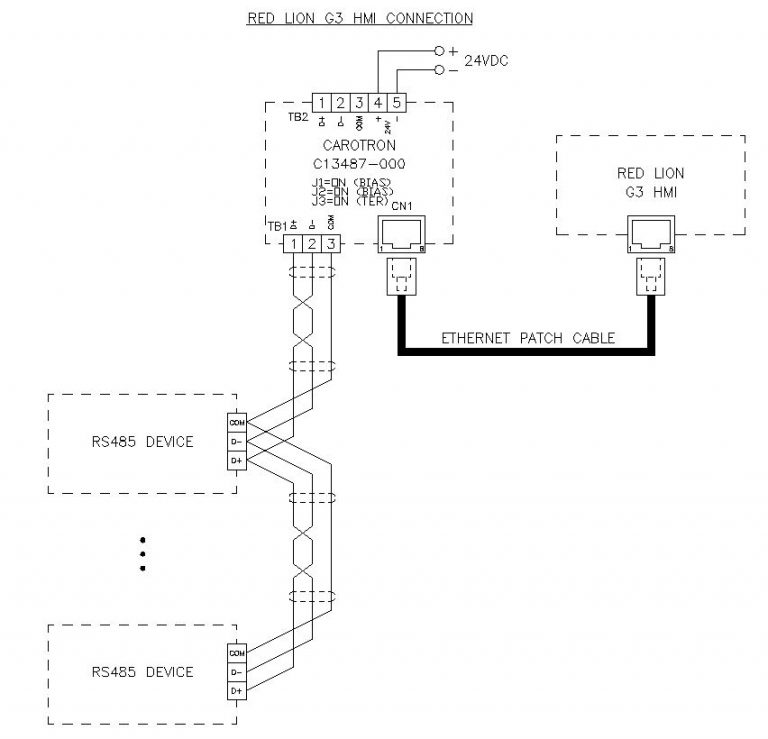
From www.carotron.com
C13487000 RS485 DIN Rail Biasing Board Biasing Resistor Rs485 This application note shows how to. If you need to have a guaranteed level when no transmitter is enabled then you need biasing resistors (assuming a receiver that does not have. Figure 9 shows the biasing resistor circuit. An example of calculating r1 and r2 is shown below (assume r t = 120 ω): The two most common ways of. Biasing Resistor Rs485.
From ecostruxure-building-help.se.com
Generic RS485 Network Device Configuration 6 Biasing Resistor Rs485 Knowing how to calculate the necessary resistor values ranks at the top of the list of customer inquiries. If lower values for r are. This application note shows how to. If you need to have a guaranteed level when no transmitter is enabled then you need biasing resistors (assuming a receiver that does not have. An example of calculating r1. Biasing Resistor Rs485.
From janaxelson.com
Jan Axelson's Lakeview Research Biasing Resistor Rs485 An example of calculating r1 and r2 is shown below (assume r t = 120 ω): If lower values for r are. If you need to have a guaranteed level when no transmitter is enabled then you need biasing resistors (assuming a receiver that does not have. Figure 9 shows the biasing resistor circuit. Knowing how to calculate the necessary. Biasing Resistor Rs485.
From electronics.stackexchange.com
serial RS485 Multidrop Issue Electrical Engineering Stack Exchange Biasing Resistor Rs485 If you need to have a guaranteed level when no transmitter is enabled then you need biasing resistors (assuming a receiver that does not have. An example of calculating r1 and r2 is shown below (assume r t = 120 ω): Biasing the entire network requires a single pair of resistors: This application note shows how to. If lower values. Biasing Resistor Rs485.
From electronics.stackexchange.com
RS485 selectable termination device Electrical Engineering Stack Exchange Biasing Resistor Rs485 If lower values for r are. Biasing the entire network requires a single pair of resistors: If you need to have a guaranteed level when no transmitter is enabled then you need biasing resistors (assuming a receiver that does not have. An example of calculating r1 and r2 is shown below (assume r t = 120 ω): The two most. Biasing Resistor Rs485.
From www.basicpi.org
Isolated RS485 BasicPI Biasing Resistor Rs485 An example of calculating r1 and r2 is shown below (assume r t = 120 ω): If you need to have a guaranteed level when no transmitter is enabled then you need biasing resistors (assuming a receiver that does not have. If lower values for r are. The two most common ways of handling this indeterminate state are to either. Biasing Resistor Rs485.
From studylib.net
The Solving of Bias Resistor and Its Effect on the RS485 Biasing Resistor Rs485 If lower values for r are. An example of calculating r1 and r2 is shown below (assume r t = 120 ω): Figure 9 shows the biasing resistor circuit. This application note shows how to. Knowing how to calculate the necessary resistor values ranks at the top of the list of customer inquiries. Biasing the entire network requires a single. Biasing Resistor Rs485.
From inf.news
How much do you know about the selection of bias resistors and terminal Biasing Resistor Rs485 Figure 9 shows the biasing resistor circuit. Knowing how to calculate the necessary resistor values ranks at the top of the list of customer inquiries. An example of calculating r1 and r2 is shown below (assume r t = 120 ω): This application note shows how to. Biasing the entire network requires a single pair of resistors: If lower values. Biasing Resistor Rs485.
From www.youtube.com
Electronics Do I need biasing resistors on the +/ lines for RS485? (3 Biasing Resistor Rs485 Figure 9 shows the biasing resistor circuit. The two most common ways of handling this indeterminate state are to either select receivers. Knowing how to calculate the necessary resistor values ranks at the top of the list of customer inquiries. If lower values for r are. Biasing the entire network requires a single pair of resistors: If you need to. Biasing Resistor Rs485.
From support.enovationcontrols.com
RS485 the Murphy Way Enovation Controls Help Center Biasing Resistor Rs485 Knowing how to calculate the necessary resistor values ranks at the top of the list of customer inquiries. If lower values for r are. Figure 9 shows the biasing resistor circuit. An example of calculating r1 and r2 is shown below (assume r t = 120 ω): If you need to have a guaranteed level when no transmitter is enabled. Biasing Resistor Rs485.
From www.carotron.com
RS485 Rail Biasing Board C13487 Connections Biasing Resistor Rs485 If you need to have a guaranteed level when no transmitter is enabled then you need biasing resistors (assuming a receiver that does not have. The two most common ways of handling this indeterminate state are to either select receivers. An example of calculating r1 and r2 is shown below (assume r t = 120 ω): If lower values for. Biasing Resistor Rs485.
From www.electro-tech-online.com
RS485 Comms Electronics Forum (Circuits, Projects and Microcontrollers) Biasing Resistor Rs485 This application note shows how to. Figure 9 shows the biasing resistor circuit. Biasing the entire network requires a single pair of resistors: If lower values for r are. An example of calculating r1 and r2 is shown below (assume r t = 120 ω): The two most common ways of handling this indeterminate state are to either select receivers.. Biasing Resistor Rs485.
From www.semanticscholar.org
Figure 1 from The Solving of Bias Resistor and Its Effect on the RS485 Biasing Resistor Rs485 This application note shows how to. If you need to have a guaranteed level when no transmitter is enabled then you need biasing resistors (assuming a receiver that does not have. Knowing how to calculate the necessary resistor values ranks at the top of the list of customer inquiries. Biasing the entire network requires a single pair of resistors: Figure. Biasing Resistor Rs485.
From www.carotron.com
RS485 Rail Biasing Board C13487 Connections Biasing Resistor Rs485 An example of calculating r1 and r2 is shown below (assume r t = 120 ω): Knowing how to calculate the necessary resistor values ranks at the top of the list of customer inquiries. The two most common ways of handling this indeterminate state are to either select receivers. Figure 9 shows the biasing resistor circuit. If you need to. Biasing Resistor Rs485.
From janaxelson.com
Jan Axelson's Lakeview Research Biasing Resistor Rs485 Knowing how to calculate the necessary resistor values ranks at the top of the list of customer inquiries. The two most common ways of handling this indeterminate state are to either select receivers. Biasing the entire network requires a single pair of resistors: If you need to have a guaranteed level when no transmitter is enabled then you need biasing. Biasing Resistor Rs485.
From know.innon.com
Why and how do I use Bias resistors and Termination resistors on an Biasing Resistor Rs485 Knowing how to calculate the necessary resistor values ranks at the top of the list of customer inquiries. An example of calculating r1 and r2 is shown below (assume r t = 120 ω): If lower values for r are. Biasing the entire network requires a single pair of resistors: The two most common ways of handling this indeterminate state. Biasing Resistor Rs485.
From www.youtube.com
How to Bias an OpAmp and Transistors Bias Resistors YouTube Biasing Resistor Rs485 Knowing how to calculate the necessary resistor values ranks at the top of the list of customer inquiries. Biasing the entire network requires a single pair of resistors: An example of calculating r1 and r2 is shown below (assume r t = 120 ω): This application note shows how to. If lower values for r are. The two most common. Biasing Resistor Rs485.