Pll Fm Transmitter Block Diagram . These include an audio input stage, a frequency modulator, a power amplifier, and an antenna. The block diagram of an fm transmitter typically consists of several key components. To understand this unit i suggest we look at a block diagram at right. Each component plays a crucial role in the transmission process and is interconnected in a specific way to achieve the desired result. The high fidelity fm transmitter presented here achieves that using simple and readily available components. At the left side you find the interface from the controlling unit part i :. This transmitter circuit is perfect. The 1 watt pll fm transmitter circuit diagram is a powerful yet simple tool that enables you to create your own fm radio stations. The circuit is based on bh1417 pll stereo. The circuit shown here is of a good stereo fm transmitter that can transmit high quality signals up to a range of 70 feet.
        
         
         
        from www.g4prs.org.uk 
     
        
        This transmitter circuit is perfect. These include an audio input stage, a frequency modulator, a power amplifier, and an antenna. The circuit is based on bh1417 pll stereo. At the left side you find the interface from the controlling unit part i :. The 1 watt pll fm transmitter circuit diagram is a powerful yet simple tool that enables you to create your own fm radio stations. To understand this unit i suggest we look at a block diagram at right. The high fidelity fm transmitter presented here achieves that using simple and readily available components. Each component plays a crucial role in the transmission process and is interconnected in a specific way to achieve the desired result. The circuit shown here is of a good stereo fm transmitter that can transmit high quality signals up to a range of 70 feet. The block diagram of an fm transmitter typically consists of several key components.
    
    	
            
	
		 
	 
         
    Transmitter Block Diagram 
    Pll Fm Transmitter Block Diagram  These include an audio input stage, a frequency modulator, a power amplifier, and an antenna. At the left side you find the interface from the controlling unit part i :. The 1 watt pll fm transmitter circuit diagram is a powerful yet simple tool that enables you to create your own fm radio stations. The block diagram of an fm transmitter typically consists of several key components. This transmitter circuit is perfect. To understand this unit i suggest we look at a block diagram at right. The circuit is based on bh1417 pll stereo. These include an audio input stage, a frequency modulator, a power amplifier, and an antenna. The high fidelity fm transmitter presented here achieves that using simple and readily available components. Each component plays a crucial role in the transmission process and is interconnected in a specific way to achieve the desired result. The circuit shown here is of a good stereo fm transmitter that can transmit high quality signals up to a range of 70 feet.
            
	
		 
	 
         
 
    
         
        From www.pinterest.com.mx 
                    1W PLL Transmitter with MC145152 Electronics projects diy, Diy Pll Fm Transmitter Block Diagram  The circuit is based on bh1417 pll stereo. The block diagram of an fm transmitter typically consists of several key components. The 1 watt pll fm transmitter circuit diagram is a powerful yet simple tool that enables you to create your own fm radio stations. Each component plays a crucial role in the transmission process and is interconnected in a. Pll Fm Transmitter Block Diagram.
     
    
         
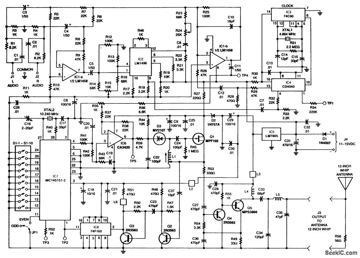
        From www.seekic.com 
                    Low Power PLL FM Transmitter Signal_Processing Circuit Diagram Pll Fm Transmitter Block Diagram  The 1 watt pll fm transmitter circuit diagram is a powerful yet simple tool that enables you to create your own fm radio stations. The block diagram of an fm transmitter typically consists of several key components. This transmitter circuit is perfect. The high fidelity fm transmitter presented here achieves that using simple and readily available components. To understand this. Pll Fm Transmitter Block Diagram.
     
    
         
        From www.slideserve.com 
                    PPT Block Diagram of FM Transmitter with preemphasis PowerPoint Pll Fm Transmitter Block Diagram  To understand this unit i suggest we look at a block diagram at right. At the left side you find the interface from the controlling unit part i :. The 1 watt pll fm transmitter circuit diagram is a powerful yet simple tool that enables you to create your own fm radio stations. The high fidelity fm transmitter presented here. Pll Fm Transmitter Block Diagram.
     
    
         
        From guidepartedith.z4.web.core.windows.net 
                    Pll Block Circuit Diagram Pll Fm Transmitter Block Diagram  Each component plays a crucial role in the transmission process and is interconnected in a specific way to achieve the desired result. To understand this unit i suggest we look at a block diagram at right. These include an audio input stage, a frequency modulator, a power amplifier, and an antenna. The high fidelity fm transmitter presented here achieves that. Pll Fm Transmitter Block Diagram.
     
    
         
        From easycircuit012.blogspot.com 
                    500mW PLL FM transmitter 88108MHz The Circuit Pll Fm Transmitter Block Diagram  The circuit is based on bh1417 pll stereo. The high fidelity fm transmitter presented here achieves that using simple and readily available components. This transmitter circuit is perfect. The block diagram of an fm transmitter typically consists of several key components. At the left side you find the interface from the controlling unit part i :. The circuit shown here. Pll Fm Transmitter Block Diagram.
     
    
         
        From www.researchgate.net 
                    14 RealTime FPGA Transmitter Block Diagram. PLL Phase Locked Loop Pll Fm Transmitter Block Diagram  The circuit shown here is of a good stereo fm transmitter that can transmit high quality signals up to a range of 70 feet. These include an audio input stage, a frequency modulator, a power amplifier, and an antenna. The 1 watt pll fm transmitter circuit diagram is a powerful yet simple tool that enables you to create your own. Pll Fm Transmitter Block Diagram.
     
    
         
        From fixpartandrea.z19.web.core.windows.net 
                    Pll Fm Transmitter Circuit Diagram Pll Fm Transmitter Block Diagram  The circuit shown here is of a good stereo fm transmitter that can transmit high quality signals up to a range of 70 feet. To understand this unit i suggest we look at a block diagram at right. At the left side you find the interface from the controlling unit part i :. The block diagram of an fm transmitter. Pll Fm Transmitter Block Diagram.
     
    
         
        From www.next.gr 
                    pll circuit Page 3 RF Circuits Next.gr Pll Fm Transmitter Block Diagram  The circuit is based on bh1417 pll stereo. These include an audio input stage, a frequency modulator, a power amplifier, and an antenna. The high fidelity fm transmitter presented here achieves that using simple and readily available components. To understand this unit i suggest we look at a block diagram at right. The block diagram of an fm transmitter typically. Pll Fm Transmitter Block Diagram.
     
    
         
        From www.next.gr 
                    pll circuit RF Circuits Next.gr Pll Fm Transmitter Block Diagram  The circuit is based on bh1417 pll stereo. At the left side you find the interface from the controlling unit part i :. Each component plays a crucial role in the transmission process and is interconnected in a specific way to achieve the desired result. These include an audio input stage, a frequency modulator, a power amplifier, and an antenna.. Pll Fm Transmitter Block Diagram.
     
    
         
        From alectronicx.blogspot.com 
                    1W PLL FM transmitter schematic Electronic Circuit Collection Pll Fm Transmitter Block Diagram  At the left side you find the interface from the controlling unit part i :. This transmitter circuit is perfect. These include an audio input stage, a frequency modulator, a power amplifier, and an antenna. The high fidelity fm transmitter presented here achieves that using simple and readily available components. To understand this unit i suggest we look at a. Pll Fm Transmitter Block Diagram.
     
    
         
        From www.next.gr 
                    PLL FM Detector using PLL IC 565 under Repositorycircuits 37941 Pll Fm Transmitter Block Diagram  The high fidelity fm transmitter presented here achieves that using simple and readily available components. To understand this unit i suggest we look at a block diagram at right. The circuit is based on bh1417 pll stereo. Each component plays a crucial role in the transmission process and is interconnected in a specific way to achieve the desired result. The. Pll Fm Transmitter Block Diagram.
     
    
         
        From www.slideserve.com 
                    PPT Block Diagram of FM Transmitter with preemphasis PowerPoint Pll Fm Transmitter Block Diagram  The block diagram of an fm transmitter typically consists of several key components. The 1 watt pll fm transmitter circuit diagram is a powerful yet simple tool that enables you to create your own fm radio stations. The high fidelity fm transmitter presented here achieves that using simple and readily available components. At the left side you find the interface. Pll Fm Transmitter Block Diagram.
     
    
         
        From ngoprek-fm.blogspot.com 
                    ZMCPY FM BROADCAST PLL MC145151 Pll Fm Transmitter Block Diagram  The circuit shown here is of a good stereo fm transmitter that can transmit high quality signals up to a range of 70 feet. The circuit is based on bh1417 pll stereo. The high fidelity fm transmitter presented here achieves that using simple and readily available components. These include an audio input stage, a frequency modulator, a power amplifier, and. Pll Fm Transmitter Block Diagram.
     
    
         
        From www.hlektronika.gr 
                    pll fm ερωτηση Pll Fm Transmitter Block Diagram  The circuit shown here is of a good stereo fm transmitter that can transmit high quality signals up to a range of 70 feet. At the left side you find the interface from the controlling unit part i :. These include an audio input stage, a frequency modulator, a power amplifier, and an antenna. The high fidelity fm transmitter presented. Pll Fm Transmitter Block Diagram.
     
    
         
        From www.next.gr 
                    50mW BH1417 Stereo PLL FM Transmitter under Repositorycircuits 25639 Pll Fm Transmitter Block Diagram  The circuit is based on bh1417 pll stereo. This transmitter circuit is perfect. The high fidelity fm transmitter presented here achieves that using simple and readily available components. To understand this unit i suggest we look at a block diagram at right. The 1 watt pll fm transmitter circuit diagram is a powerful yet simple tool that enables you to. Pll Fm Transmitter Block Diagram.
     
    
         
        From www.researchgate.net 
                    FLLassisted PLL (FPLL) loop architecture block diagram. Download Pll Fm Transmitter Block Diagram  The 1 watt pll fm transmitter circuit diagram is a powerful yet simple tool that enables you to create your own fm radio stations. The circuit shown here is of a good stereo fm transmitter that can transmit high quality signals up to a range of 70 feet. Each component plays a crucial role in the transmission process and is. Pll Fm Transmitter Block Diagram.
     
    
         
        From www.pcbway.com 
                    MC145151 FM PLL TRANSMITTER Share Project PCBWay Pll Fm Transmitter Block Diagram  This transmitter circuit is perfect. The circuit is based on bh1417 pll stereo. The block diagram of an fm transmitter typically consists of several key components. To understand this unit i suggest we look at a block diagram at right. These include an audio input stage, a frequency modulator, a power amplifier, and an antenna. The circuit shown here is. Pll Fm Transmitter Block Diagram.
     
    
         
        From www.caretxdigital.com 
                    fm transmitter block diagram and explanation of each block pdf Wiring Pll Fm Transmitter Block Diagram  To understand this unit i suggest we look at a block diagram at right. At the left side you find the interface from the controlling unit part i :. This transmitter circuit is perfect. The block diagram of an fm transmitter typically consists of several key components. The circuit shown here is of a good stereo fm transmitter that can. Pll Fm Transmitter Block Diagram.
     
    
         
        From techdiagrammer.com 
                    An indepth look at the block diagram of an FM radio transmitter Pll Fm Transmitter Block Diagram  The block diagram of an fm transmitter typically consists of several key components. This transmitter circuit is perfect. The high fidelity fm transmitter presented here achieves that using simple and readily available components. These include an audio input stage, a frequency modulator, a power amplifier, and an antenna. To understand this unit i suggest we look at a block diagram. Pll Fm Transmitter Block Diagram.
     
    
         
        From www.chegg.com 
                    Solved Explain the operation of the PLL FM transmitter shown i Pll Fm Transmitter Block Diagram  Each component plays a crucial role in the transmission process and is interconnected in a specific way to achieve the desired result. The block diagram of an fm transmitter typically consists of several key components. These include an audio input stage, a frequency modulator, a power amplifier, and an antenna. The high fidelity fm transmitter presented here achieves that using. Pll Fm Transmitter Block Diagram.
     
    
         
        From www.seekic.com 
                    PLL FM Transmitters Signal_Processing Circuit Diagram Pll Fm Transmitter Block Diagram  The circuit shown here is of a good stereo fm transmitter that can transmit high quality signals up to a range of 70 feet. The circuit is based on bh1417 pll stereo. Each component plays a crucial role in the transmission process and is interconnected in a specific way to achieve the desired result. These include an audio input stage,. Pll Fm Transmitter Block Diagram.
     
    
         
        From wiringpartaubrey.z6.web.core.windows.net 
                    Fm Transmitter Circuit Diagram Pll Fm Transmitter Block Diagram  These include an audio input stage, a frequency modulator, a power amplifier, and an antenna. To understand this unit i suggest we look at a block diagram at right. The circuit is based on bh1417 pll stereo. The block diagram of an fm transmitter typically consists of several key components. At the left side you find the interface from the. Pll Fm Transmitter Block Diagram.
     
    
         
        From www.g4prs.org.uk 
                    Transmitter Block Diagram Pll Fm Transmitter Block Diagram  To understand this unit i suggest we look at a block diagram at right. At the left side you find the interface from the controlling unit part i :. The circuit shown here is of a good stereo fm transmitter that can transmit high quality signals up to a range of 70 feet. The high fidelity fm transmitter presented here. Pll Fm Transmitter Block Diagram.
     
    
         
        From diagramdataenrique.z21.web.core.windows.net 
                    Fm Pll Circuit Diagram Pll Fm Transmitter Block Diagram  The high fidelity fm transmitter presented here achieves that using simple and readily available components. The circuit is based on bh1417 pll stereo. Each component plays a crucial role in the transmission process and is interconnected in a specific way to achieve the desired result. At the left side you find the interface from the controlling unit part i :.. Pll Fm Transmitter Block Diagram.
     
    
         
        From www.youtube.com 
                    FM Transmitter and Receiver Block Diagram YouTube Pll Fm Transmitter Block Diagram  These include an audio input stage, a frequency modulator, a power amplifier, and an antenna. To understand this unit i suggest we look at a block diagram at right. The circuit is based on bh1417 pll stereo. The 1 watt pll fm transmitter circuit diagram is a powerful yet simple tool that enables you to create your own fm radio. Pll Fm Transmitter Block Diagram.
     
    
         
        From www.slideserve.com 
                    PPT PhaseLocked Loop (PLL) PowerPoint Presentation, free download Pll Fm Transmitter Block Diagram  These include an audio input stage, a frequency modulator, a power amplifier, and an antenna. This transmitter circuit is perfect. Each component plays a crucial role in the transmission process and is interconnected in a specific way to achieve the desired result. The circuit is based on bh1417 pll stereo. The high fidelity fm transmitter presented here achieves that using. Pll Fm Transmitter Block Diagram.
     
    
         
        From electronics-diy.com 
                    PLL Stereo FM Transmitter Pll Fm Transmitter Block Diagram  This transmitter circuit is perfect. The block diagram of an fm transmitter typically consists of several key components. The 1 watt pll fm transmitter circuit diagram is a powerful yet simple tool that enables you to create your own fm radio stations. The circuit is based on bh1417 pll stereo. These include an audio input stage, a frequency modulator, a. Pll Fm Transmitter Block Diagram.
     
    
         
        From electronics-diy.com 
                    1 Watt PLL FM Broadcast Transmitter Pll Fm Transmitter Block Diagram  The circuit is based on bh1417 pll stereo. These include an audio input stage, a frequency modulator, a power amplifier, and an antenna. The block diagram of an fm transmitter typically consists of several key components. At the left side you find the interface from the controlling unit part i :. The 1 watt pll fm transmitter circuit diagram is. Pll Fm Transmitter Block Diagram.
     
    
         
        From circuitdigest.com 
                    Simple FM Transmitter Circuit Diagram and Making It on Breadboard Pll Fm Transmitter Block Diagram  The high fidelity fm transmitter presented here achieves that using simple and readily available components. This transmitter circuit is perfect. At the left side you find the interface from the controlling unit part i :. The circuit shown here is of a good stereo fm transmitter that can transmit high quality signals up to a range of 70 feet. The. Pll Fm Transmitter Block Diagram.
     
    
         
        From www.next.gr 
                    pll circuit RF Circuits Next.gr Pll Fm Transmitter Block Diagram  The circuit shown here is of a good stereo fm transmitter that can transmit high quality signals up to a range of 70 feet. The block diagram of an fm transmitter typically consists of several key components. The 1 watt pll fm transmitter circuit diagram is a powerful yet simple tool that enables you to create your own fm radio. Pll Fm Transmitter Block Diagram.
     
    
         
        From www.gammaelectronics.xyz 
                    PLL Synthesized FM Stereo Transmitter for 88108 MHz Pll Fm Transmitter Block Diagram  At the left side you find the interface from the controlling unit part i :. Each component plays a crucial role in the transmission process and is interconnected in a specific way to achieve the desired result. These include an audio input stage, a frequency modulator, a power amplifier, and an antenna. The block diagram of an fm transmitter typically. Pll Fm Transmitter Block Diagram.
     
    
         
        From www.mikrora.com 
                    Fm Transmitter Block Diagram And Explanation Of Each Block Pdf Pll Fm Transmitter Block Diagram  Each component plays a crucial role in the transmission process and is interconnected in a specific way to achieve the desired result. At the left side you find the interface from the controlling unit part i :. The circuit is based on bh1417 pll stereo. This transmitter circuit is perfect. The block diagram of an fm transmitter typically consists of. Pll Fm Transmitter Block Diagram.
     
    
         
        From manualdiagramausterlitz.z19.web.core.windows.net 
                    Fm Transmitter Diagram Schematics Pll Fm Transmitter Block Diagram  These include an audio input stage, a frequency modulator, a power amplifier, and an antenna. The block diagram of an fm transmitter typically consists of several key components. The 1 watt pll fm transmitter circuit diagram is a powerful yet simple tool that enables you to create your own fm radio stations. The high fidelity fm transmitter presented here achieves. Pll Fm Transmitter Block Diagram.
     
    
         
        From www.electroschematics.com 
                    PLL FM Transmitter Circuit Pll Fm Transmitter Block Diagram  The 1 watt pll fm transmitter circuit diagram is a powerful yet simple tool that enables you to create your own fm radio stations. At the left side you find the interface from the controlling unit part i :. The block diagram of an fm transmitter typically consists of several key components. Each component plays a crucial role in the. Pll Fm Transmitter Block Diagram.
     
    
         
        From pira.cz 
                    5W PLL FM Transmitter Pll Fm Transmitter Block Diagram  The circuit shown here is of a good stereo fm transmitter that can transmit high quality signals up to a range of 70 feet. At the left side you find the interface from the controlling unit part i :. The circuit is based on bh1417 pll stereo. Each component plays a crucial role in the transmission process and is interconnected. Pll Fm Transmitter Block Diagram.