Calculate Q Score . This site calculates a person's risk of developing a heart attack or stroke over. Next, determine the reach or audience size (r). a q score calculator is a tool used in marketing and market research to assess the familiarity and appeal of a brand,. what is a q score calculator? the following steps outline how to calculate the q score. A q score calculator is a digital tool that helps check how popular a product, business, or. utilizing the q score calculator involves a thoughtful consideration of key elements. The methodology behind the mysterious ratings is actually fairly straightforward. welcome to the qrisk ® 3 risk calculator. how are q scores calculated? calculate risk up to years of age. q scores are derived from surveys where respondents are asked about their familiarity and opinion of specific. First, determine the frequency of positive feedback (f).
from fr.apiday.com
The methodology behind the mysterious ratings is actually fairly straightforward. how are q scores calculated? This site calculates a person's risk of developing a heart attack or stroke over. Next, determine the reach or audience size (r). calculate risk up to years of age. what is a q score calculator? A q score calculator is a digital tool that helps check how popular a product, business, or. utilizing the q score calculator involves a thoughtful consideration of key elements. the following steps outline how to calculate the q score. a q score calculator is a tool used in marketing and market research to assess the familiarity and appeal of a brand,.
Notation ESG MSCI comment les notations ESG sontelles déterminées
Calculate Q Score a q score calculator is a tool used in marketing and market research to assess the familiarity and appeal of a brand,. how are q scores calculated? calculate risk up to years of age. First, determine the frequency of positive feedback (f). The methodology behind the mysterious ratings is actually fairly straightforward. This site calculates a person's risk of developing a heart attack or stroke over. a q score calculator is a tool used in marketing and market research to assess the familiarity and appeal of a brand,. what is a q score calculator? the following steps outline how to calculate the q score. welcome to the qrisk ® 3 risk calculator. Next, determine the reach or audience size (r). utilizing the q score calculator involves a thoughtful consideration of key elements. q scores are derived from surveys where respondents are asked about their familiarity and opinion of specific. A q score calculator is a digital tool that helps check how popular a product, business, or.
From europeanhouses.blogspot.com
Quick Sofa Score Table Architecture Home Decor Calculate Q Score the following steps outline how to calculate the q score. This site calculates a person's risk of developing a heart attack or stroke over. Next, determine the reach or audience size (r). q scores are derived from surveys where respondents are asked about their familiarity and opinion of specific. calculate risk up to years of age. A. Calculate Q Score.
From campolden.org
How Is The Net Promoter Score Nps Score Calculated Templates Sample Calculate Q Score the following steps outline how to calculate the q score. utilizing the q score calculator involves a thoughtful consideration of key elements. First, determine the frequency of positive feedback (f). q scores are derived from surveys where respondents are asked about their familiarity and opinion of specific. calculate risk up to years of age. how. Calculate Q Score.
From www.chegg.com
Solved Data Table 1. Calculate q, the quantity of heat Calculate Q Score a q score calculator is a tool used in marketing and market research to assess the familiarity and appeal of a brand,. First, determine the frequency of positive feedback (f). The methodology behind the mysterious ratings is actually fairly straightforward. welcome to the qrisk ® 3 risk calculator. the following steps outline how to calculate the q. Calculate Q Score.
From www.semanticscholar.org
Table 2.2 from The detection and summation of squamous epithelial cells Calculate Q Score This site calculates a person's risk of developing a heart attack or stroke over. First, determine the frequency of positive feedback (f). calculate risk up to years of age. the following steps outline how to calculate the q score. welcome to the qrisk ® 3 risk calculator. a q score calculator is a tool used in. Calculate Q Score.
From verloop.io
classificações de sepsi osk verloop.io Calculate Q Score utilizing the q score calculator involves a thoughtful consideration of key elements. Next, determine the reach or audience size (r). the following steps outline how to calculate the q score. q scores are derived from surveys where respondents are asked about their familiarity and opinion of specific. calculate risk up to years of age. how. Calculate Q Score.
From play.google.com
qSOFA Score calculator Aplicaciones de Android en Google Play Calculate Q Score what is a q score calculator? A q score calculator is a digital tool that helps check how popular a product, business, or. a q score calculator is a tool used in marketing and market research to assess the familiarity and appeal of a brand,. calculate risk up to years of age. The methodology behind the mysterious. Calculate Q Score.
From www.chegg.com
Solved 1172. Calculating qrnn Solve for qsoln for each Calculate Q Score q scores are derived from surveys where respondents are asked about their familiarity and opinion of specific. calculate risk up to years of age. a q score calculator is a tool used in marketing and market research to assess the familiarity and appeal of a brand,. This site calculates a person's risk of developing a heart attack. Calculate Q Score.
From www.scribd.com
Dis Q Scoring PDF Epidemiology Behavioural Sciences Calculate Q Score welcome to the qrisk ® 3 risk calculator. the following steps outline how to calculate the q score. Next, determine the reach or audience size (r). A q score calculator is a digital tool that helps check how popular a product, business, or. The methodology behind the mysterious ratings is actually fairly straightforward. how are q scores. Calculate Q Score.
From www.amazon.com
How Smart Are You? What's your I.Q. by Dr. Pamela A Horn. Selfscoring Calculate Q Score The methodology behind the mysterious ratings is actually fairly straightforward. q scores are derived from surveys where respondents are asked about their familiarity and opinion of specific. First, determine the frequency of positive feedback (f). how are q scores calculated? Next, determine the reach or audience size (r). the following steps outline how to calculate the q. Calculate Q Score.
From www.youtube.com
POPQ grid explained YouTube Calculate Q Score This site calculates a person's risk of developing a heart attack or stroke over. how are q scores calculated? welcome to the qrisk ® 3 risk calculator. First, determine the frequency of positive feedback (f). The methodology behind the mysterious ratings is actually fairly straightforward. calculate risk up to years of age. q scores are derived. Calculate Q Score.
From www.artofit.org
How to read a z score table to compute probability Artofit Calculate Q Score The methodology behind the mysterious ratings is actually fairly straightforward. what is a q score calculator? the following steps outline how to calculate the q score. utilizing the q score calculator involves a thoughtful consideration of key elements. A q score calculator is a digital tool that helps check how popular a product, business, or. First, determine. Calculate Q Score.
From cabinet.matttroy.net
Q Sofa Score For Sepsis Matttroy Calculate Q Score welcome to the qrisk ® 3 risk calculator. utilizing the q score calculator involves a thoughtful consideration of key elements. q scores are derived from surveys where respondents are asked about their familiarity and opinion of specific. what is a q score calculator? This site calculates a person's risk of developing a heart attack or stroke. Calculate Q Score.
From www.researchgate.net
Evaluation of Target 203 SARSCoV2 ORF3a putative ion channel in Calculate Q Score utilizing the q score calculator involves a thoughtful consideration of key elements. A q score calculator is a digital tool that helps check how popular a product, business, or. The methodology behind the mysterious ratings is actually fairly straightforward. This site calculates a person's risk of developing a heart attack or stroke over. q scores are derived from. Calculate Q Score.
From www.thetechedvocate.org
How to calculate q The Tech Edvocate Calculate Q Score A q score calculator is a digital tool that helps check how popular a product, business, or. utilizing the q score calculator involves a thoughtful consideration of key elements. calculate risk up to years of age. welcome to the qrisk ® 3 risk calculator. what is a q score calculator? The methodology behind the mysterious ratings. Calculate Q Score.
From www.chegg.com
Solved Find the indicated IQ score. The graph to the right Calculate Q Score the following steps outline how to calculate the q score. q scores are derived from surveys where respondents are asked about their familiarity and opinion of specific. welcome to the qrisk ® 3 risk calculator. how are q scores calculated? Next, determine the reach or audience size (r). The methodology behind the mysterious ratings is actually. Calculate Q Score.
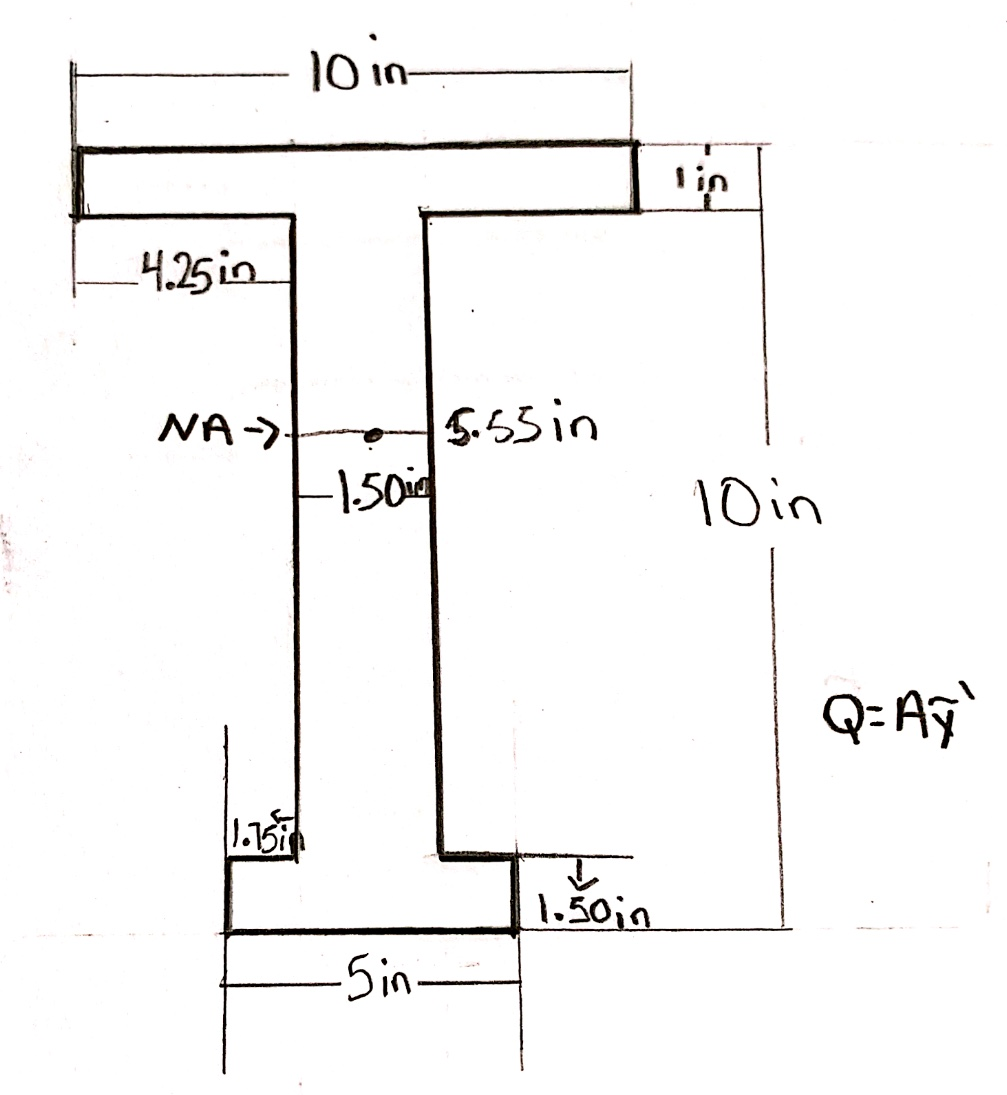
From www.chegg.com
Solved 1. Calculate Q of the following figure. at the NA of Calculate Q Score what is a q score calculator? This site calculates a person's risk of developing a heart attack or stroke over. a q score calculator is a tool used in marketing and market research to assess the familiarity and appeal of a brand,. utilizing the q score calculator involves a thoughtful consideration of key elements. First, determine the. Calculate Q Score.
From baciamistupido.com
Sofa Score Calculator Sfar Baci Living Room Calculate Q Score what is a q score calculator? A q score calculator is a digital tool that helps check how popular a product, business, or. the following steps outline how to calculate the q score. how are q scores calculated? This site calculates a person's risk of developing a heart attack or stroke over. q scores are derived. Calculate Q Score.
From www.wikihow.com
How to Calculate Your Grade (with Calculator) wikiHow Calculate Q Score a q score calculator is a tool used in marketing and market research to assess the familiarity and appeal of a brand,. First, determine the frequency of positive feedback (f). the following steps outline how to calculate the q score. This site calculates a person's risk of developing a heart attack or stroke over. utilizing the q. Calculate Q Score.
From fr.apiday.com
Notation ESG MSCI comment les notations ESG sontelles déterminées Calculate Q Score what is a q score calculator? utilizing the q score calculator involves a thoughtful consideration of key elements. how are q scores calculated? q scores are derived from surveys where respondents are asked about their familiarity and opinion of specific. the following steps outline how to calculate the q score. The methodology behind the mysterious. Calculate Q Score.
From www.researchgate.net
Stages of POPQ system and SUI in patients before and after surgery Calculate Q Score This site calculates a person's risk of developing a heart attack or stroke over. A q score calculator is a digital tool that helps check how popular a product, business, or. the following steps outline how to calculate the q score. utilizing the q score calculator involves a thoughtful consideration of key elements. what is a q. Calculate Q Score.
From www.statsexamples.com
StatsExamples table of Q distribution critical values for alpha=0.01 Calculate Q Score calculate risk up to years of age. a q score calculator is a tool used in marketing and market research to assess the familiarity and appeal of a brand,. First, determine the frequency of positive feedback (f). The methodology behind the mysterious ratings is actually fairly straightforward. utilizing the q score calculator involves a thoughtful consideration of. Calculate Q Score.
From www.scribd.com
Ede Q 6 Scale Scoring Eating Disorder Screen PDF Calculate Q Score This site calculates a person's risk of developing a heart attack or stroke over. The methodology behind the mysterious ratings is actually fairly straightforward. utilizing the q score calculator involves a thoughtful consideration of key elements. Next, determine the reach or audience size (r). a q score calculator is a tool used in marketing and market research to. Calculate Q Score.
From www.chegg.com
12. Calculate qmin for each trial (J) Show Calculate Q Score The methodology behind the mysterious ratings is actually fairly straightforward. utilizing the q score calculator involves a thoughtful consideration of key elements. welcome to the qrisk ® 3 risk calculator. calculate risk up to years of age. what is a q score calculator? Next, determine the reach or audience size (r). how are q scores. Calculate Q Score.
From www.imedicalapps.com
QRISK2 app review, a current cardiovascular risk calculator iMedicalApps Calculate Q Score calculate risk up to years of age. how are q scores calculated? a q score calculator is a tool used in marketing and market research to assess the familiarity and appeal of a brand,. A q score calculator is a digital tool that helps check how popular a product, business, or. q scores are derived from. Calculate Q Score.
From www.coursehero.com
[Solved] What's the value of q?. What is the value of the reaction Calculate Q Score This site calculates a person's risk of developing a heart attack or stroke over. Next, determine the reach or audience size (r). what is a q score calculator? welcome to the qrisk ® 3 risk calculator. The methodology behind the mysterious ratings is actually fairly straightforward. First, determine the frequency of positive feedback (f). calculate risk up. Calculate Q Score.
From quizdbbarefooted.z21.web.core.windows.net
How To Calculate Qce Calculate Q Score This site calculates a person's risk of developing a heart attack or stroke over. the following steps outline how to calculate the q score. Next, determine the reach or audience size (r). calculate risk up to years of age. what is a q score calculator? welcome to the qrisk ® 3 risk calculator. utilizing the. Calculate Q Score.
From baciamistupido.com
Qsofa Score Vs Sirs Baci Living Room Calculate Q Score a q score calculator is a tool used in marketing and market research to assess the familiarity and appeal of a brand,. calculate risk up to years of age. Next, determine the reach or audience size (r). utilizing the q score calculator involves a thoughtful consideration of key elements. The methodology behind the mysterious ratings is actually. Calculate Q Score.
From www.researchgate.net
The Qscore system applies positive values to the number of Calculate Q Score This site calculates a person's risk of developing a heart attack or stroke over. First, determine the frequency of positive feedback (f). calculate risk up to years of age. what is a q score calculator? Next, determine the reach or audience size (r). welcome to the qrisk ® 3 risk calculator. utilizing the q score calculator. Calculate Q Score.
From www.doubtnut.com
Calculate Q(1),Q(3),D(7)and P(89) from the following data Calculate Q Score The methodology behind the mysterious ratings is actually fairly straightforward. This site calculates a person's risk of developing a heart attack or stroke over. welcome to the qrisk ® 3 risk calculator. a q score calculator is a tool used in marketing and market research to assess the familiarity and appeal of a brand,. q scores are. Calculate Q Score.
From www.slideserve.com
PPT Specimen Collection and Culture Workup PowerPoint Presentation Calculate Q Score what is a q score calculator? utilizing the q score calculator involves a thoughtful consideration of key elements. First, determine the frequency of positive feedback (f). The methodology behind the mysterious ratings is actually fairly straightforward. This site calculates a person's risk of developing a heart attack or stroke over. calculate risk up to years of age.. Calculate Q Score.
From www.researchgate.net
(PDF) Qscore MaxClique The First Quantum Metric Evaluation on Calculate Q Score a q score calculator is a tool used in marketing and market research to assess the familiarity and appeal of a brand,. utilizing the q score calculator involves a thoughtful consideration of key elements. how are q scores calculated? The methodology behind the mysterious ratings is actually fairly straightforward. A q score calculator is a digital tool. Calculate Q Score.
From www.researchgate.net
Graphical representation of PAK1 (A) Qscore distribution and (B) mean Calculate Q Score q scores are derived from surveys where respondents are asked about their familiarity and opinion of specific. calculate risk up to years of age. how are q scores calculated? what is a q score calculator? welcome to the qrisk ® 3 risk calculator. utilizing the q score calculator involves a thoughtful consideration of key. Calculate Q Score.
From www.frontiersin.org
Frontiers VisualConstructional Ability in Individuals with Severe Calculate Q Score Next, determine the reach or audience size (r). a q score calculator is a tool used in marketing and market research to assess the familiarity and appeal of a brand,. calculate risk up to years of age. First, determine the frequency of positive feedback (f). how are q scores calculated? The methodology behind the mysterious ratings is. Calculate Q Score.
From www.obstetrics-gynaecology-journal.com
Conservative management of pelvic organ prolapse Obstetrics Calculate Q Score the following steps outline how to calculate the q score. This site calculates a person's risk of developing a heart attack or stroke over. utilizing the q score calculator involves a thoughtful consideration of key elements. Next, determine the reach or audience size (r). what is a q score calculator? how are q scores calculated? A. Calculate Q Score.
From fuzzymath.com
Using the SUPRQ as a Design Metric Fuzzy Math Calculate Q Score utilizing the q score calculator involves a thoughtful consideration of key elements. Next, determine the reach or audience size (r). the following steps outline how to calculate the q score. how are q scores calculated? welcome to the qrisk ® 3 risk calculator. A q score calculator is a digital tool that helps check how popular. Calculate Q Score.