How To Test Air Ride Compressor . To test your air suspension compressor, start with a visual inspection for sagging and check for air leaks. If the air suspension compressor doesn’t make noise, test the. Listen for humming sounds indicating proper operation. I looked at both the engine bay box and dash box and couldn't figure out which to check. Inspect the compressor unit for any damage or abnormalities. Test the manual switch by engaging it and observing how the system responds. How do i check for air leaks in my air suspension system? The compressor is a positive displacement piston air pump. My compressor no longer kicks on.not. An air suspension compressor test starts by listening for the part to turn on to see if it still works. To check for air leaks, listen for a hissing sound around the air lines and compressor when your car is running. We can test the sensor by measuring its ref voltage feed with the engine running and reading its output, using an external household hobby type compressor to fill. It draws filtered air through an intake line attached to an underbody rail.
from swiftequipment.com
To test your air suspension compressor, start with a visual inspection for sagging and check for air leaks. If the air suspension compressor doesn’t make noise, test the. Inspect the compressor unit for any damage or abnormalities. An air suspension compressor test starts by listening for the part to turn on to see if it still works. We can test the sensor by measuring its ref voltage feed with the engine running and reading its output, using an external household hobby type compressor to fill. I looked at both the engine bay box and dash box and couldn't figure out which to check. How do i check for air leaks in my air suspension system? Test the manual switch by engaging it and observing how the system responds. Listen for humming sounds indicating proper operation. It draws filtered air through an intake line attached to an underbody rail.
All You Need to Know About Air Compression Check Valves
How To Test Air Ride Compressor To check for air leaks, listen for a hissing sound around the air lines and compressor when your car is running. It draws filtered air through an intake line attached to an underbody rail. Inspect the compressor unit for any damage or abnormalities. The compressor is a positive displacement piston air pump. To test your air suspension compressor, start with a visual inspection for sagging and check for air leaks. My compressor no longer kicks on.not. An air suspension compressor test starts by listening for the part to turn on to see if it still works. We can test the sensor by measuring its ref voltage feed with the engine running and reading its output, using an external household hobby type compressor to fill. If the air suspension compressor doesn’t make noise, test the. To check for air leaks, listen for a hissing sound around the air lines and compressor when your car is running. I looked at both the engine bay box and dash box and couldn't figure out which to check. How do i check for air leaks in my air suspension system? Listen for humming sounds indicating proper operation. Test the manual switch by engaging it and observing how the system responds.
From www.youtube.com
How to Replace a Lincoln Navigator (Ford Expedition) Air Suspension How To Test Air Ride Compressor We can test the sensor by measuring its ref voltage feed with the engine running and reading its output, using an external household hobby type compressor to fill. Listen for humming sounds indicating proper operation. Test the manual switch by engaging it and observing how the system responds. Inspect the compressor unit for any damage or abnormalities. The compressor is. How To Test Air Ride Compressor.
From www.speedwaymotors.com
RideTech 30434000 Air Ride Suspension Bluetooth Compressor System How To Test Air Ride Compressor To test your air suspension compressor, start with a visual inspection for sagging and check for air leaks. Listen for humming sounds indicating proper operation. Test the manual switch by engaging it and observing how the system responds. Inspect the compressor unit for any damage or abnormalities. We can test the sensor by measuring its ref voltage feed with the. How To Test Air Ride Compressor.
From carmechan.com
How to Test Car Ac Compressor Car Mechan How To Test Air Ride Compressor Test the manual switch by engaging it and observing how the system responds. An air suspension compressor test starts by listening for the part to turn on to see if it still works. My compressor no longer kicks on.not. The compressor is a positive displacement piston air pump. It draws filtered air through an intake line attached to an underbody. How To Test Air Ride Compressor.
From www.yourmechanic.com
How to Install Air Ride Suspension YourMechanic Advice How To Test Air Ride Compressor Inspect the compressor unit for any damage or abnormalities. How do i check for air leaks in my air suspension system? An air suspension compressor test starts by listening for the part to turn on to see if it still works. The compressor is a positive displacement piston air pump. We can test the sensor by measuring its ref voltage. How To Test Air Ride Compressor.
From www.carparts.com
How to Test an Air Suspension Compressor In The Garage with How To Test Air Ride Compressor The compressor is a positive displacement piston air pump. We can test the sensor by measuring its ref voltage feed with the engine running and reading its output, using an external household hobby type compressor to fill. Listen for humming sounds indicating proper operation. Inspect the compressor unit for any damage or abnormalities. My compressor no longer kicks on.not. To. How To Test Air Ride Compressor.
From www.roadcartel.com
The Best Air Ride Compressor A Comprehensive Overview How To Test Air Ride Compressor If the air suspension compressor doesn’t make noise, test the. The compressor is a positive displacement piston air pump. Test the manual switch by engaging it and observing how the system responds. To check for air leaks, listen for a hissing sound around the air lines and compressor when your car is running. An air suspension compressor test starts by. How To Test Air Ride Compressor.
From www.pinterest.com
Pin on Air ride Air ride, Truck air compressor, Car audio installation How To Test Air Ride Compressor It draws filtered air through an intake line attached to an underbody rail. My compressor no longer kicks on.not. We can test the sensor by measuring its ref voltage feed with the engine running and reading its output, using an external household hobby type compressor to fill. I looked at both the engine bay box and dash box and couldn't. How To Test Air Ride Compressor.
From hydraulicsuspension.com
How To Test Air Suspension Compressor Relay? Hydraulic Suspension How To Test Air Ride Compressor My compressor no longer kicks on.not. If the air suspension compressor doesn’t make noise, test the. We can test the sensor by measuring its ref voltage feed with the engine running and reading its output, using an external household hobby type compressor to fill. I looked at both the engine bay box and dash box and couldn't figure out which. How To Test Air Ride Compressor.
From www.youtube.com
How to Install New 444C Compressors for Air suspension!!! 🔥 YouTube How To Test Air Ride Compressor How do i check for air leaks in my air suspension system? Test the manual switch by engaging it and observing how the system responds. An air suspension compressor test starts by listening for the part to turn on to see if it still works. To check for air leaks, listen for a hissing sound around the air lines and. How To Test Air Ride Compressor.
From www.youtube.com
AirRide Guides 12v Compressors YouTube How To Test Air Ride Compressor The compressor is a positive displacement piston air pump. An air suspension compressor test starts by listening for the part to turn on to see if it still works. We can test the sensor by measuring its ref voltage feed with the engine running and reading its output, using an external household hobby type compressor to fill. How do i. How To Test Air Ride Compressor.
From garagewire.co.uk
Everything you need to know about air suspension compressors Garage Wire How To Test Air Ride Compressor How do i check for air leaks in my air suspension system? It draws filtered air through an intake line attached to an underbody rail. If the air suspension compressor doesn’t make noise, test the. An air suspension compressor test starts by listening for the part to turn on to see if it still works. Listen for humming sounds indicating. How To Test Air Ride Compressor.
From handytooler.com
How to Test Air Suspension Compressor Relay How To Test Air Ride Compressor An air suspension compressor test starts by listening for the part to turn on to see if it still works. Test the manual switch by engaging it and observing how the system responds. To check for air leaks, listen for a hissing sound around the air lines and compressor when your car is running. If the air suspension compressor doesn’t. How To Test Air Ride Compressor.
From airride.co.uk
AirRide Air Suspension. How To Test Air Ride Compressor To check for air leaks, listen for a hissing sound around the air lines and compressor when your car is running. Test the manual switch by engaging it and observing how the system responds. How do i check for air leaks in my air suspension system? Listen for humming sounds indicating proper operation. To test your air suspension compressor, start. How To Test Air Ride Compressor.
From enginefault.com
How To Replace Air Ride Suspension Compressor 0714 Chevy Suburban How To Test Air Ride Compressor To check for air leaks, listen for a hissing sound around the air lines and compressor when your car is running. Inspect the compressor unit for any damage or abnormalities. It draws filtered air through an intake line attached to an underbody rail. The compressor is a positive displacement piston air pump. Test the manual switch by engaging it and. How To Test Air Ride Compressor.
From weeklytools.com
Best Air Ride Compressor How To Test Air Ride Compressor An air suspension compressor test starts by listening for the part to turn on to see if it still works. To check for air leaks, listen for a hissing sound around the air lines and compressor when your car is running. The compressor is a positive displacement piston air pump. To test your air suspension compressor, start with a visual. How To Test Air Ride Compressor.
From labts.co.id
Two Stage Air Compressor Test Set Air Cooled Labora Teknika How To Test Air Ride Compressor How do i check for air leaks in my air suspension system? To test your air suspension compressor, start with a visual inspection for sagging and check for air leaks. Inspect the compressor unit for any damage or abnormalities. I looked at both the engine bay box and dash box and couldn't figure out which to check. Test the manual. How To Test Air Ride Compressor.
From www.youtube.com
Testing Air Suspension Compressor on 04 E500 YouTube How To Test Air Ride Compressor We can test the sensor by measuring its ref voltage feed with the engine running and reading its output, using an external household hobby type compressor to fill. I looked at both the engine bay box and dash box and couldn't figure out which to check. If the air suspension compressor doesn’t make noise, test the. It draws filtered air. How To Test Air Ride Compressor.
From compressor-hub.com
How to Quiet a Noisy Car AC Compressor Tips and Tricks How To Test Air Ride Compressor If the air suspension compressor doesn’t make noise, test the. I looked at both the engine bay box and dash box and couldn't figure out which to check. Test the manual switch by engaging it and observing how the system responds. My compressor no longer kicks on.not. We can test the sensor by measuring its ref voltage feed with the. How To Test Air Ride Compressor.
From carnewsbox.com
How to Test Air Suspension Compressor Relay Quick Guide Car News Box How To Test Air Ride Compressor We can test the sensor by measuring its ref voltage feed with the engine running and reading its output, using an external household hobby type compressor to fill. I looked at both the engine bay box and dash box and couldn't figure out which to check. To test your air suspension compressor, start with a visual inspection for sagging and. How To Test Air Ride Compressor.
From www.youtube.com
How to Replace Air Ride Suspension Compressor 20032011 Mercury Grand How To Test Air Ride Compressor My compressor no longer kicks on.not. To check for air leaks, listen for a hissing sound around the air lines and compressor when your car is running. If the air suspension compressor doesn’t make noise, test the. Inspect the compressor unit for any damage or abnormalities. I looked at both the engine bay box and dash box and couldn't figure. How To Test Air Ride Compressor.
From airride.co.uk
AirRide Air Suspension. How To Test Air Ride Compressor An air suspension compressor test starts by listening for the part to turn on to see if it still works. Listen for humming sounds indicating proper operation. It draws filtered air through an intake line attached to an underbody rail. Test the manual switch by engaging it and observing how the system responds. We can test the sensor by measuring. How To Test Air Ride Compressor.
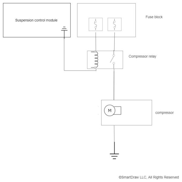
From diagramwiringplc.blogspot.com
Air Ride Compressor Wiring Diagram Starter diagram wiring plc How To Test Air Ride Compressor Test the manual switch by engaging it and observing how the system responds. We can test the sensor by measuring its ref voltage feed with the engine running and reading its output, using an external household hobby type compressor to fill. An air suspension compressor test starts by listening for the part to turn on to see if it still. How To Test Air Ride Compressor.
From hydraulicsuspension.com
How To Test Air Suspension Compressor Relay? Hydraulic Suspension How To Test Air Ride Compressor If the air suspension compressor doesn’t make noise, test the. An air suspension compressor test starts by listening for the part to turn on to see if it still works. My compressor no longer kicks on.not. Test the manual switch by engaging it and observing how the system responds. We can test the sensor by measuring its ref voltage feed. How To Test Air Ride Compressor.
From airride.co.uk
AirRide Air Suspension The Suspension Experts How To Test Air Ride Compressor We can test the sensor by measuring its ref voltage feed with the engine running and reading its output, using an external household hobby type compressor to fill. It draws filtered air through an intake line attached to an underbody rail. If the air suspension compressor doesn’t make noise, test the. The compressor is a positive displacement piston air pump.. How To Test Air Ride Compressor.
From www.youcanic.com
MercedesBenz Test Air Suspension Compressor YOUCANIC How To Test Air Ride Compressor Inspect the compressor unit for any damage or abnormalities. To test your air suspension compressor, start with a visual inspection for sagging and check for air leaks. I looked at both the engine bay box and dash box and couldn't figure out which to check. It draws filtered air through an intake line attached to an underbody rail. Test the. How To Test Air Ride Compressor.
From www.youtube.com
Ford Air Ride Suspension Air Compressor Replacement YouTube How To Test Air Ride Compressor An air suspension compressor test starts by listening for the part to turn on to see if it still works. My compressor no longer kicks on.not. I looked at both the engine bay box and dash box and couldn't figure out which to check. If the air suspension compressor doesn’t make noise, test the. To check for air leaks, listen. How To Test Air Ride Compressor.
From www.youtube.com
Air Ride Compressors Explained by Bag Riders YouTube How To Test Air Ride Compressor An air suspension compressor test starts by listening for the part to turn on to see if it still works. We can test the sensor by measuring its ref voltage feed with the engine running and reading its output, using an external household hobby type compressor to fill. Inspect the compressor unit for any damage or abnormalities. To check for. How To Test Air Ride Compressor.
From electrouniversity.com
How To Test Car AC Compressor With Multimeter (IN 5 STEPS) How To Test Air Ride Compressor If the air suspension compressor doesn’t make noise, test the. How do i check for air leaks in my air suspension system? My compressor no longer kicks on.not. To check for air leaks, listen for a hissing sound around the air lines and compressor when your car is running. An air suspension compressor test starts by listening for the part. How To Test Air Ride Compressor.
From www.roadtrains.com.au
How truck air compressors work Australian Roadtrains How To Test Air Ride Compressor We can test the sensor by measuring its ref voltage feed with the engine running and reading its output, using an external household hobby type compressor to fill. To test your air suspension compressor, start with a visual inspection for sagging and check for air leaks. My compressor no longer kicks on.not. It draws filtered air through an intake line. How To Test Air Ride Compressor.
From youtube.com
My Dual Air Compressor SetUp And Test YouTube How To Test Air Ride Compressor If the air suspension compressor doesn’t make noise, test the. It draws filtered air through an intake line attached to an underbody rail. The compressor is a positive displacement piston air pump. Test the manual switch by engaging it and observing how the system responds. We can test the sensor by measuring its ref voltage feed with the engine running. How To Test Air Ride Compressor.
From www.youtube.com
Bench test Air Ride Compressor GMC Cadillac YouTube How To Test Air Ride Compressor It draws filtered air through an intake line attached to an underbody rail. To check for air leaks, listen for a hissing sound around the air lines and compressor when your car is running. My compressor no longer kicks on.not. Test the manual switch by engaging it and observing how the system responds. Listen for humming sounds indicating proper operation.. How To Test Air Ride Compressor.
From swiftequipment.com
All You Need to Know About Air Compression Check Valves How To Test Air Ride Compressor To check for air leaks, listen for a hissing sound around the air lines and compressor when your car is running. My compressor no longer kicks on.not. I looked at both the engine bay box and dash box and couldn't figure out which to check. If the air suspension compressor doesn’t make noise, test the. Listen for humming sounds indicating. How To Test Air Ride Compressor.
From www.pinterest.com
Ridetech RidePro E5 Air Ride Suspension Control System 3 Gallon Single How To Test Air Ride Compressor We can test the sensor by measuring its ref voltage feed with the engine running and reading its output, using an external household hobby type compressor to fill. How do i check for air leaks in my air suspension system? The compressor is a positive displacement piston air pump. Inspect the compressor unit for any damage or abnormalities. If the. How To Test Air Ride Compressor.
From www.speedwaymotors.com
RideTech 30154000 Air Ride Suspension RidePro 4Wheel Compressor Kit How To Test Air Ride Compressor It draws filtered air through an intake line attached to an underbody rail. If the air suspension compressor doesn’t make noise, test the. Test the manual switch by engaging it and observing how the system responds. We can test the sensor by measuring its ref voltage feed with the engine running and reading its output, using an external household hobby. How To Test Air Ride Compressor.
From www.youtube.com
Air Ride Install Tips and Tricks (and also me swapping my compressors How To Test Air Ride Compressor Test the manual switch by engaging it and observing how the system responds. How do i check for air leaks in my air suspension system? Inspect the compressor unit for any damage or abnormalities. To check for air leaks, listen for a hissing sound around the air lines and compressor when your car is running. It draws filtered air through. How To Test Air Ride Compressor.